rafcep Inserito: 1 maggio 2024 Segnala Inserito: 1 maggio 2024 (modificato) Salve a tutti, la settimana scorsa il mio anzianotto amplificatore di circa 46 anni, ha incominciato a fare un difetto. Premetto che l'ampli ha sempre funzionato a meraviglia e data l'età, l'unica cosa che io personalmente ho fatto è quella di avergli fatto la pulizia di tutti i potenziometri e interruttori/deviatori per il classico fruscio alzando e abbassando il volume. Detto questo, vi spiego il difetto: Sò già in partenza che dirlo a parole non è come aver sotto mano il pezzo da esaminare, ma ci provo...dopo un tempo non predefinito, a volte non lo fa per ore di musica, altre volte circa dopo 1 ora, l'audio sparisce e incomincia a sparare scariche abbastanza forti. Ho fatto diversi test, cambiando i vari ingressi dal selettore, sempre con le scariche, scollegando ogni cavo in ingresso e le scariche non cessano. Solo spegnendolo ovviamente finiscono le scariche ma riaccendendolo fa sempre le scariche e niente audio in uscita. Diciamo che lasciandolo spento per mezz'ora ( forse si è raffreddato?) riaccendendolo riparte a suonare musica, va così anche per ore a volte per giorni ma quando lo decide lui, riecco il difetto. Tolto il coperchio, ho controllato e rifatto tutte le presunte saldature fredde o crepate. Controllato tutti i condensatori elettrolitici se erano gonfi o con fuoriuscita liquido e alcuni li ho sostituiti. Testato resistenze e diodi, nessuno in corto o in perdita. Ma dopo tutto questo intervento, il difetto ha ripreso come prima... Dopo tutte le volte che avviene il difetto, non è mai saltato nessun fusibile o bruciato qualcosa. A sto punto non sò più come e/o dove intervenire, anche perchè non ho gli strumenti adeguati ma solo lo schema e il tester. Allego schema Ringrazio chiunque mi possa dare una mano nel ripararlo. Saluti Raffo Modificato: 1 maggio 2024 da rafcep
ALLUMY Inserita: 1 maggio 2024 Segnala Inserita: 1 maggio 2024 Io inizierei a verificare le alimentazioni, ma non senza un oscilloscopio.
Riccardo Ottaviucci Inserita: 1 maggio 2024 Segnala Inserita: 1 maggio 2024 l'audio sparisce su entrambi i canali? Se sì il problema è sulle alimentazioni comuni. Senza oscilloscopio non è semplice capire dove avviene l'interruzione del segnale. Prova a scaldare i componenti magari per piccole zone del circuito per evidenziare il difetto
rafcep Inserita: 1 maggio 2024 Autore Segnala Inserita: 1 maggio 2024 Grazie per il consiglio, ma non ho l'oscilloscopio. Posso rilevare le alimentazioni solo col tester.
rafcep Inserita: 1 maggio 2024 Autore Segnala Inserita: 1 maggio 2024 1 minuto fa, Riccardo Ottaviucci ha scritto: l'audio sparisce su entrambi i canali? Se sì il problema è sulle alimentazioni comuni. Senza oscilloscopio non è semplice capire dove avviene l'interruzione del segnale. Prova a scaldare i componenti magari per piccole zone del circuito per evidenziare il difetto si, l'audio sparisce in entrambe i canali e quando è in atto, tutta la parte preamp, volume, toni e balance, alzando o abbassando le scariche non cambiano o se riesco a spiegare bene, le scariche rimangono fisse di volume e non cambiano effetto a secondo dei toni o balance faccio ruotare.
Riccardo Ottaviucci Inserita: 1 maggio 2024 Segnala Inserita: 1 maggio 2024 (modificato) dallo schema noto però che l'IC301 è comune ad entrambi i canali e secondo me può essere sospettato di malfunzionamento. Prova a sollecitarlo scaldandolo con la punta del saldatore,magari poi raffreddandolo con freezer. Verifica l'alimentazione di 13,5V sull'IC preamplificatore Modificato: 1 maggio 2024 da Riccardo Ottaviucci
rafcep Inserita: 1 maggio 2024 Autore Segnala Inserita: 1 maggio 2024 (modificato) 19 minuti fa, Riccardo Ottaviucci ha scritto: Verifica l'alimentazione di 13,5V sull'IC preamplificatore ti riferisci sempre all' IC301? Domani faccio queste prove e vi aggiorno. Grazie e buona serata. Modificato: 1 maggio 2024 da rafcep
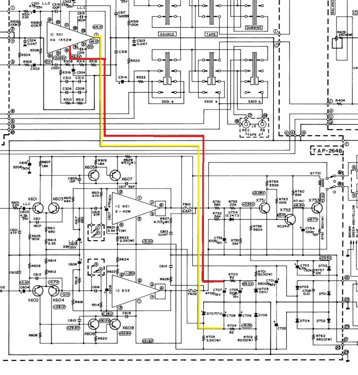
rafcep Inserita: 3 maggio 2024 Autore Segnala Inserita: 3 maggio 2024 (modificato) Buongiorno, ho verificato l'alimentazione sull'IC301 e sono 28V. sul diodo zener D705 ai suoi capi ho 14,8V Non vorrei fare confusione ma sul diodo D705 cè tensione positiva, mentre sul diodo D707 tensione negativa. Modificato: 3 maggio 2024 da rafcep
rafcep Inserita: 3 maggio 2024 Autore Segnala Inserita: 3 maggio 2024 1 ora fa, rafcep ha scritto: Buongiorno, ho verificato l'alimentazione sull'IC301 e sono 28V. sul diodo zener D705 ai suoi capi ho 14,8V Non vorrei fare confusione ma sul diodo D705 cè tensione positiva, mentre sul diodo D707 tensione negativa. Controllando ancora, sul piedino 1 del IC301 cè segnato -14,1V quindi è ovvio che ai capi dei piedini 1 e 4 ho 28v... o sbaglio?
Riccardo Ottaviucci Inserita: 3 maggio 2024 Segnala Inserita: 3 maggio 2024 aspetta,forse lo schema che si vede è incompleto e manca la seconda parte di preamplificatore. Quindi ne sono due separati e non vale il discorso che ti ho fatto sul singolo IC. Se l'interruzione dell'audio è su entrambi i canali la causa è per forza comune e di comune c'è solo l'alimentazione
rafcep Inserita: 3 maggio 2024 Autore Segnala Inserita: 3 maggio 2024 10 ore fa, Riccardo Ottaviucci ha scritto: aspetta,forse lo schema che si vede è incompleto e manca la seconda parte di preamplificatore. Quindi ne sono due separati e non vale il discorso che ti ho fatto sul singolo IC. Se l'interruzione dell'audio è su entrambi i canali la causa è per forza comune e di comune c'è solo l'alimentazione scusate l'ora ma ho finito di lavorare alle 22:00. Questa tua affermazione mi manda fuori strada, come manca un pezzo di schema? Questo ultimo che ho allegato l'ho ritagliato solo per evidenziare le piste dell'alimentazione dell'IC301. Lo schema intero l'ho allegato al mio primo messaggio. Non credo che ci siano due preamplificatori separati. L'IC301 è un preamplificatore audio a 2 canali: vedi datasheet allegato. Poi,ripeto posso sempre sbagliarmi...
Riccardo Ottaviucci Inserita: 4 maggio 2024 Segnala Inserita: 4 maggio 2024 bene,allora indaga sul suo circuito avevo riguardato solo il secondo schema dove sembra ne manchi un pezzo. In effetti la prima risposta era riferita allo schema giusto
alberto53 Inserita: 4 maggio 2024 Segnala Inserita: 4 maggio 2024 Dallo schema elettrico mi sembra di capire che IC301 è soltanto il preamplificatore fono. I segnali ad alto livello (tuner, tape e aux) entrano direttamente nello stadio finale dopo essere passati dal controllo di volume. Se le scariche ci sono anche con volume a zero il problema è nel finale. Si potrebbe controllare: il relè di protezione e l'alimentazione dello stadio finale. Anche i controlli di tono sono collegati allo stadio finale nei punti d e f g h, potrebbero avere qualche responsabilità.
rafcep Inserita: 4 maggio 2024 Autore Segnala Inserita: 4 maggio 2024 9 ore fa, Riccardo Ottaviucci ha scritto: bene,allora indaga sul suo circuito avevo riguardato solo il secondo schema dove sembra ne manchi un pezzo. In effetti la prima risposta era riferita allo schema giusto Quindi devo sempre considerare che l'IC301 può avere un malfunzionamento? Consigli di sostituirlo?
rafcep Inserita: 4 maggio 2024 Autore Segnala Inserita: 4 maggio 2024 6 ore fa, alberto53 ha scritto: Dallo schema elettrico mi sembra di capire che IC301 è soltanto il preamplificatore fono. I segnali ad alto livello (tuner, tape e aux) entrano direttamente nello stadio finale dopo essere passati dal controllo di volume. Se le scariche ci sono anche con volume a zero il problema è nel finale. Si potrebbe controllare: il relè di protezione e l'alimentazione dello stadio finale. Anche i controlli di tono sono collegati allo stadio finale nei punti d e f g h, potrebbero avere qualche responsabilità. Si, le scariche le ho sempre anche mettendo a zero il volume. Ma scusami la domanda, il relè può causare queste scariche? se fosse lui, staccherebbe il segnale alle casse o addirittura lo sentirei ticchettare? controllerò meglio l'alimentazione dei finali. In che senso dici che anche i controlli di tono potrebbero avere qualche responsabilità? intendi l'involucro dei potenziometri o i componenti ad essi collegati?
alberto53 Inserita: 4 maggio 2024 Segnala Inserita: 4 maggio 2024 Il relè potrebbe fare cattivo contatto per ossidazione. Puoi provare a picchiarlo leggermente col manico di un cacciavite. I controlli di tono fanno parte del circuito di controreazione. Penso siano collegati con un cavetto allo stampato. Controlla se i collegamenti sono stabili. Un altro punto che potrebbe dare problemi è l'alimentazione a -7V che viene prelevata sull'anodo del D707. Prova a misurarla quando l'ampli funziona e quando fa le scariche.
rafcep Inserita: 6 maggio 2024 Autore Segnala Inserita: 6 maggio 2024 Il 5/5/2024 alle 00:10 , alberto53 ha scritto: Il relè potrebbe fare cattivo contatto per ossidazione. Puoi provare a picchiarlo leggermente col manico di un cacciavite. I controlli di tono fanno parte del circuito di controreazione. Penso siano collegati con un cavetto allo stampato. Controlla se i collegamenti sono stabili. Un altro punto che potrebbe dare problemi è l'alimentazione a -7V che viene prelevata sull'anodo del D707. Prova a misurarla quando l'ampli funziona e quando fa le scariche. Allora, oggi è da stamattina che mi sono messo con pazienza ad eseguire tutti i controlli consigliatomi: rifatto le saldature dei cavetti sui potenziometri e al collegamento sulla scheda. Picchiettato sul relè mentre l'ampli è in funzione, nessun tipo d'interferenza. Controllato tensione sull'anodo del diodo D707 dà -7,0V / -7,1V. Ho anche controllato la tensione sulla resistenza R701 R702 ed ho 14,8V e -14,8V. Queste tensioni rilevate sia quando fanno le scariche che quando non ci sono. Ovviamente per rilevare le tensioni ho dovuto tenere acceso l'ampli per più tempo e ad un certo punto sento odore di bruciato, nulla sulla scheda ma usciva fumo dall'altoparlante!! Ho spento subito ed ho aspettato 10 minuti, per sfizio ho collegato i puntale del tester in volt sui terminale dell'altoparlante e riaccendendo l'ampli, avevo sempre le scariche e il tester mi segnava 13V. Non ho fatto in tempo a spegnere che è saltato uno dei due fusibili da 3,15A sulla scheda power. A questo punto sembra che qui il problema sia l'alimentazione o alla peggio uno o tutti e due i finali IC601 e 602 l'S-40W.
Riccardo Ottaviucci Inserita: 6 maggio 2024 Segnala Inserita: 6 maggio 2024 forse un corto di uno dei finali fa intervenire la protezione in comune sugli altoparlanti,per questo il suono va via su entrambi i canali
rafcep Inserita: 7 maggio 2024 Autore Segnala Inserita: 7 maggio 2024 22 ore fa, Riccardo Ottaviucci ha scritto: forse un corto di uno dei finali fa intervenire la protezione in comune sugli altoparlanti,per questo il suono va via su entrambi i canali non ho capito se è la protezione che ha fatto saltare il fusibile oppure il finale in corto a farlo saltare... Non so come intervenire per testare se è il finale o qualche componente sull'alimentazione primaria... Anni fa prima che ci fossero i forum o youtube, si leggevano molte riviste o libri di elettronica, e se mi ricordo bene, si poteva interrompere il pin di alimentazione del finale per poi misurare e cercare di trovare il componente in perdita o in corto.
Riccardo Ottaviucci Inserita: 7 maggio 2024 Segnala Inserita: 7 maggio 2024 quasi sicuramente un finale è in corto. Io proverei a scollegarlo e farlo funzionare con un canale solo per sentire se il problema resta ancora
rafcep Inserita: 7 maggio 2024 Autore Segnala Inserita: 7 maggio 2024 1 ora fa, Riccardo Ottaviucci ha scritto: quasi sicuramente un finale è in corto. Io proverei a scollegarlo e farlo funzionare con un canale solo per sentire se il problema resta ancora Di scollegarlo ci ho pensato anch'io,per questo ho scritto se anche in questo caso basta scollegare il pin che lo alimenta oppure forse è meglio scollegarlo completamente? ma quale scollego? faccio riferimento al canale dove è collegato l'altoparlante che fumava? La butto lì, se è il canale destro ad essere in corto, come mai il difetto delle scariche è sempre stato su entrambi i canali? può essere che il canale destro, altoparlante,finale e fusibile siano andati in corto per effetto delle scariche prolungate? Sono tutte opinioni per dare una spiegazione ai miei pensieri... Se doveste sentire queste scariche,secondo me avrete un indicazione più certa su dove intervenire. Cerco di spiegarlo a parole: Avete presente quando fate un corto in tensione, avviene la scintilla ma si sente anche uno scoppietto? in pratica questo avviene all'amplificatore, scariche e scoppietti. Può essere che i due condensatori elettrolitici dopo un po di tempo di funzionamento va o vanno entrambi in corto?
Riccardo Ottaviucci Inserita: 9 maggio 2024 Segnala Inserita: 9 maggio 2024 per me è meglio toglierlo del tutto,poi verificare se l'altro rimasto presenta lo stesso problema. Una spiegazione logica è che al presentarsi del problema su un canale ,la protezione che è comune ad entrambi,esclude entrambe le casse tramite il relè
rafcep Inserita: 11 maggio 2024 Autore Segnala Inserita: 11 maggio 2024 Buongiorno, quindi mi ci vorrà più tempo nel smontare la scheda e il finale, lo farò quando ho più tempo libero da dedicarci. Nel frattempo ringrazio come sempre e vi terrò aggiornati appena ho delle novità. Vista probabile rottura del finale, ho fatto ricerca del Sanken s-40w e malgrado l'avessi trovato, ho letto parecchie recensioni negative a riguardo che non sono originali ma ricostruzioni, cloni e non hanno la stessa resa dell'originale e al 90% sono usati. Ho trovato anche un equivalente l'stk0040 ma cambia la piedinatura. Ma questo lo vedremo più avanti solo se l'indiziato è s-40w. Ciao
Messaggi consigliati
Crea un account o accedi per commentare
Devi essere un utente per poter lasciare un commento
Crea un account
Registrati per un nuovo account nella nostra comunità. è facile!
Registra un nuovo accountAccedi
Hai già un account? Accedi qui.
Accedi ora