Fulcro Inserito: 3 maggio 2024 Segnala Inserito: 3 maggio 2024 (modificato) Salve a tutti! Sto riparando un glorioso synth in cui ho trovato la scheda digitale con vari danni da perdita di elettrolita dai condensatori. Eseguita una pulizia della scheda e una complessa sostituzione degli elettrolitici, mi ritrovo con il display blank all'avvio, problema già presente da prima che la tastiera venisse in mio possesso, e da cui non riesco a venire a capo. Da ciò che ho potuto riscontrare con l'oscilloscopio, non si presenta il segnale di reset (XRST) alla CPU principale. Le tensioni di alimentazione sono presenti e corrette. Il segnale di reset viene generato dalla connessione di vari integrati, tra cui IC8 (M51953) e IC25 (74HC08), e da li dovrebbe arrivare alla CPU, ma non ne sto venendo a capo: mi sembra come se il 74HC08 raccolga varie condizioni dalla scheda e se queste non sono presenti non fa arrivare il segnale XRST alle varie CPU. Ho modo di bypassare il controllo delle condizioni e vedere se la CPU funziona con un reset forzato? La tastiera è dotata di un sistema di TestMode a schermo, ma non funziona, ottengo solo un display vuoto... La batteria tampone è nuova... Il Service Manual (della XP60, quasi identica) si trova qui: https://drive.google.com/file/d/1uMxbHHDFA5LKUR9nHBYYwABsumEfPd6A/view?usp=drive_link Lo schema della MainBoard si trova a pagina 28 del PDF. Io seguo il percorso del XRST da IC8 a IC25 fino alle CPU, ma non si presenta niente... Grazie per qualsiasi consiglio... Fulcro Modificato: 3 maggio 2024 da Fulcro
Ctec Inserita: 3 maggio 2024 Segnala Inserita: 3 maggio 2024 Con "non si presenta" intendi che rimane sempre a 0? A schema è attivo basso, quindi all'accensione deve stare a 0 e poi dopo un certo tempo dovrebbe andare a 1 (5V). Per vedere bene l'impulso di reset, ci vuole un oscilloscopio. Ma se rimane fisso a 0, basta un tester. Controlla l'uscita (pin 8 ) di IC25C, lo stato delle resistenze R66 e R261. Anche l'uscita di IC8 (pin 6) deve essere a 0 e poi a 1.
Fulcro Inserita: 19 maggio 2024 Autore Segnala Inserita: 19 maggio 2024 Il 03/05/2024 alle 18:02 , Ctec ha scritto: Con "non si presenta" intendi che rimane sempre a 0? A schema è attivo basso, quindi all'accensione deve stare a 0 e poi dopo un certo tempo dovrebbe andare a 1 (5V). Per vedere bene l'impulso di reset, ci vuole un oscilloscopio. Ma se rimane fisso a 0, basta un tester. Controlla l'uscita (pin 8 ) di IC25C, lo stato delle resistenze R66 e R261. Anche l'uscita di IC8 (pin 6) deve essere a 0 e poi a 1. Salve Andrea. Sto tornando a fare verifiche su questa scheda dopo un periodo di brainstorming su carta. Comunque si, le verifiche le ho fatto con un oscilloscopio, e il segnale XRST rimane a zero. Ho verificato: - la continuità delle piste nel IC8 M51953 - il condensatore del timing C43 - la resistenza R68 da 4,7Kohm e sembra tutto regolare ma il pin 6 di IC8 rimane a zero. A proposito, la R261 che mi hai citato è su un altro circuito: è un refuso o c'è una connessione con il reset? Comunque dalla formula presente nel datasheet del M51953 mi risulta che in base al valore di C43 (4,7uF) il tempo che intercorre tra il momento in cui la tensione di alimentazione del M51953 raggiunge i 4,25V (e rimane stabile) e il presentarsi del reset al pin6 è di circa 1600uS, E DA LI IN POI DOVREBBE RIMANERE FISSO A Vcc. E' corretto? Ora pensavo di sostituire in prova il M51953, perchè se non erro non ci sono altri controlli che impediscono il presentarsi del reset... Oppure pensavo di staccare il chip e ricostruire il circuito offboard per verificare se per caso funzioni... Grazie per qualsiasi prezioso consiglio...
max.bocca Inserita: 20 maggio 2024 Segnala Inserita: 20 maggio 2024 Prova a scollegare l'uscita dal IC del reset e gestirlo esternamente.
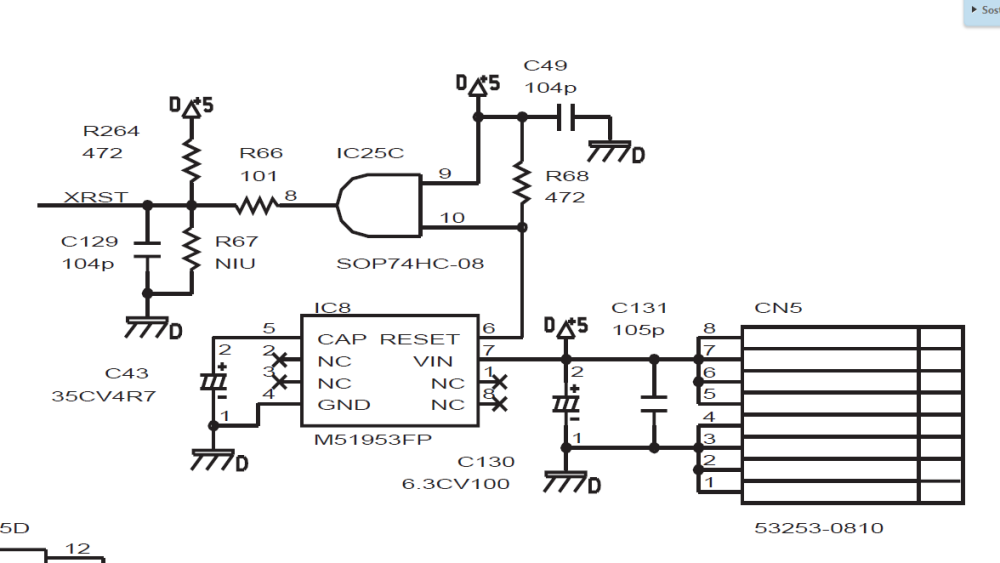
Ctec Inserita: 20 maggio 2024 Segnala Inserita: 20 maggio 2024 (modificato) Il circuito di reset è questo: Il segnale XRST deve rimanere a 0 all'accensione per un certo tempo, determinato da IC8/C13, e poi passare a 1 liberando il reset. R68 e R261 (eccola lì) sono dei pull-up, il buffer che eroga corrente sulla linea è IC25C. In primis, se puoi, stacca il pin 6 di IC8, e il segnale XRST dovrebbe andare a 1 praticamente subito. Fregatene al momento se il sistema non si resetta correttamente. Questo vorrebbe dire che il buffer IC25C sta facendo il suo lavoro. Se i pin 9 e 10 di IC25C sono a 1 ma il pin 8 rimane a 0, scollega la R66. Se continua, IC25 è guasto, altrimenti il problema è a valle. Se tutto quanto sopra è corretto, e per esempio il pin 6 di IC8 è sempre a 0, o è guasto o la tensione di alimentazione è troppo bassa (tali integrati fanno anche la sorveglianza dell'alimentazione). Ah, te dici R68 è da 4k7, ma a schema sembra da 1k7 (172), anche se non sarebbe un problema... Modificato: 20 maggio 2024 da Ctec
Fulcro Inserita: 22 maggio 2024 Autore Segnala Inserita: 22 maggio 2024 Il 20/05/2024 alle 07:39 , max.bocca ha scritto: Prova a scollegare l'uscita dal IC del reset e gestirlo esternamente. Ci ho pensato, per evitare fenomeni di bouncing ho pensato di programmare un microcontrollore che dopo un certo intervallo di tempo porta su il segnale a 5V, ma nel frattempo ho notato che staccando l'integrato con le porte AND, il segnale di reset si presenta correttamente al M51953. Ora vedo se posso portare quel segnale saltando le porte AND...
Fulcro Inserita: 22 maggio 2024 Autore Segnala Inserita: 22 maggio 2024 (modificato) Il 20/05/2024 alle 08:18 , Ctec ha scritto: Il circuito di reset è questo: Il segnale XRST deve rimanere a 0 all'accensione per un certo tempo, determinato da IC8/C13, e poi passare a 1 liberando il reset. R68 e R261 (eccola lì) sono dei pull-up, il buffer che eroga corrente sulla linea è IC25C. In primis, se puoi, stacca il pin 6 di IC8, e il segnale XRST dovrebbe andare a 1 praticamente subito. Fregatene al momento se il sistema non si resetta correttamente. Questo vorrebbe dire che il buffer IC25C sta facendo il suo lavoro. Se i pin 9 e 10 di IC25C sono a 1 ma il pin 8 rimane a 0, scollega la R66. Se continua, IC25 è guasto, altrimenti il problema è a valle. Se tutto quanto sopra è corretto, e per esempio il pin 6 di IC8 è sempre a 0, o è guasto o la tensione di alimentazione è troppo bassa (tali integrati fanno anche la sorveglianza dell'alimentazione). Ah, te dici R68 è da 4k7, ma a schema sembra da 1k7 (172), anche se non sarebbe un problema... Ho scoperto perchè non trovavo la R261: in effetti è su un altro circuito (di mute, se non erro), mentre nell'immagine che mostri tu ci sono tutti i 4 tagliati come se fosse 1 (R261 è in realtà R264, le resistenze da 172 sono in realtà 472), da qui i nostri misunderstanding 😄 Qui allego lo screenshot fatto da me, vediamo se appare "rovinato". Nel frattempo, ho staccato il IC25 74HC08, e il segnale di reset compare correttamente al pin 6 del IC8 M51953 (la R66 funziona ancora come pullup): posso concludere solo che IC8 SEMBRA funzionare. Ora pensavo di connettere direttamente il pin6 di IC8 al pad del pin8 di IC25 (a IC staccato, ovviamente) per vedere se le varie CPU ricevono il XRST, sempre che questo si presenti. Sto trascurando qualcosa? Modificato: 22 maggio 2024 da Fulcro
max.bocca Inserita: 22 maggio 2024 Segnala Inserita: 22 maggio 2024 Io staccheri la 100ohm R66 e piloterei il segnale di reset
Fulcro Inserita: 22 maggio 2024 Autore Segnala Inserita: 22 maggio 2024 40 minuti fa, Fulcro ha scritto: Ho scoperto perchè non trovavo la R261: in effetti è su un altro circuito (di mute, se non erro), mentre nell'immagine che mostri tu ci sono tutti i 4 tagliati come se fosse 1 (R261 è in realtà R264, le resistenze da 172 sono in realtà 472), da qui i nostri misunderstanding 😄 Qui allego lo screenshot fatto da me, vediamo se appare "rovinato". Nel frattempo, ho staccato il IC25 74HC08, e il segnale di reset compare correttamente al pin 6 del IC8 M51953 (la R66 funziona ancora come pullup): posso concludere solo che IC8 SEMBRA funzionare. Ora pensavo di connettere direttamente il pin6 di IC8 al pad del pin8 di IC25 (a IC staccato, ovviamente) per vedere se le varie CPU ricevono il XRST, sempre che questo si presenti. Sto trascurando qualcosa? Niente da fare. Il comportamento che ho ora è quello avevo prima della sostituzione degli elettrolitici, ma ovviamente senza l'IC25 74HC08 non posso pretendere che funzioni a dovere. Ora cerco un HC08 e vedo se cambia qualcosa dopo la sostituzione. Intanto qualsiasi ulteriore consiglio sarebbe preziosissimo!
Fulcro Inserita: 22 maggio 2024 Autore Segnala Inserita: 22 maggio 2024 4 minuti fa, max.bocca ha scritto: Io staccheri la 100ohm R66 e piloterei il segnale di reset In che senso "piloteresti"? Inietteresti una tensione "dopo" R66?
Fulcro Inserita: 22 maggio 2024 Autore Segnala Inserita: 22 maggio 2024 34 minuti fa, Fulcro ha scritto: Niente da fare. Il comportamento che ho ora è quello avevo prima della sostituzione degli elettrolitici, ma ovviamente senza l'IC25 74HC08 non posso pretendere che funzioni a dovere. Ora cerco un HC08 e vedo se cambia qualcosa dopo la sostituzione. Intanto qualsiasi ulteriore consiglio sarebbe preziosissimo! Sostituito il IC25 74HC08, ora il reset al pin6 di IC8 si presenta, ma il comportamento a display è come nel video. Ora sono bloccato...
Ctec Inserita: 23 maggio 2024 Segnala Inserita: 23 maggio 2024 Ma oltre al display vuoto fa qualcosa? Emette un suono? I tasti fanno qualcosa? Se è solo il display, prima di tutto controllane le alimentazioni, vedo che deve avere +12V, -12V, +5V. Poi, sarebbe il caso di vedere, con oscilloscopio o analizzatore logico, se i segnali al display arrivano, anche solo per stabilire se il problema è proprio lui.
Fulcro Inserita: 25 maggio 2024 Autore Segnala Inserita: 25 maggio 2024 (modificato) Il 23/05/2024 alle 08:17 , Ctec ha scritto: Ma oltre al display vuoto fa qualcosa? Emette un suono? I tasti fanno qualcosa? Se è solo il display, prima di tutto controllane le alimentazioni, vedo che deve avere +12V, -12V, +5V. Poi, sarebbe il caso di vedere, con oscilloscopio o analizzatore logico, se i segnali al display arrivano, anche solo per stabilire se il problema è proprio lui. Intanto ti ringrazio ancora... Il display si comporta come nel video che pensavo di aver allegato al messaggio precedentemente, ma ho dimenticato. Mi scuso, il video è questo: https://drive.google.com/file/d/1RXz-RiceKSxrMzn8I2HS2DR_W_zqst6L/view?usp=drive_link Io credo che il controller del LCD stia funzionando correttamente, ma riceve istruzioni sballate dal processore (cpu guasta? ROM/RAM guasta?) ma è una mia impressione... La presenza delle tensioni è la prima cosa che ho controllato e risultano tutte corrette e nei limiti delle normali tolleranze (i +5V mi risultano 4,98V per esempio), e ho verificato che tutti gli integrati risultino alimentati. Pensavo di lasciare attivi solo cpu e mask ROM per vedere se funziona la modalità TestMode che mi permette di analizzare gli stadi guasti, e ricollegare uno per uno i vari stadi. Sinceramente non mi è mai capitato di fare controlli tanto approfonditi e complessi, e nel caso fosse possibile chiederei: secondo te potrei tenere attiva una sezione minima, e da quali integrati potrebbe essere costituita? Ad esempio IC12 CPU, IC10 MaskRom, i 2 chip IC21-22 DRAM, IC17 SRAM, insieme a IC18 LCD controller +IC13 SH Gate Array e IC19 SRAM LCD? Ovviamente non avrei la generazione sonora, la matrice di tastiera e la conversione D/A, ma a display potrei almeno avere degli errori, se il minimo funzionasse... Intanto riverifico tutto dalla base, ma ancora non mi arriva la connessione chiara tra le varie sezioni per capire... 🙏 Modificato: 25 maggio 2024 da Fulcro
Ctec Inserita: 27 maggio 2024 Segnala Inserita: 27 maggio 2024 A me ad occhio mi pare proprio il display andato. Alimentalo e basta, senza segnali di interfaccia. Dovrebbe semplicemente accendere ma senza lampeggi strani come fa ora. Guardando un po' in giro, sul tuo Roland e sul 990 c'erano parecchi problemi al display. Che non è più reperibile. Una nota dice di cambiarlo con un LCM32080YGV2, ma non mi pare si trovi neppure lui. Dovrebbe essere un 320x80 pixel, monocromo, non so bene che controller monta. L'unica è cercare un po' in giro o se esiste un equivalente.
Nik-nak Inserita: 27 maggio 2024 Segnala Inserita: 27 maggio 2024 1 ora fa, Ctec ha scritto: L'unica è cercare un po' in giro o se esiste un equivalente. Cercando in rete, viene indicato come equivalente il SDBG32080: Alibaba Aliexpress
Fulcro Inserita: 27 maggio 2024 Autore Segnala Inserita: 27 maggio 2024 (modificato) 8 ore fa, Ctec ha scritto: A me ad occhio mi pare proprio il display andato. Alimentalo e basta, senza segnali di interfaccia. Dovrebbe semplicemente accendere ma senza lampeggi strani come fa ora. Guardando un po' in giro, sul tuo Roland e sul 990 c'erano parecchi problemi al display. Che non è più reperibile. Una nota dice di cambiarlo con un LCM32080YGV2, ma non mi pare si trovi neppure lui. Dovrebbe essere un 320x80 pixel, monocromo, non so bene che controller monta. L'unica è cercare un po' in giro o se esiste un equivalente. Credo che se fosse solo il display guasto, le altre funzioni (risposta dei tasti di controllo con led e generazione sonora) funzionerebbero... Modificato: 27 maggio 2024 da Fulcro
Messaggi consigliati
Crea un account o accedi per commentare
Devi essere un utente per poter lasciare un commento
Crea un account
Registrati per un nuovo account nella nostra comunità. è facile!
Registra un nuovo accountAccedi
Hai già un account? Accedi qui.
Accedi ora