Andrea87a Inserito: 25 maggio 2024 Segnala Inserito: 25 maggio 2024 Buona sera, ho una lavastoviglie beko din 4531, il problema è che una volta avviato il lavaggio è chiuso lo sportello lei scarica e riempie il cestello, ma poi non parte, certe volte parte e aprendo e richiudendo lo sportello la pompa funziona come deve L acqua la scalda quindi ho pensato fosse il sensore owi o il flussostato che ho cambiato entrambi e pulito L air break, ma comunque la lavastoviglie una volta alla settimana decide di non voler funzionare. Cosa potrebbe essere? Vi ringrazio per l aiuto
Stefano Dalmo Inserita: 25 maggio 2024 Segnala Inserita: 25 maggio 2024 Direi di controllare se quando non parte , il motore viene alimentato , perché spesso le pompe magnetiche se sboccolate , fanno questo funzionamento alternato . se arriva tensione e non parte va sostituita la parte motrice.
Andrea87a Inserita: 26 maggio 2024 Autore Segnala Inserita: 26 maggio 2024 8 ore fa, Stefano Dalmo ha scritto: Direi di controllare se quando non parte , il motore viene alimentato , perché spesso le pompe magnetiche se sboccolate , fanno questo funzionamento alternato . se arriva tensione e non parte va sostituita la parte motrice. Non credo sia la pompa, perché quando riesce a partire aprendo la porta si ferma e richiudendo riparte tranquillamente. Fatto svariate volte di fila questa prova, fosse un problema di pompa dovrebbe ciccare almeno qualche volta quando richiudo la porta e invece riparte sempre
UABC80 Inserita: 26 maggio 2024 Segnala Inserita: 26 maggio 2024 Non è detto. Verificare (non cambiare la pompa, verificare come ti è stato consigliato) non costa nulla e dà un quadro più preciso della situazione Dopo si può provare a vedere altre cose (chiusura della porta, etc)
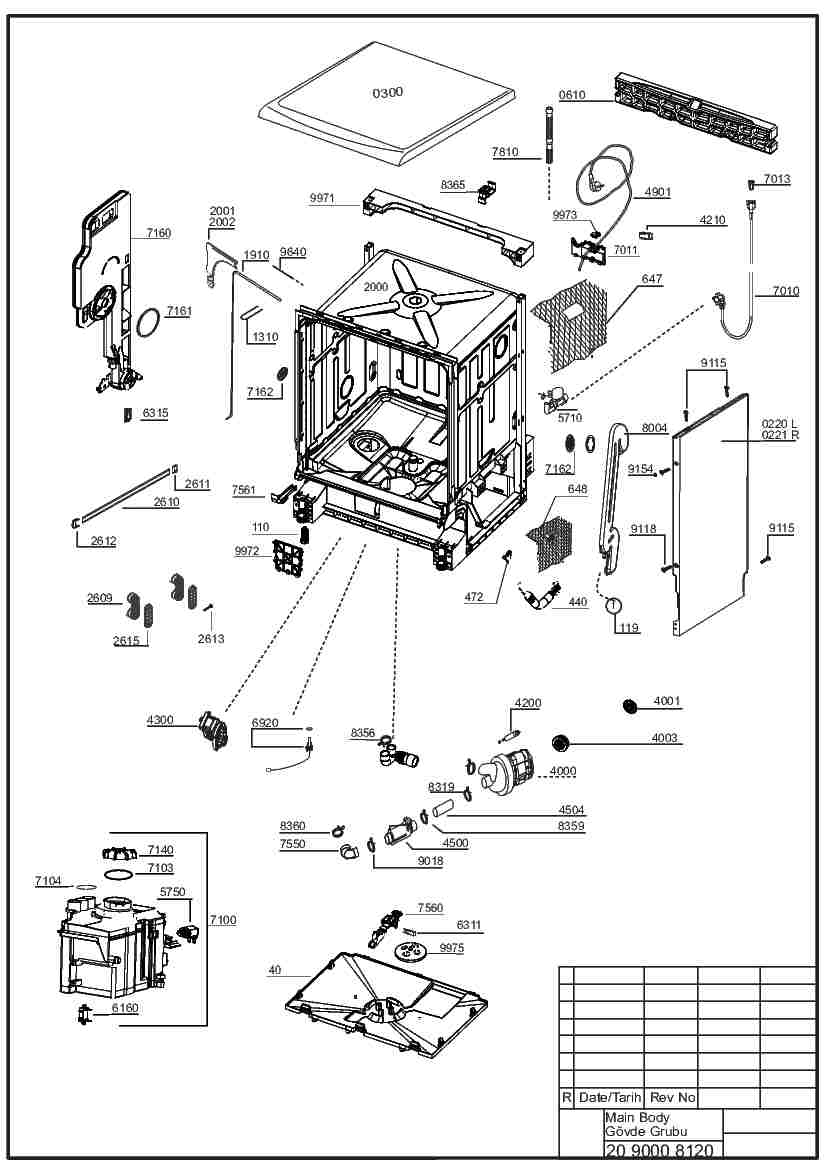
Andrea87a Inserita: 26 maggio 2024 Autore Segnala Inserita: 26 maggio 2024 Può essere colpa del tubo che collega il cestello al 8004 che sembra un secondo airbreak (non so cosa sia, se qualcuno vuole insegnarmi qualcosa son pronto a leggere) era completamente intasato ed una volta stappato è ripartita.
Ciccio 27 Inserita: 28 maggio 2024 Segnala Inserita: 28 maggio 2024 Sembra un condotto di aspirazione del vapore...
Messaggi consigliati
Crea un account o accedi per commentare
Devi essere un utente per poter lasciare un commento
Crea un account
Registrati per un nuovo account nella nostra comunità. è facile!
Registra un nuovo accountAccedi
Hai già un account? Accedi qui.
Accedi ora