eamaxb Inserito: 16 luglio 2024 Segnala Inserito: 16 luglio 2024 Ciao, avrei bisogno di collegare un pulsante esterno al telecomando per aprire il cancello del garage. In pratica voglio mettere il comando sul manubrio della moto e il telecomando sotto la sella. Non riesco a capire però dove saldare i due cavi: il pulsante del telecomando ha 4 PIN che arrivano la luce sia se collego la coppia cerchiata in rosso che quella cerchiata in blu. Posso quindi collegare i fili ad una coppia qualunque? Perché ci sono due coppie che fanno apparentemente la stessa cosa?
ilguargua Inserita: 16 luglio 2024 Segnala Inserita: 16 luglio 2024 1 ora fa, eamaxb ha scritto: Perché ci sono due coppie che fanno apparentemente la stessa cosa? Sono fatti così, da un lato ci sono due pin uniti tra loro. Se vuoi andare sul sicuro in genere si usa la diagonale dei pin, funziona sempre!😀 Ciao, Ale.
ALLUMY Inserita: 16 luglio 2024 Segnala Inserita: 16 luglio 2024 (modificato) 1 ora fa, eamaxb ha scritto: Posso quindi collegare i fili ad una coppia qualunque? Sì 1 ora fa, eamaxb ha scritto: Perché ci sono due coppie che fanno apparentemente la stessa cosa? Non è apparenza, sono fatti proprio così, i 4 pin in realtà sono 2 connessioni (a doppio pin) che fanno capo a un solo contatto a pulsante. Hanno il bello di essere più robusti meccanicamente e spesso agevolano il design dei pcb. ops, mi sono accavallato! Modificato: 16 luglio 2024 da ALLUMY
eamaxb Inserita: 16 luglio 2024 Autore Segnala Inserita: 16 luglio 2024 Ottimo, grazie mille ad entrambi 😄 Già che ci siamo... Avete idea di che tipologia di filo mi conviene comprare? Il diametro più che altro. Ci sono accortezze particolari per saldare un contatto così piccolo?
ALLUMY Inserita: 16 luglio 2024 Segnala Inserita: 16 luglio 2024 (modificato) La corrente è davvero irrisoria quindi puoi mettere anche il filo più fino che hai. Volendo essere pignoli, scegli del cavetto bifilare twistato, tipo questo nella foto, dovrebbe offrirti un minimo di immunità ai disturbi. Per la saldatura usa un saldatore a punta medio fine, non serve un gran potenza. Modificato: 16 luglio 2024 da ALLUMY
viemmeelle Inserita: 17 luglio 2024 Segnala Inserita: 17 luglio 2024 Ciao, attento però che anche l'antenna del radiocomando sarà sotto alla sella e con te sopra: la portata di funzionamento risulterà probabilmente molto ridotta. Mav
eamaxb Inserita: 19 luglio 2024 Autore Segnala Inserita: 19 luglio 2024 On 7/17/2024 at 7:56 AM, viemmeelle said: Ciao, attento però che anche l'antenna del radiocomando sarà sotto alla sella e con te sopra: la portata di funzionamento risulterà probabilmente molto ridotta. Mav Grazie per il consiglio. In effetti ci ho pensato poi anch'io e ho individuato un altro posto al riparo dalla pioggia, tra il serbatoio e la forcella
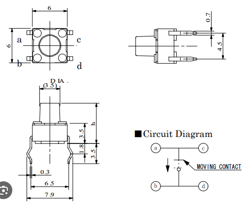
eamaxb Inserita: 22 luglio 2024 Autore Segnala Inserita: 22 luglio 2024 Avrei ancora una domanda: mi è arrivato il tasto ma, non so se ho sbagliato io nella scelta, il tasto resta in posizione di "on" quando lo premo. Io lo volevo chiaramente che fosse acceso solo per il tempo in cui lo premo per poi spegnersi una volta rilasciato. C'è una maniera per modificarlo? Allego la foto
reka Inserita: 22 luglio 2024 Segnala Inserita: 22 luglio 2024 allora non è "pulsante" se devi ripremere per spegnere è un interruttore, non penso sia modificabile.
eamaxb Inserita: 22 luglio 2024 Autore Segnala Inserita: 22 luglio 2024 2 minutes ago, reka said: allora non è "pulsante" se devi ripremere per spegnere è un interruttore, non penso sia modificabile. Si, esatto. Non c'è un modo per aprirlo e fare saltare in meccanismo che lo blocca, trasformandolo in pulsante?
reka Inserita: 22 luglio 2024 Segnala Inserita: 22 luglio 2024 secondo me no. oltretutto credo che per aprilo lo devi forzare
Livio Orsini Inserita: 22 luglio 2024 Segnala Inserita: 22 luglio 2024 1 ora fa, eamaxb ha scritto: Non c'è un modo per aprirlo e fare saltare in meccanismo che lo blocca, trasformandolo in pulsante? Assolutamente no! E un pulsante bistabile, devi sostituirlo con uno monostabile.
eamaxb Inserita: 22 luglio 2024 Autore Segnala Inserita: 22 luglio 2024 Si alla fine ho già fatto il reso e preso uno nuovo. Grazie
Messaggi consigliati
Crea un account o accedi per commentare
Devi essere un utente per poter lasciare un commento
Crea un account
Registrati per un nuovo account nella nostra comunità. è facile!
Registra un nuovo accountAccedi
Hai già un account? Accedi qui.
Accedi ora