Vai al contenuto
PLC Forum


Basculante BFT HYDRA Problema fotocellule e barra sensibile


Messaggi consigliati

Inserito:

Ciao a tutti,

 

sono qui a chiedere consiglio a chi sicuramente ne sa più di me. Possiedo una basculante a cui è montato un motore con scheda BFT HYDRA con già installata solo una barra sensibile, ho così iniziato a collegare delle fotocellule in modalità non verificata per avere una sicurezza in più.

 

Oltre al collegamento per la corrente direttamente dalla scheda, ho collegato come indicato dal manuale i morsetti 13 e 16, così facendo le fotocellule funzionano a dovere però quando aggiungo sempre negli stessi morsetti la barra sensibile (ovvero negli stessi morsetti in cui era già prima di aggiungere le fotocellule) funziona solo quest’ultima e non riesco a capire dove sbaglio.
In sintesi se collegate solo le fotocellule funzionano, se collego solo la barra funziona ma se le collego insieme va solo la barra.

 

Grazie a chiunque possa essermi di aiuto! 
 

 

Allego immagini del manuale

IMG_1595.jpeg

IMG_1596.jpeg

IMG_1598.jpeg


Inserita:

Ciao Simo17,

8 ore fa, Simo17 ha scritto:

Possiedo una basculante a cui è montato un motore con scheda BFT HYDRA

Meglio così:

https://www.roma.com.uy/wp-content/uploads/2016/06/hydra-n.pdf

per lo meno abbiamo tutte le informazioni in merito.

 

8 ore fa, Simo17 ha scritto:

........In sintesi se collegate solo le fotocellule funzionano, se collego solo la barra funziona ma se le collego insieme va solo la barra.

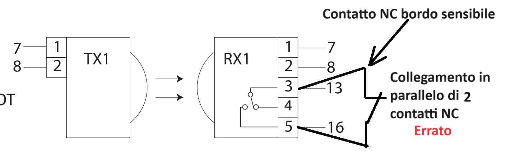
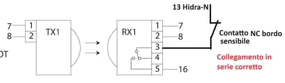
Perché molto probabilmente tu colleghi il contatto NC (Normalmente Chiuso) delle fotocellule ed NC del bordo sensibile in parallelo tra loro e non in serie come dovrebbero andare, guarda qui la differenza:

 

CollegamentoinParallelodi2contattiNC.thumb.jpg.cf45e4fb9e7358fa970f1410e862627f.jpg

 

 

CollegamentoinSeriedi2contattiNC.thumb.jpg.4377926d8a2ad9b68d8043fa03326f7f.jpg

 

Quindi, tu come li hai collegati?

 

Inserita: (modificato)

Ciao Roby,

 

grazie mille per il supporto!

 

Io li ho inseriti in questo modo, è sbagliato?

 

Singolarmente funzionano ma insieme appunto la barra ha priorità e le fotocellule non funzionano più.

 

 

Screenshot 2024-07-29 083345.jpg

Modificato: da Simo17
Inserita:
16 ore fa, Simo17 ha scritto:

Io li ho inseriti in questo modo, è sbagliato?

Certo che è sbagliato, ti ho fatto gli schemi apposta, come già detto, tu li hai collegati in parallelo anziché in serie.

 

Correggi e facci sapere

Inserita:

Corretto come mi hai indicato e funziona tutto perfettamente! Grazie mille del tuo prezioso aiuto e che questo post possa aiutare altre persone.

 

Grazie ancora!

A presto

Inserita:
2 ore fa, Simo17 ha scritto:

Corretto come mi hai indicato e funziona tutto perfettamente!

Ottimo allora.

 

Ciao prego

Crea un account o accedi per commentare

Devi essere un utente per poter lasciare un commento

Crea un account

Registrati per un nuovo account nella nostra comunità. è facile!

Registra un nuovo account

Accedi

Hai già un account? Accedi qui.

Accedi ora
×
×
  • Crea nuovo/a...