liloeconnie Inserito: 1 agosto 2024 Segnala Inserito: 1 agosto 2024 (modificato) Buongiorno a tutti... Ho da poco acquistato un Olivetti M24, funzionante. Ma ho deciso di sostituire i condensatori delle varie schede. I 4 della scheda madre li ho già sostituiti e ora sto lavorando sulla parte dell'alimentatore. Ce ne sono un bel pò, alcuni belli grossi e altri "nascosti" dentro un filtro Vi chiederei alcuni consigli sul da farsi... 1)I condensatori ho deciso di cambiarli tutti...penso convenga cosi giusto? 2)il filtro con la cover in metallo non riesco a capire come smontarlo/aprirlo senza romperlo, sembra blindato! non vorrei fare danni...se qualcuno ha idee 2a) poi una volta aperto dovrò risolvere questo fatto che mi ha detto un utente in altro post che riporto qui, riferendosi ai condensatori dentro: "Però qui i condensatori non sono "normali", non basta guardare tensione e capacità. Sono condensatori di sicurezza classe Yn e Xn specifici per lavorare H24 a tensione alternata di rete senza andare in cortocircuito" Vabè spero che ci saranno scritte le specifiche sopra e che si trovino in vendita...vedremo 3)Secondo voi ci sono altri elementi che andrebbero cambiati in via preventiva? 4) cosa è quel Semar T365/A? in rete non riesco a trovare info a riguardo. Lo chiedo tanto per capire 5) per la pulizia posso usare alcool isopropilico e pennello, ed eventuale aria compressa a seguire? grz Modificato: 1 agosto 2024 da liloeconnie mancava una domanda e alcune parole sbagliate
Ctec Inserita: 1 agosto 2024 Segnala Inserita: 1 agosto 2024 Qui trovi un manuale del M24, dove c'è anche lo schema dell'alimentatore. I condensatori non elettrolitici, se non guasti, è inutile cambiarli. Gli elettrolitici vanno sempre cambiati con equivalenti a 105° o più a bassa ESR. Il filtro va bene così, non ti provare a smontarlo. Il T365 è un trasformatore:
liloeconnie Inserita: 1 agosto 2024 Autore Segnala Inserita: 1 agosto 2024 1 minuto fa, Ctec ha scritto: Qui trovi un manuale del M24, dove c'è anche lo schema dell'alimentatore. I condensatori non elettrolitici, se non guasti, è inutile cambiarli. Gli elettrolitici vanno sempre cambiati con equivalenti a 105° o più a bassa ESR. Il filtro va bene così, non ti provare a smontarlo. Il T365 è un trasformatore: Ok grz per lo schema, si dei non elettrolitici sapevo si poteva evitare. Sto andando a cercarli con i soli valori di uF e V che sono scritti sopra, mi sembra tutti a 85°, quindi non bastano per avere gli equivalenti? Ok per il filtro, fiuuu meno male e il t365 a occhio lo immaginavo ma possibile in rete non c'è traccia...nemmeno fosse alieno Ciao
Livio Orsini Inserita: 1 agosto 2024 Segnala Inserita: 1 agosto 2024 16 minuti fa, liloeconnie ha scritto: Ho da poco acquistato un Olivetti M24 Accidenti sei amante dei prodotti di antiquariato! Se ricordo bene siamo ancora a metà anni '80 del secolo scorso, quasi preistoria per i prodotti informatici. 18 minuti fa, liloeconnie ha scritto: )il filtro con la cover in metallo non riesco a capire come smontarlo/aprirlo senza romperlo, sembra blindato! non vorrei fare danni...se qualcuno ha idee Non smontarlo! è un filtro di rete serio e difficilmente si guasta! 20 minuti fa, liloeconnie ha scritto: )I condensatori ho deciso di cambiarli tutti...penso convenga cosi giusto? 21 minuti fa, liloeconnie ha scritto: 2a) poi una volta aperto dovrò risolvere questo fatto che mi ha detto un utente in altro post che riporto qui, riferendosi ai condensatori dentro: "Però qui i condensatori non sono "normali", non basta guardare tensione e capacità. Sono condensatori di sicurezza classe Yn e Xn specifici per lavorare H24 a tensione alternata di rete senza andare in cortocircuito" Vabè spero che ci saranno scritte le specifiche sopra e che si trovino in vendita...vedremo Tutti i condensatori degli alimentatori Switching hanno caratteristiche specifiche. Sostituire un condensatore elettrolitico specifico per SMPS, con elettrolitici generici è un grave errore; oltre ad avere una vita breve, i condensatori generici possono provocare guasti a catena. Se l'alimentatore funziona bene, io non lo toccherei. Gli alimentatori di prodotti di buona qualità del secolo scorso, in genere, funzionano senza problemi.
liloeconnie Inserita: 1 agosto 2024 Autore Segnala Inserita: 1 agosto 2024 2 minuti fa, Livio Orsini ha scritto: Accidenti sei amante dei prodotti di antiquariato! Se ricordo bene siamo ancora a metà anni '80 del secolo scorso, quasi preistoria per i prodotti informatici. Non smontarlo! è un filtro di rete serio e difficilmente si guasta! Tutti i condensatori degli alimentatori Switching hanno caratteristiche specifiche. Sostituire un condensatore elettrolitico specifico per SMPS, con elettrolitici generici è un grave errore; oltre ad avere una vita breve, i condensatori generici possono provocare guasti a catena. Se l'alimentatore funziona bene, io non lo toccherei. Gli alimentatori di prodotti di buona qualità del secolo scorso, in genere, funzionano senza problemi. Si sono cresciuto dal 1984 con il commodore 64 e da li la passione per l'informatica. Mi sto facendo un mio piccolo museo, e ogni tanto prendo anche qualcosa di rotto, lo faccio apposta per mettere un po' le mani nell' elettronica che mi affascina. Fino a poco tempo fa mi aiutava una persona esperta con le riparazioni , persona che ritengo un amico, ma che non posso tediare oltre date le mie scarse conoscenze e soprattutto perché ho il dubbio che non stia passando un bel periodo e che abbia problemi piu seri da risolvere. E allora mi sono iscritto qui... Ok per l alimentatore, da una parte speravo di non doverci mettere mano, si mi sembra comunque funzioni bene, posso provare a testare le uscite che vanno alle periferiche e alla scheda madre e se ho dubbi semmai scrivo qui Dovrò aprire anche il monitor, almeno per pulirlo, mi consigli di sostiutire i condensarori o lo lascio così com'è visto che funziona?
Claudio F Inserita: 1 agosto 2024 Segnala Inserita: 1 agosto 2024 Nelle pulizie stai solo lontano dai trimmer. Per i condensatori elettrolitici in generale guarda anche la temperatura di lavoro, e per quelli su parti a tensioni di rete vedi se riportano simboli come X2 Y2 ecc.
Ctec Inserita: 1 agosto 2024 Segnala Inserita: 1 agosto 2024 Anch'io colleziono roba fine '70 primi '80, computer e schede arcade, che cerco di far ripartire. Mi diverto come un pazzo. Disponibile per aiuti...
liloeconnie Inserita: 1 agosto 2024 Autore Segnala Inserita: 1 agosto 2024 52 minuti fa, Claudio F ha scritto: Nelle pulizie stai solo lontano dai trimmer. Per i condensatori elettrolitici in generale guarda anche la temperatura di lavoro, e per quelli su parti a tensioni di rete vedi se riportano simboli come X2 Y2 ecc. -la temperatura intendi quella scritta sopra il bussolotto? quelli che ho visto erano tutti a 85°...quelli della mobo li ho sostituiti con i 105° come mi ha consigliato Ctec in altro post, anche se al negozio di elettronica mi hanno detto che oramai li mettono tutti da 85°, -quelli dell'alimentatore li lascio stare -quelli del monitor quando lo smonto vedo il da farsi. Comunque alla fin fine se lascio tutto cosi com'è e aspetto che si rompe qualcosa tutto sommato non è che mi dispiacerebbe tanto, visto che è proprio quello che voglio fare, imparare a riparare, e capirne qualcosa in più..hehehe
liloeconnie Inserita: 1 agosto 2024 Autore Segnala Inserita: 1 agosto 2024 (modificato) 1 ora fa, Ctec ha scritto: Anch'io colleziono roba fine '70 primi '80, computer e schede arcade, che cerco di far ripartire. Mi diverto come un pazzo. Disponibile per aiuti... si ci ho passato un mucchio di tempo, nottate intere, ma adesso sono un pò saturo (e stanco), anche se non si finisce mai di imparare tanto è ampia la materia. Ma l'elettronica è sempre stata li, alla base di tutto, ma mai affrontata, e quindi adesso mi piacerebbe capirci qualcosa, anche se so che sto andando a ritroso, ma vabè. Se ti piace l'arcade(a me poco a dire il vero, cioè non sono mai stato legatissimo ai videogiochi ad esempio, più ai software, sistemi operativi, 3d, grafica etc..anche se non mi sono mancate lunghissime partite a galaga o pacman ovviamente), se vuoi posso regalarti un bartop da restaurare, dovrebbe essere fine anni 90, con Rom Pirata 2001 che non so cosa sia Considera che lo sto provando a vendere o meglio a scambiare ma non mi contatta nessuno, e stavo pensando comunque di regalarlo pure per liberare un po di spazio al box, mi farebbe piacere regalarlo a persone che comunque hanno questa passione e aiutano gli altri. Io non penso di usarlo Il problema però è solo uno se non sei di Roma, la distanza. E' pesante e spedirlo è un bel problema, e penso ci vorranno qualche decina di euro. Se pensi ti possa interessare ti mando il link in privato e ci accordiamo ciao Modificato: 1 agosto 2024 da liloeconnie aggiunte informazioni
Ctec Inserita: 1 agosto 2024 Segnala Inserita: 1 agosto 2024 Io ho anche in buona parte disassemblato il software (3 Z80 +1) di un clone galaga, ricavando anche gli equivalenti schemi degli integrati Namco speciali (uno è un processore a 4 bit, nel mio bootleg fatto con uno Z80). Tanto per farti capire il livello di pazzia. Tempo fa avevo cominciato a guardare un Microsoft Basic fatto per uno Z80, primi anni '80, disassemblandolo e commentando tutto. Ma a un certo punto mi sono interrotto. Sul M24 feci un programma di gestione di una piccola biblioteca, in basic (mi pare si chiamasse Q-basic sull'Olivetti). L'archivio era su floppy, non avevano HD. Per il box, mi interessa, spedizione mi fai sapere non c'è problema. Sono di Firenze. Se vuoi cerco anche solo di restaurarlo, poi lo rendo, come faccio ogni tanto per schede arcade non funzionanti di conoscenti e amici.
liloeconnie Inserita: 1 agosto 2024 Autore Segnala Inserita: 1 agosto 2024 25 minuti fa, Ctec ha scritto: Io ho anche in buona parte disassemblato il software (3 Z80 +1) di un clone galaga, ricavando anche gli equivalenti schemi degli integrati Namco speciali (uno è un processore a 4 bit, nel mio bootleg fatto con uno Z80). Tanto per farti capire il livello di pazzia. Tempo fa avevo cominciato a guardare un Microsoft Basic fatto per uno Z80, primi anni '80, disassemblandolo e commentando tutto. Ma a un certo punto mi sono interrotto. Sul M24 feci un programma di gestione di una piccola biblioteca, in basic (mi pare si chiamasse Q-basic sull'Olivetti). L'archivio era su floppy, non avevano HD. Per il box, mi interessa, spedizione mi fai sapere non c'è problema. Sono di Firenze. Se vuoi cerco anche solo di restaurarlo, poi lo rendo, come faccio ogni tanto per schede arcade non funzionanti di conoscenti e amici. immagino c'è da impazzirci su queste cose...io più in superificie diciamo ti mando il link in privato allora
Livio Orsini Inserita: 1 agosto 2024 Segnala Inserita: 1 agosto 2024 (modificato) 5 ore fa, liloeconnie ha scritto: l alimentatore, da una parte speravo di non doverci mettere mano, si mi sembra comunque funzioni bene, posso provare a testare le uscite che vanno alle periferiche e alla scheda madre e se ho dubbi semmai scrivo qui Se l'alimentatore funziona bene, le tensioni sono entro la tolleranza, il ripple è normale (hai anche un discrteo oscilloscopio per verificarlo), non toccarlo. Dalle foto i condensatori elettrolitici non mostrano segni di evidente degrado. Nel caso tu voglia/debba sostituirli cerca condensatori di qualità, anche se costano. Importante, come ha già scritto Andrea Ctec, che siano caratterizzati per t=>105°C, siano a basso ESR e presentino un grado di protezione (Xn, Yn) migliore o uguale agli originali; insomma siano dei buoni condensatori adatti per SMPS. Modificato: 1 agosto 2024 da Livio Orsini
liloeconnie Inserita: 1 agosto 2024 Autore Segnala Inserita: 1 agosto 2024 20 minuti fa, Livio Orsini ha scritto: Se l'alimentatore funziona bene, le tensioni sono entro la tolleranza, il ripple è normale (hai anche un discrteo oscilloscopio per verificarlo), non toccarlo. Dalle foto i condensatori elettrolitici non mostrano segni di evidente degrado. Nel caso tu voglia/debba sostituirli cerca condensatori di qualità, anche se costano. Importante, come ha già scritto Andrea Ctec, che siano caratterizzati per t=>105°C, siano a basso ESR e presentino un grado di protezione (Xn, Yn) migliore o uguale agli originali; insomma siano dei buoni condensatori adatti per SMPS. Eh a saperlo usare l oscilloscopio... sarà un' altra battaglia dura, anzi a farlo funzionare prima...per quello chiedevo il manuale, che ho trovato del modello simile. Lo leggerò poi ci risentiremo Cos'è il ripple? Si per i condensatori no problem spenderci soldi, è a trovarli più che altro ma ho visto negozi online con prodotti professionali, mi orienterò su quelli all' occorrenza comunque per ora non li tocco ho gia rimontato tutto
liloeconnie Inserita: 1 agosto 2024 Autore Segnala Inserita: 1 agosto 2024 32 minuti fa, Livio Orsini ha scritto: Se l'alimentatore funziona bene, le tensioni sono entro la tolleranza, il ripple è normale (hai anche un discrteo oscilloscopio per verificarlo), non toccarlo. Dalle foto i condensatori elettrolitici non mostrano segni di evidente degrado. Nel caso tu voglia/debba sostituirli cerca condensatori di qualità, anche se costano. Importante, come ha già scritto Andrea Ctec, che siano caratterizzati per t=>105°C, siano a basso ESR e presentino un grado di protezione (Xn, Yn) migliore o uguale agli originali; insomma siano dei buoni condensatori adatti per SMPS. Carico alcune foto dei valori presi col tester Bo non corrispondono ne sui molex ne sui due cavi rosso-nero Sui molex i 5v sono ok ma quei 2.42 che sono? Stessa cosa sui cavi nero-rosso dovrebbero essere 5v come da stampa sul case, ma da sempre 2,41v Sono normali?
Livio Orsini Inserita: 1 agosto 2024 Segnala Inserita: 1 agosto 2024 9 minuti fa, liloeconnie ha scritto: Cos'è il ripple? E l'ondulazione che è sovrapposta alla corrente continua. Se hai un ponte raddrizzatore seguito da un condensatore di spianamento vedrai una base di continua con sovrapposte gobbette o segnali a dente di sega. l'ampiezza dell'ondulazione dipende dalla capacità e dalla corrente di carico. Il condensatore segue la tensione che cresce si al valore di picco; quando la sinusoide comincia a decrescere il condensatore si scaricaa con la costante di tempo data dalla sua capacità e dalla resistenza equivalente al carico. Se questa costante di tempo è >>10ms (raddrizzatore monofase con frequenza 50Hz) la tensione del condensatore diminuirà di poco rispetto al valore di picco. La differenza tra il valore massimo e minimo di questa ondulazione, rapportato con il valore in corrente continua da la percentuale di ripple.
NovellinoXX Inserita: 1 agosto 2024 Segnala Inserita: 1 agosto 2024 Io sicuro testerei quei due condensatori giallo ocra marchiati in testa 4700uF/16V e 2200uF/10V ; tutte le volte che li trovo di quel tipo e li provo risultano sempre "rinsecchiti" con capacità prossima a 0.
liloeconnie Inserita: 1 agosto 2024 Autore Segnala Inserita: 1 agosto 2024 (modificato) 2 ore fa, NovellinoXX ha scritto: Io sicuro testerei quei due condensatori giallo ocra marchiati in testa 4700uF/16V e 2200uF/10V ; tutte le volte che li trovo di quel tipo e li provo risultano sempre "rinsecchiti" con capacità prossima a 0. Quindi deduco che quei 2,41 siano sballati, infatti dovrebbero essere 12v sui molex di soiito. Ma me lo sono posto comunque il dubbio, essendo un alimentatore di 40 anni fa, ho pensato boh magari erano diversi i valori Intanto li smonto e vedo il valore, poi li cerco semmai di qualità come diceva Livio Modificato: 1 agosto 2024 da liloeconnie
Ctec Inserita: 2 agosto 2024 Segnala Inserita: 2 agosto 2024 Dal manuale, vedo questo: quindi sui terminali a vite dovrebbero esserci 5V. Provalo con tutti i carichi staccati, in modo da vedere se il problema è nell'alimentatore o negli apparecchi a valle. Dove leggi 5.63V dovrebbe esserci il +12V. Io credo che ci sia qualcosa che lo fa "sedere" e ti si abbassano le tensioni. Fai la prova sopra.
liloeconnie Inserita: 2 agosto 2024 Autore Segnala Inserita: 2 agosto 2024 (modificato) 1 ora fa, Ctec ha scritto: Dal manuale, vedo questo: quindi sui terminali a vite dovrebbero esserci 5V. Provalo con tutti i carichi staccati, in modo da vedere se il problema è nell'alimentatore o negli apparecchi a valle. Dove leggi 5.63V dovrebbe esserci il +12V. Io credo che ci sia qualcosa che lo fa "sedere" e ti si abbassano le tensioni. Fai la prova sopra. si confermo che le prove le ho fatte con alimentatore staccato, è ancora smontato sul banco. Ho usato 2 tester diversi per sicurezza ma i dati sono confermati Modificato: 2 agosto 2024 da liloeconnie
Ctec Inserita: 2 agosto 2024 Segnala Inserita: 2 agosto 2024 Allora c'è qualcosa che non va. Non è un circuito semplice, è uno switching senza integrato, potrebbero esserci componenti avariati. Dato che qualcosa c'è, potrebbero anche essere problemi ai condensatori elettrolitici del secondario. Staccali e provali, e magari cambiali con nuovi adeguati. In quel manuale che ho indicato non ci sono i valori dei componenti dell'alimentatore, provo a frugare se trovo qualcos'altro. Non ho mai messo le mani su un M24 (internamente...), per cui al momento di più non saprei.
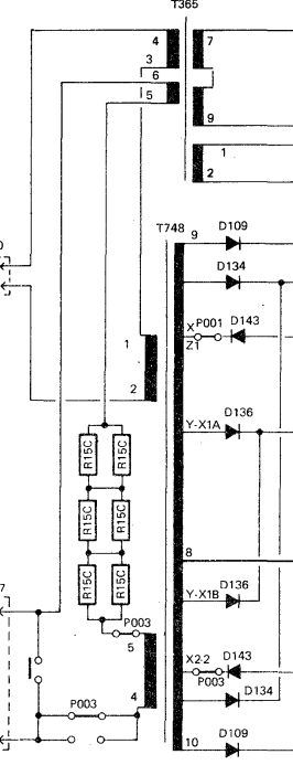
Ctec Inserita: 2 agosto 2024 Segnala Inserita: 2 agosto 2024 Qui ho trovato un manuale di servizio, scannerizzato male, ma con un po' di pazienza si vedono i valori in tabella.
Ctec Inserita: 2 agosto 2024 Segnala Inserita: 2 agosto 2024 Ah, poi ho scoperto che lo AT&T PC3600 era un M24 rimarcato, e ho trovato questo manuale con un po' di informazioni, tra cui le regolazioni e troubleshooting dell'alimentatore. Vedi un po'
liloeconnie Inserita: 2 agosto 2024 Autore Segnala Inserita: 2 agosto 2024 15 minuti fa, Ctec ha scritto: Qui ho trovato un manuale di servizio, scannerizzato male, ma con un po' di pazienza si vedono i valori in tabella. ci sto dando uno sguardo, ma sullo schema non si capisce dove sono messi i componenti, è tutto sgranato. Si in tabella i valori si vedono bene o male ma poi non si capisce dove stanno nello schema. Il problema come al solito è dovuto al fatto che è la prima volta che ho davanti uno schema del genere su cui lavorare, ma vabè "c'è sempre una prima volta"...quindi non mi lamento. Allora, intanto vedo di smontare appena riesco i condensatori giallo-oro e controllo i valori, se ci riesco con i miei strumenti, altrimenti li cambio..sempre se li trovo da qlc parte. I negozi qui a Roma bo mi sembrano tutti scarni, gli manca sempre qualcosa e nemmeno chissà che gli chiedo ogni volta. Quindi alternativa, la rete con annessi e connessi. ci vorrà tempo, poi sto periodo... comunque intanto sento che dicono per telefono prima di andarci per gli schemi cercherò anche io. comunque è confermata la tensione +12 sui molex. Io non capisco allora come cavolo faceva a funzionare tutto! floppy e hdd compresi...
liloeconnie Inserita: 2 agosto 2024 Autore Segnala Inserita: 2 agosto 2024 55 minuti fa, Ctec ha scritto: Allora c'è qualcosa che non va. Non è un circuito semplice, è uno switching senza integrato, potrebbero esserci componenti avariati. Dato che qualcosa c'è, potrebbero anche essere problemi ai condensatori elettrolitici del secondario. Staccali e provali, e magari cambiali con nuovi adeguati. In quel manuale che ho indicato non ci sono i valori dei componenti dell'alimentatore, provo a frugare se trovo qualcos'altro. Non ho mai messo le mani su un M24 (internamente...), per cui al momento di più non saprei. ho notato una cosa, ma che non so se può essere di aiuto. Le 2 misurazioni che ho fatto sul +5 e +12 dei molex, stranamente risultano circa la metà dei valori che dovrebbero essere. -sul +5 è 2.41x2=4,8v -sul +12 è 5,63x2=11,2v ci potrebbe essere una relazione magari utile alla diagnosi?
liloeconnie Inserita: 2 agosto 2024 Autore Segnala Inserita: 2 agosto 2024 51 minuti fa, Ctec ha scritto: Qui ho trovato un manuale di servizio, scannerizzato male, ma con un po' di pazienza si vedono i valori in tabella. ho trovato lo stesso manuale ma in alta qualità, su Archive.org https://archive.org/details/bitsavers_olivettim2heoryofOperationNov84_12333510/page/n273/mode/2up questo si legge bene, adessodevo capirci qualcosa però
Messaggi consigliati
Crea un account o accedi per commentare
Devi essere un utente per poter lasciare un commento
Crea un account
Registrati per un nuovo account nella nostra comunità. è facile!
Registra un nuovo accountAccedi
Hai già un account? Accedi qui.
Accedi ora