Vai al contenuto

Messaggi consigliati

Inserito:

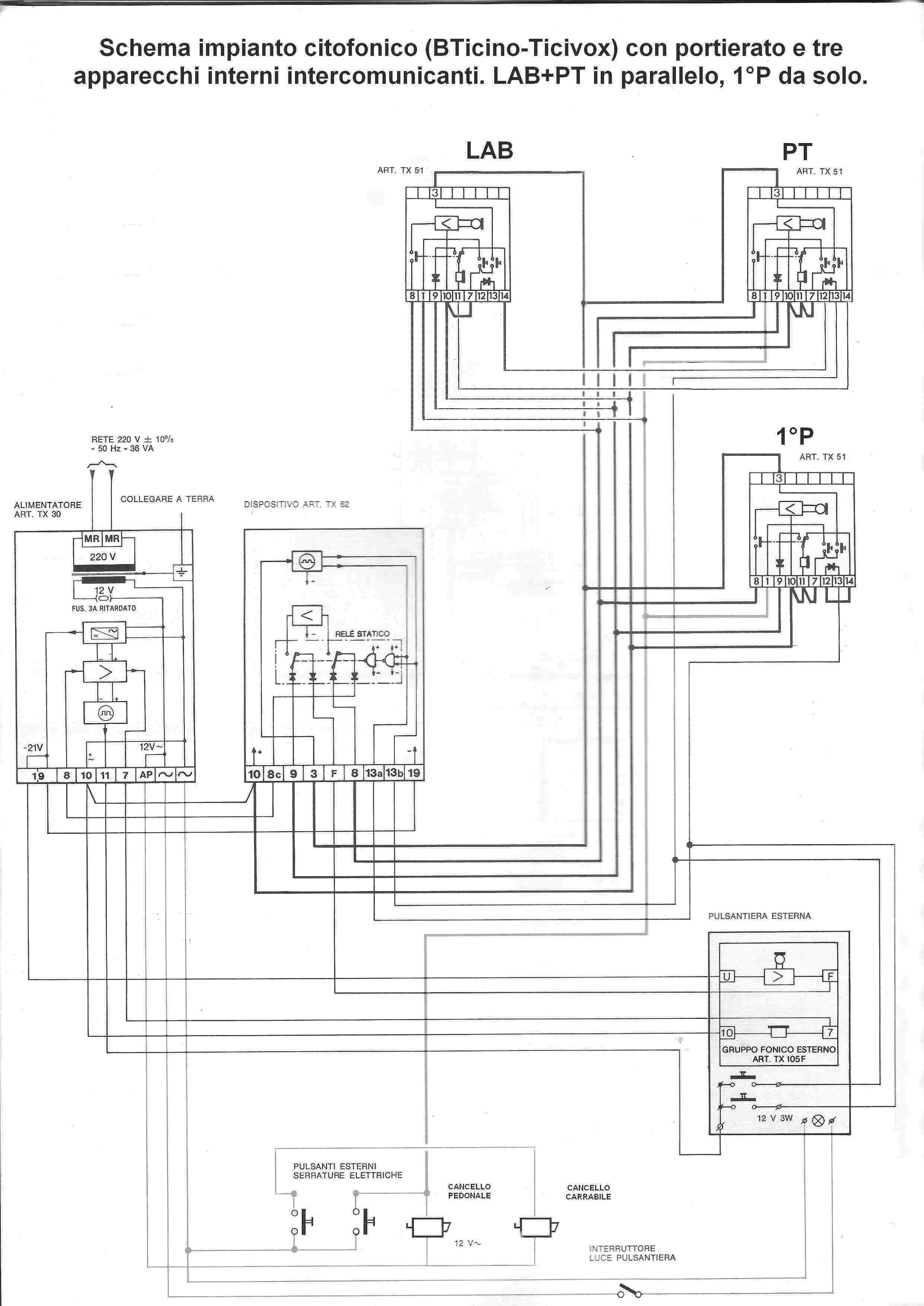
Salve. L'impianto citofonico di casa mia é un BTicino TiciVox, un po' datato ma che ha funzionato perfettamente fino ai giorni scorsi. Oltre al servizio di portierato (con due pulsanti di chiamata corrispondenti a due posti interni, Piano terra e Primo piano) svolge la funzione di interfono tra i due piani. In parallelo al posto interno del piano terra è collegato una cornetta aggiuntiva installata in un locale separato (laboratorio). Lo schema di collegamento é esattamente quello allegato. Da un po' di giorni ha smesso di funzionare la chiamata ai due apparecchi del piano terra e laboratorio, sia dal pulsante esterno che dalla cornetta del primo piano. Funziona invece la chiamata verso il primo piano, sia dall'esterno che dalle cornette del piano terra. Quello che manca é solo il suono di chiamata perché la comunicazione audio funziona. Ho controllato tutti i fili di collegamento, pensando che ci fosse una interruzione di continuità elettrica per rottura o ossidazione dei fili, senza risultato. Ho staccato tutti gli elementi dell'impianto (tranne le serrature elettriche che funzionano correttamente) e li ho ricollegati, seguendo lo schema, su una tavola, con lo stesso risultato. Ho provato a scambiare le cornette dei posti interni notando che sono tutte funzionanti se collegate alla basetta del primo piano (l'unica con chiamata funzionante); mentre restano tutte mute se collegate sulle basette del piano terra e del laboratorio. Ho aperto queste due basette per ripulire i contatti scorrevoli interni (che comunque non presentavano tracce di ossidazione o sporcizia). Non é cambiato nulla e non so più cosa fare. Spero che qualcuno più esperto di me in questo campo possa aiutarmi a capire l'origine del problema e a risolverlo. Grazie      

Schema citofono casa mia_n.jpg

Crea un account o accedi per commentare

Devi essere un utente per poter lasciare un commento

Crea un account

Registrati per un nuovo account nella nostra comunità. è facile!

Registra un nuovo account

Accedi

Hai già un account? Accedi qui.

Accedi ora
×
×
  • Crea nuovo/a...