michele.bartolettistella Inserito: 5 settembre 2024 Segnala Inserito: 5 settembre 2024 (modificato) Caro Forum, avrei bisogno di una mano per capire meglio il funzionamento di questo interruttore a pulsante: Serve ad accendere/spegnere una smerigliatrice che ha un sistema di sicurezza contro le interruzioni improvvise di corrente. Se la corrente torna e il pulsante è ancora spinto, la smerigliatrice non riparte. Prima bisogna rilasciare il pulsante e poi premerlo daccapo. In ogni caso, nei due contatti di questo interruttore (visibili nella prima foto) vanno collegati fase e neutro. Quindi il pulsante è in parallelo. Cos'è quel componente alloggiato esternamente? È un condensatore? Grazie mille. Modificato: 6 settembre 2024 da Maurizio Colombi Unificata la formattazione del testo.
mc1988 Inserita: 6 settembre 2024 Segnala Inserita: 6 settembre 2024 (modificato) Sì, è un condensatore con dielettrico in polipropilene (MKP) e classe di soppressione definita dalla sigla X2. Modificato: 6 settembre 2024 da mc1988
michele.bartolettistella Inserita: 6 settembre 2024 Autore Segnala Inserita: 6 settembre 2024 Grazie, ottimo. Vorrei bypassare questo interruttore per governare l'accensione dell'attrezzo con un interruttore a pedale, ma non riesco. Al momento ho posizionato il pedale a valle: collego l'attrezzo alla presa di rete, schiaccio il pulsante di accensione e faccio in modo che resti premuto; a questo punto se schiaccio il pedale, questo fa partire il motore solo la prima volta; quando lo rilascio e lo rischiaccio, il motore dà una specie di contraccolpo, e si ferma. A quel punto non riparte più, devo prima rilasciare e ripremere il pulsante in foto.
Maurizio Colombi Inserita: 6 settembre 2024 Segnala Inserita: 6 settembre 2024 All'interno dell'interruttore esiste un piccolo circuito, equiparabile ad una bobina di minima, che impedisce all'utensile di ripartire se questo viene disalimentato, serve per evitare incidenti in caso di mancanza di alimentazione. Se vuoi comandare dal pedale il tuo apparecchio, devi eliminare fisicamente l'interruttore a bordo e collegarci il tuo pedale.
NovellinoXX Inserita: 6 settembre 2024 Segnala Inserita: 6 settembre 2024 8 minuti fa, Maurizio Colombi ha scritto: All'interno dell'interruttore esiste un piccolo circuito, equiparabile ad una bobina di minima Relè con auto-ritenuta.
Adelino Rossi Inserita: 6 settembre 2024 Segnala Inserita: 6 settembre 2024 Solo come opinione personale, se metti il comando a pedale, ok però in caso di imprevisti o incidenti, togliere il piede dal pedale in un momento di difficoltà non è cosi immediato e istintivo come aprire le mani. L'utensile è tuo ma non farlo usare ad altre persone modificato.
michele.bartolettistella Inserita: 6 settembre 2024 Autore Segnala Inserita: 6 settembre 2024 6 hours ago, Adelino Rossi said: L'utensile è tuo ma non farlo usare ad altre persone modificato. Certamente, sono d'accordo. Dunque secondo voi basterebbe togliere fisicamente tutto il blocco in foto (pulsante con relè + condensatore esterno) e sostituirlo con il pedale e non dovrei più avere problemi di accensione?
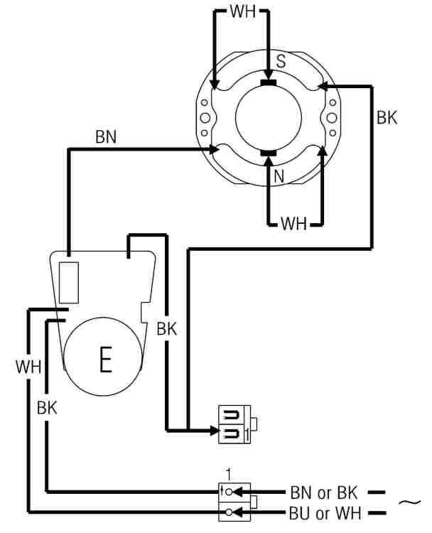
michele.bartolettistella Inserita: 9 ottobre 2024 Autore Segnala Inserita: 9 ottobre 2024 (modificato) Ciao a tutti, ho provato a bypassare fisicamente l'interruttore ma purtroppo così facendo l'attrezzo non si accende proprio. Questo interruttore nello schema originale è alimentato da fase e neutro, poi per il resto ha un unico cavetto che parte da uno dei due morsetti del condensatore che si vede esternamente in foto e va direttamente al motore. Metto in allegato lo schema elettrico tratto dal sito del produttore. L'elemento indicato con "E" è quello che contiene il regolatore di velocità e (presumo) il soft-start. Avete qualche idea su come passare al pedale la funzione on/off dell'interruttore senza incorrere nel sistema di blocco di cui parlavamo sopra? Grazie mille. Modificato: 9 ottobre 2024 da michele.bartolettistella
michele.bartolettistella Inserita: 14 ottobre 2024 Autore Segnala Inserita: 14 ottobre 2024 Un aiutino... per favore? 🙂 Grazie.
NovellinoXX Inserita: 14 ottobre 2024 Segnala Inserita: 14 ottobre 2024 (modificato) Sotto come va modificata la smerigliatrice Il pulsante di sicurezza lo sistemi nel pedale. Modificato: 14 ottobre 2024 da NovellinoXX
michele.bartolettistella Inserita: 16 ottobre 2024 Autore Segnala Inserita: 16 ottobre 2024 (modificato) Grazie mille. ❤️ Il blocco contrassegnato con "E", che contiene il regolatore di velocità, dove/come lo collego? Vedo che nel tuo schema non compare. Modificato: 16 ottobre 2024 da michele.bartolettistella
NovellinoXX Inserita: 16 ottobre 2024 Segnala Inserita: 16 ottobre 2024 (modificato) P.S. io lo schema te l'ho postato; spero tu sia consapevole di quello che fai: mettiamo che stai sostituendo il disco della smerigliatrice e passa tua moglie, tuo figlio, il tuo cane...... e inciampa sul pulsante........... Modificato: 16 ottobre 2024 da NovellinoXX
michele.bartolettistella Inserita: 16 ottobre 2024 Autore Segnala Inserita: 16 ottobre 2024 Grazie. Quindi dal condensatore che è incorporato all'interruttore non faccio più uscire cavetti? Originariamente ce ne sarebbe uno nero che parte da uno dei morsetti del condensatore e va contemporaneamente al motore e al regolatore di velocità. PS: Concordo con le tue avvertenze e le prendo con la massima serietà. Dalla smerigliatrice ho fatto uscire un cavo con connettore M12 femmina, poi ho costruito un cavo maschio-femmina e nel pedale, un Pizzato professionale, ho installato un connettore maschio. Adotterò tutte le misure di sicurezza possibili; a lavoro ultimato posterò qualche foto.
Messaggi consigliati
Crea un account o accedi per commentare
Devi essere un utente per poter lasciare un commento
Crea un account
Registrati per un nuovo account nella nostra comunità. è facile!
Registra un nuovo accountAccedi
Hai già un account? Accedi qui.
Accedi ora