Il Dottore 88 Inserito: 10 settembre 2024 Segnala Inserito: 10 settembre 2024 Come da titolo devo realizzare un quadro per il comando di un motore trifase di un tornio. Ho già un idea di come dovrebbe essere realizzato ma ho un dubbio riguardo alla lampada di stop. Nel mio caso vorrei che se viene premuto il pulsante d'emergenza o quello di stop si accendesse la spia rossa presente su entrambi i pulsanti. A suo tempo con l'aiuto di un conoscente ne avevamo creato uno per comandare il tutto sotto inverter usando però dei relè a 4 scambi. Ora però senza i relè e con i teleruttori non so come dovrei collegare le lampade rosse ai pulsanti per farle rimanere accese. Qualcuno può aiutarmi? Grazie.
Ctec Inserita: 11 settembre 2024 Segnala Inserita: 11 settembre 2024 Un teleruttore è un relè, solo con contatti fatti per sopportare correnti elevate. E non hanno contatti in scambio. Se ti serve un contatto normalmente chiuso o uno aperto aggiuntivi, esistono apposite teste da montare generalmente sopra per aumentarne la disponibilità. Devi quindi solo ricostruire il circuito che avevi già fatto.
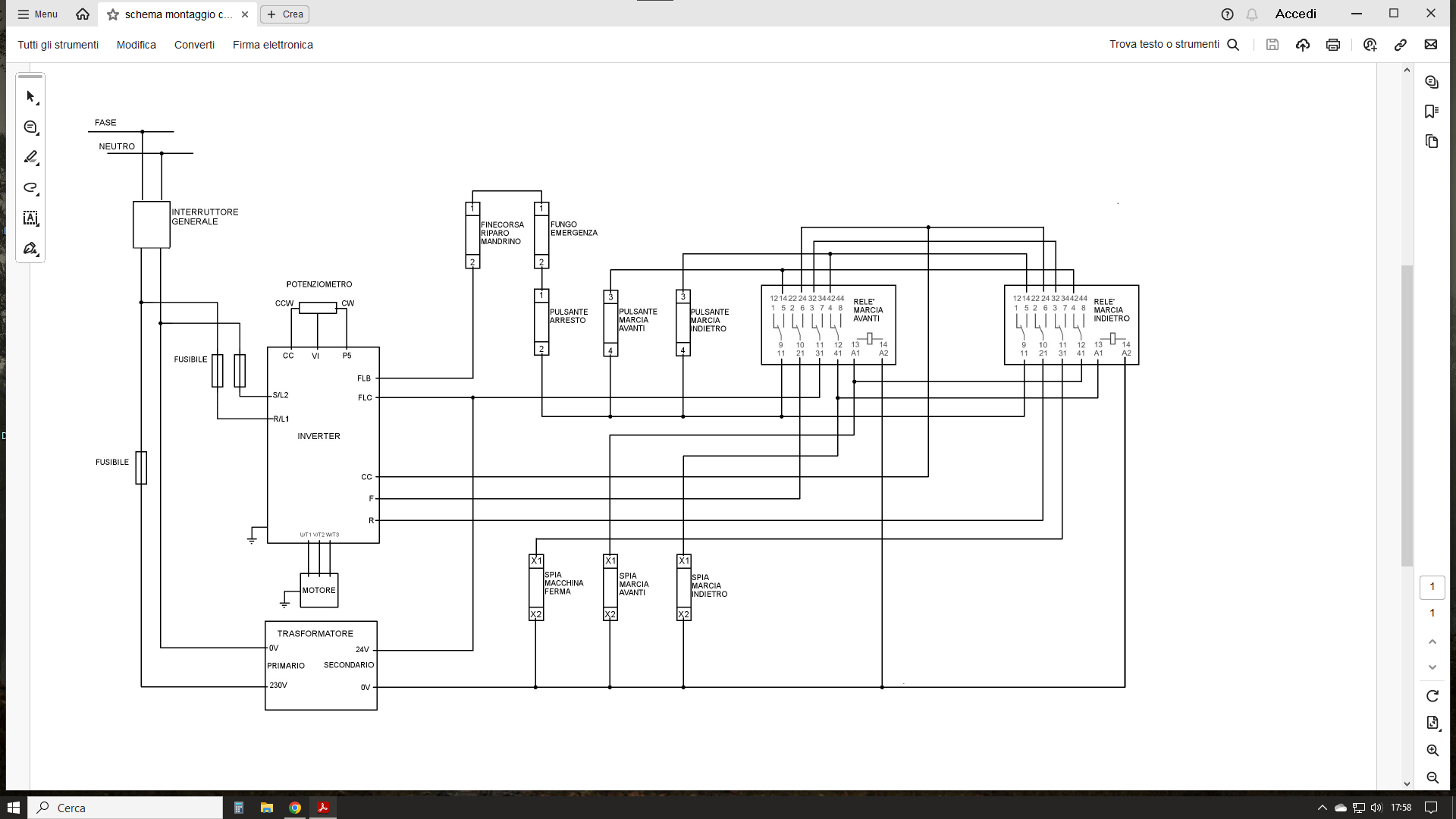
Il Dottore 88 Inserita: 11 settembre 2024 Autore Segnala Inserita: 11 settembre 2024 il circuito era questo: Però come vedi togliendo l'inverter e mettendo i teleruttori mi ritrovo con dei fili che non so bene dove dovrei collegarli.
Livio Orsini Inserita: 12 settembre 2024 Segnala Inserita: 12 settembre 2024 Questo è lo schema di collegmento per marcia-arresto-inversione di un MAT. Puoi anche togliere gli RC con funzioni di antidisturbo.
Roberto Gioachin Inserita: 12 settembre 2024 Segnala Inserita: 12 settembre 2024 Io non mi preoccuperei della spia di segnalazione, ma del fatto che uno schema così a livello sicurezza non è nemmeno in Cat. B. Sembra che tu non sia molto esperto (vedi anche la mancanza di simbologia), sei sicuro di volerti prendere questi rischi?
Il Dottore 88 Inserita: 13 settembre 2024 Autore Segnala Inserita: 13 settembre 2024 Tutta la vita è un rischio. Se ragioni così per un casa da niente come un quadretto in bassa tensione... Oltretutto è una cosa mia personale ed una soddisfazione mia crearmi una qualunque cosa da zero o quasi. Capisco la giustificata preoccupazione ma mi sembra che in questo forum si esageri. Questo senza voler offendere nessuno.
Livio Orsini Inserita: 13 settembre 2024 Segnala Inserita: 13 settembre 2024 (modificato) 1 ora fa, Il Dottore 88 ha scritto: Capisco la giustificata preoccupazione ma mi sembra che in questo forum si esageri. Questo senza voler offendere nessuno. Questo forum è un forum tecnico serio, vi partecipano tecnici seri e preparati. Roberto Gioachin è un progettista di sistemi di automazione preparato e serio, ti ha fatto notare che quello che stai per fare non è un sistema sicuro, oltre al fatto di non rispettare le normative vigenti. Il fatto che questo quadro di comando sia per uso amatoriale, non ne diminuisce la pericolosità. Tu puoi benissimo infischiartene, sono affari tuoi se ti fai male, ma questa discussione viene letta da altri ed è doveroso che vengano evidenziate eventuali criticità, pericolosità e non rispetto delle normative. Invece di adontarti per la segnalazione, faresti meglio a considerare l'avviso e, magari, chiedere consiglio su come eleiminare i difetti. Modificato: 13 settembre 2024 da Livio Orsini
Messaggi consigliati
Crea un account o accedi per commentare
Devi essere un utente per poter lasciare un commento
Crea un account
Registrati per un nuovo account nella nostra comunità. è facile!
Registra un nuovo accountAccedi
Hai già un account? Accedi qui.
Accedi ora