Man24 Inserito: 27 settembre 2024 Segnala Inserito: 27 settembre 2024 Buongiorno a tutti, vorrei domotizzare (mi basta l'apertura delle porte ) in videocitofono condominiale BTicino 344522. In questo momento con i due tasti in alto apro due porte condominiali (un tasto per porta). Vorrei sapere se è possibile fare qualcosa , tipo con uno Shelly uni per "simulare" la pressione del pulsante. Grazie a tutti
Maurizio Colombi Inserita: 27 settembre 2024 Segnala Inserita: 27 settembre 2024 L'unica soluzione ufficiale per realizzare quello che richiedi, è l'utilizzo dell'accessorio 346833 che trasforma un contatto esterno in un impulso BUS programmabile. Il contatto esterno puoi generarlo con qualsiasi cosa. Vedo l'opzione di saldare fili vari in parallelo ai pulsanti, oltre ad essere una "porcata" è quasi impossibile con l'apparecchio in questione in alternativa potresti sostituire l'apparecchio esistente, con un apparecchio connesso.
Man24 Inserita: 27 settembre 2024 Autore Segnala Inserita: 27 settembre 2024 Come si usa l'accessorio in questione? Non sono pratico e vorrei capire prima di premdere una decisione ("accrocchio vs nuovo citofono) grazie mille
Man24 Inserita: 30 settembre 2024 Autore Segnala Inserita: 30 settembre 2024 Per cambiare il citofono bisogna fare il lavoro tirando giù tutto l'impianto citofonico condominiale? Il mio citofono da quello che ho capito è sostituibile tranquillamente con un 344682 corretto? Grazie a tutti
Ghost68 Inserita: 30 settembre 2024 Segnala Inserita: 30 settembre 2024 18 minuti fa, Man24 ha scritto: Il mio citofono da quello che ho capito è sostituibile tranquillamente con un 344682 corretto? Grazie a tutti Corretto Ciao
Man24 Inserita: 30 settembre 2024 Autore Segnala Inserita: 30 settembre 2024 Altro dubbio..posso cambiare la configurazione del solo mio dispositivo,in modo tale da aprire tutte e due le porte insieme con un solo tasto (in questo caso diventerebbe compatibile con Amazon ring e potrei risolvere i miei "problemi"). Come detto sopra, sono in condominio e in questo momento apro due porte con due tasti separati. (Sarebbe un mezzo accrocchio ma potrebbe andarmi bene visto che il 99% delle volte apro sempre entrambe le porte)
Man24 Inserita: 30 settembre 2024 Autore Segnala Inserita: 30 settembre 2024 Il 27/09/2024 alle 22:37 , Maurizio Colombi ha scritto: L'unica soluzione ufficiale per realizzare quello che richiedi, è l'utilizzo dell'accessorio 346833 che trasforma un contatto esterno in un impulso BUS programmabile. Il contatto esterno puoi generarlo con qualsiasi cosa. Vedo l'opzione di saldare fili vari in parallelo ai pulsanti, oltre ad essere una "porcata" è quasi impossibile con l'apparecchio in questione in alternativa potresti sostituire l'apparecchio esistente, con un apparecchio connesso. Ma con il 346833 posso gestire i due ingressi separati? Mi puoi fare uno schema di collegamento? (Non ho capito se si installa in casa mia o se devo agire nella parte condominiale)
Maurizio Colombi Inserita: 30 settembre 2024 Segnala Inserita: 30 settembre 2024 4 ore fa, Man24 ha scritto: posso cambiare la configurazione del solo mio dispositivo,in modo tale da aprire tutte e due le porte insieme con un solo tasto Assolutamente no. 12 minuti fa, Man24 ha scritto: Ma con il 346833 posso gestire i due ingressi separati? Se chi ha installato il sistema non ha configurato in modo strano, lo fai tranquillamente. 16 minuti fa, Man24 ha scritto: Non ho capito se si installa in casa mia o se devo agire nella parte condominiale Basta che sia collegato al BUS di sistema. 19 minuti fa, Man24 ha scritto: Mi puoi fare uno schema di collegamento? Ci porti il BUS ed i due contatti esterni, tutto qui.
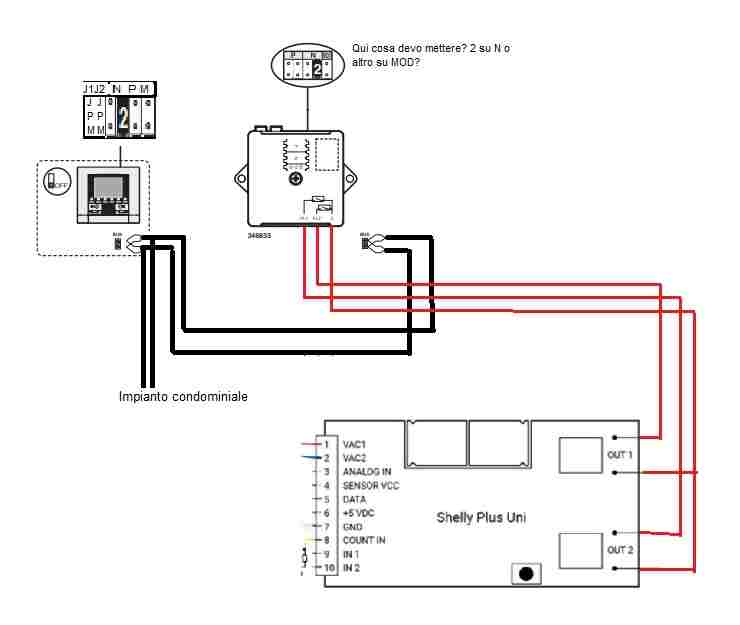
Man24 Inserita: 30 settembre 2024 Autore Segnala Inserita: 30 settembre 2024 32 minuti fa, Maurizio Colombi ha scritto: Assolutamente no. Se chi ha installato il sistema non ha configurato in modo strano, lo fai tranquillamente. Basta che sia collegato al BUS di sistema. Ci porti il BUS ed i due contatti esterni, tutto qui. Ok mi sono guardato un attimo la documentazione..fammi capire se è corretto quello che devo fare: 1)Dal citofono attuale stacco uno dei due cavi del bus e va nel 346833 2)Dal citofono faccio partire un collegamento con il bus libero del 346833 3)Sul 346833 devo mettere il Jump 2 su N? 4)Pl1 pl2 e c vanno verso uno Shelly uni che ha due contatti puliti e comando la chiusura delle due porte ( qui ho un dubbio lo Shelly uni accetta massimo 100mA e se non ho letto male il 346833 dovrebbe fare passare al massimo 15mA quindi dovrei starci dentro alla grande..corretto?) Scusate se lo schema l'ho fatto old style a mano, ma non avevo il PC sotto mano Grazie mille
Maurizio Colombi Inserita: 1 ottobre 2024 Segnala Inserita: 1 ottobre 2024 8 ore fa, Man24 ha scritto: 1)Dal citofono attuale stacco uno dei due cavi del bus e va nel 346833 2)Dal citofono faccio partire un collegamento con il bus libero del 346833 I cavi del BUS, ci vanno portati entrambi, alla fine dei conti è un'alimentazione e con un filo solo ci fai ben poco. 8 ore fa, Man24 ha scritto: il 346833 dovrebbe fare passare al massimo 15mA Quello non c'entra nulla, stanno parlando di assorbimenti, non farci caso. 8 ore fa, Man24 ha scritto: Scusate se lo schema l'ho fatto old style a mano, ma non avevo il PC sotto mano Non ci sono problemi...
Man24 Inserita: 1 ottobre 2024 Autore Segnala Inserita: 1 ottobre 2024 5 ore fa, Maurizio Colombi ha scritto: I cavi del BUS, ci vanno portati entrambi, alla fine dei conti è un'alimentazione e con un filo solo ci fai ben poco. Quello non c'entra nulla, stanno parlando di assorbimenti, non farci caso. Non ci sono problemi... Ok rifacci un attimo lo schema..(così magari potrà essere utilie a qualcun altro che leggerà questo thread in futuro ) Quindi se ho capito bene - il bus va in parallelo tra il mio citofono e il 346833 - per la parte dello shelly, collegando i pl1 e pl2 del 346833, sui due contatti puliti, dovrei essere in grado i aprire separatamente le due porte come avviene oggi sul mi citofono L'unico dubbio è come impostare il 346833..cosa devo mettere su P / N / MOD ? (come il citofono solo 2 su N o una configurazione diversa?) Grazie ancora
Man24 Inserita: 1 ottobre 2024 Autore Segnala Inserita: 1 ottobre 2024 @Maurizio Colombi ho trovato anche il PDF dei configuratore e se ho interpretato bene il manuale lo schema sopra è giusto a parte il configuratore 2 che dovrà essere messo su mod del 346833. Correggimi pure se ho sbagliato qualcosa Grazia
Maurizio Colombi Inserita: 1 ottobre 2024 Segnala Inserita: 1 ottobre 2024 Ripeto, tutto funzionerà alla perfezione se chi ha realizzato l'impianto ha configurato i due posti esterni in N e N+1, altrimenti, se ha fatto una configurazione a modo suo siamo fritti.
Man24 Inserita: 2 ottobre 2024 Autore Segnala Inserita: 2 ottobre 2024 8 ore fa, Maurizio Colombi ha scritto: Ripeto, tutto funzionerà alla perfezione se chi ha realizzato l'impianto ha configurato i due posti esterni in N e N+1, altrimenti, se ha fatto una configurazione a modo suo siamo fritti. Ho capito..ma lo schema è giusto? È corretto mettere il 2 in mod sul 346833? C'è modo di verificare se i posti esterni sono in n e n+1?
Man24 Inserita: 2 ottobre 2024 Autore Segnala Inserita: 2 ottobre 2024 1 ora fa, Man24 ha scritto: Ho capito..ma lo schema è giusto? È corretto mettere il 2 in mod sul 346833? C'è modo di verificare se i posti esterni sono in n e n+1? O forse il mod va su 3?
Man24 Inserita: 2 ottobre 2024 Autore Segnala Inserita: 2 ottobre 2024 (modificato) 3 ore fa, Man24 ha scritto: O forse il mod va su 3? Giusto come ultima info apro un portone con il tasto chiave e l'atro con il tasto luce..resto in attesa delle ultime conferme giusto per poi comprare il tutto (vorrei comprare il configuratore giusto tra il 2 e il 3) Grazie ancora Modificato: 2 ottobre 2024 da Man24
Maurizio Colombi Inserita: 2 ottobre 2024 Segnala Inserita: 2 ottobre 2024 5 ore fa, Man24 ha scritto: C'è modo di verificare se i posti esterni sono in n e n+1? Aprendo i posti esterni, ma se dici: 23 minuti fa, Man24 ha scritto: apro un portone con il tasto chiave e l'atro con il tasto luce non è necessario stanno usando un altro sistema. In questo caso avrai, da qualche parte vicino all'alimentatore, l'accessorio 346210 e dovrai configurare il tuo 833 in MOD 2. 28 minuti fa, Man24 ha scritto: vorrei comprare il configuratore giusto Ne dovrai comprare almeno 10 per numero.
Man24 Inserita: 2 ottobre 2024 Autore Segnala Inserita: 2 ottobre 2024 1 ora fa, Maurizio Colombi ha scritto: non è necessario stanno usando un altro sistema. In questo caso avrai, da qualche parte vicino all'alimentatore, l'accessorio 346210 e dovrai configurare il tuo 833 in MOD 2. Ho controllato ed in effetti abbiamo un 346210 (e anche il 346830 che dovrebbe servire per la parte video). Allora procedo con l'acquisto del 833 e del connettore numero 2. Grazie mille per la disponibilità
Man24 Inserita: 11 ottobre 2024 Autore Segnala Inserita: 11 ottobre 2024 Ciao @Maurizio Colombi, oggi ho fatto il lavoro..ho fatto una prova e lo shelly mi apre solo uno dei due portoni..cosa ci può essere che non ha funzionato? Il connettore 2 (magari doveva essere un 3)?
Man24 Inserita: 11 ottobre 2024 Autore Segnala Inserita: 11 ottobre 2024 Giusto per info aggiuntiva il 346210 è configurato così
Man24 Inserita: 11 ottobre 2024 Autore Segnala Inserita: 11 ottobre 2024 Giusto come ulteriore info, sono in una palazzina di 6 appartamenti con 1 citofono condominiale 2 appartamenti aprono la porta comune a tutti ed una di proprietà loro 4 appartamenti (compreso il mio) aprono la porta comune a tutti e un'altra solo per noi In questo momento riesco ad aprire solo la porta comune a tutti quella condivisa con i 4 condomini non funziona. Grazie Ciao
Man24 Inserita: 11 ottobre 2024 Autore Segnala Inserita: 11 ottobre 2024 (il cancello che non va è quello collegato al tasto luci scale del citofono)
Man24 Inserita: 11 ottobre 2024 Autore Segnala Inserita: 11 ottobre 2024 aggiungo l'ultimo pezzettino lo Shelly funziona perché ho provato a chiudere il contatto e con un tester ho visto che il circuito si chiude correttamente..quindi ho è il 346833 difettoso (non credo visto che è nuovo) o la configurazione su mod 2 non va bene o c'è qualcosa che mi sfugge nell'impianto che non fa andare il modulo in questione.
Maurizio Colombi Inserita: 11 ottobre 2024 Segnala Inserita: 11 ottobre 2024 4 ore fa, Man24 ha scritto: o la configurazione su mod 2 non va bene MOD 2 dice chiaramente: Luci scale con PI 00 Ma quello è relativo, basta cambiare la configurazione dell'impianto e la cosa si risolverebbe.. Il problema principale è 9 ore fa, Man24 ha scritto: 2 appartamenti aprono la porta comune a tutti ed una di proprietà loro 4 appartamenti (compreso il mio) aprono la porta comune a tutti e un'altra solo per noi ... che andava saputo e che sembrerebbe insormontabile senza avere di fronte tutta la lista dei prodotti impiegati e le loro configurazione. E quando si dice tutti, vuol dire tutti.
Man24 Inserita: 11 ottobre 2024 Autore Segnala Inserita: 11 ottobre 2024 1 ora fa, Maurizio Colombi ha scritto: .. che andava saputo e che sembrerebbe insormontabile senza avere di fronte tutta la lista dei prodotti impiegati e le loro configurazione. E quando si dice tutti, vuol dire tutti. Può bastare una foto del locale dove ci sono i componenti del citofono? Non so se c'è altro all'interno dei due appartamenti "singoli".. Se non si riesce a venirne a capo che altre alternative ho? Comprare il citofono connesso della serie 100x?
Messaggi consigliati
Crea un account o accedi per commentare
Devi essere un utente per poter lasciare un commento
Crea un account
Registrati per un nuovo account nella nostra comunità. è facile!
Registra un nuovo accountAccedi
Hai già un account? Accedi qui.
Accedi ora