Vai al contenuto

Schema collegamento Cube, Sensys e valvole di zona a caldaia Ariston CLAS ONE L WIFI


Messaggi consigliati

Inserito: (modificato)

Salve a tutti,

mi hanno da poco installato la nuova caldaia. Una Ariston CLAS ONE L WIFI. Insieme alla caldaia ho acquistato anche 1 CUBE e 2 Sensys.

 

L'idraulico mi ha chiesto di trovare un elettricista, ma vorrei provare a fare da solo il lavoro del passaggio dei cavi. Qualcuno ha lo schema generale di collegamento (termostati, valvole di zona, caldaia)?

 

Al momento ho 3 cronotermostati e 3 valvole di zona, con relativo contatto di segnalazione verso la vecchia caldaia.

 

Sono già stato informato che i vecchi cronotermostati andranno rimossi e dovrò passare un cavo di bus dalla caldaia ad ognuno dei nuovi termostati ambiente.

 

Grazie.

 

Modificato: da bobco
  • bobco changed the title to Schema collegamento Cube, Sensys e valvole di zona a caldaia Ariston CLAS ONE L WIFI
Inserita:

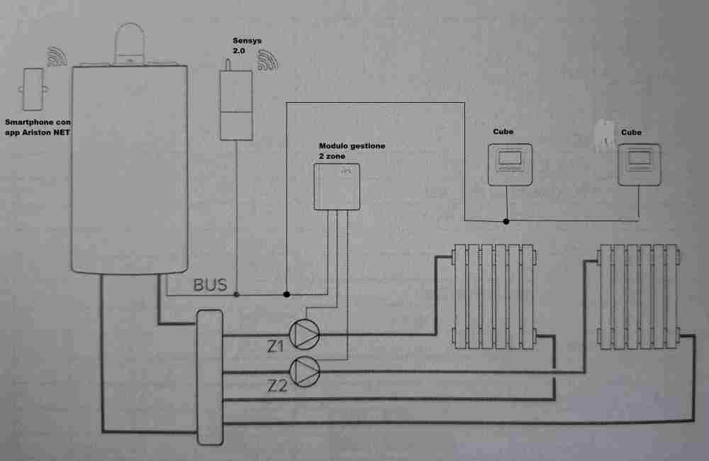
Dopo che si hanno i libretti con le istruzioni di collegamento, tutto è più chiaro.... Per chi fosse interessato, riporto lo schema generale di collegamento.

 In pratica tutto funziona su Bus BridgeNet. 

Per gestire 3 valvole di zona si ha bisogno di:

- 1 Termostato Ambiente Sensys 2.0

- 2 termostati Ambiente Cube

- 2 moduli di gestione 2 zone

 

Come prima cosa occorre collegare tutti i componenti sopra elencati sul bus della caldaia. Nel mio caso specifico, un modulo di gestione zone comanda una sola valvola di zona, il secondo modulo 2 valvole di zona. Quindi non è più la caldaia a comandare le valvole di zona ma i "moduli di gestione delle zone".

20241004_164543.jpg

  • 1 year later...
Inserita:

Ciao buongiorno E ti ringrazio per la tua condivisione . r

Riprendo una tua vecchia discussione per chiederti :

 

- il sensys in questo modo funziona sia da termostato ambiente e quindi una zona e sia da centrale di controllo di tutte le zone ? 
- le modifiche apportate su app net vengono poi viste anche sul sensys oppure vanno in conflitto ?

 

stai trovando problematiche con questo tipo di impianto ? 
 

lo sto realizzando anche io a 6 zone e volevo una panoramica di come fare il tutto prima di acquistare i prodotti .

Alessio Menditto
Inserita:

Lucapri devi aprire una nuova discussione, oltretutto il nostro amico è da aprile che non entra in forum.

Aprila tranquillamente e vediamo se qualcuno può aiutarti.

  • Alessio Menditto locked this discussione
Ospite
Questa discussione è chiusa alle risposte.
×
×
  • Crea nuovo/a...