nelson1 Inserito: 28 novembre 2024 Segnala Inserito: 28 novembre 2024 (modificato) Negli ultimi mesi il motore che muove la ventola di aspirazione ha iniziato prima a fare rumore, poi si avviava con difficoltà con la velocità minima (la prima, dato che sono tre in tutto) adesso è completamente fermo. Il condensatore da 5 mF era "esaurito" e l'ho sostituito con uno simile stessi valori, ma il motore continua a non funzionare. Ho smontato e pulito il blocco motore\ventola, ma a mano tutto gira senza problemi. L'unico componente che rimarrebbe da controllare è la pulsantiera a 4 pulsanti, che non so se può essere la causa del mancato funzionamento. chiedo agli esperti, grazie. Modificato: 28 novembre 2024 da nelson1 foto
Dumah Brazorf Inserita: 28 novembre 2024 Segnala Inserita: 28 novembre 2024 Dipende dalla posizione in cui la pulsantiera è installata. Può essere entrato di tutto, grasso/olio/vapori... anche se la tua sembra piuttosto pulita. Magari si è solo bruciata una pista.
nelson1 Inserita: 28 novembre 2024 Autore Segnala Inserita: 28 novembre 2024 (modificato) La pulsantiera è posta frontalmente al centro della struttura, in posizione sfortunata. Devo recuperare un giravite con testa Torx da un millimetro, che al momento non ho, per aprirla e ancora non riesco a controllare. Per regolare la velocità del motore, la pulsantiera utilizza delle resistenze, che in caso potrebbero essere bruciate? Modificato: 28 novembre 2024 da nelson1
Stefano Dalmo Inserita: 28 novembre 2024 Segnala Inserita: 28 novembre 2024 Non la riduce con le resistenze , ha collegamenti per i diversi avvolgimenti. Devi aprire e vedere se si è fusa una pista comune o il commutatore / piste , che accende il motore -
nelson1 Inserita: 30 novembre 2024 Autore Segnala Inserita: 30 novembre 2024 (modificato) Ho aperto la pulsantiera. Ha un meccanismo elettrico e meccanico con elementi piccolissimi, quasi microscopici. Sono saltate varie mollette che non saprei come rimettere a posto, troppo difficile, poi non ho una foto o un disegno. Il problema è causato dalla pulsantiera che (forse) aveva qualche molletta saltata prima di aprire il case? Non ci sono bruciature. Ho trovato questa, sarà compatibile? Modificato: 30 novembre 2024 da nelson1
Dumah Brazorf Inserita: 30 novembre 2024 Segnala Inserita: 30 novembre 2024 Beh il codice della pulsantiera è AKA-1410 come ben vedi.
nelson1 Inserita: 30 novembre 2024 Autore Segnala Inserita: 30 novembre 2024 non costa poco e non si trova facilmente. sul sito quella che ho postato costa meno ma non porta quel codice ma è "certo" che la causa era della pulsantiera (ormai inutilizzabile)?
Dumah Brazorf Inserita: 1 dicembre 2024 Segnala Inserita: 1 dicembre 2024 Il motore non faceva alcun rumore? Nessun mmmmmmmmmmm?
nelson1 Inserita: 1 dicembre 2024 Autore Segnala Inserita: 1 dicembre 2024 Il motore qualche tempo fa ha iniziato a non riuscire ad avviarsi con la velocità bassa, pulsante 1. Per partire richiedeva il pulsante 2 e 3, anche se si era un pò rumoroso. Ha funzionato un periodo cos', ma pensavo fosse bloccato dalla sporcizia. Una volta tolto motore e ventola erano piuttosto "pulito". Ha non più di 3 annidi vita e di uso, medio. Il condensatore in foto era completamente "esaurito" quindi l'ho sostituito ma nulla, fermo e silenzioso. Il motore non puzza di bruciato, servirebbe uno schema per verificare almeno la resistenza.
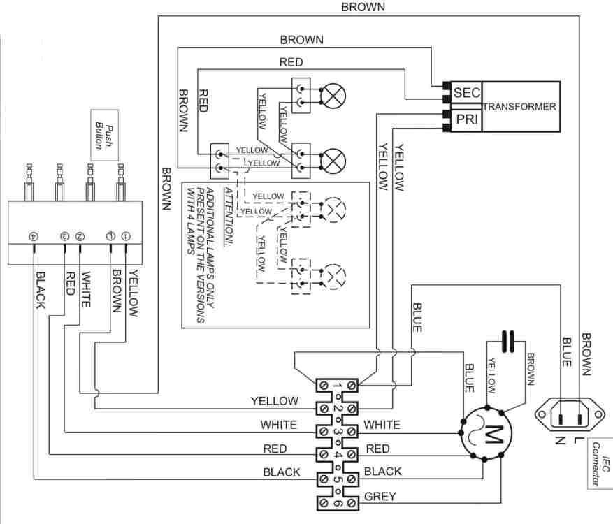
michpao Inserita: 1 dicembre 2024 Segnala Inserita: 1 dicembre 2024 Se ti ci metti con pazienza la pulsantiera si può sistemare, basta copiare dal primo pulsante ….. Ecco lo schema, di tutta la cappa.
nelson1 Inserita: 1 dicembre 2024 Autore Segnala Inserita: 1 dicembre 2024 (modificato) grazie mille per lo schema, così posso controllare gli avvolgimenti del motore. la pulsantiera è complicata da sistemare Modificato: 1 dicembre 2024 da nelson1
nelson1 Inserita: 5 dicembre 2024 Autore Segnala Inserita: 5 dicembre 2024 Installata la nuova pulsantiera, la cappa non funziona ancora. Ho smontato la girante e il motore proprio non gira. Il motore non ha avvolgimenti bruciacchiati. Si può dire è tutto piuttosto nuovo, ma non funziona. Mi resta soltanto di sostituire il motore, apparentemente senza motivo, non vedo altre possibilità. Qualche suggerimento?
Stefano Dalmo Inserita: 5 dicembre 2024 Segnala Inserita: 5 dicembre 2024 Controlla se tra il blu collegato al morsetto n 1 della morsettiera e Il marrone posto sulla pulsantiera , è presente la 220V.
nelson1 Inserita: 6 dicembre 2024 Autore Segnala Inserita: 6 dicembre 2024 19 ore fa, Stefano Dalmo ha scritto: Controlla se tra il blu collegato al morsetto n 1 della morsettiera e Il marrone posto sulla pulsantiera , è presente la 220V. Si, ho provato adesso. Con il pulsante 1 della luce attivato c'è la 220V
Stefano Dalmo Inserita: 6 dicembre 2024 Segnala Inserita: 6 dicembre 2024 Senza il pulsante della luce attivato. , non ho chiesto di attivare la luce perché c'è un motivo.
nelson1 Inserita: 6 dicembre 2024 Autore Segnala Inserita: 6 dicembre 2024 32 minuti fa, Stefano Dalmo ha scritto: Senza il pulsante della luce attivato ..... senza pulsante attivato non c'è tensione.
Stefano Dalmo Inserita: 6 dicembre 2024 Segnala Inserita: 6 dicembre 2024 Se il cablaggio è lo stesso dello schema , il marrone sulla pulsantiera viene direttamente dalla linea di rete. Come pure il blu che è il comune sul motore. Quindi dovrebbe esserci la 220 a prescindere. Senza azionare il pulsante delle luci. Altrimenti potrebbe essere una tensione di ritorno dal trasformatore. Bisogna seguire questi due cavi per vedere da dove vengono . Se vengono dalla rete o no. Ma le luci si accendono ?
nelson1 Inserita: 6 dicembre 2024 Autore Segnala Inserita: 6 dicembre 2024 (modificato) Le luci si accendono. I cavi della morsettiera corrispondono allo schema. La rete arriva dai fili Blu e Marrone Ho verificato, ma la continuità tra il Blu e alternativamente con Grigio-Nero-Rosso-Bianco non c'è. Temo che sia il motore sia il problema. Modificato: 6 dicembre 2024 da nelson1
Stefano Dalmo Inserita: 6 dicembre 2024 Segnala Inserita: 6 dicembre 2024 Scusa , puoi mettere bene in vista i cavi che escono dalla morsettiera al motore . E se quei fili marrone e azzurro vengono dalla rete , come mai non misuri la 220 su di essi?
Stefano Dalmo Inserita: 6 dicembre 2024 Segnala Inserita: 6 dicembre 2024 (modificato) Bhe , da quanto dici , se non c'è proprio nessuna forma di resistenza tra il celeste e gli altri cavi che vanno al motore , , magari sarà intervenuto il termico nel motore . E comunque anche se il motore non funziona , in base alle varie velocità devi misurare la 220 tra il blu e il bianco , blu e rosso , blu e nero. Altrimenti o il blu o il marrone non portano tensione . Poi magari cerchiamo di aprire il motore . Per vedere il collegamento dell'azzurro . Modificato: 6 dicembre 2024 da Stefano Dalmo
nelson1 Inserita: 8 dicembre 2024 Autore Segnala Inserita: 8 dicembre 2024 (modificato) solo ora sono riuscito a misurare: infatti, c'è la tensione 230 tra blu e bianco/rosso/nero. questo è il motore Modificato: 8 dicembre 2024 da nelson1
michpao Inserita: 8 dicembre 2024 Segnala Inserita: 8 dicembre 2024 (modificato) Sostituisci il motore, vai con il motore da un ricambista e lo trovi (sono motori universali) ma fatti spiegare come collegarlo (se inverti fase e neutro sul comune, lo bruci)! Modificato: 8 dicembre 2024 da michpao
nelson1 Inserita: 20 dicembre 2024 Autore Segnala Inserita: 20 dicembre 2024 sostituito il motore, tutto bene. La pulsantiera non c'entrava nulla.
Messaggi consigliati
Crea un account o accedi per commentare
Devi essere un utente per poter lasciare un commento
Crea un account
Registrati per un nuovo account nella nostra comunità. è facile!
Registra un nuovo accountAccedi
Hai già un account? Accedi qui.
Accedi ora