alex sylber Inserito: 24 dicembre 2024 Segnala Inserito: 24 dicembre 2024 salve ho una caldaia area 20 ie ff ts con termostato originale casa madre , dovrei effettuare sostituzione con termostato vimar smart clima, ma non risco a capire come collegarlo , premetto che ho gia dato alimentazione al termostato con 220v (vimar) ma non mi accende caldaia , dove dovrei collegare , ringrazio in anticipo e vi auguro buon natale , allego schemi elettrici
Stefano Dalmo Inserita: 24 dicembre 2024 Segnala Inserita: 24 dicembre 2024 Il suo termostato non lo puoi sostituire con un qualunque termostato . Lo puoi sostituire con uno uguale e originale . Ha un suo protocollo criptato. Leggi il manuale della caldaia e vedi come collegare un impianto multizona . attraverso il comando TA secondario , da cui controllare solo il riscaldamento. E mantenere il suo CRper il controllo della caldaia.
Stefano Dalmo Inserita: 24 dicembre 2024 Segnala Inserita: 24 dicembre 2024 Ma vanno modificati dei parametri in questo caso
alex sylber Inserita: 25 dicembre 2024 Autore Segnala Inserita: 25 dicembre 2024 (modificato) grazie, gia avevo immaginato questo , visto che allarmi e controllo temperature spettano al termostato originale , però come lei ha ben detto , vorrei controllare il solo riscaldamento dal termostato aggiuntivo , puo spiegarmi dove è il TA secondario? perche il P.O. che ha inserito non so dove è , e dove agganciarlo, a sto punto metto il controllo caldaia all esterno e il termostato riscaldamento all interno , nel manuale non c e niente che fa rifermento all aggiunta di un TA secondario Modificato: 25 dicembre 2024 da alex sylber
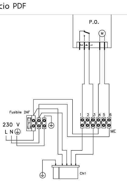
Stefano Dalmo Inserita: 26 dicembre 2024 Segnala Inserita: 26 dicembre 2024 Guarda in basso a destra del tuo schema filare che hai postato . CN1 ME e leggi la scritta in verticale a sinistra sullo stesso schema
alex sylber Inserita: 26 dicembre 2024 Autore Segnala Inserita: 26 dicembre 2024 ok ho capito e su 4 e 6 cosa ce collegata la M ? (Massa) ? 1 e 3 collego termostato smart 230v ?
Stefano Dalmo Inserita: 26 dicembre 2024 Segnala Inserita: 26 dicembre 2024 Ma come la massa , quella m sta per motore , o una alimentazione a 220 per l’ apparecchio che ha bisogno della 220
alex sylber Inserita: 26 dicembre 2024 Autore Segnala Inserita: 26 dicembre 2024 (modificato) 2 ore fa, Stefano Dalmo ha scritto: Ma come la massa , quella m sta per motore , o una alimentazione a 220 per l’ apparecchio che ha bisogno della 220 Quindi P.O. sarebbe il mio termostato aggiuntivo? collego il relè del mio termostato NC e C a 1 e 3 , e da 4 e 6 esce L e N che alimentano il mio termostato, ma posso far arrivare L e N al termostato aggiuntivo anche da un altra derivazione che ho piu vicina al mio termostato interno (che ho gia passato e cablato) e nel mio termostato faccio arrivare 1 in IN o NO e 2 in C o NO? PS: mi perdoni ma con le sigle sono in alto mare Modificato: 26 dicembre 2024 da alex sylber
Stefano Dalmo Inserita: 26 dicembre 2024 Segnala Inserita: 26 dicembre 2024 Su 1 e 3 della caldaia non deve arrivare nessuna tensione , altrimenti bruci la scheda . gli devi collegare un contatto pulito del tuo termostato . C - N O. la tensione di alimentazione del tuo termostato la puoi prendere dove vuoi . non seguire lo schema del tuo termostato che è fatto per alimentare una valvola di zona . mandi la la 220 sulla caldaia e la bruci .
alex sylber Inserita: 26 dicembre 2024 Autore Segnala Inserita: 26 dicembre 2024 E quindi con le caratteristiche del mio termostato vimar in NO e C non c’è rischio di bruciare la scheda della caldaia , posso collegare tranquillamente
Stefano Dalmo Inserita: 26 dicembre 2024 Segnala Inserita: 26 dicembre 2024 - 2 (NO-C) per uscita a relè con contatto pulito: li puoi collegare
alex sylber Inserita: 26 dicembre 2024 Autore Segnala Inserita: 26 dicembre 2024 (modificato) 2 ore fa, Stefano Dalmo ha scritto: - 2 (NO-C) per uscita a relè con contatto pulito: li puoi collegare ok , cablaggio effettuato , 1 e 3 , c'era ponticello che ho tolto, e ho inserito i cavi NO e C, termostato originale non toccato , provata accensione , va che e una meraviglia , ma comanda sempre il termostato originale, quello vimar , pur staccando il relè (abbassando la temperatura sotto temperatura ambiente) inserito all interno del termostato , non va a disattivare la caldaia , che continua a seguire il segnale del termostato originale , consigli? preciso che l'ovvio, i termostati seguono due linee differenti dirette , uno collegato a 1 e 3 , e l altro collegato compre sempre direttamente alla scheda di controllo sylber , ho provato anche ad invertire 1 e 3 non che abbia senso, ma non cambia il risultato idea ? puo essere che IN vedendo schema ufficiale di vimar postato poco sopra, sia accoppiato con C , il contatto pulito , invece di NO Modificato: 26 dicembre 2024 da alex sylber
Stefano Dalmo Inserita: 26 dicembre 2024 Segnala Inserita: 26 dicembre 2024 Devi escludere il controllo del C R dal controllo della temperatura ambiente e dal controllo delle curve climatiche . Impostandolo solo per il controllo caldaia. Leggi il manuale , devi cambiare le impostazioni attuali. MODALITA’ DI UTILIZZO Il pannello comandi prevede tre modalità di utilizzo: 1) TERMOSTATO AMBIENTE Il pannello comandi si preoccupa di mantenere co- stante la temperatura dell’ambiente secondo i para- metri inseriti dall’utente. 2) CRONOTERMOSTATO In questo caso sarà per voi possibile una gestione più raffi nata del riscaldamento domestico in quanto potrete decidere come e quando la caldaia entrerà in funzione per riscaldare gli ambienti. 3) CONTROLLO CALDAIA In questa modalità di utilizzo il pannello comandi per- mette di gestire il funzionamento della caldaia senza controllo della temperatura ambiente. In questo caso è necessario utilizzare un termostato ambiente esterno. Le istruzioni relative alle modalità di utilizzo e alle funzioni del comando a distanza sono contenute nel manua Vedi che deve uscire l'icona della mano . Funzione manuale.
alex sylber Inserita: 26 dicembre 2024 Autore Segnala Inserita: 26 dicembre 2024 6 minuti fa, Stefano Dalmo ha scritto: Devi escludere il controllo del C R dal controllo della temperatura ambiente e dal controllo delle curve climatiche . Impostandolo solo per il controllo caldaia. Leggi il manuale , devi cambiare le impostazioni attuali. MODALITA’ DI UTILIZZO Il pannello comandi prevede tre modalità di utilizzo: 1) TERMOSTATO AMBIENTE Il pannello comandi si preoccupa di mantenere co- stante la temperatura dell’ambiente secondo i para- metri inseriti dall’utente. 2) CRONOTERMOSTATO In questo caso sarà per voi possibile una gestione più raffi nata del riscaldamento domestico in quanto potrete decidere come e quando la caldaia entrerà in funzione per riscaldare gli ambienti. 3) CONTROLLO CALDAIA In questa modalità di utilizzo il pannello comandi per- mette di gestire il funzionamento della caldaia senza controllo della temperatura ambiente. In questo caso è necessario utilizzare un termostato ambiente esterno. Le istruzioni relative alle modalità di utilizzo e alle funzioni del comando a distanza sono contenute nel manua Vedi che deve uscire l'icona della mano . Funzione manuale. la ringrazio tantissimo , per avemi dedicato il suo tempo , le sue competenze , e la sua gentilezza nel seguirmi passo passo , ora funziona tutto perfettamente , colgo l'occasione per augurale tutto il bene e delle felici feste, grazie signor, Stefano
Messaggi consigliati
Crea un account o accedi per commentare
Devi essere un utente per poter lasciare un commento
Crea un account
Registrati per un nuovo account nella nostra comunità. è facile!
Registra un nuovo accountAccedi
Hai già un account? Accedi qui.
Accedi ora