Vai al contenuto

Thalia BT A80 DUO e fotocellule Compacta A20-180


Messaggi consigliati

Inserito:

Buon pomeriggio, chiedo ai partecipanti del forum un cortese aiuto per individuare l’esatto schema di collegamento delle fotocellule Compacta A 20 - 180 con la centrale THALIA BT A80 DUO in modalità verificata. Premetto che lo schema fornito dalla casa madre BFT con le fotocellule indica chiaramente i morsetti 50 e 52 per l’alimentazione delle tx in modalità verificata, ma non dice nulla delle connessioni dei restanti morsetti 3, 4 e 5 delle riceventi, limitandosi a descrivere gli ingressi, rispettivamente COM PHOT, PHAULT PHOT e PHOT. Per questi mi sono affidato ad uno schema ufficiale del produttore, da questo video https://www.youtube.com/watch?v=ImiSXYfkOeM&ab_channel=BftAccessAutomation molto diffuso nel web, che prevede l’uso di 5 fili, ma al riavvio è comparsa sul display della THALIA la scritta PHOT che in diagnostica indica “Attivazione ingresso fotocellula PHOT o se configurato come fotocellula verificata, Attivazione dell’ingresso FAULT”. Con queste impostazioni il sistema smette di funzionare; la centrale non esce da questa condizione di errore. Viceversa, con le indicazioni di cui alle pagine 8 e 27 del manuale della THALIA e con l'uso di 4 fili, il cancello funziona, ma non si capisce se le riceventi siano davvero in modalità verificata e se le due coppie siano in serie tra loro.

Per SAFE1 e SAFE2 ho impostato la logica 5, ma mi riservo ovviamente di aumentare il livello di sicurezza impostando per la coppia interna la logica 1.

P.S. E’ una mia impressione oppure in modalità verificata le fotocellule non trasmettono l’infrarosso? Io non lo vedo.

pagina 8.jpg

pagina 27.jpg

modalità verificata due coppie di fotocellule.jpg

Inserita:

Ciao cmax11,

8 ore fa, cmax11 ha scritto:

chiedo ai partecipanti del forum un cortese aiuto per individuare l’esatto schema di collegamento delle fotocellule Compacta A 20 - 180 con la centrale THALIA BT A80 DUO in modalità verificata.............

Per SAFE1 e SAFE2 ho impostato la logica 5, ma mi riservo ovviamente di aumentare il livello di sicurezza impostando per la coppia interna la logica 1

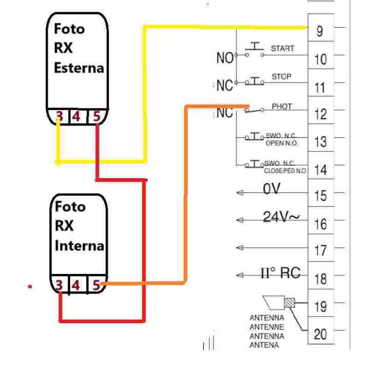
Così:

CollegamentofotocelluleVERIFICATEconTHALIABTA80.thumb.jpg.4432a87fa527f2c72b319d387fc19766.jpg

 

 

8 ore fa, cmax11 ha scritto:

Per questi mi sono affidato ad uno schema ufficiale del produttore, da questo video

Lascia perdere, questi sono schemi con altri tipi di centrali (THALIA "vecchia" serie, MERAK e HAMAL per cancelli scorrevoli, ecc...).

Con la tua THALIA BT A80 vanno collegate solo come ti ho indicato sopra, poi che nel disegno non ci siano le COMPACTA, ma le THEA, non cambia nulla, la numerazione rimane sempre la stessa.

Mi raccomando, attenzione a collegare le polarità di alimentazione corrette

 

https://bft.lt/Manuals/BFT_THALIA_BT_A80-A160_IT_EN_FR_DE_ES_NL.pdf

https://www.atecnica.it/file/manuale-di-istruzioni-fotocellule-orientabili-bft-compacta-a20-180-p111782.pdf

 

8 ore fa, cmax11 ha scritto:

P.S. E’ una mia impressione oppure in modalità verificata le fotocellule non trasmettono l’infrarosso? Io non lo vedo.

Sì esatto, se hai fatto il test con la telecamera dello smartphone, semplicemente perché quando il cancello è fermo e a riposo, le fotocellule trasmittenti NON sono alimentate.

Una volta che tu dai l'impulso di START la centrale alimenta la fotocellula dal morsetto 52, verifica l'allineamento e fa partire il ciclo, come da manuale:

24 Vsafe+ Uscita alimentazione per dispositivi di sicurezza verificati (trasmettitore fotocellule e trasmettitore costa sensibile). Uscita attiva solo durante il ciclo di manovra.

 

Facci sapere gli sviluppi

  • 2 weeks later...
Inserita:

Buonasera, innanzitutto ringrazio per la cortese e tempestiva risposta. Per quanto attiene allo schema suggerito ho preliminarmente verificato la mia installazione ed ho trovato che al morsetto 72 con logica  SAFE 1 = 5 sono collegate le fotocellule interne, mentre al morsetto 73 sono collegate le fotocellule esterne con logica SAFE 2 = 5. Poichè l'accoppiamento morsetto / logica è preimpostato in fabbrica e non è modificabile, (morsetto 72 / SAFE 1    morsetto 73 /SAFE 2) ho ritenuto ininfluente scambiare i due cavi nella morsettiera, a patto di conservare i preset. Mi sono quindi limitato a variare le logiche ed è questo il risultato ottenuto: 

 

coppia INTERNA morsetto 72 logica SAFE 1 = 1

coppia ESTERNA morsetto 73 logica SAFE 2 = 5.

 

Per quanto ovvio, confermo le polarità di alimentazione.

Non so se dipenda dalla mia scelta, ma la coppia esterna, con logica safe 2 = 5 (morsetto 73) è ancora attiva solo in chiusura (nessuna reazione se interrotta in apertura, inverte la marcia se interrotta in chiusura) e quindi impostata correttamente, mentre la coppia interna (morsetto 72), variata la logica safe 1 da 5 a 1 se interrotta in apertura si ferma un attimo, si sente lo scatto della elettroserratura e continua la marcia in apertura. Dato che stiamo parlando della coppia interna credo che le conseguenze potrebbero essere disastrose. Ho ritenuto opportuno fermarmi e ricorrere al tuo / vostro prezioso aiuto. Se non ricordo male, le simulazioni presenti nel web impongono che le fotocellule interne, se interrotte dall'autovettura in uscita da casa, debbano fermare la marcia del cancello, o sbaglio? Devo quindi dedurre che non sia 1 il valore corretto della logica safe della coppia interna, oppure è obbligatorio accoppiare le fotocellule interne al morsetto 73 e quelle esterne al 72?

Un'ultima richiesta: nel caso in cui io abbia altre domande, sulla stessa centrale Thalia BT A80 duo ma non per la configurazione delle fotocellule bensì per altre difficoltà insorte dopo la mia richiesta, devo aprire altri topic, vero? (Chiedo scusa per l'inesperienza, ma non vorrei abusare).

Grazie ed a presto.

Cmax11  

Inserita:
1 ora fa, cmax11 ha scritto:

.........Mi sono quindi limitato a variare le logiche ed è questo il risultato ottenuto: 

coppia INTERNA morsetto 72 logica SAFE 1 = 1

coppia ESTERNA morsetto 73 logica SAFE 2 = 5.

 

.......la coppia esterna, con logica safe 2 = 5 (morsetto 73) è ancora attiva solo in chiusura (nessuna reazione se interrotta in apertura, inverte la marcia se interrotta in chiusura) e quindi impostata correttamente

Ok e fin qui ci siamo.

 

2 ore fa, cmax11 ha scritto:

mentre la coppia interna (morsetto 72), variata la logica safe 1 da 5 a 1 se interrotta in apertura si ferma un attimo, si sente lo scatto della elettroserratura e continua la marcia in apertura. Dato che stiamo parlando della coppia interna credo che le conseguenze potrebbero essere disastrose.......

Mah, in teoria fino a che le fotocellule sono impregnate / interrotte in apertura, il cancello non dovrebbe muoversi, dovrebbe rimanere fermo, per poi ripartire in apertura solo una volta tolto l'ostacolo, giusto è così?

Non ci sono altre logiche possibili, a meno che non ne scegli una adatta alle coste / barre sensibili, tanto la centrale non riconosce il dispositivo, dipende dai collegamenti che esegui, però l'inversione dura solo due secondi.

 

2 ore fa, cmax11 ha scritto:

Un'ultima richiesta: nel caso in cui io abbia altre domande, sulla stessa centrale Thalia BT A80 duo ma non per la configurazione delle fotocellule bensì per altre difficoltà insorte dopo la mia richiesta, devo aprire altri topic, vero?

Per me puoi continuare pure qui, senza ricominciare con le varie informazioni dall'inizio, tanto stiamo parlando sempre della tua stessa automazione.

Inserita:
19 ore fa, ROBY 73 ha scritto:

Mah, in teoria fino a che le fotocellule sono impregnate / interrotte in apertura, il cancello non dovrebbe muoversi, dovrebbe rimanere fermo, per poi ripartire in apertura solo una volta tolto l'ostacolo, giusto è così?

 

Si, è cosi. mi muovevo in fretta ed ho male interpretato il funzionamento. Confermo che l'interruzione in apertura della coppia interna arresta il movimento sino alla rimozione dell'ostacolo. Così come settate le fotocellule sono in modalità veriicata ed in serie. E' corretto?

 

 

 

Visto che me lo concedi, desidero affrontare adesso gli altri quesiti

Il primo riguarda il lampeggiante Radius BT A R1 W grigio fumo: i led sono molto fiochi, anche in piena notte e l’installazione non è “coperta” ma nella stessa sede del precedente impianto, dov’era posizionato un “no-brand” arancione, che si vedeva benissimo anche a distanza. Prima di provare a chiedere la sostituzione con la versione in giallo, volevo capire cosa c’è che non va, perché durante il lampeggio ho misurato la tensione ai morsetti 20 e 21 (logica = 6) ed è di quasi 32 Volts in corrente continua; mi sembrano troppi visto che la scheda supporta 24 V / 1 Ampere max. Cosa mi suggerisci?

Ho settato l’uscita AUX 2 ai morsetti 26 e 27 con logica 6 SCA spia cancello aperto. L'intenzione è quella di verificare che il cancello sia effettivamente chiuso, visto, che seppur raramente, qualche volta la serratura (Cisa a scatto) non chiude e le ante si accostano soltanto. In questo caso il display della centrale Thalia BT A80 DUO segnala la chiusura e quindi nessuna spia mai potrà accendersi. Prima di girare al fabbro la “questione” ho fatto un ultimo test: ho interrotto la corsa di una anta provocando intervento dello stop amperometrico. Il display mi ha segnalato un errore 35 ma di tensione ai morsetti 26 e 27 neanche l’ombra Cosa ne pensi?

Inserita:
3 ore fa, cmax11 ha scritto:

Si, è cosi. mi muovevo in fretta ed ho male interpretato il funzionamento.........

Infatti immaginavo.

 

3 ore fa, cmax11 ha scritto:

Così come settate le fotocellule sono in modalità veriicata ed in serie. E' corretto?

Verificate sì, ma non in serie.

Sarebbero collegate in serie se le due fotocellule riceventi avessero il contatto che entra in una e segue nell'altra e poi va in un solo ingresso SAFE, in pratica come dallo schema, qui sotto (anche se non è la tua centrale, ma il senso non cambia):

image.thumb.jpeg.39a001e9f0251fb5125f7a2a059e2334.jpeg

 

4 ore fa, cmax11 ha scritto:

desidero affrontare adesso gli altri quesiti

Il primo riguarda il lampeggiante Radius BT A R1 W grigio fumo: i led sono molto fiochi,......... volevo capire cosa c’è che non va, perché durante il lampeggio ho misurato la tensione ai morsetti 20 e 21 (logica = 6) ed è di quasi 32 Volts in corrente continua; mi sembrano troppi visto che la scheda supporta 24 V / 1 Ampere max.

Sinceramente non ho mai provato a testare la tensione in uscita dalla scheda in questione, comunque non credo ci siano tanti problemi.

Per l'intensità della luce invece, è vero che non è proprio "limpidissima" con la copertura grigia, diciamo che c'è di meglio.

 

4 ore fa, cmax11 ha scritto:

Ho settato l’uscita AUX 2 ai morsetti 26 e 27 con logica 6 SCA spia cancello aperto. ..........ho interrotto la corsa di una anta provocando intervento dello stop amperometrico. Il display mi ha segnalato un errore 35 ma di tensione ai morsetti 26 e 27 neanche l’ombra Cosa ne pensi?

Attenzione che l'uscita AUX2 sui morsetti 26-27 è "solo" un contatto Normalmrente Aperto e non un'uscita in tensione diretta.

Devi prendere tensione dai morsetti 50-51, in pratica così:

CollegamentoSpiaCancelloApertosucentraliBFT.jpg.f41e6c65bb867f2e2cf4a664ad5f5aa3.jpg

Inserita:

Riepilogando:

 

1) non sembra necessario che le fotocellule siano in serie;

 

2) anche se lo schema che mi hai inviato ha i morsetti scambiati, visto che le logiche sono corrette e coerenti con le tue indicazioni, approvi la combinazione?

coppia INTERNA morsetto 72 logica SAFE 1 = 1

coppia ESTERNA morsetto 73 logica SAFE 2 = 5

 

3) decisamente inadeguato il colore grigio del lampeggiante; passo allo stesso modello in giallo oppure quando dici c'è di meglio hai già in mente un prodotto specifico?

 

4) Ok per lo schema della spia cancello aperto, ripeto i test e poi ti aggiorno.

 

Grazie

Inserita:
4 ore fa, cmax11 ha scritto:

Riepilogando:

1) non sembra necessario che le fotocellule siano in serie;

Infatti, non è che non sia necessario, avendo i due ingressi separati (molte vecchie centrali ne avevano solo uno e quindi si collegavano appunto in serie) è proprio sbagliato, o meglio insensato.

 

4 ore fa, cmax11 ha scritto:

2) anche se lo schema che mi hai inviato ha i morsetti scambiati, visto che le logiche sono corrette e coerenti con le tue indicazioni, approvi la combinazione?........

Questo è indifferente, che sia un ingresso o l'altro non cambia nulla, quello che conta è la logica di funzionamento che si attribuisce alle due coppie

 

4 ore fa, cmax11 ha scritto:

3) decisamente inadeguato il colore grigio del lampeggiante; passo allo stesso modello in giallo oppure quando dici c'è di meglio hai già in mente un prodotto specifico?

Se riesci prova a togliere il coperchio grigio quando è buio (e/o anche con la luce del giorno) e vedi quanta luce fa, magari c'è qualcosa che non va sulla schedina led.

Il vecchio lampeggiante era a led, oppure con classica lampadina?

Se hai ancora la copertura arancione del vecchio lampeggiante, potresti provare ad appoggiarla sopra e vedere la differenza di luce che emette rispetto a quella grigia attuale.

4 ore fa, cmax11 ha scritto:

4) Ok per lo schema della spia cancello aperto, ripeto i test e poi ti aggiorno.

Ok

  • 9 months later...
Pietro1204
Inserita:
Il 11/01/2025 alle 01:05 , ROBY 73 ha scritto:

Ciao cmax11,

Così:

CollegamentofotocelluleVERIFICATEconTHALIABTA80.thumb.jpg.4432a87fa527f2c72b319d387fc19766.jpg

 

 

Lascia perdere, questi sono schemi con altri tipi di centrali (THALIA "vecchia" serie, MERAK e HAMAL per cancelli scorrevoli, ecc...).

Con la tua THALIA BT A80 vanno collegate solo come ti ho indicato sopra, poi che nel disegno non ci siano le COMPACTA, ma le THEA, non cambia nulla, la numerazione rimane sempre la stessa.

Mi raccomando, attenzione a collegare le polarità di alimentazione corrette

 

https://bft.lt/Manuals/BFT_THALIA_BT_A80-A160_IT_EN_FR_DE_ES_NL.pdf

https://www.atecnica.it/file/manuale-di-istruzioni-fotocellule-orientabili-bft-compacta-a20-180-p111782.pdf

 

Sì esatto, se hai fatto il test con la telecamera dello smartphone, semplicemente perché quando il cancello è fermo e a riposo, le fotocellule trasmittenti NON sono alimentate.

Una volta che tu dai l'impulso di START la centrale alimenta la fotocellula dal morsetto 52, verifica l'allineamento e fa partire il ciclo, come da manuale:

24 Vsafe+ Uscita alimentazione per dispositivi di sicurezza verificati (trasmettitore fotocellule e trasmettitore costa sensibile). Uscita attiva solo durante il ciclo di manovra.

 

Facci sapere gli sviluppi

Buongiorno, siccome il mio cancello avrà apertura all'esterno lo schema va invertito, cioè quello che in questo schema viene identificato come fotocellula esterna lo utilizzo per le fotocellule interne e viceversa oppure devo lasciare tutto come descritto? 

Livio Orsini
Inserita:
1 ora fa, Pietro1204 ha scritto:

Buongiorno, siccome il mio cancello avrà apertura all'esterno lo schema va invertito, cioè quello che in questo schema viene identificato come fotocellula esterna lo utilizzo per le fotocellule interne e viceversa oppure devo lasciare tutto come descritto? 

 

Se vuoi risposte devi aprire una tua discussione.

Gli accosamenti sono sempre vietati dal regolamento!

  • Livio Orsini locked this discussione
Ospite
Questa discussione è chiusa alle risposte.
×
×
  • Crea nuovo/a...