Vai al contenuto
PLC Forum


Philips 32PFS4132/12 - Riparazione scheda di alimentazione


Messaggi consigliati

Inserito: (modificato)

Salve,

Sono alle prese con la scheda di alimentazione di questo TV che come si può seggere in giro soffre di un difetto per cui ad un certo punto si sente un botto e il televisore non si accende più.
Nello specifico io ho questa scheda:

715G7734-P02-005-002H

Smontando si notano sempre le stesse componenti coinvolte. Nel mio caso ho sostituito:

Q9101 (TK6A65D) , R9101, C9126, U9101 (PF6003AG), D9104, R9109, R9110, R9111 and R9113

Tuttavia quando alimento la scheda non ho i 12 V in uscita che dovrei invece misurare.
Il MOSFET ha il source e drain che non sono in corto e quando la scheda è alimentata i due sono connessi.
Tra massa e R91146 misuro 10-14 V ma il valore non è stabile ma cicla sempre sugli stessi valori.
Sul condensatore grande (C9801) misuro sui 320V in continua.

Cosa posso controlalre ?
Qualcuno ha lo schema ?




 

Modificato: da Bemipefe

Inserita: (modificato)

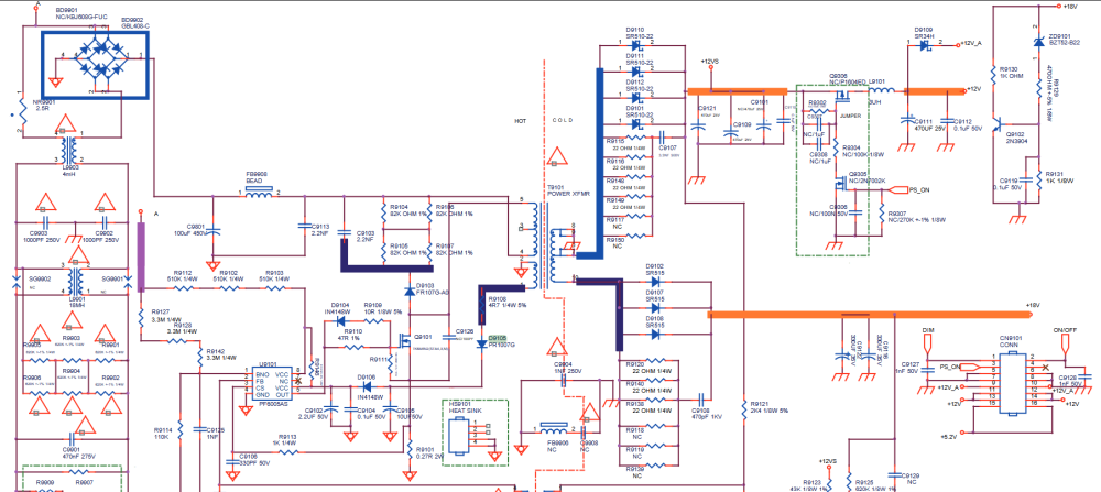
Ok trovato lo schema sebbene è della 715G7734-P01-005-002H invece che la 715G7734-P02-005-002H ma sperabilmente dovrebbe essere sufficiente a farsi un idea.
Ho notato che tra massa e l'uscita del trasformatore T9101 leggo circa 23-24 V ma in AC e se misuro la frequenza esce 100 Hz che dovrebbe essere la frequenza in uscita dal BD9901. E la stessa tensione arriva fino a pin di uscita della scheda dove dovrei misurare 12 V in DC ma invece leggo 0.

Suggerimenti ?

715G7734-P01-005-002H.png

Modificato: da Bemipefe

Crea un account o accedi per commentare

Devi essere un utente per poter lasciare un commento

Crea un account

Registrati per un nuovo account nella nostra comunità. è facile!

Registra un nuovo account

Accedi

Hai già un account? Accedi qui.

Accedi ora
×
×
  • Crea nuovo/a...