g.i.o.v.a. Inserito: 21 febbraio 2025 Segnala Inserito: 21 febbraio 2025 ciao a tutti, schema o riferimenti cercati ovunque sul web ma ad ora senza successo, chassis marcato 577_190 monta molti componenti Philips incluso il CRT. Se qualcuno puo' aiutare sono riconoscente, grazie.
g.i.o.v.a. Inserita: 26 febbraio 2025 Autore Segnala Inserita: 26 febbraio 2025 dopo lunghe ricerche scopro che lo chassis e' una copia di 'Indiana 100/200'..
Riccardo Ottaviucci Inserita: 27 febbraio 2025 Segnala Inserita: 27 febbraio 2025 a me sembra più un Philips
g.i.o.v.a. Inserita: 28 febbraio 2025 Autore Segnala Inserita: 28 febbraio 2025 pensavo anch'io inizialmente, sia per il numero di componenti marca Philips presenti che per la somiglianza con alcuni modelli anni 90 (es. 15CE1210), il cui chassis tuttavia non ha niente a che fare con questo Geloso che dalla componentistica dovrebbe risalire ai primi anni 2000. Con un bel po' di pazienza e ricerche ho scoperto invece che c'e' corrispondenza col telaio citato, praticamente una copia identica. Mi piacerebbe tra l'altro sapere di piu' sulle vicende della ormai non piu' storica Geloso degli anni 90 e dei vari modelli crt commercializzati in quel periodo, su cui non ho trovato praticamente niente sul web. Ad ogni modo sto procedendo col ripristino dell'apparecchio che inizialmente restava in standby o non si accendeva affatto. Trovate saldature fredde e contatti ossidati, i componenti misurati a campione sembrano invece ancora tutti in specifica. Ora ha ripreso vita e l'immagine sembra ottima per geometria, luminosita etc, devo pero' capire un problema di rumore random visibile sullo schermo (singoli punti casuali piu' o meno luminosi) che sembra prodotto dall'apparecchio e non provenire dall'esterno.
Riccardo Ottaviucci Inserita: 28 febbraio 2025 Segnala Inserita: 28 febbraio 2025 sì,sembrava un CP90 o G90 ma la MF è diversa o addirittura Anubis. Indiana non l'ho mai sentita,cos'è un marchio o un modello?
g.i.o.v.a. Inserita: 28 febbraio 2025 Autore Segnala Inserita: 28 febbraio 2025 e' uno chassis usato da brand diversi, su electrotanya si trovano alcuni riferimenti
Riccardo Ottaviucci Inserita: 28 febbraio 2025 Segnala Inserita: 28 febbraio 2025 hai provato se questi gli somigliano?
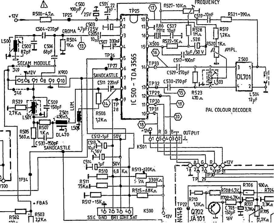
g.i.o.v.a. Inserita: 28 febbraio 2025 Autore Segnala Inserita: 28 febbraio 2025 assolutamente si Riccardo, Alba Indiana100 e' lo schema che sto utilizzando come riferimento da quando ho scoperto la corrispondenza come detto sopra. Appena riesco mando una foto che mostra il problema del rumore a schermo per ricevere se possibile dei commenti. grazie per la segnalazione.
g.i.o.v.a. Inserita: 1 marzo 2025 Autore Segnala Inserita: 1 marzo 2025 allego immagine dell'attuale difetto riscontrato, i 3 segnali colore che pilotano il tubo sono disturbati in modo casuale da brevi impulsi di ampiezza variabile. Il risultato e' uno schermo puntinato con colori e luminosità casuali. La frequenza con cui si presentano i disturbi e' anche questa piuttosto casuale, a tratti il problema sembra sparire per ripresentarsi di nuovo dopo diversi secondi. Non sembra comunque legato a possibili disturbi presenti sulla rete elettrica. Ho localizzato il problema intorno al decoder PAL TDA3565, il segnale video al suo ingresso e' privo di disturbi mentre le tre uscite RGB mostrano il problema. L'alimentazione 12V dell'integrato e' pulita. Non sono certo che il difetto sia dovuto al malfunzionamento del decoder piuttosto che a qualche componente al contorno o a problemi di contatto, devo indagare meglio, se tuttavia qualcuno ha gia' visto questo tipo di problema e vuole commentare ringrazio fin d'ora.
Riccardo Ottaviucci Inserita: 2 marzo 2025 Segnala Inserita: 2 marzo 2025 14 ore fa, g.i.o.v.a. ha scritto: Non sono certo che il difetto sia dovuto al malfunzionamento del decoder basta collegarci un'altra sorgente puoi provare a sostituire il TDA video
g.i.o.v.a. Inserita: 6 marzo 2025 Autore Segnala Inserita: 6 marzo 2025 problema individuato, non si trattava del TDA3565 ma di un trimmer (R520 da 1kOhm) su cui ho riscontrato una tipologia di guasto probabilmente legata a un difetto di fabbrica, per cui uno dei terminali esterni risulta essere elettricamente isolato dal corpo del resistore stesso. Pertanto l'ampiezza del segnale prelevato dal cursore del trimmer risultava tutt'altro che corretta e produceva il malfunzionamento del decoder causando instabilita', rumore e i disturbi di cui sopra. Ringrazio Riccardo per avere commentato.
Messaggi consigliati
Crea un account o accedi per commentare
Devi essere un utente per poter lasciare un commento
Crea un account
Registrati per un nuovo account nella nostra comunità. è facile!
Registra un nuovo accountAccedi
Hai già un account? Accedi qui.
Accedi ora