bamircmba Inserito: 12 marzo 2025 Segnala Inserito: 12 marzo 2025 Buongiorno a tutti, vi chiedo lumi in merito al mio impianto citofonico, che serve una casa con due appartamenti. E' composto da un posto esterno (con due pulsanti, uno per appartamento) e da due posti interni tramite ciascuno dei quali è possibile aprire un cancelletto pedonale. Le suonerie non sono integrate nel posto interno, ma a parte, come frutto di una 503. Aprendo il posto interno vedo che arrivano due fili soltato. Il modello del posto interno è Urmet DIS1133-D001 (scheda elettronica sigliata CS1133-002B). Allego qualche foto. La domanda per voi esperti è: che schema è stato utilizzato? Non trovo nulla in merito. E' compatibile con Ring Intercom? Grazie in anticipo a chi possa aiutarmi a capirne il funzionamento.
Ggiovanni Inserita: 12 marzo 2025 Segnala Inserita: 12 marzo 2025 (modificato) Il modello del tuo citofono è supportato ma il fatto che venga utilizzata una suoneria esterna, se non è un ripetitore della suoneria collegato all'impianto, complica le cose. Prova a mettere una foto della suoneria e, se riesci, facci capire a cosa è collegata Modificato: 12 marzo 2025 da Ggiovanni
bamircmba Inserita: 12 marzo 2025 Autore Segnala Inserita: 12 marzo 2025 Eccola. Una è quella del citofono, altra quella della cordina del bagno Hai uno schema di come potrebbero essere i collegamenti?
Ggiovanni Inserita: 12 marzo 2025 Segnala Inserita: 12 marzo 2025 La questione è la seguente: se la suoneria fa parte dell'impianto citofonico (ovvero è connessa in qualche modo al bus) allora sul bus passa anche il segnale della chiamata e ring può intercettarlo. Se la chiamata avviene su un circuito separato allora il ring non riceverà mai la chiamata. Dalle poche informazioni che abbiamo sulla suoneria al momento sarei più propenso a dirti che non è compatibile con il tuo impianto
Maurizio Colombi Inserita: 12 marzo 2025 Segnala Inserita: 12 marzo 2025 Mi sembra di più un 1+N. Se così fosse, la suoneria non c'entra nulla con l'impianto. Tra l'altro, come per il BUS.
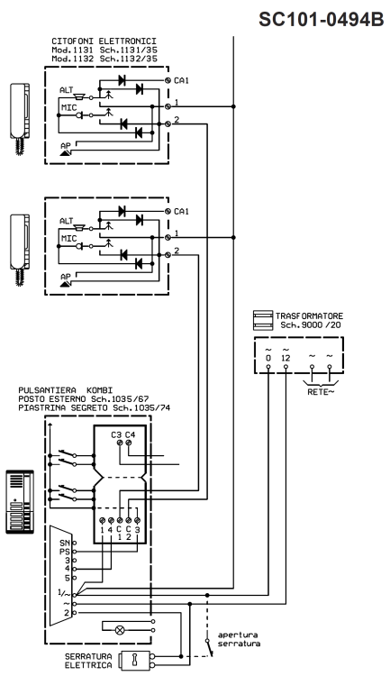
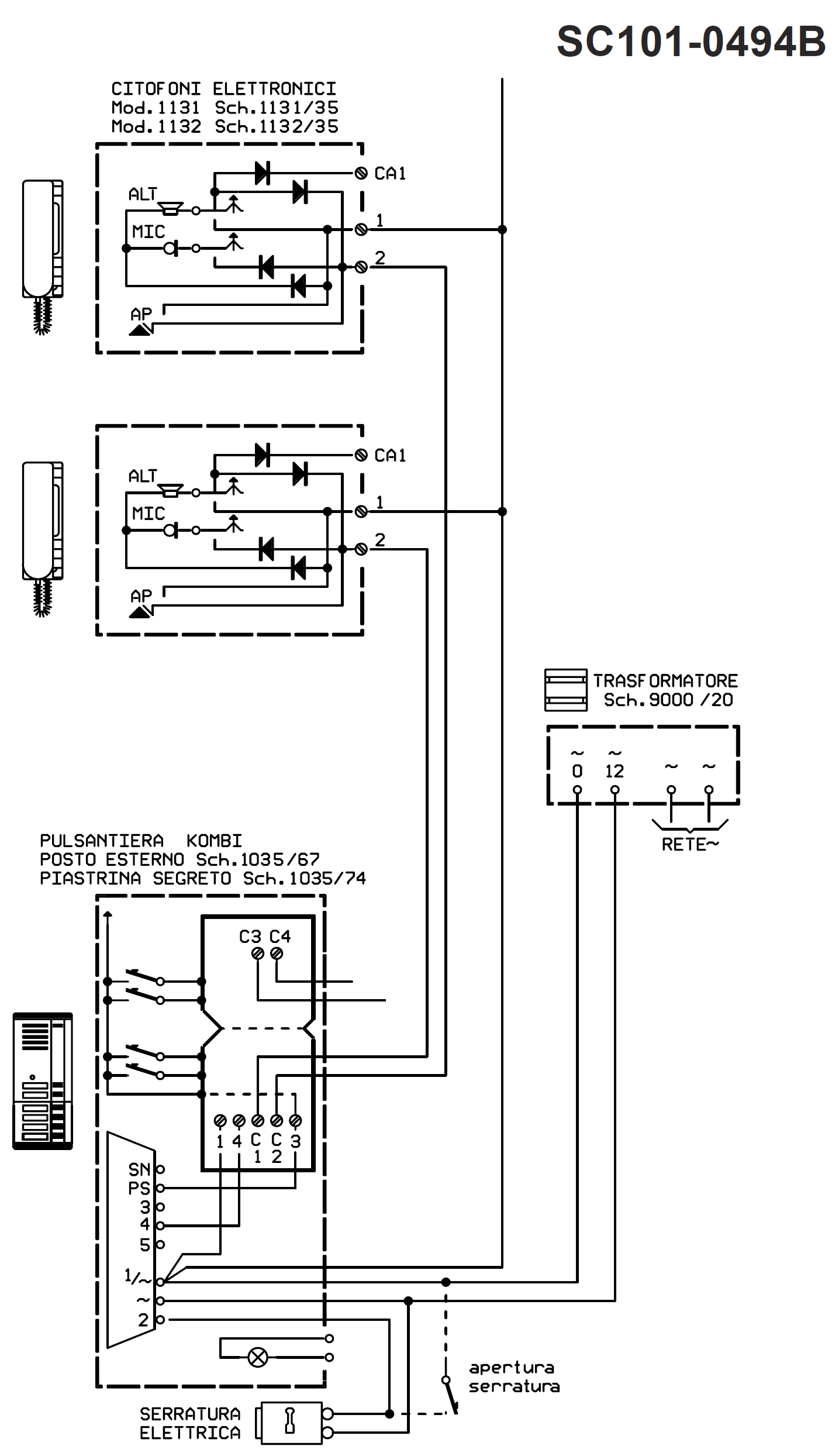
bamircmba Inserita: 13 marzo 2025 Autore Segnala Inserita: 13 marzo 2025 (modificato) Gli schemi dovrebbero essere questi: Modificato: 13 marzo 2025 da bamircmba
Ggiovanni Inserita: 13 marzo 2025 Segnala Inserita: 13 marzo 2025 Se la tua suoneria esterna è comandata dal relè 788/21 (come nel secondo schema che hai pubblicato) probabilmente puoi usare il ring, altrimenti sono abbastanza sicuro che non sarebbe compatibile
Messaggi consigliati
Crea un account o accedi per commentare
Devi essere un utente per poter lasciare un commento
Crea un account
Registrati per un nuovo account nella nostra comunità. è facile!
Registra un nuovo accountAccedi
Hai già un account? Accedi qui.
Accedi ora