Vai al contenuto

Messaggi consigliati

Inserito:

Ho trovato in soffitta un vecchio lettore VHS tenuto sempre molto bene (riposto in una scatola e quindi senza un filo di polvere per dire).

 

Ho provato ad attaccarlo alla corrente e si accende il led del pulsante di accensione.

Ho provato a inserire una cassetta, ma non la prende.

Anche provando ad accenderlo non fa nulla (il led del pulsante accensione rimane acceso).

 

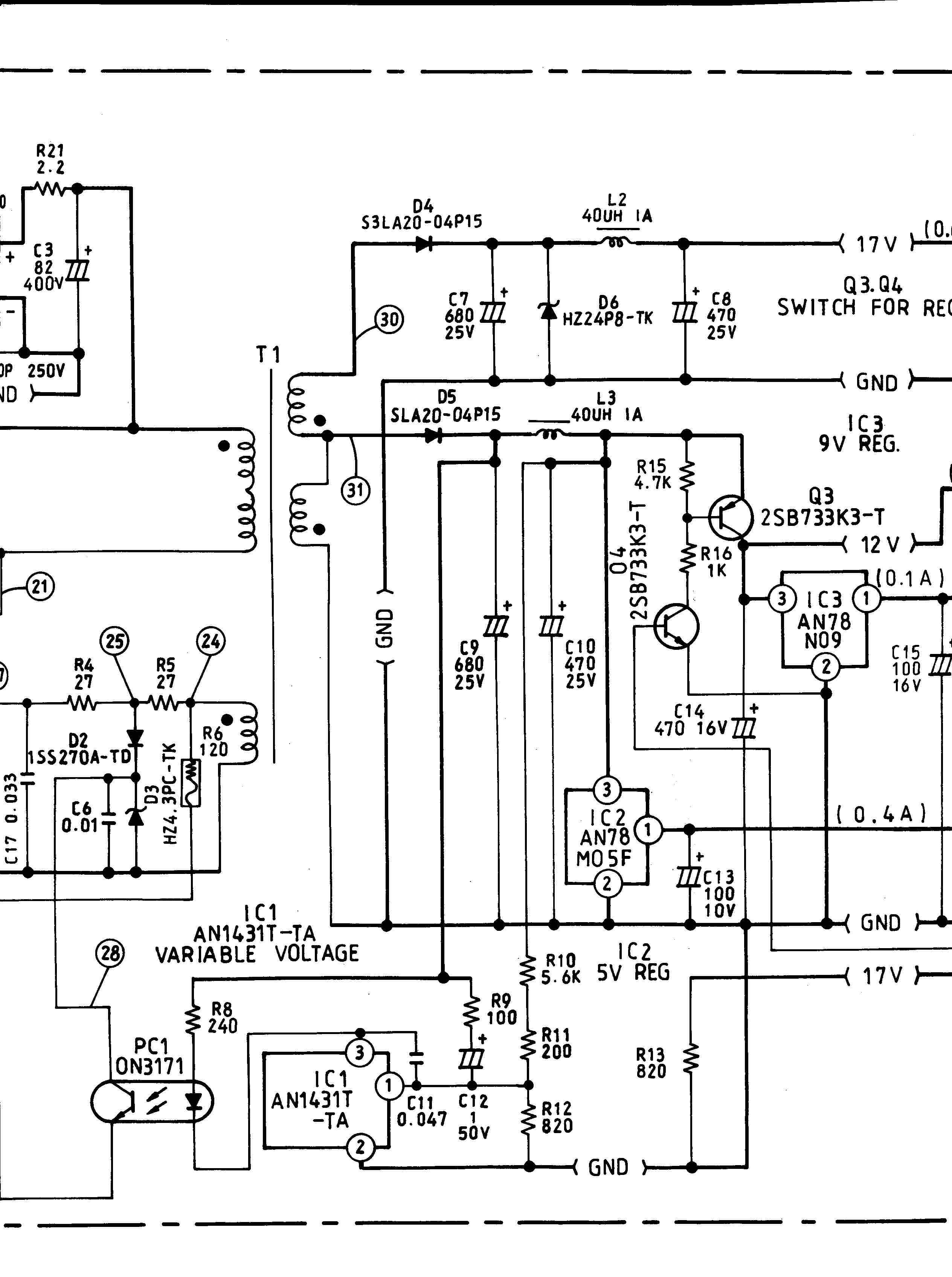
Ho letto in rete che questo problema, di solito, e' dovuto a componenti da sostituire nell'alimentatore.

 

Ho smontato tutto e controllato visivamente tutti i condensatori elettrolitici, e mi sembrano a posto.

Un paio avevano una specie di resina, li ho sostituti (680mF 25v). Una volta dissaldati li ho controllati con capacimetro e il primo e' perfetto (680) mentre il secondo era appena fuori dal limite (758).

Poi ne ho sostituito un altro (470mF 25v). Anche questo era nella norma.

 

Il lettore continua a non accendersi.

 

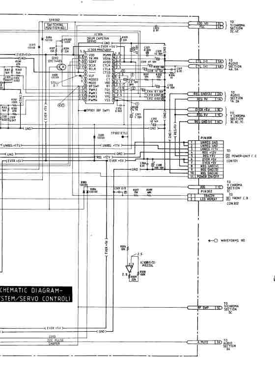
Allego schema dell'alimentatore e alcune foto.

 

Infine, visto che l'alimentatore si collega alla scheda madre (presumo) con una presa a unidici fili di cui uno rosso (quello identificato con P ON/OFF nello schema), ho provato a vedere se c'erano le tensioni indicate nello schema.

 

Ho visto che nei pin7 e 8 (9v e 12v rispettivamente), non ci sono i volt indicati (0,01 circa).

 

Avete consigli su prove o altro ? Cestino tutto ?

GRAZIE

 

 

 

01 - alimentatore cerchiato.jpeg

01 - alimentatore particolare cerchiato.jpeg

02 - scheda principale lato componenti cerchiato.jpeg

03 - meccanica interna.jpeg

aiwa hv-e101dkgps vcr schema ali_page-0001.jpeg

Riccardo Ottaviucci
Inserita:

sposto la discussione nella sezione appropriata

Inserita:

Da schema, è normale che i +9V e +12V non ci siano, poiché dovrebbero essere presenti solo ad accensione avvenuta.

L'importante è il +5V (ever, sempre, quindi presente anche in stand-by) e direi che c'è, visto il led. Ma magari è un po' basso e la CPU rimane in reset?

Se è regolare, l'accensione è decisa dal segnale al pin P ON/OFF. Se 0V, tiene bloccato il T4 che a sua volta blocca il Q3, impedendo la presenza delle due suddette alimentazioni.

Se premuto il tasto accensione non va ad almeno 0,6V c'è da controllare il circuito di comando (da dove proviene il segnale).

Non avendo il modello, né il resto dello schema, di più non posso dire.

Inserita:

chiedo scusa per aver cannato la sezione di pubblicazione...

 

 

Innanzitutto GRAZIE Ctec per la risposta...

 

il modello del lettore e' un AIWA HV-E101DKKE

 

nei due pin dell 5v ci sono 4,998v

 

E' la prima volta che apro un lettore vhs, cosa sono T4 e Q3 ?

Il circuito di comando dove lo trovo ?

 

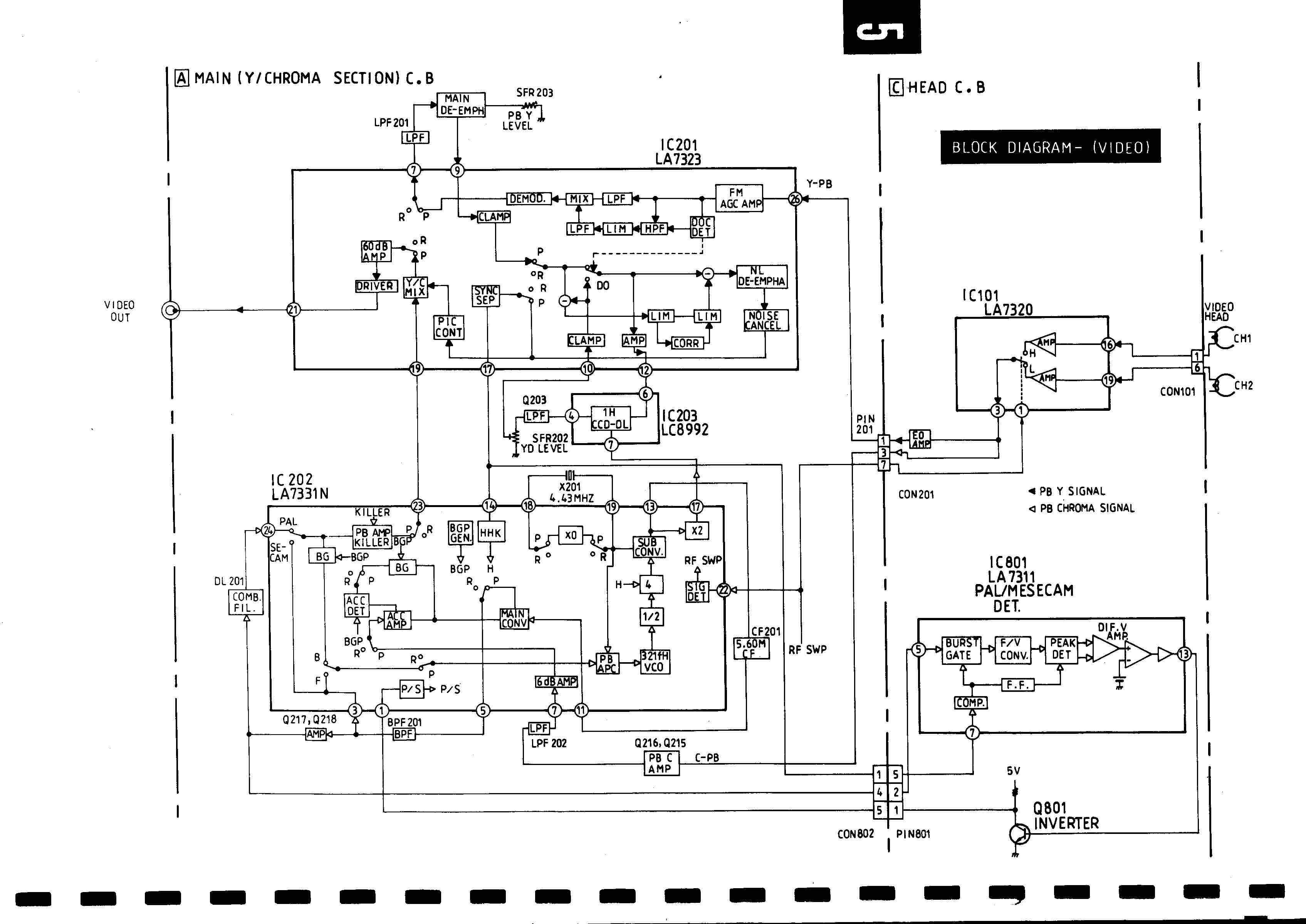
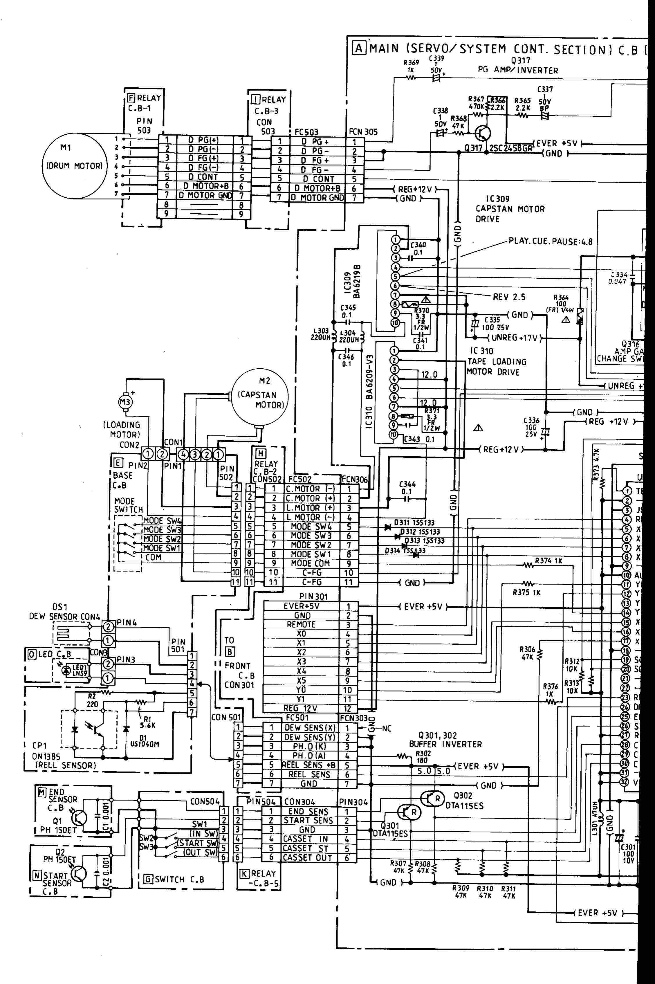
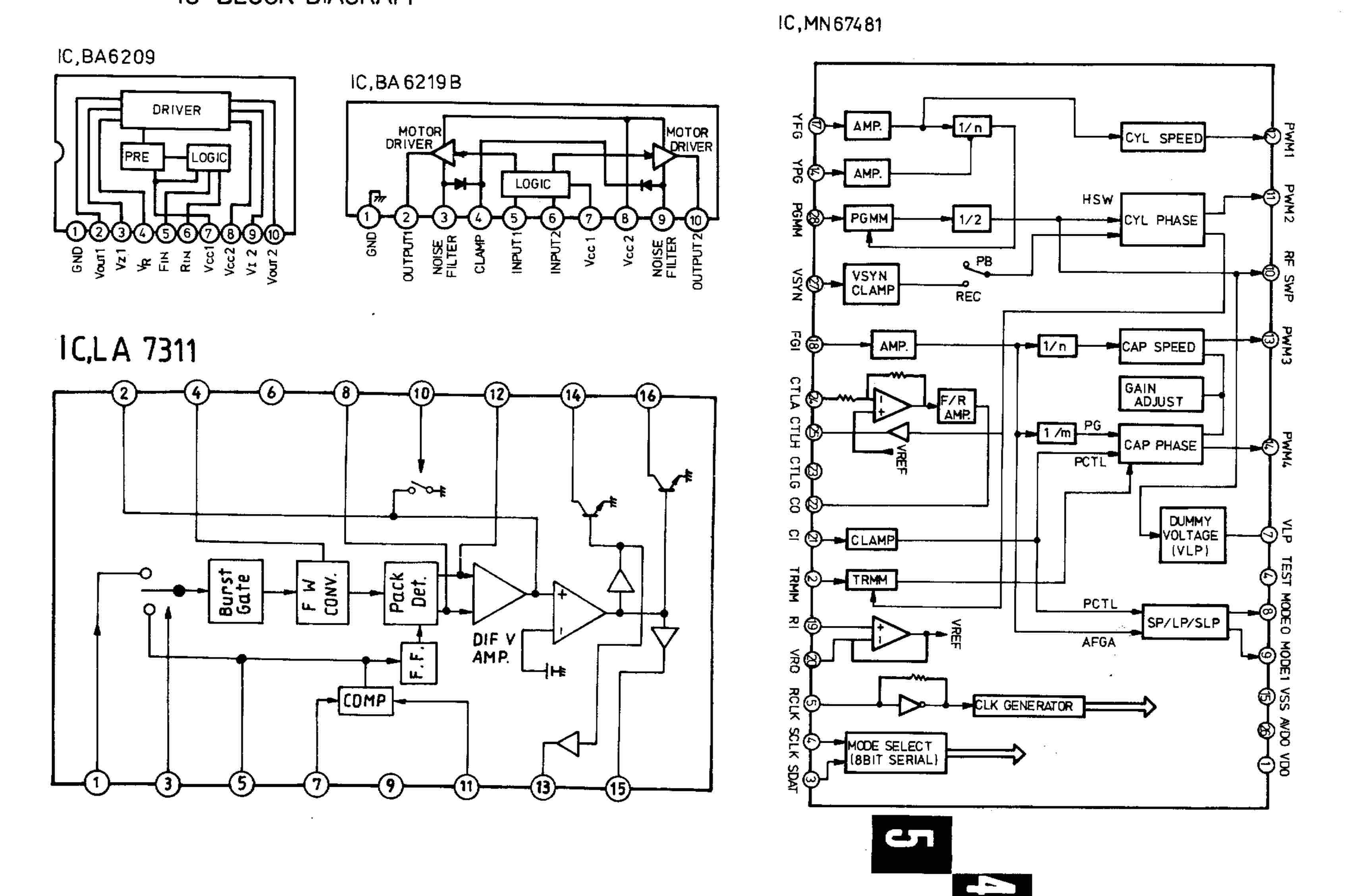
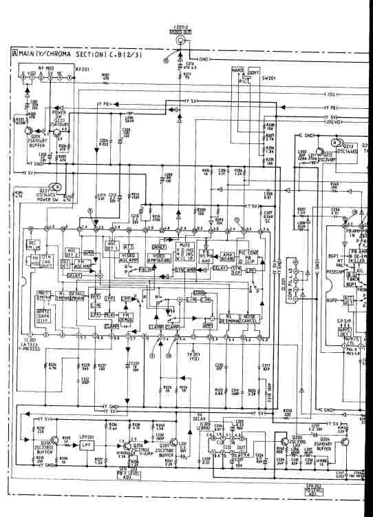
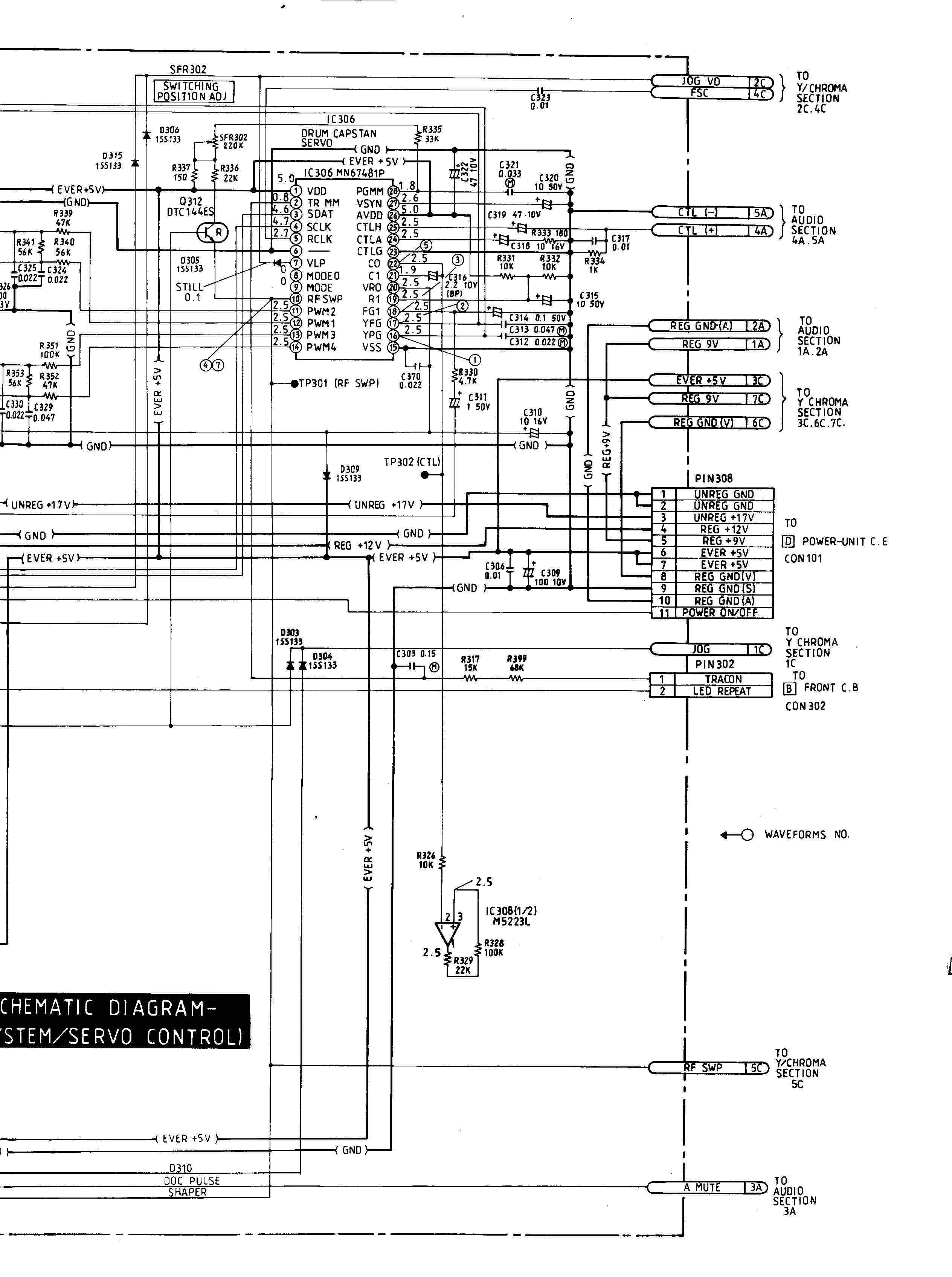
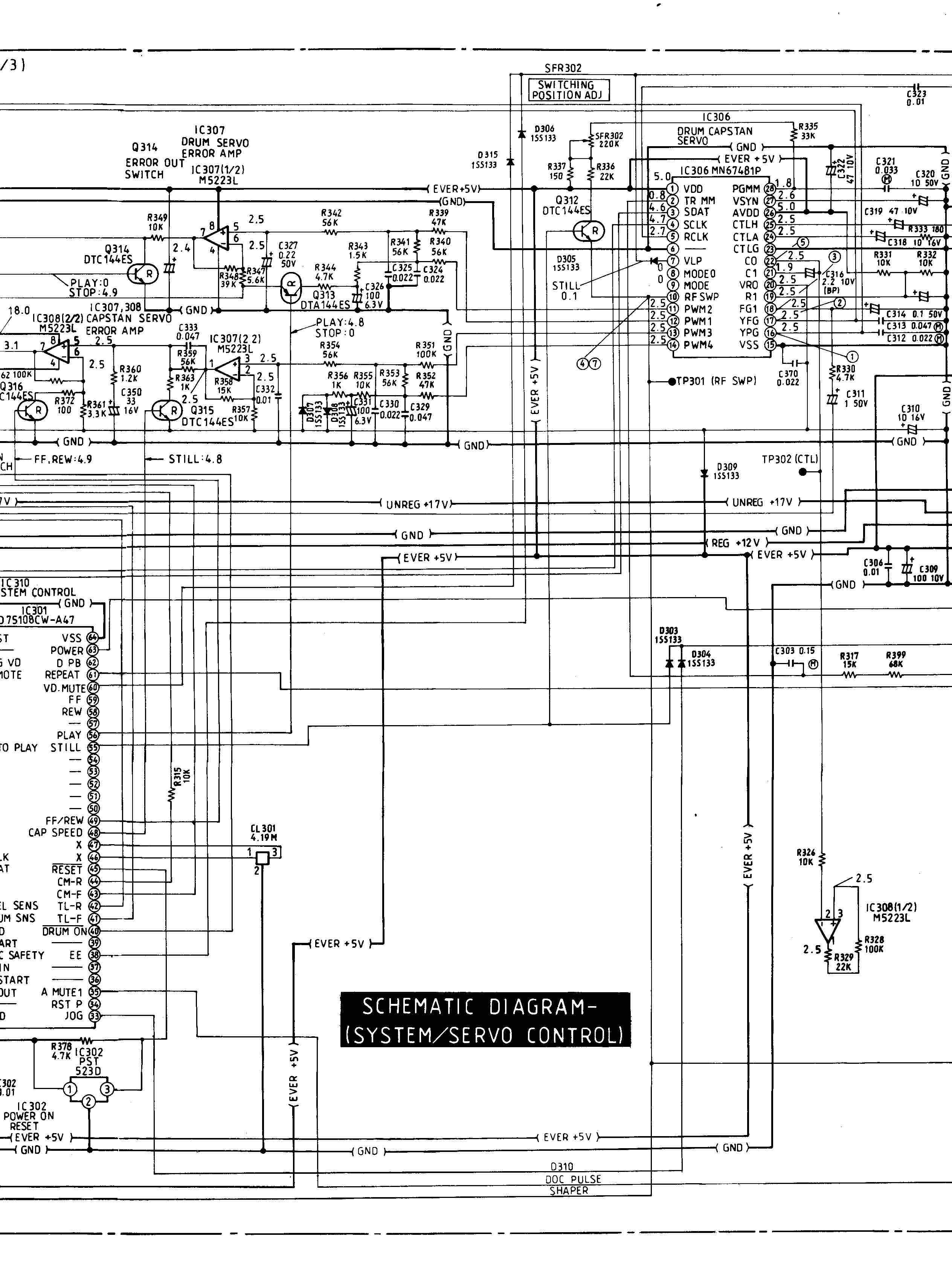
Ho guardato lo schema e mi sembra di capire che il chip con 64 piedini (IC3 ???) il piedino 63 e' quello che dovrebbe dare l'input per l'accensione ?

 

Che prove posso fare ?

GRAZIE

 

PS allego lo schema che sto guardando (perche' non sono ammessi files .pdf ? ho dovuto convertire il pdf e sono venute fuori 16 jpgs)

 

 

aiwa_hv-e101dkgps-immagini-0.jpg

aiwa_hv-e101dkgps-immagini-1.jpg

aiwa_hv-e101dkgps-immagini-2.jpg

aiwa_hv-e101dkgps-immagini-3.jpg

aiwa_hv-e101dkgps-immagini-4.jpg

aiwa_hv-e101dkgps-immagini-5.jpg

aiwa_hv-e101dkgps-immagini-6.jpg

aiwa_hv-e101dkgps-immagini-7.jpg

aiwa_hv-e101dkgps-immagini-8.jpg

aiwa_hv-e101dkgps-immagini-9.jpg

aiwa_hv-e101dkgps-immagini-10.jpg

aiwa_hv-e101dkgps-immagini-11.jpg

aiwa_hv-e101dkgps-immagini-12.jpg

aiwa_hv-e101dkgps-immagini-13.jpg

aiwa_hv-e101dkgps-immagini-14.jpg

aiwa_hv-e101dkgps-immagini-15.jpg

Inserita:

Ho sbagliato a scrivere, non T4 e Q3, ma Q4 e Q3. Essi formano sostanzialmente un interruttore (Q3) che accende o spegne l'uscita dei 12V ed il regolatore IC3 dei 9V, in base alla presenza tensione o meno alla base di Q4, quindi il filo P_ON/OFF.

Questo segnale viene dal pin 38 EE del processore IC301. Difficile sapere come funziona lui dentro...

La cosa che puoi fare è verificare che la tensione EVER +5V sia regolarmente presente ai suoi pin (altrimenti L301 potrebbe essere interrotta), e poi che il pin RESET# (negato) non sia bloccato a 0V dopo l'accensione, altrimenti la CPU è sempre in reset. Se fosse sempre a 0V, controllare lo IC302 che è il generatore di reset.

Invece di allegare un pdf, metti il link (usa la "catenina" per mettere l'indirizzo).

Inserita:

I pin 6 e 7 con il pin 2 (del connettore a 11 pin dell'alimentatore) danno 4,98v

 

nel pin 33 di IC301 ci sono i 4,98v (testato il pin 33 con il pin 2 del connettore a 11 pin dell'alimentatore)

 

nel pin 45 di IC301 (reset) (testato sempre con il pin 2) ci sono sempre 4,98v.

 

toccando il pin 45 con il cavo positivo del tester si sentono dei tac e si muove qualcosa all'entrata della cassetta (come se volesse testare la presenza), ma non la prende.

 

 

link dove ho scaricato il pdf ... https://elektrotanya.com/aiwa_hv-e101dkgps.pdf/download.html

 

Posso controllare altro ?

GRAZIE

 

 

 

 

  • 1 month later...
Inserita:

Dopo breve pausa riprendo in mano il lettore... mi chiedevo c'e' modo di dare manualmente l'impulso all'alimentatore per accenderlo ? 

 

Cioe' premendo il tasto power, la scheda madre non da' l'impulso al pin dell'alimentatore per accendere il lettore, c'e' modo per dare questo impulso a mano ? Che so cortocircuitando qualcosa ?

 

GRAZIE

Crea un account o accedi per commentare

Devi essere un utente per poter lasciare un commento

Crea un account

Registrati per un nuovo account nella nostra comunità. è facile!

Registra un nuovo account

Accedi

Hai già un account? Accedi qui.

Accedi ora
×
×
  • Crea nuovo/a...