Akacus Inserito: 8 maggio 2025 Segnala Inserito: 8 maggio 2025 Buongiorno, ho una Brionvega ts 505 rossa che utilizzo molto raramente. E' sempre funzionata perfettamente fino al mese scorso quando, l'ho collegata alla corrente e non ha più emesso alcun suono tranne un ronzio. Ho provato a cercare le frequenze ma non riesce ad agganciare più nulla sia in AM che FM e si sente solamente un flebile ronzio di sottofondo. Cosa dovrei controllare come prima cosa secondo voi? Grazie
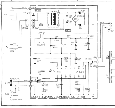
Riccardo Ottaviucci Inserita: 8 maggio 2025 Segnala Inserita: 8 maggio 2025 (modificato) lo stadio di alimentazione,dal secondario alla stabilizzazione.Se la tensione è presente probabilmente i finali sono guasti Questo è lo schema completo. Questa è la zona che devi testare Modificato: 8 maggio 2025 da Riccardo Ottaviucci
Akacus Inserita: 9 maggio 2025 Autore Segnala Inserita: 9 maggio 2025 Grazie mille per le informazioni!
Messaggi consigliati
Crea un account o accedi per commentare
Devi essere un utente per poter lasciare un commento
Crea un account
Registrati per un nuovo account nella nostra comunità. è facile!
Registra un nuovo accountAccedi
Hai già un account? Accedi qui.
Accedi ora