gettis Inserito: 8 maggio 2025 Segnala Inserito: 8 maggio 2025 Buonasera. Dovrei collegare l'induttanza Urmet 1722/112 con il rinvio di chiamata 1722/58A; non ho trovato nessuno schema dei collegamenti; qualcuno di voi gentilmente mi aiuta oppure anche un link con lo schema dei collegamenti. Grazie
Roberto Garoscio Inserita: 8 maggio 2025 Segnala Inserita: 8 maggio 2025 È indicato in fondo nelle istruzioni https://www.urmet.com/it-it/Professionista/Prodotti/Videocitofonia/Dispositivi-di-rinvio-di-chiamata/Scheda?code=1722/58A
gettis Inserita: 8 maggio 2025 Autore Segnala Inserita: 8 maggio 2025 11 minuti fa, Roberto Garoscio ha scritto: È indicato in fondo nelle istruzioni https://www.urmet.com/it-it/Professionista/Prodotti/Videocitofonia/Dispositivi-di-rinvio-di-chiamata/Scheda?code=1722/58A Non ho capito i due fili del posto esterno dove si collegano
Roberto Garoscio Inserita: 8 maggio 2025 Segnala Inserita: 8 maggio 2025 Nella !ine 2 del 1722/112, ma le istruzioni le hai lette?
gettis Inserita: 8 maggio 2025 Autore Segnala Inserita: 8 maggio 2025 Se inserisco nella line 2 dell'induttanza il posto esterno, la line1 dell'induttanza va collegata all'input del videocitofono?
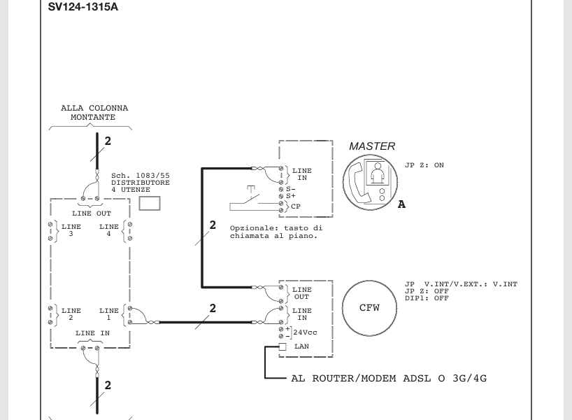
gettis Inserita: 9 maggio 2025 Autore Segnala Inserita: 9 maggio 2025 (modificato) Buongiorno Roberto. Trovato schema specifico ed ora ho tutto più chiaro. Grazie di tutto Modificato: 9 maggio 2025 da gettis
Roberto Garoscio Inserita: 9 maggio 2025 Segnala Inserita: 9 maggio 2025 Guarda che non è il tuo caso, questo è il 2Voice tutt’altra cosa, lo schema lo trovi nel link che ti ho girato, nei documenti
gettis Inserita: 9 maggio 2025 Autore Segnala Inserita: 9 maggio 2025 Ok Roberto, ora me lo studio meglio dal link che mi hai inviato. Ancora grazie
Messaggi consigliati
Crea un account o accedi per commentare
Devi essere un utente per poter lasciare un commento
Crea un account
Registrati per un nuovo account nella nostra comunità. è facile!
Registra un nuovo accountAccedi
Hai già un account? Accedi qui.
Accedi ora