Vai al contenuto
PLC Forum


Alimentatore switching home cinema Samsung HT-A100


Messaggi consigliati

Inserito:

Salve a tutti,

ho questo home cinema Samsung che ho usato per molti anni con soddisfazione e alcuni anni fa ha smesso di funzionare presumibilmente per le molte ore di funzionamento (tralascio i dettagli ma era usato quasi ogni giorno). Ad un certo punto toccando il pulsante di accensione faticava ad accendersi finché non si è proprio più acceso. Ho provato ad aprirlo per controllare e mi sono concentrato sull’alimentatore switching di cui ho trovato lo schema. Alcuni condensatori sembravano aver perso L elettrolita e pertanto li ho sostituiti. Purtroppo però non si avvia ugualmente. Qualcuno esperto di analisi circuitale potrebbe darmi qualche suggerimento per capire dove potrebbe trovarsi il problema?

Ho letto che per fare prove in sicurezza sarebbe necessario un trasformatore di isolamento. Che cosa rischio se non lo uso e alimento la scheda per fare misure col tester?

I condensatori che ho sostituito sono stati C93, C94, C95, C96, C11, C71, C73, C81, C82, CL5. A seguire inserirò foto della scheda e link allo schema.

grazie in anticipo a chi vorrà intervenire.

image.jpg

image.jpg


Inserita: (modificato)

Non trovo più il link alla pagina in cui qualche mese fa ho trovato lo schema ma vedo che cercando col codice modello o quello della scheda si trovano vari riferimenti in rete tra cui questo https://elektrotanya.com/samsung_ht-a100t-xef_ht-xa100t-xef.pdf/download.html

 

ora ricontrollando alcune cose ho notato che il CL5 che ho sostituito è da 270uF mentre lo schema dice 220uF. Potrebbe essere questo il problema? Ora non ho più sotto mano il vecchio condensatore ma l’ho sicuramente sostituito con uno della medesima capacità dell’originale quindi non capisco come mai lo schema indichi 220 invece di 270 , forse si tratta di una diversa revisione?

 

inoltre nella zona in cui penso sia colato L’elettrolita da alcuni condensatori vedo che questo ha investito i reofori  delle induttanze L81 e L71, dei diodi D81, D71 e D11 e del transistor Q44. Questi però non li ho sostituiti. È da valutare la sostituzione anche di questi componenti?

Modificato: da viarippa11
Inserita:

Quello non è elettrolita, ma colla. Non dovrebbe essere rilevante, a parte la bruttezza estetica.

Il rischio è di beccarsi una bella schicchera a 240Vac, o 310Vdc (raddrizzata). L'importante è usare puntali ben isolati e fare bene attenzione a cosa si fa, sul lato primario in particolar modo. E al condensatore grosso che deve essere ben scarico prima di toccare lo stampato da quel lato, sia sopra che sotto.

Comunque, la prima prova da fare è vedere se ci sono i circa 310V sul condensatore principale, CL15. Se assente, non arriva tensione raddrizzata, scaricare e verificare il circuito alla sua sinistra.

Se invece è presente, l'alimentatore è bloccato, probabilmente per un problema ad uno dei secondari. Controllare in particolar modo i diodi raddrizzatori.

Inserita:

@Ctec mi hai anticipato di qualche minuto!!! 😎

 

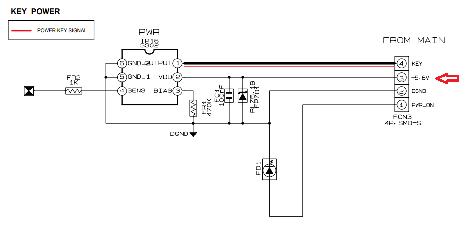
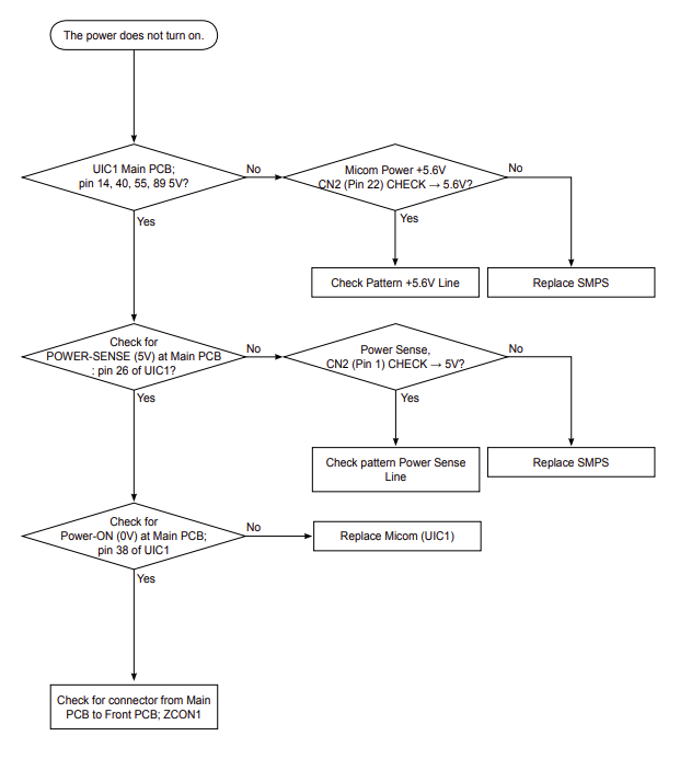
Nel SM si vede chiaramente che il pulsante POWER è del tipo TOUCH, questo è gestito da un Integrato SS02 (clicca per il datasheet), inoltre nel diagramma viene detto di controllare la 5.6V che sia presente, altrimenti il sistema non può avviarsi...

image.png.e691c590152f686ff4351db6fbdb3e53.png

image.png.1150c1e9ad09a5eb320f144d3e51985b.png

 

Hai tutte le tensioni da verificare scritte sulla PCB dell'alimentatore, comincia misurarne magari qualcuna per escludere man mano le varie sezioni...

 

!!! Presta attenzione al lato primario dove ci sono più di 310V continui provenienti dalla 230V~ raddrizzata !!!

Crea un account o accedi per commentare

Devi essere un utente per poter lasciare un commento

Crea un account

Registrati per un nuovo account nella nostra comunità. è facile!

Registra un nuovo account

Accedi

Hai già un account? Accedi qui.

Accedi ora
×
×
  • Crea nuovo/a...