beonardo Inserita: 2 ottobre Autore Segnala Inserita: 2 ottobre Il 30/09/2025 alle 15:31 , Livio Orsini ha scritto: Tensione continua ai 2 capi dell'induttanza riferita a zero volt Corrispondenza, sul punto di giunzione dei catodi, della tensione A 88MHz ed a 97MHz. fra i due capi dell'induttanza misuro 0V
Livio Orsini Inserita: 2 ottobre Segnala Inserita: 2 ottobre No Beonardo. Io mi riferivo allo schema originale con 1 diodo. Comunque anche con questo secondo schema la tensione che mi interessa è quella che misuri tra la giunzione dei catodi e quelle presente sui 2 anodi.
NovellinoXX Inserita: 2 ottobre Segnala Inserita: 2 ottobre (modificato) 9 ore fa, beonardo ha scritto: Scusa se mi permetto ma penso tu non abbia letto il post dall'inizio. Lo schema non è il primo ha gia funzionato a 5V Comunque, ripeto, non è il modo corretto di funzionamento. La tensione di alimentazione deve essere fissa e giocare con la bobina per centrare la frequenza, magari aiutandoti con una piccola ferrite per avere una maggiore escursione e facilitare la ricerca. Inoltre a 2,7 volt di alimentazione sei al limite minimo da datasheet, mi meraviglio che a tensioni inferiori il TDA7000 funzioni ancora. Modificato: 2 ottobre da NovellinoXX
ALLUMY Inserita: 2 ottobre Segnala Inserita: 2 ottobre 15 ore fa, NovellinoXX ha scritto: mi meraviglio che a tensioni inferiori il TDA7000 funzioni ancora. Diciamo che potrebbe anche lavoricchiare ma sicuramente in maniera incontrollabile. Il discorso che quando mentre la spegneva sentiva qualcosa, probabilmente era perché il varicap e tutto il cucuzzaro erano ancora vivi e casualmente la deriva dell'oscillatore locale riusciva a sintonizzare qualche stazione e il resto degli stadi a demodularla pure. Una domanda per @beonardo: forse mi è sfuggito ma come bobina hai usato un filo avvolto in aria del valore di circa 56nH?
Livio Orsini Inserita: 3 ottobre Segnala Inserita: 3 ottobre 7 ore fa, ALLUMY ha scritto: come bobina hai usato un filo avvolto in aria del valore di circa 56nH? Con il valore di capacità massimo di quel varicap la frequenza di risonanza risultante, così a occho, sarebbe di qualche ordine maggiore dei 108MHz, che è il limite superiore della FM
beonardo Inserita: 3 ottobre Autore Segnala Inserita: 3 ottobre Il 02/10/2025 alle 06:36 , NovellinoXX ha scritto: Comunque, ripeto, non è il modo corretto di funzionamento Prendo atto del giusto tuo consiglio, Ma il problema per cui ho iniziato questa conversazione è perchè funzioni solo con tensione fra 2,5 e 2,7 v . In questi limiti di tensione copro tutta la gamma. Sotto e sopra questi valori 2 /3 Vnon sintonizzi niente. Epure le tensioni rilevate fra pin centrale del potenziometro e massa, a partire da 0,2V per gli 88Mhz sino a 2,45 per 108Mhz. I 7/8 vari circuiti da mè provati hanno funzionati tutti con 5V , sia con Varicap che con variile 20PF,perchè questo no? Grazie buona giornata
beonardo Inserita: 3 ottobre Autore Segnala Inserita: 3 ottobre 14 ore fa, ALLUMY ha scritto: Una domanda per @beonardo: forse mi è sfuggito ma come bobina hai usato un filo avvolto in aria del valore di circa 56nH? Come dicevo sopra quest è i settimo o l'ottavo circuito con TDA 7000 costruito su vari schemi trovati in rete. Con la pazienza degli amici del forum sono andati tutti a buon fine. Di bobine ne ho costruite e ne ho ad aiosa. Gira , rigira parecchie hanno le stesse dimensioni, daltro canto i circuiti sono molto simili fra di loro. Ora non ricordo se qualche schema portasse ilvalore d'induttanza , mi par di ricordare che con il radioutilitarioindicatomi a suo tempo dal Dott Cicala le bobine da mè costruite " che sono quelle che sto usando" 50 / 58 nH . Ma torno a ripetere il problema da risolvere non son le bobine, sono perchè funziona solo con 2,5/ 2,7 V Sotto e sopra questi valori 2 /3 Vnon sintonizzi niente. Ciao Grazie
NovellinoXX Inserita: 3 ottobre Segnala Inserita: 3 ottobre (modificato) 34 minuti fa, beonardo ha scritto: perchè questo no? Posta una foto del circuito realizzato. Quello che esponi e' un caso anomalo, potrebbe essere che a tensione normale (5V) si inneschi una oscillazione indipendente dal circuito risonante, ma dai collegamenti tra i vari componenti; a queste frequenze anche un centimetro in più o in meno di un collegamento influisce sul funzionamento del circuito. Modificato: 3 ottobre da NovellinoXX
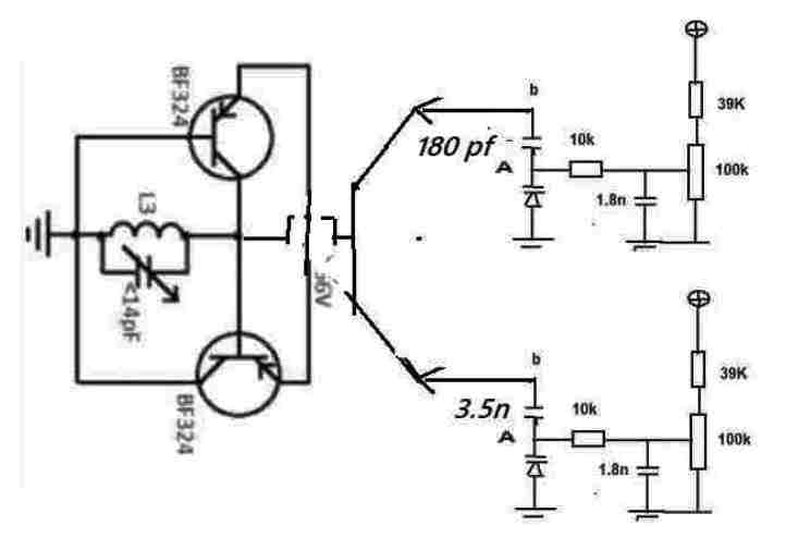
Livio Orsini Inserita: 3 ottobre Segnala Inserita: 3 ottobre 2 ore fa, beonardo ha scritto: Epure le tensioni rilevate fra pin centrale del potenziometro e massa, a partire da 0,2V per gli 88Mhz sino a 2,45 per 108Mhz. Qui stai lavorando completamente fuori caratteristica; questi varcap cominciano ad avere un valore di capacità affidabile a partire da 2V. 1 ora fa, beonardo ha scritto: che sono quelle che sto usando" 50 / 58 nH Qui ci deve essere un errore. Con 2,45V di polarizzazione inversa il varicap che stai usando ha una capacità di 13pF+/-1pF. Consideriamo 13pf , comoprensivo della serie con 1nF e applichiamo la formula di risonanza di un circuito LC. f0 = 1/(2*pi*rad(L*C)) ==> 1/(6,28*rad(13*10^(-12) * 58*10^(-9)) ==> 183,381.146,379 ==> 183,38 MHz circa. Quindi o hai delle capacità parassite in parallelo che portano la capacità a circa 30pF oppure l'induttanza totale è all'incirca 150nF; oppure un mix delle due. Potresti fare una verifica. Procurati qualche condensatore con valori di 10pF, 15pF, 20pF, 30pF; poi fai alcune prove mettendo un condensatore in parallelo alla bobina senza usare il varicap ed il condensatore da 1nF. Così verifichi su quale punto della gamma sintonizza il ricevitore. Oppure, meglio, se trovi un compensatore fisso da circa 20pF max. lo metti al posto del varicap e del condensatore da 1nF, così verifichi su quale gamma riesci a sintonizzare.
Livio Orsini Inserita: 4 ottobre Segnala Inserita: 4 ottobre Devi caricare il file in un sito di hosting o, meglio, nell'archivio files del forum. Poi usi il link con il tasto con simbolo graffetta.
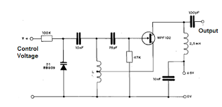
ALLUMY Inserita: 4 ottobre Segnala Inserita: 4 ottobre (modificato) Ci provo... L'ho caricato ma non so come linkarlo. Intanto il PDF che volevo linkare è questo. Trattasi dell'Application Note dell'integrato in questione, magari può essere utile. Modificato: 4 ottobre da ALLUMY
Livio Orsini Inserita: 4 ottobre Segnala Inserita: 4 ottobre 34 minuti fa, ALLUMY ha scritto: L'ho caricato ma non so come linkarlo. Lo hai già fatto!😄 il link funziona regolarmente. Però il circuito che propone questa AN è un po' differente da quello che ha realizzato beonardo. 22 ore fa, Livio Orsini ha scritto: che portano la capacità a circa 30pF Quello che mi conforta è la controprova che il circuito proposto dall'AN sui valori del circuito risonante di accordo. Infatti con 56nHy di induttore usano una capacità fissa da 27pF con in parallelo la serie tra una capacità fissa da 56pF ed un compensaore così da avere una capacità totale che dovrebe variare tra circa 45pF (88MHz) e circa 30pF (108MHz)
Messaggi consigliati
Crea un account o accedi per commentare
Devi essere un utente per poter lasciare un commento
Crea un account
Registrati per un nuovo account nella nostra comunità. è facile!
Registra un nuovo accountAccedi
Hai già un account? Accedi qui.
Accedi ora