nicolini2000 Inserito: 28 settembre 2025 Segnala Inserito: 28 settembre 2025 salve a tutti, sono un elettricista , in passato ho fatto realizzare un progetto con arduino dove gli ingressi erano LOW a negativo passando attraverso dei contatti di rele NO. Ora avrei necessita di eliminare quei rele e vorrei sostituirli con degli optoisolatori, l'unico problema è che non ho piu il sw per apportare modifiche. Mi ritrovo che con'optoisolatore non alimentato ho una uscita LOW se collegato a positivo, HIGH se collegato a negativo. Come popsso risolvere volendo la situazione dove optoisolatore non alimentato, uscita LOW collegando optoisolatore a negativo? Spero di essere stato chiaro, grazie a tutti
ALLUMY Inserita: 28 settembre 2025 Segnala Inserita: 28 settembre 2025 25 minuti fa, nicolini2000 ha scritto: ho una uscita LOW se collegato a positivo, HIGH se collegato a negativo. ??? 25 minuti fa, nicolini2000 ha scritto: Spero di essere stato chiaro No 😁 Puoi fare uno schemino?
nicolini2000 Inserita: 28 settembre 2025 Autore Segnala Inserita: 28 settembre 2025 ho provato alcune soluzion, questa puo andare? uscita LOW se pulsante aperto, HIGH se chiuso
ALLUMY Inserita: 28 settembre 2025 Segnala Inserita: 28 settembre 2025 3 minuti fa, nicolini2000 ha scritto: uscita LOW se pulsante aperto, HIGH se chiuso No, hai l'esatto contrario: se premi il pulsante "accendi" l'opto e lui col suo transistor tira a GND la tensione su A2. Però non ho capito se è questo il risultato che volevi.
nicolini2000 Inserita: 28 settembre 2025 Autore Segnala Inserita: 28 settembre 2025 esatto, voglio che, se premo il pulsante, in arduino arrivi un negativo
nicolini2000 Inserita: 28 settembre 2025 Autore Segnala Inserita: 28 settembre 2025 (modificato) a questo caso ho acquistato una scheda con 4 optoisolatori tipo pc817 https://it.aliexpress.com/item/1005009730386531.html?spm=a2g0o.order_list.order_list_main.58.21ef3696Je7Ra5&gatewayAdapt=glo2ita, scheda a basso costo, dove su alcuni forum viene spiegato che il ponticello deve essere eliminato in quanto mette insieme le masse IN/OUT e quindi non piu isolata Modificato: 28 settembre 2025 da nicolini2000
Livio Orsini Inserita: 29 settembre 2025 Segnala Inserita: 29 settembre 2025 7 ore fa, nicolini2000 ha scritto: dove su alcuni forum viene spiegato che il ponticello deve essere eliminato in quanto mette insieme le masse IN/OUT e quindi non piu isolata È quasi certamente corretto. Per avere la certezza verifica le due piste che arrivano al jumper e vedrai che si collegano ai morsetti "gnd" di ingresso e di uscita.
max.bocca Inserita: 29 settembre 2025 Segnala Inserita: 29 settembre 2025 Di quelle schede 2/4/8 parti per PCB c'è anche lo schema che vedi esattamente cosa serve il jumper. Principalmente erano per convertire ingressi con positivo ad apparati con ingresso attivo a low (tipo ingresso definito NPN), con possibilità di avere tensioni diverse tra campo e logica.
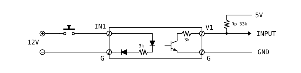
Claudio F Inserita: 29 settembre 2025 Segnala Inserita: 29 settembre 2025 (modificato) Però se lo schema è quello visibile in questo sito, è piuttosto una pork... Potrebbe comunque essere usato in questo modo (la Rp serve solo se non è attiva la resistenza di pull-up interna di Arduino) Modificato: 29 settembre 2025 da Claudio F
nicolini2000 Inserita: 29 settembre 2025 Autore Segnala Inserita: 29 settembre 2025 Grazie a tutti per le risposte, quindi se ben capito potrei omettere la resistenza Rp se attiva interna ad arduino. In effetti non ci sono resistenze nel vecchio circuito
Messaggi consigliati
Crea un account o accedi per commentare
Devi essere un utente per poter lasciare un commento
Crea un account
Registrati per un nuovo account nella nostra comunità. è facile!
Registra un nuovo accountAccedi
Hai già un account? Accedi qui.
Accedi ora