Vai al contenuto

Azionamento di attutatori pneumatici paralleli sincroni


Messaggi consigliati

nonMIcontrollo
Inserito: (modificato)

Ciao

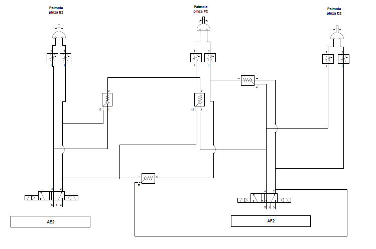
mi trovo a fare un impianto pneumatico in cui ho tre attuatori oscillanti che devono muoversi in modo sincrono a coppie con una sempre in servizio. Mi hanno sempre detto che per ogni movimento si usa una sola valvola (biderezionale per sapere lo stato), quindi quando ho due attuatori che si devono muovere in modo sincrono è preferibile usare una sola valvola, questo perche il PLC per qualche motivo potrebbe avere dei ritardi a mandare il segnale di azionamento o non mandarlo proprio e uno dei due potrebbe partire prima rispetto all'altro o non partire proprio in caso di una valvola per ognuno, senza che poi il plc non possa sapere l'effettivo stato(cosa che mi fa strano perche ho i sensori di fine corsa sugli attutatori).

 

Per questa applicazione ho abbozzato questo schema, non so sia giusto o abbia senso, più che altro ho il presintemento che su carta funziona ma poi nella realtà posso avere le sue difficoltà da renderlo inneficace. Volevo chiedere se ha senso avere sempre una valvola per ogni movimento e se il segnale del ritardo sia un possibile rischio, perche sarebbe tremendamente più semplice con tre valvole, ognuna per ogni attuattore

 

 

 

 

 

Screenshot 2025-09-30 171007.png

Modificato: da nonMIcontrollo

Crea un account o accedi per commentare

Devi essere un utente per poter lasciare un commento

Crea un account

Registrati per un nuovo account nella nostra comunità. è facile!

Registra un nuovo account

Accedi

Hai già un account? Accedi qui.

Accedi ora
×
×
  • Crea nuovo/a...