xky1980 Inserito: 11 ottobre 2025 Segnala Inserito: 11 ottobre 2025 Buonasera a tutti, vorrei sapere se su due Urmet 1133/15 universale si può effettuare la chiamata intercomunicante tra i due dispositivi. Esiste un tasto aggiuntivo in basso a destra con i morsetti G/T e T1. Mi sapreste indicare i collegamenti? Ma soprattutto posso usare i componenti già esistenti (es. Ronzatore chiamata esterna) o devo aggiungere componentistica? Grazie mille per le eventuali risposte.
xky1980 Inserita: 21 ottobre 2025 Autore Segnala Inserita: 21 ottobre 2025 Quote Buongiorno, nessun suggerimento? Sapete se esiste della documentazione? Grazie.
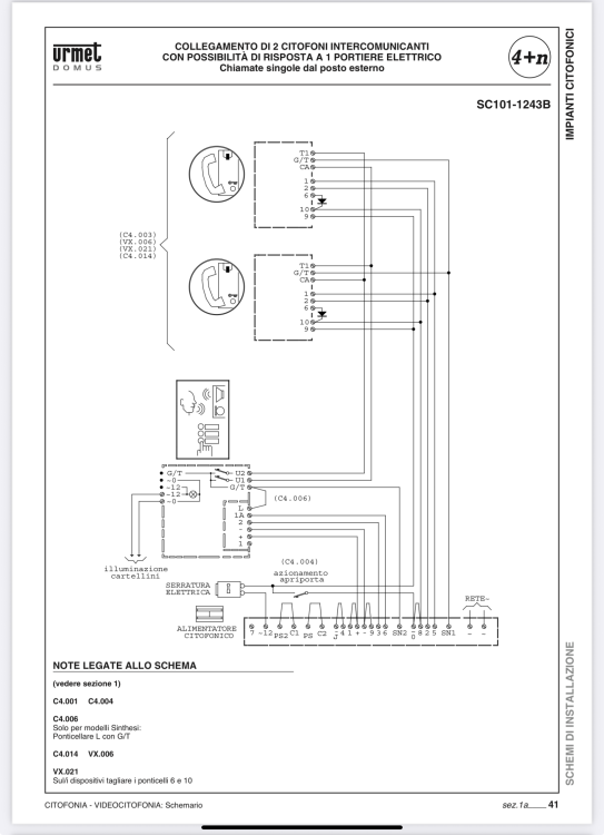
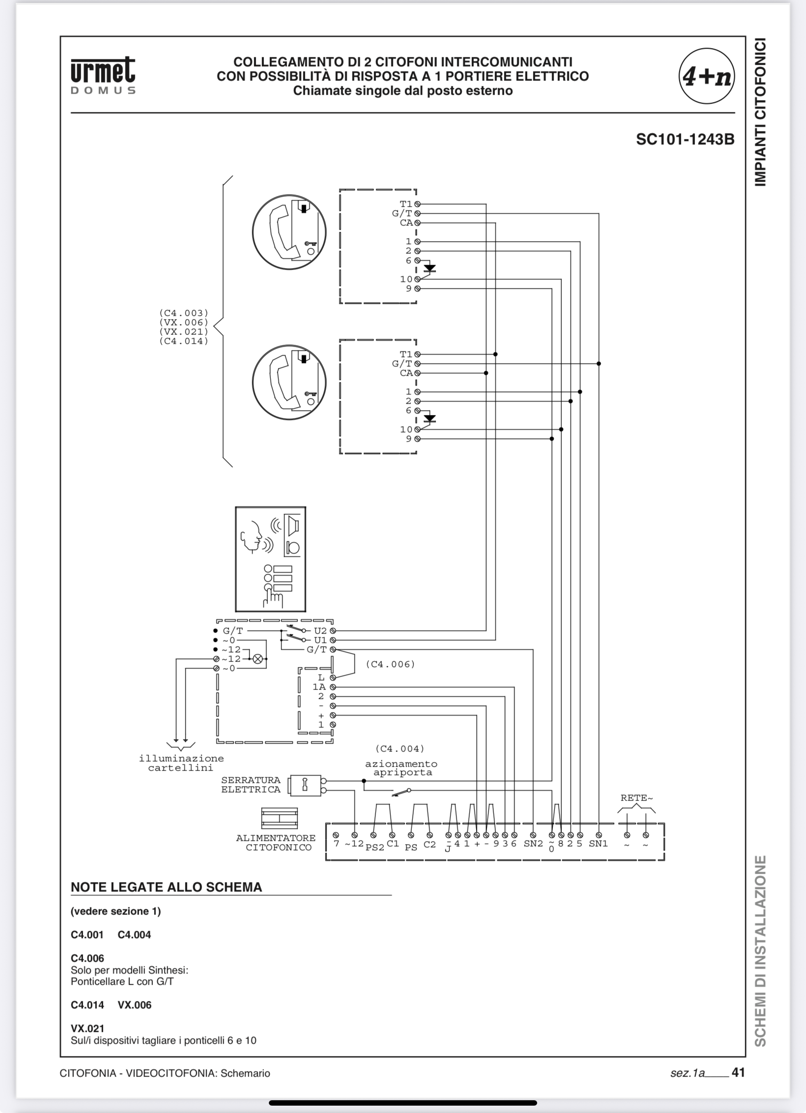
Roberto Garoscio Inserita: 21 ottobre 2025 Segnala Inserita: 21 ottobre 2025 Per fare due intercomunicanti aggiunti al posto esterno? Non è proprio una cosuccia ecco lo schema.
xky1980 Inserita: 23 ottobre 2025 Autore Segnala Inserita: 23 ottobre 2025 Ciao, grazie per la risposta. Scusa la domanda ma non sono esperto, ma quindi per creare due citofoni intercomunicanti devo interfacciarmi con l'alimentatore principale? Nel senso, non basta che i due posti interni si interfaccino tra di loro?
Roberto Garoscio Inserita: 23 ottobre 2025 Segnala Inserita: 23 ottobre 2025 Certo che sì, altrimenti tutto quello che dite all’interno si sente anche fuori.
xky1980 Inserita: 24 ottobre 2025 Autore Segnala Inserita: 24 ottobre 2025 Capisco, allora mi sa che lascio perdere. Grazie.
Messaggi consigliati
Crea un account o accedi per commentare
Devi essere un utente per poter lasciare un commento
Crea un account
Registrati per un nuovo account nella nostra comunità. è facile!
Registra un nuovo accountAccedi
Hai già un account? Accedi qui.
Accedi ora