Vai al contenuto
PLC Forum


LG 47PFL5603D


Messaggi consigliati

Inserito:

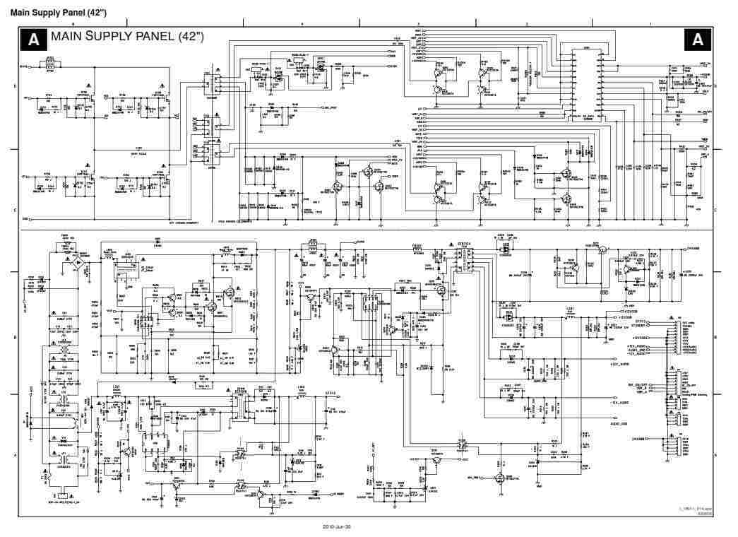
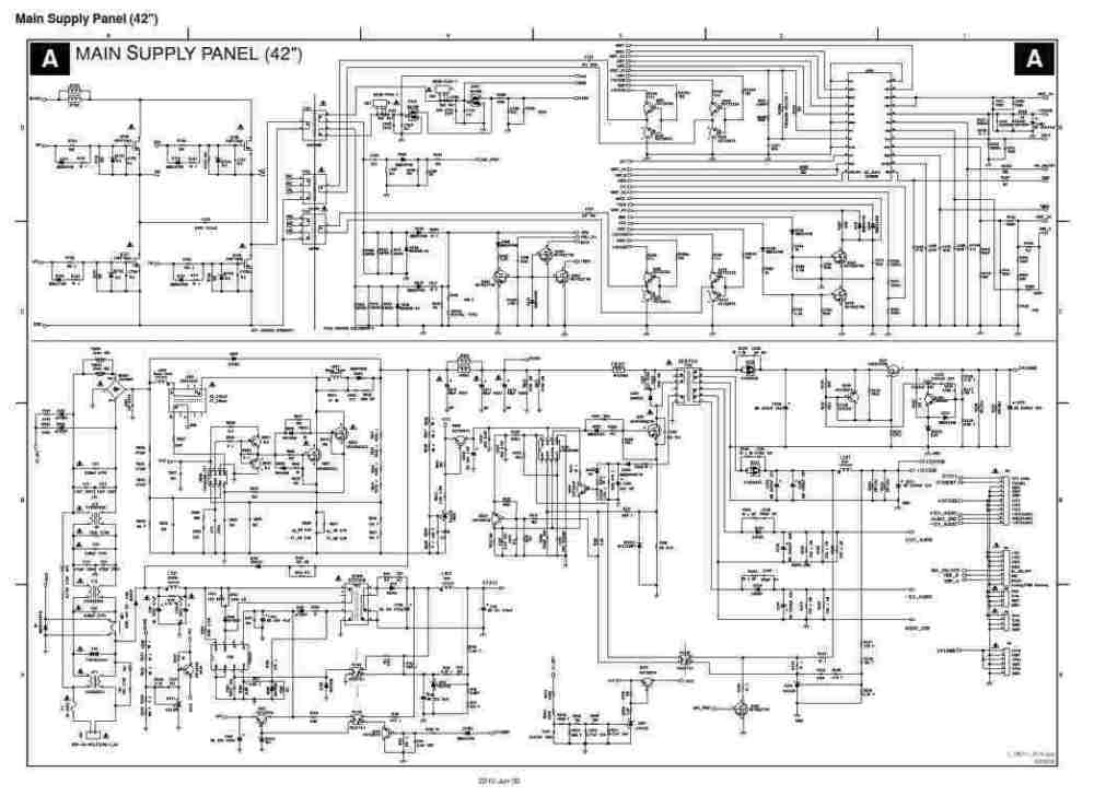
Apro questo post perché ho un guasto in un televisore LG, modello 47PFL5603D

 

Ho individuato che la resistenza R5 era bruciata, così come il fusibile F101.

 

Ho sostituito entrambi gli elementi, ma continua a bruciarsi la resistenza R5. 0,5W e 4,7 ohm. Credo… che questo sia il valore corretto, ma non ne sono sicuro perché quella originale è bruciata.

 

Ho trovato un post di un collega con lo stesso televisore, in cui avevano caricato lo schema elettrico, ma la qualità è bassissima e non si riescono a leggere i testi.

 

Cos’altro potrei controllare per capire perché mi brucia la resistenza R5?

 

 

Grazie mille, sono abbastanza bravo con i lavori manuali, ma l’elettronica, tra resistenze e diodi, mi sfugge un po’.

 

Grazie!!

 

Álvaro

IMG_1424.jpeg

IMG_1421.png

IMG_1418.jpeg

IMG_1422.jpeg


Riccardo Ottaviucci
Inserita:

dovrebbero trovarsi in rete dei kit di riparazione per alimentatori,anche LG,fai un giro con Google

illogatto
Inserita:

Il tv comunque e' un Philips non LG

Crea un account o accedi per commentare

Devi essere un utente per poter lasciare un commento

Crea un account

Registrati per un nuovo account nella nostra comunità. è facile!

Registra un nuovo account

Accedi

Hai già un account? Accedi qui.

Accedi ora
×
×
  • Crea nuovo/a...