Tutte le attività
- Nell'ultima ora
-
Jacopo2503 ha aderito alla comunità
-
Aiuto per sostituzioni motori apertura automatica serra
a321680 ha risposto a Galma81 alla discussione in Motori - Generatori
Provo a fare un po di chiarezza: lo schema di potenza qui pubblicato si riferisce al comando avanti indietro di un motore con entrambi gli avvolgimenti uguali, cioè avvolgimento di marcia e ausiliario da usare indifferentemente, bastano i tre fili, se il motore installato ha gli avvolgimenti diversi, cioè una di marcia e uno ausiliario con caratteristiche diverse bisogna modificare il cablaggio, perché l'avvolgimento di marcia deve rimanere alimentato diretto dalla linea e quello ausiliario sempre alimentato attraverso il condensatore, l'inversione di marcia si realizza invertendo un avvolgimento rispetto all'altro, cosa molto semplice da realizzare senza cambiare il motore, oppure se la ditta preferisce cambiare il motore per non sostituire i cavi e le modifiche al cablaggio del quadro, lo deve fare per consegnare il lavoro finito e a regola d'arte. -
messa a terra ferro struttura casa: SI o NO e come misurare la resistenza di terra
click0 ha risposto a kym alla discussione in Progettazione impianti elettrici civili e terziario
le norme ti dicono anche che i dispersori si influenzano anche tra loro se vicini... -
Basculante che non si apre bene
simuffa ha risposto a Edoardo 007 alla discussione in Cancelli elettrici
Condivido in pieno.. io spenderei qualcosa di più ma metterei marche dove trovi i ricambi. Se vuoi proprio il kit da 226 devi guardare se 3 metri di corsa possono bastare, per porte normali bastano, ma misura la corsa vecchia.. -
Aiuto per sostituzioni motori apertura automatica serra
Galma81 ha risposto a Galma81 alla discussione in Motori - Generatori
Grazie a tutti delle risposte. Avrei voluto rispondervi prima, ma dal mio telefono il sito non funzionava correttamente. Provo a spiegarmi meglio. I motori sono nuovi, la serra è nuova. Le finestre non sono mai state aperte. Chi mi ha montato la serra, ha montato anche i motori e ha fornito la centralina (e nel frattempo ha combinato dei grossi pasticci con i vetri, criccandone una buona parte). E' arrivato l'elettricista, ha provato a collegare centralina e motori e non ci è riuscito. Allorché si è interfacciato con quello della serra, il quale ha riconosciuto che ha fornito dei motori sbagliati ("il rappresentante me li ha mandati sbagliati e non mi sono accorto") ed inizialmente si è reso disponibile a sostituirli. Inutile dire che ora non è più disponibile e non mi risponde al telefono... Io però ho delle piante a cui tengo molto li dentro e DEVO risolvere la cosa in fretta. Mandargli una lettera dall'avvocato è meno urgente... Ho un preventivo di spesa dell'elettricista per sostituire i 3 motori di 1200€ + iva, che non sono pochi, per me. Ho aperto la discussione per avere un'indicazione su quali motori cercare (un codice sarebbe l'ideale) per farmi qualche preventivo in più e magari risparmiarci un po'. Se addirittura mi dite che posso evitare di cambiare i motori, tanto meglio, posso dire all'elettricista (o cercarne uno migliore) cosa provare fare... Io vorrei darvi tutte le informazioni che mi chiedete, a Livio che mi chiede "come avvengono i comandi dei motori", io non sono sicuro di capire la domanda... La centralina è dotata di sensori e ha un display in cui programmare le aperture chiusure in base a determinate condizioni. Il tutto deve funzionare in automatico. Ma non credo sia questo che mi chiedi... Oggi ho fatto alcune altre foto: - Uno dei motore smontato. - L'interno della centralina. - L'interno della centralina, lato coperchio. - L'esterno della centralina. Quali altre informazioni posso darvi per esservi utile? -
Motore automazione deimos kit sblocco difettoso
saltimbanco ha risposto a saltimbanco alla discussione in Cancelli elettrici
Bene Maurizio per l'unione dei post l'aver scoperto i guasti in momenti successivi mi ha spinto a crearne due, con titoli appropriati. Comunque un problema è risolto, il difetto della mancata chiusura come era evidente dipendeva da la coppia di foto interne, in particolare dal trasmettitore in avaria che in un primo tempo avevo sostituito con uno che credevo funzionante, ma purtroppo non lo era e mi ha fuorviato, grazie comunque a Roby per il suo instancabile supporto che mi ha messo sulla giusta via. Per quanto riguarda il motore, vedrò di raccogliere tutti gli elementi utili a identificarlo, mentre mi correggo dicendo che i salti di accoppiamento si avvertono sia in chiusura che in apertura, allego link per esempio, all'inzio del movimento si sentono distintamente alcuni salti di accoppiamento https://drive.google.com/file/d/1T3aTY_uLdsNFWtZFDMYDSbjVOqtid2-s/view?usp=sharing Saluti -
Grundig RRCD-4300
effesse72 ha risposto a effesse72 alla discussione in Radio - Stereo - Autoradio - HiFi - CD - DVD
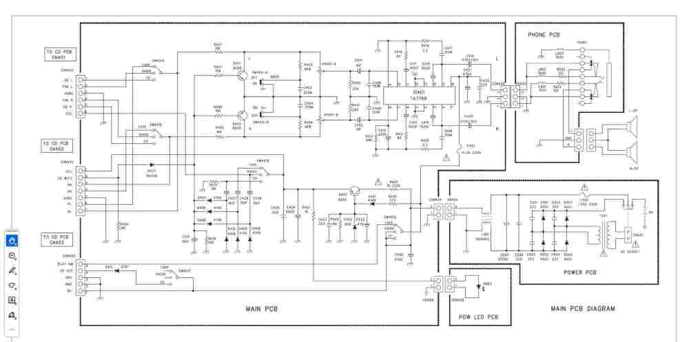
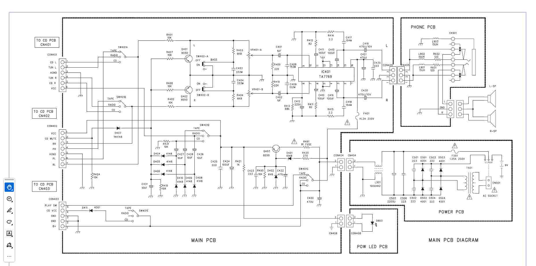
Ragazzi, guardando bene la foto che mi ha evidenziato NovellinoXX più sopra, mi viene in mente che questo PCB GRUNDIG potrebbe avere il Loudness separato per i canali Sinistro e Destro, dato che sia la piazzola #3 che la #7 (quella che è da sola e sfalzata) alla fine vanno a massa insieme, dopo aver incrociato le reti RC dei filtri. Vi metto anche lo schema che per voi guru è come lo spartito per chi sa leggere la musica 😇. In particolare la numerazione delle piazzole partendo dall' alto verso il basso (ho girato l'immagine) potrebbe essere questa a me risultante che ho riportato qui sotto? Me la confermate oppure io non ci capisco veramente una beata mazza?? Vi dico questo perché prima di saldare i 6 fili sulle piazzole del PCB, quando avevo saldato il potenziometro Cinese in modo pin-to-pin, a me sembrava che il Loudness funzionasse, anche se il volume restava sempre altissimo. Ora dopo che ho saldato i 6 fili ai pin del potenziometro Cinese, incrociandoli come scritto negli altri messaggi, sembra che il Loudness non funzioni più. Non dovrebbero aumentare le frequenze medio-basse a volume basso premendo l'apposito tastino sul PCB? Grazie ancora per tutto e buona notte a tutti voi. Piazzola # Funzione Destinazione / Note 1 IN L Ingresso Canale Sinistro 2 IN R Ingresso Canale Destro 3 GND / TAP L Collegata a Massa (Filtro Loudness L) 4 OUT L Uscita (Wiper L) verso il TA7769P 5 GND Massa Comune Centrale 6 OUT R Uscita (Wiper R) verso il TA7769P 7 (Solo) GND / TAP R Collegata a Massa (Filtro Loudness R) -
Aiuto per sostituzioni motori apertura automatica serra
simuffa ha risposto a Galma81 alla discussione in Motori - Generatori
Ciao, in pratica state dicendo tutte le possibilità: 1 - cambi motori 2 - aggiungi relè esterni per ogni motore (come dice Livio) 3 - brutta modifica ai collegamenti dell'inversione sui relè interni all'apparecchiatura (perderesti sia certificazione che garanzia) 4 - 😆 -
Basculante che non si apre bene
Edoardo 007 ha risposto a Edoardo 007 alla discussione in Cancelli elettrici
Grazie @Maurizio Colombi, quella dei fori lo so, e non è un problema, il dubbio era se il kit linkato fosse idoneo alla mia sezionale o meno e quindi intercambiabile con il mio attuale. No Maurizio, ti sbagli, quello da 175,00 ha comunque il kit di sgancio, quello da 226,00 ha quello delle serrande a contrappeso, guarda le due schede e capirai cosa intendo; https://cdn.shopify.com/s/files/1/0574/2601/8495/files/UNIKO.pdf https://cdn.shopify.com/s/files/1/0574/2601/8495/files/UNIKOAT7070.pdf questo sotto è quello da 226,00: https://cdn.shopify.com/s/files/1/0574/2601/8495/files/UNIKO.pdf https://cdn.shopify.com/s/files/1/0574/2601/8495/files/UNIKOAT7070.pdf https://cdn.shopify.com/s/files/1/0574/2601/8495/files/SBLOCCO_A_MANIGLIA_UTILE.pdf -
Bosch WFF 1100 II con motore che si surriscalda
a321680 ha risposto a sabbag alla discussione in Lavatrici - Asciugabiancheria
Sabbag, a questo punto, visto che il motore è smontato, potresti provare gli avvolgimenti di statore usando un trasformatore a 12 V; alimenti un semi avvolgimento di statore e misuri l'altro in questo modo vedi se ci sono spire in corto. Per provare il rotore esiste un prova indotti a campo magnetico, ma lo trovi presso una officina elettromeccanica. Dalla foto non necessita di rettifica, il collettore eventualmente necessita di una lucidatura con pietra pomice finissima mentre funziona a banco. Ti faccio notare che un collettore è considerato perfetto quando il suo colore è nero (o molto scuro). Il nero si ottiene dopo ore di funzionamento e in questo è indicazione che le spazzole pattinano e commutano perfettamente. - Oggi
-
Caldaia Cosmogas bms
anguspap ha risposto a franciclemente815 alla discussione in Guasti/Problemi Riscaldamento
Se vuoi spendere una 50 di euro per schede simili alle quali puoi prendere i due componenti ti giro i link -
Basculante che non si apre bene
Maurizio Colombi ha risposto a Edoardo 007 alla discussione in Cancelli elettrici
Certo, dovrai fare nuovi fori per i fissaggi. Non credere di togliere la vecchia e rimettere la nuova come si toglie una lampadina. Lo sgancio non riguarda il fatto che sia una sezionale o una basculante o qualcosa d'altro, lo sgancio è fortemente utile in ogni caso, soprattutto se quel portone automatico è l'unico accesso al locale. -
Bosch WFF 1100 II con motore che si surriscalda
Lockeid ha risposto a sabbag alla discussione in Lavatrici - Asciugabiancheria
Salve. Per capire se il motore è ancora funzionante andrebbe fatto girare a banco e verificare se dal collettore escono fiammate. Ammesso che sia ancora buono, il collettore andrebbe rettificato perchè in alternativa rovinerà le spazzole in poco tempo. Saluti -
ferfit ha iniziato a seguire scambiatore in ghisa caldaia imar PMB 35
-
scambiatore in ghisa caldaia imar PMB 35
ferfit ha inserito una discussione in Guasti/Problemi Riscaldamento
Ciao, è già la seconda volta che devo spegnere e riaccendere la caldaia perché corre acqua fredda avendo aperto il rubinetto acqua calda. Inoltre è più difficile miscelare acqua calda e acqua fredda e nel cercare la miscelazione giusta prima arriva troppo calda e poi troppo fredda. E' opportuno fare un lavaggio dello scambiatore a piastre in modo da eliminare il calcare prima che sia completamente ostruito? Grazie -
Giuseppe_1968 ha iniziato a seguire Ciclo For/Next
-
Buona sera. Mi chiamo Giuseppe e sono nuovo del Forum, lavoro presso una società di costruzione impianti ascensori mi occupo della parte elettrica in generale e dei programmi degli impianti su cui montiamo dei Plc della Omron e della Siemens a seconda del modello e delle specifiche. "Premessa NON sono un Programmator mi arrangio un pò" Vi vorrei sottoporre un problemino a cui non riesco a trovare soluzione, cerco di spiegarvi la mia applicazione: Per un cliente ho creato un programma per inserimento di una password utilizzando i pulsanti della cabina, con quattro pulsanti creo una password a 4 cifre la prima pressione crea le Migliaia poi le Centinaia e via cosi il valore viene verificato e se corretto trovato si attivano le uscite interessate. Nel HMI vengono scritte le 72 password necessarie appoggiate ad altrettante Dword Le password vengono digittate in un HMI NB7 che dialoga con plc CP2E-N40DR-D, quando si memorizza la password i singoli Digit vengono verificati in un ciclo For/Next per ogni singolo Digit il valore non deve essere <1 e >4 in caso di errore viene ripristinato valore precedente, e anche qui tutto regolare. Il problema sta nella verifica di password presente/libera ho creato nuovo ciclo For/Next per verifica usato o libera, il civlo viene eseguito ma non da mai un risultato, ci sto diventando pazzo. qualcuno potrebbe spiegarmi il motivo? Se necessario posso mandare il File del plc Vi ringrazio anticipatamente Giuseppe
-
messa a terra ferro struttura casa: SI o NO e come misurare la resistenza di terra
kym ha risposto a kym alla discussione in Progettazione impianti elettrici civili e terziario
Io li ho messi lungo il perimetro: la norma parla di distanza minima tra di loro equivalente alla loro lunghezza. Ho una linea di 25mt Non sono le mie nelle foto. -
Fabio96 ha iniziato a seguire OPC UA: macchina Server o Client verso MES?
-
Salve a tutti, vorrei proporvi una riflessione legata all’integrazione del protocollo OPC UA nella comunicazione tra macchinari industriali e sistemi gestionali (MES). Nella mia esperienza ho sempre lavorato con l’impostazione che ritengo più classica: il dispositivo macchina configurato come OPC UA Server, che espone le proprie variabili, e il MES configurato da terze parti come Client che si collega per leggere e, se necessario, scrivere dati. Questa è l'unica configurazione che ho visto ed è sempre andata bene a tutti, in centinaia di impianti. Ora però mi trovo in una situazione diversa: il nuovo dispositivo, che dovrei integrare su tutti i macchinari che escono dalla fabbrica, può operare esclusivamente in modalità OPC UA Client. Questo cambia completamente il paradigma, perché a quel punto dovrebbe essere il MES a funzionare come OPC UA Server, al quale il dispositivo si collega per scambiare i dati. Mi chiedo quindi quanto sia realmente diffuso o consigliabile questo approccio: È una variante normale ma semplicemente meno comune? I MES moderni possono operare come OPC UA Server? O potrei avere obiezioni da parte degli integratori? Mi interessa soprattutto capire se qualcuno ha già adottato con successo un modello in cui il dispositivo è solo Client e il sistema gestionale fa da Server, e quali implicazioni pratiche avete riscontrato. Grazie a chi vorrà condividere la propria esperienza.
-
messa a terra ferro struttura casa: SI o NO e come misurare la resistenza di terra
Marco Fornaciari ha risposto a kym alla discussione in Progettazione impianti elettrici civili e terziario
Onestamente più che del neutro e della terra, mi preoccuperei di quelle fondamenta. Da noi non si fanno così manco per il pollaio. -
Aiuto per sostituzioni motori apertura automatica serra
Marco Fornaciari ha risposto a Galma81 alla discussione in Motori - Generatori
Livio, spiacente ma guarda bene la pagina dello schema di potenza, si vede subito che che da fase e neutro si passa a: fase avant- neutro-fase indietro, quindi motore a due avvolgimenti. Qualcuni di quegli impianti li ho automatizzati in capannoni, e pure evevo un abbaino dove abitavo prima. Con i motori attualmente installati servono 4 fili + la terra, e anche lì non è roba nuova per me. -
Cancello a due ante con scheda Fadini Elpro9, un'anta si apre/chiude lentamente
jacoscar ha risposto a jacoscar alla discussione in Cancelli elettrici
Quindi i condensatori sono in parallelo con i motori? Scambiando dove è attaccato il motore non è che gira al contrario? -
Basculante che non si apre bene
Edoardo 007 ha risposto a Edoardo 007 alla discussione in Cancelli elettrici
Roby, ma al di là della marca che a te non piace, tecnicamente l’automazione da 175,00 da me linkata e’ intercambiabile con il mio? La differenza con quello da 226,00 l’ho capta da solo, sono le fotocellule, lampeggiante e il kit di sgancio per serrande che a me non interessa in quanto è una sezionale. -
Problema dual split bosh - accendo uno e si scalda/raffredda anche la batteria dell'altro
click0 ha risposto a 123benny alla discussione in Guasti/Problemi Climatizzazione
certo che si... -
Giuseppe_1968 ha aderito alla comunità
-
Grazie Livio. In effetti anch'io pensavo di trovare un monofase, magari anche un po' più potente. Comunque vedo come gira configurandolo così come mi hai scritto. Grazie ancora per il consiglio. Buona serata! Roberto
-
Basculante che non si apre bene
ROBY 73 ha risposto a Edoardo 007 alla discussione in Cancelli elettrici
Allora se li hai tolti dalla cinghia, non possono essere le fotocellule, magari sono una sorta di finecorsa. Poi perché la luce vada a intermittenza non saprei, ma sei sicuro che non ci sia la lampadina leggermente svitata e faccia un falso contatto? Ok -
Problema dual split bosh - accendo uno e si scalda/raffredda anche la batteria dell'altro
luckysquid ha risposto a 123benny alla discussione in Guasti/Problemi Climatizzazione
@click0 Ma il "comportamento" della valvole semiaperte è documentato in qualche modo? Con un certo stupore ho riscontrato anche io che gli split "spenti" nel mio sistema multisplit "riscaldano" la batteria (ed anche tanto) Qui addirittura si diceva che l'assistenza aveva sostituito l'unità esterna a causa di questo "problema", che poi problema non sembra essere. (Solita incompetenza assoluta??) -
Basculante che non si apre bene
Edoardo 007 ha risposto a Edoardo 007 alla discussione in Cancelli elettrici
Ciao @ROBY 73dalla cinghia e da quando le ho tolte si è accesa la luce a intermittenza e la bascula non fa più i cicli giusti, mi sa che sono proprio fotocellule allora. Grazie del consiglio, cerco i marchi che mi hai detto, e poi ti dico. Grazie intanto.
