Tutte le attività
- Nell'ultima ora
-
Ciccio 27 ha iniziato a seguire Lavastoviglie bosch SMV46KX04E - pezzo sconosciuto
-
Lavastoviglie bosch SMV46KX04E - pezzo sconosciuto
Ciccio 27 ha risposto a Luciano777 alla discussione in Lavastoviglie
Guarnizione coperchio di Bimby o simile? -
Marchetti ha iniziato a seguire Collegare l'inverter alla rete domestica
-
Collegare l'inverter alla rete domestica
Marchetti ha inserito una discussione in Schemi e applicazioni di circuiti elettrici
Buonasera a tutti, volevo chiedere come devo collegare l'uscita dell inverter proveniente da una batteria al litio-ferro-fosfato(LiFeP04) di 100 ah, all'impianto elettrico di casa. Servirebbe ad alimentare solo alcune lampadine. L'impianto di casa è vecchio e non ci sono linee separate per le prese e le luci. Volevo sapere se posso collegarmi direttamente su una presa oppure devo collegarmi ai cavi che prima andavano sotto al contatore dell'Enel. Ringrazio per la risposta. -
Salvavita che scatta dopo aver tolto cavo Hdmi
ALLUMY ha risposto a michy1990 alla discussione in Schede madri e alimentatori PC
Wow! Praticamente il cavo dell'antenna diventava la messa a terra di casa tua non appena collegavi il potente PC alla TV via HDMI e le dispersioni ti facevano pure scattare il differenziale! 🤪 -
sostituzione citofono bpt
gianlucapn ha inserito una discussione in Citofoni, videocitofoni e intercomunicanti
Salve a tutti. Sapreste indicami quale citofono sostituisce il vecchio posto interno della BPT transisport , grazie -
Equalizzatore TECHNICS SH 8066 ghosting sul display
ALLUMY ha risposto a Radiospeaker alla discussione in Radio - Stereo - Autoradio - HiFi - CD - DVD
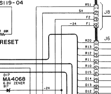
Avevo notato questa piccola contraddizione, come stanno le cose ora? In ogni caso, avevo sbagliato a non considerare questo zener come parte essenziale per il funzionamento del display, che invece lo è eccome. Chiedo scusa. Puoi ripetere le misure (stavolta in CC 😁) sia sul catodo dello zener e sia sul pin4 di J8 ? -
Aiuto sostituzione citofono interno Urmet1130/12 con elvox art6200
ROBY 73 ha risposto a mirkotn alla discussione in Citofoni, videocitofoni e intercomunicanti
Ecco appunto ☺️ I collegamenti rimangono identici con la stessa numerazione, con la sola modifica che ora il morsetto 7 viene chiamato CA e l'11 "c'è, ma non si vede" e non te ne deve importare. Inoltre, ricordati di fare un ponte tra i morsetti 6 e 10 come indicato nel manuale e prima di cambiarlo controlla che i ponticelli neri JP1, JP2, JP3, JP4, JP5, JPA, JPC siano tutti come indicato nel manuale per impianti 4+n con chiamata su ronzatore in Corrente Alternata (anche se dovrebbero già essere apposto di default). Qui c’è lo schema: https://www.urmet.com/Portals/0/Import_Profile/LibrettiIstruzioni/475939.pdf?ver=2017-01-18-083542-000 Facci sapere i risultati -
Installazione pulsante esterno + due pulsanti interni per accensione luci esterne
ROBY 73 ha risposto a riccardo8-2 alla discussione in Progettazione impianti elettrici civili e terziario
Ciao riccardo8-2, Direi proprio di sì, tanto più, visto che hai detto: Casomai posta un paio di foto fronte e retro del pulsante in questione. -
Equalizzatore TECHNICS SH 8066 ghosting sul display
ALLUMY ha risposto a Radiospeaker alla discussione in Radio - Stereo - Autoradio - HiFi - CD - DVD
OT: @Radiospeaker probabilmente hai inavvertitamente attivato il simbolo del blocco notes, che ti fa comparire nel testo mentre scrivi una sottolineatura, ma che poi diventa il "pagina successiva" nel messaggio inviato. Per togliere quella funzione, basta che scrivi qualcosa sopra la linea e col tasto "canc" la elimini. In effetti per uno che non lo sa non è molto intuitiva la cosa, ma tranquillo non è successo niente di grave (fossero solo questi i problemi...) :fineOT Tornando al tuo equalizzatore, adesso ricontrollo il service manual, ma vorrei sapere se le ultime misure le hai fatte (come credo) con un puntale del tester a massa e l'altro sulle uscite del trasformatore, o se hai misurato direttamente sulle uscite (secondari) dello stesso. Tra le uscite 1-7 (BLU) dovresti avere una tensione alternata diversa da zero, altrimenti il display non dovrebbe manco accendersi. Le altre tensioni invece sei riuscito a misurarle correttamente col puntale a massa perchè appunto ci sono due secondari a tripla presa di cui una sola che esce e che è collegata alla massa, mentre i due BLU non lo sono, quindi il tester non ha rilevato (giustamente) nessuna tensione tra i BLU e la massa. Per eliminare o ridurre l'effetto ghosting possiamo provare a inserire una resistenza in serie ai filamenti, ma prima occorre sapere la tensione che c'è sulle uscite 1-7 (BLU) e la corrente che c'è sui filamenti a display acceso. Per fare questo dovrai staccare uno dei due fili BLU e metterci in mezzo il tester in misura Ampere AC. - Oggi
-
Parallelo su scheda elettrnica shelly
Eolox ha risposto a Eolox alla discussione in Elettronica generica
ok ti ringrazio, ci provo, ciao -
Parallelo su scheda elettrnica shelly
patatino59 ha risposto a Eolox alla discussione in Elettronica generica
Provarci non costa nulla e non si guasta niente -
Atttenzione perché SKY, se non la trova attiva, potrebbe bloccare la Smart Card e costringerti a riattivarla chiamando il servizio clienti.
-
Ok. Domani provvedo. Grazie
-
Stefano Dalmo ha iniziato a seguire Lavastoviglie bosch SMV46KX04E - pezzo sconosciuto
-
Lavastoviglie bosch SMV46KX04E - pezzo sconosciuto
Stefano Dalmo ha risposto a Luciano777 alla discussione in Lavastoviglie
Non mi sembra un componente della lavastoviglie . -
purificatore d'aria
Alessio Menditto ha risposto a marque alla discussione in Piccoli elettrodomestici
Che vuol dire? Gia che si veda la muffa, poca o tanta che sia, è un enorme problema, le spore infinitamente piccole volano e se respirate causano gravi problemi respiratori. La muffa tra parentesi si forma nel muro freddo, non serve lasciare aperto per ventilare, quando c’è una parete particolarmente fredda dove il caldo della stanza crea condensa, si crea un ambiente particolarmente favorevole alla sua formazione, bisogna cercare di evitare questo sbalzo termico così grande, al limite rivestite con legno o sughero il muro. -
i muri non grondano muffa e non puoi lasciare aperto 12 ore. Ovvio che devo intervenire, in modo integrato. Nel mentre ho pensato al purificatore, perchè me ne hanno parlato in tal senso, e so che non risolve la causa; infatti chiedevo se potesse migliorare la situazione. Dopodichè il filtro credo si possa lavare o cambiare. senza dubbio devo intervenire, sia sulle pareti, sapendo che ritornerà, sia strutturalmente,anche se non so bene come, e dopo aver convinto la proprietà a pagare, visto che quando sono entrato, - da poco- il problema non è stato dichiarato... Speravo che un depuratore migliorasse la qualità dell'aria, pur senz risolvere a monte il problema.
-
Luciano777 ha iniziato a seguire Lavastoviglie bosch SMV46KX04E - pezzo sconosciuto
-
Lavastoviglie bosch SMV46KX04E - pezzo sconosciuto
Luciano777 ha inserito una discussione in Lavastoviglie
Ciao a tutti, spero qualcuno riesca a darmi una mano. lavastoviglie bosch serie 4 SMV46KX04E Questa mattina all’interno del cestello ho trovato questa guarnizione/cinghia o simile di colore grigio, a sezione rettangolare , tonda di diametro 25cm circa. non riesco proprio a capire da dove possa arrivare e ho paura ad accenderla prima di sapere , onde evitare di avere problemi o acqua in giro. qualcuno sa darmi una mano gentilmente? grazie Luciano -
Luciano777 ha aderito alla comunità
-
contatori 3kw e generale appartamento mt 16A
kniko2 ha risposto a kniko2 alla discussione in Interruttori differenziali, magnetici e termici
Si infatto ho conosciuto questi apparecchi ora ,avevo solo sentito parlare di apparati shelly o similari che fungevano per questo.ora ho preso un gewiss con buon prezzo in confronto a btcino o scheider e lo provo ,mi sembra l'unica soluzione vero ,grazie a tutti come sempre -
adipupi ha aderito alla comunità
-
Buongiorno, vi ringrazio per il consiglio, comunque ho sentito anche un idraulico che mi ha consigliato di mantenere le linee separate anche se non è obbligo; più che altro per gli odori. Per le acque grigie se possibile fare lo sfiato e lavorare sotto al bagno con tubi da 40 e convogliare su un tubo da 75 per il tratto più lungo per arrivare in pozzetto.
-
OBY ha iniziato a seguire test I/O beckoff
-
salve dovrei eseguire test I/O su PLC BECKOFF qualcuno saprebbe indirizzarmi su un software intuitivo per poterlo eseguire vi ringrazio
-
Salvavita che scatta dopo aver tolto cavo Hdmi
piergius ha risposto a michy1990 alla discussione in Schede madri e alimentatori PC
infatti , solo quella posta tra Fase e Neutro, mentre non si accende la Spia a destra, collegata tra Terra mancante e Fase , ( o quella a sinistra,nel caso tra Presa e Spina la Polarità si inverta ) - Probabilmente nella Cassetta di derivazione troverai un filo giallo - verde sfilato dal relativo Morsetto . - Buona serata ! -
Haier HW80-B14979 errore FC3
causicurti ha risposto a causicurti alla discussione in Lavatrici - Asciugabiancheria
Grazie piergius. Penso che per il momento dobbiamo sospendere, il cliente non mi ha più chiamato, mi aveva detto che mi faceva sapere. E chi li capisce. -
giugn76 ha iniziato a seguire Problema apertura serranda garage con Sommer DUO
-
Problema apertura serranda garage con Sommer DUO
giugn76 ha risposto a AdrianoV alla discussione in Cancelli elettrici
Sul portone hai inserito la porta pedonale? Le prove le fai con motore bloccato o sbloccato? -
Installazione pulsante esterno + due pulsanti interni per accensione luci esterne
riccardo8-2 ha risposto a riccardo8-2 alla discussione in Progettazione impianti elettrici civili e terziario
Ho richiesto perche vedevo le visualizzazioni e ho pensato che forse era una cosa non fattibile.....capisco che può esserci qualcuno che si irrita velocemente per una seconda domanda posta in modo normale....o che addirittura pensa sia imperdonabile. evidentemente hai poca pazienza in generale Livio. -
acquaman ha iniziato a seguire Importare un Master IO-Link non siemens in S7-PCT
-
Importare un Master IO-Link non siemens in S7-PCT
acquaman ha inserito una discussione in Altri software Siemens
Buongiorno, non sono un grande amante dell'IO-Link, e fino a adesso ho usato solo 2 tipi master un balluf e un ET200sp e mi sto accingendo a conoscere ifs, trovo un po' scomodo che ogni master ha un software diverso di parametrizzazione, mi chiedevo è possibile importare a catalogo del S7-PCT Master non siemens e con quello configurarli tutti? -
Aiuto sostituzione citofono interno Urmet1130/12 con elvox art6200
mirkotn ha risposto a mirkotn alla discussione in Citofoni, videocitofoni e intercomunicanti
Ok, come avevi detto la sirena non va, ho preso un 1130/16, mi dai indicazioni sulla corrispondenza dei fili?
