Vai al contenuto

Tutte le attività

Aggiornamento automatico di questo flusso dati

  1. Nell'ultima ora
  2. Leone2285

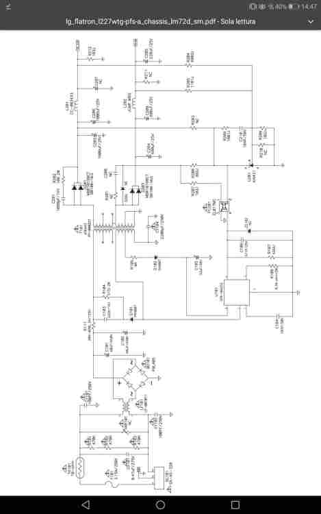
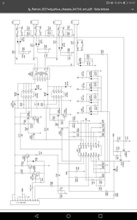
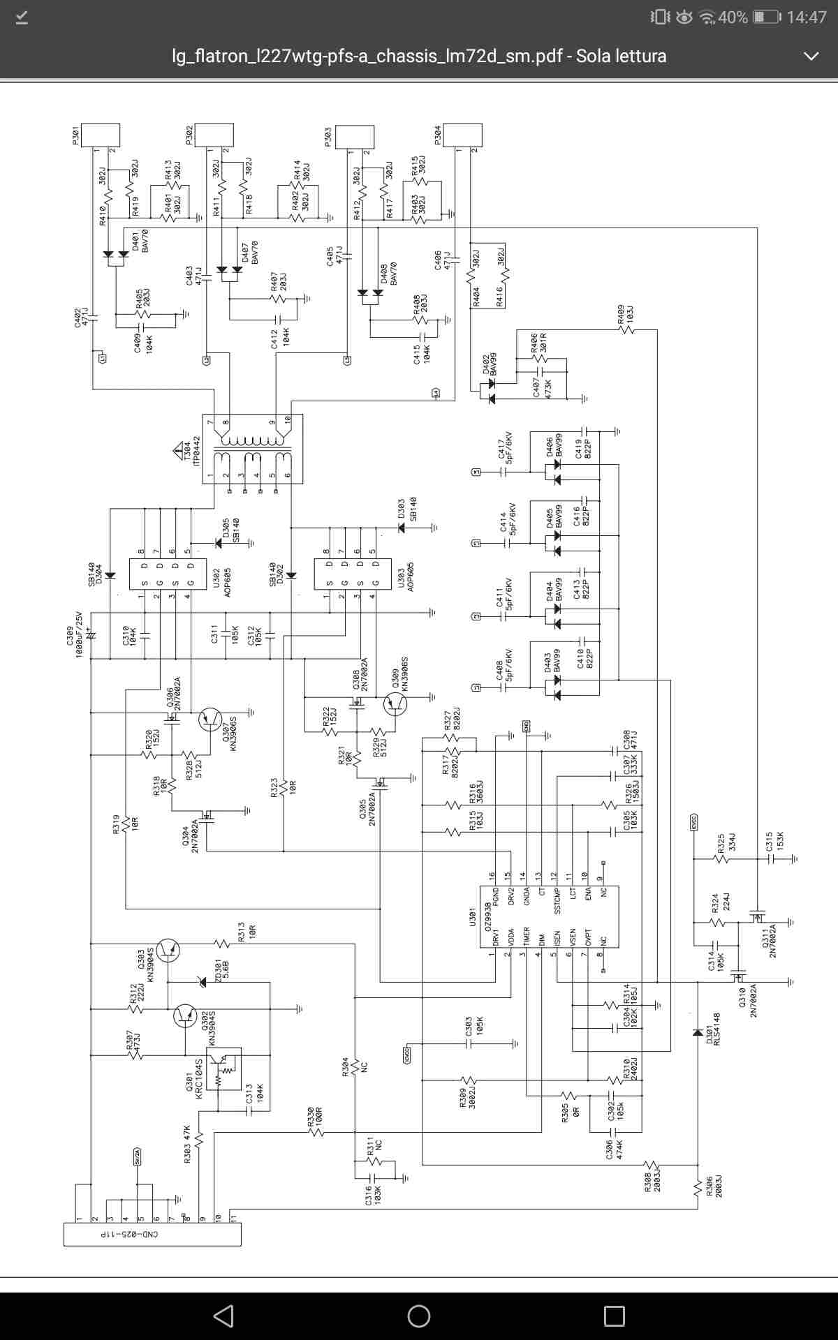
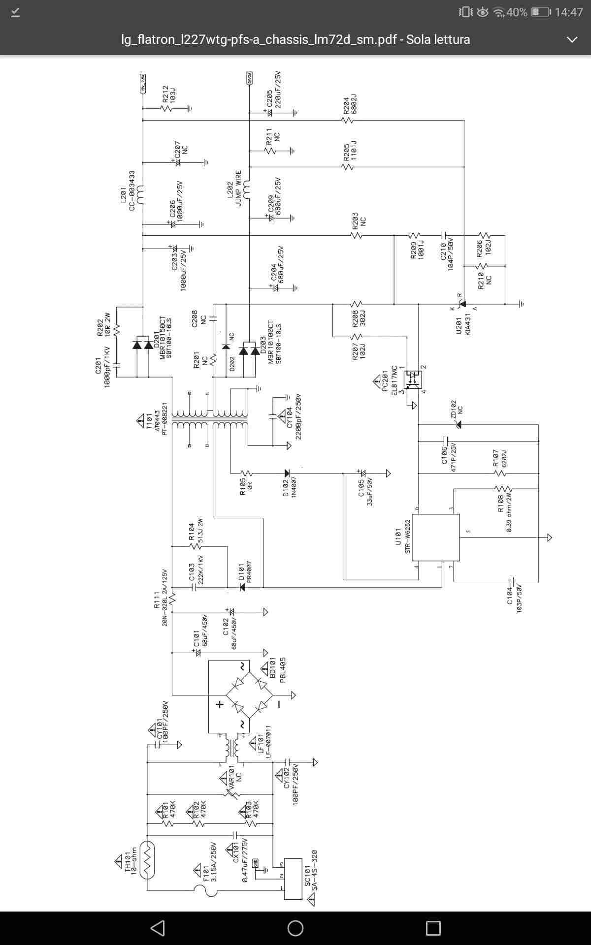
    LG Flatron M227WDL

    Ho trovato lo schema e allego le immagini.
  3. Tu hai scritto che il pressostato dovrebbe funzionare....prova a fare questa prova: sul retro della caldaia stacca il tubicino più adiacente alla camera stagna e vedi se parte. Questo per evitare di intervenire all'interno della camera stagna. Ti riassumo comunque la logica di funzionamento e tutte le prove che puoi fare: Aperta la camera stagna si deve staccare il tubicino che va in alto alla ghiera del tubo di scarico fumi e (sempre a camera aperta) si soffia dentro al tubicino. In questo modo viene simulata la pressione di esercizio della ventola estrazione fumi: si dovrebbe quindi sentire distintamente il clic del pressostato e la scintilla che scocca. Ripeto: si deve staccare il tubicino nella estremità superiore (dove si inserisce nell'anello che congiunge i tubi) soffiando direttamente nel tubo. Per far funzionare la caldaia bypassando il pressostato bisogna staccare (all’esterno della camera stagna) il tubicino più adiacente alla camera stagna, e soffiare in quell'innesto con un altro tubicino - uno dei due tubicini aspira, l'altro spinge l'aria. - quello che aspira è collegato al raccordo metallico superiore della camera stagna - quello che spinge è collegato al raccordo metallico inferiore della camera stagna Se in nessuna di queste situazioni il bruciatore parte siamo sicuri che il pressostato non c'entra e ci concentriamo altrove
  4. Maurizio Colombi

    Collegamento elettrico

    Giustamente, essendo un press control potrebbe farlo, speriamo non sia un pressostato con un contatto solo. Bisognerebbe sapere di cosa si tratta.
  5. mistertv

    Tv Sunny 32" Android loop continuo

    Ma di che modello si sta parlando? O eventualmente che mainboard lo equipaggia?
  6. Rimisurala senza il carico (scollega il campanello bticino). Devono essere circa gli stessi erogati dal trasformatore del citofono. Ring ha bisogno di quel segnale per rilevare la chiamata e purtroppo lo puoi prendere solo da lì. Occhio che se il ronzatore è unico, Ring invierà notifiche anche quando hai qualcuno fuori la porta.
  7. robertice

    Collegamento elettrico

    Interrompe tutti i fili L'alimentazione va direttamente al press control e l'uscita del pess va alla pompa Giustamente va rispettata la polarita
  8. zeus64

    Frigo Samsung Rt63vbmt

    Nel componente non è rimasto niente da poter leggere appena rientro da lavoro faccio delle foto più chiare. Grazie
  9. Livio Orsini

    Caricabatterie da 24 volt a 12 volt

    Il problema non è solo la riduzione di tensione, ma c'è la regolazione della corrente di carica ed il distacco per batteria carica. COn batterie a 24V il distacco avviene con tensione doppia di quella di una batteria a 12V.
  10. michpao

    Frigo Samsung Rt63vbmt

    Scusa, si capisce che non fai il fotografo, ma metti un po più luce, in modo che siano più definite le immagini, per vedere quanti piedini ha, la sigla della posizione e che parziali del codice sono rimasti 🤔
  11. Ciao e grazie infinite per l’interessamento. Tento di rispondere per i punti indicati: 1: la fonte esterna è stata fornita al solo trasformatore ho tolto il coperchio nero da te indicato e ho tolto i faston marrone e azzurro dal trasformatore e ho dato tensione ai terminali del trasformatore notando la scintilla continua della candeletta. 2 la luce rossa del pulsante non si accende ma non si accendeva neanche prima quando la caldaia funzionava probabilmente era la lampada del pulsante guasta ( guasto comune come ho letto nel forum)ma la caldaia come ti dicevo funzionava correttamente. 3) Nei terminali LN e 1 2 è presente la tensione 220 4) C’è termostatò ai terminali 3 e 4 funzionante. l’ho ponticellato come suggerito 5) C’è tensione 220 tra i terminali 3 e 5 6)C’è tensione 220 tra morsetto 4e 5 ( ovviamente prima con il termostato collegato e spento non c’era tensione ora ponticellato ovviamente si) Probabilmente come dici giustamente tu tutto porta a pensare alla scheda accensione come da te giustamente indicato. Per precauzione essendo la scheda usata ne avevo ordinata anche un altra dato il costo esiguo (da un altro sito in Germania)Modello più vecchio come quella che montava la caldaia.Ora a meno che non sia stato particolarmente sfortunato che erano tutte due guaste nessuna delle due schede ha risolto il problema per quello pensavo forse ad altro componente guasto. Allego un link di un breve video del comportamento della caldaia Grazie ancora per il tempo che dedichi alla risoluzione dei nostri guasti. Spero in una tua risposta
  12. Stefano Dalmo

    Acqua calda Eolo mini

    Bene 😊 grazie per la condivisione
  13. Oggi
  14. Mattia Spoldi

    Pagina subordinata da una memoria sul PLC

    o fai uno scipt sul'hmi (solo se è un modello comfort), altrimenti la via più semplice è ti crei 16 pulsanti, ad ognuno imposti la visibilità subordinata alla ricetta caricata e poi li metti tuitti uno sopra all'altro.
  15. zeus64

    Frigo Samsung Rt63vbmt

    Ecco le foto
  16. ALLUMY

    Alimentatore da problemi

    Puoi provare a ridurre la inrush current con un termistore NTC.
  17. michpao

    Frigo Samsung Rt63vbmt

    Metti qualche foto del componente nella scheda
  18. Maurizio Colombi

    Collegamento elettrico

    Vanno utilizzati i morsetti L e Z2. Se il morsetto L indica la fase, costa poco collegarci quello. Il press control interromperà il filo di fase, prima che si collegato alla morsettiera.
  19. Antonio Dellepiane

    Acqua calda Eolo mini

    Buongiorno , ho montato la membrana nuova , adesso funziona alla perfezione, la caldaia si accende con la minima apertura dell' acqua calda..la vecchia membrana aveva una piccola lacerazione.. grazie mille Anto
  20. reka

    contatore dell'acqua radio

    B meters di udine, sul sito ha documentazione per i modelli attuali, potresti provare a contattarli. la batteria si consuma perchè la trasmittente consuma, ma magari è guasto e stop.
  21. Ctec

    Tuner Sherwood S6010

    E' un VFD, e mi pare di capire che ti manca l'alimentazione del filamento. Di solito sono alimentati in alternata con tensioni che vanno da 2 a 5V. Ho visto che (giustamente) il trasformatore ha la presa centrale, per cui immagino sarà intorno a 2-0-2 Vac o poco meno
  22. gattoverde

    contatore dell'acqua radio

    Sapresti dirmi quale sia la ditta? Perché io non lo capisco. Avresti un per caso il link, dove scaricare un manuale? La ditta installatrice è la stessa che per un po' di tempo ha fatto le letture, poi licenziata. Non abbiamo specifiche e né manuali. Non è tanto strano, perché da noi, i contatori stanno negli appartamenti, o in posti di difficile accesso, e quindi succedeva che alcuni non aprivano la porta, altri non comunicavano le letture, altri avevano il contatore rotto e non dicevano niente, e così le ripartizioni erano poco veritiere. A cosa è dovuto il consumo della batteria?
  23. Domenico25

    Collegamento elettrico

    Buongiorno, ho acquistato una pompa elettrica lowara di cui allego la morsettiera, e vorrei un consiglio per il collegamento al press controll
  24. A seguito di una sovra tensione di rete si è bruciato il trasformatore. Ho ricostruito con il Service manuale tutte le alimentazioni della parte digitale e logica mi rimane di alimentare il display che dovrebbe arrivare direttamente una AC ma non trovo nessun riferimento. Direi che il display potrebbe essere LCD con retro illuminazione ma non ne sono sicuro come potrebbe essere un vfd. Che tensione potrebbe essere? Potrei provare con il variac partire da zero a salire a vedere cosa succede.
  25. Buongiorno, con la speranza che l'argomento non sia stato già trattato, volevo chiedere a voi esperti: Sto utilizzando Tia16, PLC e HMI, vorrei far in modo che alla pressione di un pulsante sull' HMI mi porti ad una pagina, già create, tenendo conto di una serie di memorie che sono sul PLC. Mi spiego meglio, il pulsante sull'HMI è sempre lo stesso, ma a seconda della ricetta, e quindi una memoria, che sta girando sul PLC si attivi o meno la pagina corrispondente alla ricetta che sta girando in quel momento sul PLC. In pratica a seconda di 4 ingressi del plc, combinazione a bit, se sono a zero oppure a uno, mi carico una ricetta, vorrei che allo stesso modo, sull'HMI, quando pigio il pulsante creato apra la pagina corrispondente alla ricetta che sto utilizzando. Come sempre.......grazie
  26. Ok, mi manca da capire solo un passaggio, quindi l'arancione "gorsso" che ora è attaccato al pulsante sotto va nel 3? Perché attualmente sul 3 c'è il rosa (forse in foto non è chiaro) e in caso questo rosa dove andrebbe? Sempre 3? In ogni caso appena trovo il tempo per fare tutto aggiorno sull'esito
  27. manfranc

    Alimentatore da problemi

    Una buona giornata ragazzi Ho un problema, ho costruito un alimentatore semplicemente con trasformatore, ponte diodi, regolatore di tensione LM317, per alimentare le breadboard, dove monto dei Arduino per le mie prove, ora la cosa strana è che quando do tensione a questo alimentatore mi si spegne per un attimo il monitor del PC. Ho provato a montare in entrata anche un filtro di linea, ma continua a farmi questo difetto. Chiedo gentilmente a voi cosa posso fare? Mille grazie a chi mi può aiutare
  1. Carica più attività
×
×
  • Crea nuovo/a...