Tutte le attività
- Nell'ultima ora
-
Guarnizione forno
Marco Fornaciari ha risposto a michy1990 alla discussione in Forni - Microonde - Cucine
Una in rete l'ho trovata con questa ricerca "Forno Franke PU60MOA". Probabilmente quel forno è uno Smeg, con le misure cerca in rete, oppure rivolgiti al centro outlet e assistenza Smeg di Guastalla (RE) di fatto è la Smeg, in rete trovi subito i recapiti. -
messa a terra ferro struttura casa: SI o NO e come misurare la resistenza di terra
kym ha risposto a kym alla discussione in Progettazione impianti elettrici civili e terziario
Allora, nel progetto di impianto e nei documenti dell'allaccio ho un TT ma, di fatto, seguendo ciò che vi era scritto nei documenti mi sono collegato anche al PE della borchia sotto il contatore (scoprendo dopo che era facoltativo), filo che a monte proviene dalla separazione col PE-N. Quindi ho, di fatto, TN-S-C misto con TT perchè ho anche la mia terra che è stata fatta obbligatoriamente per avere la fornitura <=4 oHm (misurata ho circa 2,3). L'intenzione è di staccarmi dal PEN anche se, sarebbe una sicurezza in più in caso di mancanza neutro a monte. Ne ho dovuti mettere 12 da 2 metri per avere i <=4 oHm richiesti per l'allaccio. Forse anche perchè è stato fatto in un periodo molto caldo e senza bagnare niente (non avevo acqua). La norma e le specifiche indicate prevedevano che mi collegassi diretto all'ultimo dispersore con capicorda e filo da 16, senza pozzetto ne altro, tutto nel terreno -50cm uscendo con un corrugato fino in casa. (ora ho modificato tutto). Infatti, su questo sono daccordissimo avendo visto trecce e e linee di ferro dei parafulmini letteralmente fusi. Il punto è: dare una resistenza verso terra quasi a zero ai ferri dell'armatura sul tetto, equivale ad andarsela a cercare? L'ho detto in un'altra discussione, è servito il progetto della terra, con foto, disegni, schemi e quant'altro e poi il test della terra, del differenziale, del magnetotermico e del quadretto con 2 shuko ed una cei trifase+n. Dopo mi han dato corrente. Vetusti... e chi ci lavora poi stendiamo un velo pietoso..... ho già avuto un inversione L1 & N come dicevo nell'altra discussione. Roba che se avevo oggetti con carcasse di ferro era ben pericoloso visto che avevo la fase anche nel PE .... -
Sostituzione faretti GU5.3 con GU10, chiedo consigli tecnici e pratici
patatino59 ha risposto a Honig alla discussione in Illuminazione interni
OT: Da ragazzo ho visto spesso la scritta Mamut (senza H) sui morsetti citati, e mi è rimasta impressa nella memoria. E' ovvio che Gemini, che è giovane, non li ha mai visti. Purtroppo non trovo foto in rete o morsetti d'epoca che avallino la mia esperienza, ma posso giurare che è vera. E' chiaro che l'animale viene in mente prima della marca, ed ha preso il suo posto nel parlato comune. Fine OT. -
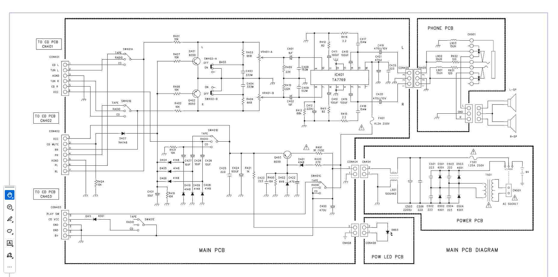
Grundig RRCD-4300
effesse72 ha risposto a effesse72 alla discussione in Radio - Stereo - Autoradio - HiFi - CD - DVD
Grazie Riccardo, vuoi dire che il potenziometro non manda a GND la sorgente? Ora stavo collegando 6 filetti singoli dalle piazzole al potenziometro per poter fare le prove di collegamento con dei piccoli coccodrilli prima di saldarli definitivamente. Intanto metto lo schema elettrico che sono riuscito a trovare sui soliti siti Polakki (che per me comunque è quasi incomprensibile), così magari riuscite ad aiutarmi meglio. Purtroppo non riesco a ricavarmi il pin-out del vecchio potenziometro perché consumato e neanche quello del nuovo, che ho chiesto al venditore ma ancora non le lo manda. Grazie in anticipo per tutto e buon proseguimento di giornata. -
Aiuto per sostituzioni motori apertura automatica serra
Marco Fornaciari ha risposto a Galma81 alla discussione in Motori - Generatori
Partiamo dal presupposto che se vendono un sistema per aprie e chiudere delle finestre, o qualcosa di paragonabile, quel sistema funziona. Gurdandando al volo solo la pagina della potenza dello schema unifilare si vede che il quadro prevede un cablaggio per gestire l'inversione del senso di marica dei motori. Con quello schema servono motori a due avvogimenti separati, ovvero con quei motori serve un quadro cablato diversamente. Quindi il tuo elettricista ha ragione. Interpella a ditta che ti ha venduto il tutto e fai sistemare, poi paghi la fornitura quando funziona tutto. Sei hai già pagato e la ditta fa orecchie da mercnate, ti fai fare una relazione da perito e ti rivolgi ad un avvocato. e chiedi pure i danni: qui non si tratta di garanzia ma di errata fornitura. Se qualcuno ha certificato quella installazione, ha commesso anche altri reati, oltre ad essere incompetente. -
Salve a tutti, dovrei sostituire la guarnizione di un forno da incasso franke il cui modello è PU 60 M OA-B, ma non riesco a reperirlo? Qualche consiglio in merito?
-
Grundig RRCD-4300
effesse72 ha risposto a effesse72 alla discussione in Radio - Stereo - Autoradio - HiFi - CD - DVD
grazie, la ricontrollo... -
messa a terra ferro struttura casa: SI o NO e come misurare la resistenza di terra
mrgianfranco ha risposto a kym alla discussione in Progettazione impianti elettrici civili e terziario
Tutto questo di tua iniziativa?...se continui a saldare tondini, per fare una telefonata con lo smartphone dovrai uscire fuori casa! Scherzi a parte, come già detto stai esagerando e poi senza un progetto da seguire rischi di fare un lavoro che potrebbe essere controproducente ..alla fine in ambiente domestico basta veramente meno per una terra efficiente...le gabbie di Faraday si fanno dopo valutazioni di rischio e progettate da professionisti abilitati..di sicuro in una villetta non è richiesto nulla di tutto questo in nessuna parte del mondo! -
Aiuto per sostituzioni motori apertura automatica serra
drn5 ha risposto a Galma81 alla discussione in Motori - Generatori
Visto che i due "tecnici" non ne vengono fuori, la cosa più semplice è sostituire i motori acquistati sbagliati con dei motori simili a quelli vecchi. Con buona pace dei tecnici che forse non lo fanno per uno scrupolo legato alla modifica di una apparecchiatura che certamente perderebbe la certificazione che ha. Comunque lo schema è un pò ambiguo.... -
Aiuto per sostituzioni motori apertura automatica serra
Livio Orsini ha risposto a Galma81 alla discussione in Motori - Generatori
Scusa, ma non è ne tempo ne voglia, di studiarmi gli schemi. A interessa solo sapere come avvengono i comandi dei motori. - Oggi
-
Grundig RRCD-4300
Riccardo Ottaviucci ha risposto a effesse72 alla discussione in Radio - Stereo - Autoradio - HiFi - CD - DVD
è rimasto appeso,il capo verso massa è isolato -
Aiuto per sostituzioni motori apertura automatica serra
Galma81 ha risposto a Galma81 alla discussione in Motori - Generatori
Urca!! Ti allego lo schema completo della centralina, nella prima immagine ho solo nascosto degli appunti "sensibili" (nome, numero di telefono). Tra un'oretta, se serve, posso fotografarti anche la centralina, interno ed esterno. Per quanto riguarda il foglietto con l'indicazione dei ponticelli, si è quello del motore. GRAZIE! -
Livio Orsini ha iniziato a seguire Gruppo UPS legrand Daker Dk 3kVA errore 01 ( fault 01) , Traffico dati Nexus e Aiuto per sostituzioni motori apertura automatica serra
-
Aiuto per sostituzioni motori apertura automatica serra
Livio Orsini ha risposto a Galma81 alla discussione in Motori - Generatori
È necessario conoscere le uscite della centralina. Se la centralina, ad esempio, avesse un'uscita che cambia stato tra rotazione oraria ed antioraria, ed un'altra uscita che da marcia - arresto del motore si dovrebbe realizzare un certo tipo di circuito tramite relè elettromeccanici. Se invece la centralina desse un comando di marcia in un senso, ed un'altra uscita nell'altro senso, sidovrebbe realizzare un differente circuito elettromeccanico. Ti garantisco che se questo schema è veritiero, ovvero si riferisce proprio altuo motore, allora non ci sono problemi. Bisogna solo sostituire i ponticelli con contatti di relè; è una cosa semplicissima, quasi elementare per un elettricista industriale. Non hai le specifiche di uscita della centralina? inoltre se quello che hai pubblicato è lo schema reale del quadro di comando mancano tutte le protezioni. -
Ci mancava anche questo modo digitale che alla fine serve esclusivamente nei contest, almeno secondo il mio parere, già i sistemi FT8 e FT4 secondo me sono più che sufficienti. https://mhzoutdoor.com/blogs/news/ft2-vs-ft8-modalita-digitale-hf?srsltid=AfmBOorK0D8qkJ0x0Q3rrFdt9Caf85SQ8zbdFoSj4yFIromzMvg8FlB8
-
Aiuto per sostituzioni motori apertura automatica serra
Galma81 ha risposto a Galma81 alla discussione in Motori - Generatori
Grazie Livio della risposta. Il funzionamento (apertura-chiusura delle finestre) dove andare in automatico, pilotato da una centralina dotata di sensori di vento, pioggia e temperatura. Il commutatore consentirebbe il funzionamento anche in automatico? Oppure, esiste un commutatore automatico? Perché ho già fatto interfacciare l'elettricista con il tecnico che ha fatto il quadro elettrico di gestione (e questo sicuramente non è un pirla) e sebbene il tecnico pensasse ci fosse un modo di collegare motori con centralina, a quanto mi ha detto l'elettricista, ha poi ammesso che il modo non c'è... -
Basculante che non si apre bene
Edoardo 007 ha risposto a Edoardo 007 alla discussione in Cancelli elettrici
-
Grundig RRCD-4300
NovellinoXX ha risposto a effesse72 alla discussione in Radio - Stereo - Autoradio - HiFi - CD - DVD
Magari, nel dissaldare il potenziometro, si è interrotta la pista di massa sul PCB lato saldature. -
Aiuto per sostituzioni motori apertura automatica serra
Livio Orsini ha risposto a Galma81 alla discussione in Motori - Generatori
Non hai bisogno di cambiare motore ma solo di aggiungere un commutatore a 3 posizioni: zero centrale e antiorario - orario. Forse è il caso di cambiare elettrecista perchè un elettricista queste cose deve saperle. -
Gruppo UPS legrand Daker Dk 3kVA errore 01 ( fault 01)
Livio Orsini ha risposto a alexcanadair alla discussione in Gruppi di continuita' (UPS)
Ottimo! -
Quadro elettrico trifase+N potenza impegnata 15kW valore MT?
Marco Fornaciari ha risposto a kym alla discussione in Interruttori differenziali, magnetici e termici
Come scritto pochi minuti fa nell'altro post. La protezione dagli incendi si fa al 15% con una corretta progettazione e costruzioe degli impianti, il restante 85% con il corretto uso degli stessi e delle apparecchiatue alimentate. Nell'uso quotidiano sì che nel tuo privato puoi impiegare le norme UE. Quello che tu lamenti lo ricordo a mia moglie ogni volta che prende in mano un elettrodomestico, ma non gli è stato insegnato da bambina e ora a 60 anni non c'è rimedio. Sorvolando su quello che si vede nei cantieri e quanta gente o cacciato dai cantieri quando ne ero responsabile. Se continui a dere retta a internet e praticoni non vai da nessuna parte. -
messa a terra ferro struttura casa: SI o NO e come misurare la resistenza di terra
Marco Fornaciari ha risposto a kym alla discussione in Progettazione impianti elettrici civili e terziario
Il fornitore ti da tre fasi + neutro + terra da integrare con la tua, compreso neutro messo a terra anche con la tua terra: il discorso fornitore finisce lì, a 400 V di tensione trifase concatenata, quindi monofase a 230 V. A valle dei morsetti di fornitua inizia il tuo impianto elettrico, cosa ha ha monte il fornitore a te per il tuo impianto non cambia nulla. ** Poi viene il tuo impianto, con tutte le protezioni del caso e i cablaggi che servono alle singole utenze. Alle utenze prettamente trifasi del neutro importa un bel nulla, anzi ci deve stare proprio lontano, solo se manca una fase ci sono problemi, se ne mancano due è come se mancasse corrente. Alle utenze monofasi se manca la fase o il neutro cambia nulla, manca corrente e basta. Piuttosto in zone dove la corrente non è stabile o può mancare con facilità bisogna proteggersi dai riaviamenti impropri delle utenza, ma ci vuole un bravo progettista. Per quanto riguarda le dispersioni verso terra, anche qui cambia nulla, se nel differenziale la somma vettoriale delle correnti circolanti non è zero, ovvero supera la soglia di taratura scatta e togli tensione alle utenze mettendo il tutto in sicurezza. Sorvolo su altri tipi di apparecchiature di protezione. Se un essere vivente tocca una fase e crea una dispersione verso terra il differenziale interviene se si supera la sua soglia di taratura. In ogni caso 20 mA per 30 secondi in un essere vivente fanno danni e il differenziale non interviene (sorvoliamo sui differenziali da 10 mA che vanno bene in contesti ben diversi da una abitazione, dove interverrebbe in continuo). In un impianto domestico con fornitura in BT se entra un fulmine direttamente fa tanti danni e di fatto non c'è protezione che tenga. Quindi meglio prevenire l'ingresso piuttosto che cercare il modo di scaricarlo. Le sovratensioni sono una cosa diversa. La protezione dagli incendi si fa al 15% con la progettazione e la costruzione dell'impianto, al 85% con il corretto uso quotidiano. Se ti vuoi isolare completamente dal fornitore hai tre possibilita: 1- installarti un generatore isolato dal resto del pianeta 2- farti dare una fornitua in media tensione con cabina tua 3- installare un trasformatore trifase di potenza doppia di quella di fornitura 400/400 collegamento triangolo/stella e generarti fasi e neutro completamente isolati dal resto del pianeta, sorvolo sul come si esegue il cablaggio. Il fornitore che ti dice che può mancarti il solo neutro è poco credibile, ma se ciò accade è perché i suoi impianti sono inadeguati o/e pessimi, però lì hai nulla da farci. Infine esempio stupido, fai tutte le terre di equipotenziale in modo super, poi il pavimento è di tipo galleggiante o/e con riscaldamento a pavimento (quindi c'è anche un isolante), ovvero in PVC o legno, quindi isolato dalle altre parti in muratura, la tua super terra di equipotenziale serve a nulla. Il resto lo ho già scritto in altri post. ** Eventualmente potrebbe cambiare se per darti corrente serve: una dichiarazione conformità, una certificazione, o un progetto firmato da un abilitato: ancora non lo hai detto. In quel caso devi fare tutto come dicono le norme locali, specialmente se poi ti devi assicurare. Allo stato la Moldavia non fa parte della UE, quindi lascia perdere quanto presente in UE e specialmente in Italia. Poi il modo di installare delle protezioni aggiuntive a valle di quanto a norme locali, è un attimo metterlo in atto, avrai solo avuto costi doppi. - Ieri
-
aggiungere un campanello wireless al videocitofono winflat 1202-D002A
ROBY 73 ha risposto a biggio78 alla discussione in Citofoni, videocitofoni e intercomunicanti
Sì ok, sinceramente mi era sfuggito come prerogativa, ma presumo che il 788/22 serva comunque e poi il contatto di questo, lo si collega in parallelo al pulsante del trasmettitore a batteria di un dispositivo tipo QUESTO, oppure come QUESTO che è completamente a batteria, compreso il ricevitore, giusto, può essere la soluzione? -
Deimos kit problema in chiusura anta scorrevole
ROBY 73 ha risposto a saltimbanco alla discussione in Cancelli elettrici
Eccoci qui,....... Quindi come già detto, dovrebbe essere uno dei due: https://www.telecomando-esma.com/media/wysiwyg/IT/PDF/BFT_ARES_HQSC-D_IT_.pdf https://remoconsp.com/descargas/BFT_DEIMOS_BT.pdf Casomai posta una foto nitida della tabella a sinistra del display e/o dell'etichetta (se esiste ancora) che dovrebbe essere sulla base metallica sul lato destro del motoriduttore stesso. Come prima cosa fai un ponte stabile tra i morsetti 21 COM e 24 PHOT in modo da inibire le fotocellule e vedi se l'errore si ripete. Quindi se hai ancora problemi, allora la "rogna" potrebbe essere quasi certamente la scheda madre, mentre se tutto funziona correttamente il problema potrebbe essere il cavo del contatto che va alle fotocellule, probabilmente quello sulla RX. Quindi a questo punto: https://www.atecnica.fr/file/manuale-di-istruzioni-fotocellule-bft-desme-a15-p111526-d812043-00200-09.pdf metti in corto tra loro i due fili che sono collegati tra i morsetti 3 COM e 5 PHOT, prima in una ricevente e poi nell'altra e vedi quale continua a darti noie. Naturalmente alla prova della seconda coppia, ripristina i fili della prima. Verifica che ci sia il quinto filo collegato nel morsetto 4 delle foto riceventi nel morsetto 18 della QSCD-MA e che siano impostate come "Fotocellule Verificate" e la relativa funzione "Logica Test fotocellule" sia attiva, vedi pagg. 12 e 11 (13 COLLEGAMENTO DISPOSITIVI DI SICUREZZA) dei manuali sopra e le due trasmittenti siano collegate / alimentate tra i morsetti 16 e 17 V Safe. Posta un paio di foto nitide dei collegamenti della scheda madre e anche delle fotocellule -
aggiungere un campanello wireless al videocitofono winflat 1202-D002A
Roberto Garoscio ha risposto a biggio78 alla discussione in Citofoni, videocitofoni e intercomunicanti
La vuole senza fili.
