G.esse Inserito: 9 giugno 2021 Segnala Inserito: 9 giugno 2021 Salve vorrei se possibile avere delucidazioni sugli ingressi veloci, se ho una cpu siemens ha ingressi da input 100 kHz è ho un encoder da 1000 impulsi giro significa che : Per ogni ciclo di scansione il limite per avere un immagine di processo con i valori corretti é dato dalla moltiplicazione 1000x100? dove 1000(impulsi encoder)e dove 100 sono i giri massimi che l encoder può fare al secondo per rispettare i 100khz del ingresso veloce? E corretto?? Grazie del attenzione
Livio Orsini Inserita: 9 giugno 2021 Segnala Inserita: 9 giugno 2021 3 ore fa, G.esse scrisse: Per ogni ciclo di scansione il limite per avere un immagine di processo con i valori corretti é dato dalla moltiplicazione 1000x100? No. I 100kHz sono la frequnza limite che può accettare l'ingresso. per poterlo leggere con polling a ciclo è necesario che il ciclo di scansione duri meno di 5µsec. Solitamente gli ingressi veloci vengono accoppiati ad un contatore veloce, quelli che vengono definiti HSC. In questo caso il conteggio degli impulsi è effettuato direttamente dal contatore, indipendentemente dalla durata del ciclo di scansione del PLC.
G.esse Inserita: 9 giugno 2021 Autore Segnala Inserita: 9 giugno 2021 (modificato) Grazie della risposta 3 ore fa, Livio Orsini scrisse: per poterlo leggere con polling a ciclo è necesario che il ciclo di scansione duri meno di 5µsec. In che senso è un puntamento diretto al valore ingresso veloce? Se il limite del ingresso é 100 kHz significa che la situazione limite è rappresentata 100.000 impulso al secondo ? Il quale vuol dire che si verifica un impulso ogni 5us(100000 diviso 0,000005) il risultato diventa il limite di impulsi su un ciclo di 5 us?? se il ciclo è più lento si verifica un errata la lettura in quanto gli impulsi letti sarebbero meno dei 100khz disponibili ed eventualmente fisicamente avvenuti? Con l hsc I problemi sono gestiti dal contatore veloce? Ovvero non ho limiti di impulsi ci pensa io contatore a darmi un valore affidabile e costantemente aggiornato? Modificato: 9 giugno 2021 da G.esse
Livio Orsini Inserita: 10 giugno 2021 Segnala Inserita: 10 giugno 2021 9 ore fa, G.esse scrisse: se il ciclo è più lento si verifica un errata la lettura in quanto gli impulsi letti sarebbero meno dei 100khz disponibili ed eventualmente fisicamente avvenuti? Se il ciclo è più lungo di 5µsnon tutte le variazioni di ingresso, con segnali di 100kHz, possono essere rilevate, quindi alcuni impulsi andranno persi. Più il ciclo è lento maggiore il numero di immpulsi che andrà perso. 9 ore fa, G.esse scrisse: Con l hsc I problemi sono gestiti dal contatore veloce? Se l'ingresso è associato ad un contatore veloce, l'impulso viene rilevato direttamente dal contatore, senza attendere che il programma legga l'ingresso. Se l'ingresso è associato ad un interrupt, ogni volta che l'ingresso cambia di stato ilprogramma si blocca e l'interrupt rileva la transizione.
G.esse Inserita: 10 giugno 2021 Autore Segnala Inserita: 10 giugno 2021 Quindi se non uso i contatori veloci, è conosco quanti impulsi "lancerà" il mio encoder, conoscendo limiti kHz del ingresso éd il tempo di ciclo, con la divisione con kHz/tempo ciclo posso sapere se il mio plc è in grado di rilevare i Tutti i cambi di stato del encoder ? Grazie.
Livio Orsini Inserita: 10 giugno 2021 Segnala Inserita: 10 giugno 2021 Si. La procedura è la seguente. Si deteremina la massima frequenza dell'encoder; se l'encoder è bicanale perchè necessita il rilevamento di direzione, la freqeunza raddoppia. Determinata la masima frequenza, si ricava il periodo, che è l'inverso della frequenza. Il tempo di ciclo del PLC deve essere minore della metà del periodo. Esempio: se hai un encoder che raggiunge la frequenza di 100kHz il tempo di ciclo deve essere <5µs per encoder mono canale; se l'encoder è bicanale il tempo di ciclo deve essere <2,5µs
G.esse Inserita: 10 giugno 2021 Autore Segnala Inserita: 10 giugno 2021 5 ore fa, Livio Orsini scrisse: Determinata la masima frequenza, si ricava il periodo, che è l'inverso della frequenza. Come ricavo la frequenza? Quale l operazione inversa se ho frequenza enc di 100khz? Potrebbe farmi esempi pratici? Ringrazio
Livio Orsini Inserita: 10 giugno 2021 Segnala Inserita: 10 giugno 2021 Frequenza encoder ==> (impulsi giro * numero di giriminuto) / 60. Esempio 1000 imp/giro, 3000 rpm ==> 50000 Hz frequenza 50kHz ==> periodo = 1/f ==> t = 1/50000 ==> t = 20µs
G.esse Inserita: 10 giugno 2021 Autore Segnala Inserita: 10 giugno 2021 3 ore fa, Livio Orsini scrisse: periodo = 1/f ==> t = 1/50000 ==> t = 20µs Prima domanda che le pongo: Praticamente il periodo è la distribuzione del secondo in 50.000 usecondi ovvero si assegnano 5 microsecondi ad ogni impulso encoder?? Seconda domanda : Così con la moltiplicazione microsecondi per impulsi ho la conferma che il periodo è 1 intero (segnale completo=periodo completo ?) Ultima domanda: Il tempo di ciclo deve essere la metà del tempo del periodo per rilevare anche l off del segnale 0-1 immagino distribuito su 50 e 50? Grazie
Livio Orsini Inserita: 11 giugno 2021 Segnala Inserita: 11 giugno 2021 9 ore fa, G.esse scrisse: Prima domanda Ma no! E fisica elementare il periodo è un tempo e corrisponde all'inverso della frequnza 9 ore fa, G.esse scrisse: Seconda domanda : Non c'è nessuna moltiplicazione da fare. Il periodo è il tempo necessario affinchè un segnale ciclico completi il suo ciclo. La frequnza della rete elettrica, ad esempio, è 50Hz, 20ms sono il tempo necessario a completare una sinusoide. 9 ore fa, G.esse scrisse: Ultima domanda: Per acquisire un segnale periodico (teorema di Shannon), è necessario effetuare almeno 2 campionamenti durante il suo periodo. Quindi se vui leggere un impulso usando il polling, ovvero leggerlo da programma, è necessario che venga letto l'ingresso corrispondente almeno 2 volte durante il suo perido. Però prima di affrontare certi argomenti, dovresti almeno acquisire le nozioni elementari di fisica e imparare li fondamenti delfunzionamento di un PLC, magari leggendo il suo manuale.
G.esse Inserita: 11 giugno 2021 Autore Segnala Inserita: 11 giugno 2021 Si purtroppo non sono argomenti semplici e non molto intuitivi, a volte è più semplice attenersi alle operazioni matematiche che cercare di comprenderle, forse per mancanza di conoscenze mie di fisica e altro. Però si impara lo stesso qualcosa In più.
batta Inserita: 11 giugno 2021 Segnala Inserita: 11 giugno 2021 3 ore fa, G.esse scrisse: a volte è più semplice attenersi alle operazioni matematiche che cercare di comprenderle Non sono d'accordo. Se oggi fai una cosa senza avere capito come funziona, domani già non te la ricordi più. Se hai capito il concetto, ti rimane per sempre. Queste, poi, sono cose veramente basilari, come " + - x : " se vuoi risolvere un problema matematico, come la legge di Ohm per un circuito elettrico.
G.esse Inserita: 11 giugno 2021 Autore Segnala Inserita: 11 giugno 2021 Sono d'accordo però con l operazione matematica puoi risolvere il problema, comprendere richiede molto più tempo e studio..
G.esse Inserita: 11 giugno 2021 Autore Segnala Inserita: 11 giugno 2021 Comunque per ridurre ad un discorso un po' più semplice(per quanto possibile) questa discussione, mi basta sapere che se ho un encoder da 1000 impulsi giro, ed un giro equivale ad un metro di un pacco, con il contatore veloce hsc avrò un conteggio di mille (se il pacco si è spostato 1 metro) in intero da sfruttare sul programma?
Livio Orsini Inserita: 12 giugno 2021 Segnala Inserita: 12 giugno 2021 9 ore fa, G.esse scrisse: con il contatore veloce hsc avrò un conteggio di mille (se il pacco si è spostato 1 metro) Esatto.
G.esse Inserita: 12 giugno 2021 Autore Segnala Inserita: 12 giugno 2021 Invece per individuare il senso di rotazioni come si fa? E nella costruzione del encoder la risposta? C'è un canale (filo) per un verso ed un altro canale(altro filo) per l altro senso di marcia?
Livio Orsini Inserita: 12 giugno 2021 Segnala Inserita: 12 giugno 2021 (modificato) Gli encoder normalmente hanno 3 canali: canale A, canale B e canale Z. I canali A e B sono tra loro sfasati di 90°; i sistemi di conteggio bidirezionale solitamente usano il canale A come riferimento di fase, mentre il canale B determina il senso di rotazione. Convenzionalmete se il canele B è in ritardo rispetto ad A si ha la rotazione in senso orario o avanti, viceversa il senso di rotazione è antiorario o indietro. Il canale Z genera un impulso a giro e viene usato come marca di zero quando si effettua l'azzeramento dell'asse. I contatori HSC hanno integrato il circuito di disciminazione di senso di rotazione, questo circuito lo attivi con la configurazione software del contatore. Anche il reset del contatore può essere attivato tramite impulso da canale Z. Modificato: 12 giugno 2021 da Livio Orsini corretti errori di dattilografia
batta Inserita: 12 giugno 2021 Segnala Inserita: 12 giugno 2021 Lo scopo dei contatori veloci è quello di leggere impulsi che non puoi leggere nel normale ciclo del plc. La scansione di un plc è sempre dell'ordine dei millisecondi. Se hai un segnale da encoder con una frequenza anche di soli 10 kHz, in un millisecondo dovresti contare 10 impulsi. I contatori veloci lavorano in modo indipendente dalla scansione del plc, e riescono a contare tutti gli impulsi (ovviamente fino alla frequenza massima consentita). Se tu, nel programma PLC, ad ogni ciclo, vai a leggere il valore del contatore veloce, non leggerati 1-2-3-4-5-6.... ma, per esempio, 27, 50, 80, 105.... I contatori veloci possono avviare degli interrupt, e questo serve proprio per riuscire a compiere azioni che non devono risentire del ritardo della scansione de plc. Esempio banale: devi attivare un'uscita quando il conteggio arriva a 1000. Se lo fai nel normale ciclo del plc, potresti aver letto 999 e, al prossimo ciclo, 1015. Ecco che andrai ad attivare l'uscita in ritardo. Se, invece, utilizzi un'uscita del contatore veloce (se ne dispone) oppura al contatore veloce fai lanciare un interrupt, ecco che l'azione verrà compiuta senza ritardi. Per quanto riguarda il senso di marcia, un encoder a due canali fornisce due segnali sfasati tra loro di 90°. Dall'analisi di questi due segnali è molto semplice capire se l'encoder sta girando in un senso o nell'altro. Di solito i contatori veloci forniscono anche un bit che segnala la direzione del movimento.
G.esse Inserita: 13 giugno 2021 Autore Segnala Inserita: 13 giugno 2021 (modificato) Quindi data una circonferenza con i quattro angoli a 90 ab bc cd de, se il primo impulso arriva da ab é canale a quindi senso orario, se invece arriva prima dalla zona de é senso antiorario? Praticamente per ogni rotazione ho due segnali contemporanei canale a e b, quello che è attivato per primo determina il senso di rotazione?? Giusto? Mi viene da pensare che dallo zero a impulso canale a il tempo e x invece il tempo del impulso canale b ha tempo y, attraverso il confronto dei tue tempi il più rapido stabilisce il senso di rotazione? per lo zero del canale z, se come dice il sig Orsini genera un impulso a Giro si può usare per fare lo zero a setpoint raggiunto? Con l hsc quindi mi ritrovo nel programma, numero di impulsi attuali e bit di senso di rotazione? A livello fisico l. Encoder ha un filo per Ogni canale giusto? Modificato: 13 giugno 2021 da G.esse
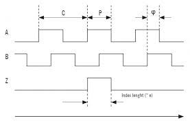
batta Inserita: 13 giugno 2021 Segnala Inserita: 13 giugno 2021 1 ora fa, G.esse scrisse: Praticamente per ogni rotazione ho due segnali contemporanei canale a e b Quando si parla di segnali sfasati di 90 °, si intende 90 ° "elettrici", ovvero 1/4 di periodo. Nella figura qui sotto, i 360 ° sono la distanza "C". Come detto, almeno i concetti base li dovresti imparare. Se hai un encoder da 1000 impulsi/giro, in un giro di encoder avrai 1000 impulsi dal canale A e 1000 impulsi dal canale B. Lo sfasamento tra il canale A e il canale B permette di capire in che direzione sta girando l'encoder, secondo la logica descritta da Livio.
G.esse Inserita: 13 giugno 2021 Autore Segnala Inserita: 13 giugno 2021 (modificato) Credo di aver capito, sono due segnali distinti sfafati di 1 /4 di periodo. Se i 360 gradi sono la distanza c è un encoder da 1impulso /giro? Lo sfasamento dei segnali e quindi la rilevazione del senso e fatta fatta via software? Modificato: 13 giugno 2021 da G.esse
Livio Orsini Inserita: 14 giugno 2021 Segnala Inserita: 14 giugno 2021 (modificato) 9 ore fa, G.esse scrisse: quello che è attivato per primo determina il senso di rotazione?? Giusto? Quasi; è la fase tra i due. Per convenzione si fissa uno dei 2 come riferimento e si osserva la fase dell'altro rispetto al primo. 7 ore fa, G.esse scrisse: Lo sfasamento dei segnali e quindi la rilevazione del senso e fatta fatta via software? Può essere fatta via software o vi hardware. Se usi gli HSC è fatta direttamente in Hw dal modulo di conteggio Questi concetti, però, sono chiaramente spiegati dal munuale del PLC, al capitolo che riguarda i contatori veloci. Secondo i miei ricordi ci sono anche asempi illustrativi delle varie modalità di uso del contatore. I manuali vanno attentamente studiati, non sono fatti per occupare spazio sul disco, o per prender polvere sugli scaffali (se sono cartacei) Modificato: 14 giugno 2021 da Livio Orsini
G.esse Inserita: 14 giugno 2021 Autore Segnala Inserita: 14 giugno 2021 Si intraprenderò lo studio sul manuale, era solo per avere un idea più o meno di cosa ci fosse dietro; però diciamo che con l hsc se ho un bit per il senso di rotazione e un numero che è la posizione e molto semplificata la cosa. Grazie delle informazioni , leggero il manuale ovviamente se mi capiterà di usarli.
G.esse Inserita: 14 giugno 2021 Autore Segnala Inserita: 14 giugno 2021 il 12/6/2021 at 11:56 , Livio Orsini scrisse: I canali A e B sono tra loro sfasati di 90°; i sistemi di conteggio bidirezionale solitamente usano il canale A come riferimento di fase, mentre il canale B determina il senso di rotazione Questo significa che il conteggio lo si fa sempre con il canale a e il canale b è solo per determinare il senso di rotazione?
batta Inserita: 14 giugno 2021 Segnala Inserita: 14 giugno 2021 3 ore fa, G.esse scrisse: Questo significa che il conteggio lo si fa sempre con il canale a e il canale b è solo per determinare il senso di rotazione? Domanda: ma tu, devi usare un contatore veloce o progettare l'elettronica di un encoder? Premesso che capire come funzionano le cose è sempre utile ma, per farlo, devi prima colmare le tue lacune sulla teoria di base. Ma, se devi solo usare un contatore veloce, quello che più ti serve è lo studio del manuale del contatore veloce. È il contatore veloce che si occupa di come elaborare i segnali che riceve. Tu devi imparare come configurare il modulo, come abilitare il conteggio (aprire il gate), come reinizializzare il valore di conteggio, come leggere il conteggio attuale, come modificare il preset. Poi, conoscere come funziona un encoder ti torna utile se devi controllare i segnali con un oscilloscopio, oppure perché impari che se inverti tra loro i segnali A e B si inverte il conteggio.
Messaggi consigliati
Crea un account o accedi per commentare
Devi essere un utente per poter lasciare un commento
Crea un account
Registrati per un nuovo account nella nostra comunità. è facile!
Registra un nuovo accountAccedi
Hai già un account? Accedi qui.
Accedi ora