kaifa.ab Posted September 7, 2021 Report Posted September 7, 2021 Salve a tutti, avrei bisogno di consigli su come realizzare al meglio una rete seriale con protocollo RS485 (2 fili, half duplex) tra dispositivi attuatori Belimo. Attualmente produciamo impianti con tale rete e in molti casi le cose funzionano, i dubbi su come realizziamo le cose vengono quando abbiamo qualche problema. In linea teorica ricordo che dalla scheda a bordo del PLC (Siemens) si dovrebbe uscire con due cavi che vanno a congiungersi ai due cavi portanti della rete seriale. Ai capi di questi due cavi portanti dovrebbero esserci due resistenze terminali. Per quanto riguarda le connessioni ai dispositivi slave, in linea generale dovrebbero esserci delle connessioni a vampiro che prendono il segnale dalla portante e lo portano allo slave. Come si possono realizzare tali connessioni? Ad oggi noi usciamo con i due cavi dalla scheda e andiamo a toccare due morsetti all'interno di una scatola intermedia . All'interno di questa scatola da questi due morsetti tramite ponti andiamo con le varie coppie di cavi singolarmente verso alcuni dispositivi slave posizionati vicino alla scatola, infine un ponte è quello di rilancio ovvero quello che si congiunge con i due fili che portano il segnale ad un'altra scatola verso due nuovi morsetti. Diciamo che la topologia è una stella principale con connesse sottostelle e tutto realizzato tramite ponti in morsettiera. Con questa configurazione suppongo che l'analisi degli errori di propagazione del segnale diventa complessa e il concetto di resistenza terminale inapplicabile. Inoltre diventa difficile fare debug perché viene meno il concetto di un unica portante quindi non si riesce facilmente a mettere in linea un nodo alla volta tramite interruzione della portante. Sperando di essere chiaro, vi ringrazio in anticipo.
Lucky67 Posted September 7, 2021 Report Posted September 7, 2021 Se ho capito bene non mi pare che sia la configurazione prevista per una seriale modbus 485. Il collegamento a stella o pseudostella è sicuramente portatore di problemi, specie per reti complesse e lunghe.
Massimo_Fra Posted September 9, 2021 Report Posted September 9, 2021 Ciao, per le reti seriali non vale il concetto di collegamento parallelo che è invece ovvio se ad esempio colleghi normali attuatori elettrici. Il fatto che lungo i cavi passi una comunicazione anziché una alimentazione è fondamentale. Quindi anche se dal punto di vista elettrico ti potrebbe sembrare che sia la stessa cosa collegare le diramazioni nei punti che più piace a te, in realtà non è così. Valgono le regole delle reti a parametri distribuiti e non quelle dei circuiti elettrici a parametri concentrati. Soprattutto quando la velocità di trasmissione si alza e la lunghezza dei collegamenti aumenta. Devi eseguire i collegamenti sempre come fosse una serie. Parti dal PLC arrivi a un nodo e da li prosegui ad un altro nodo e così via fino all'ultimo sul quale metti la resistenza di terminazione. Puoi anche pensare di fare una rete nella quale il PLC sia non nodo iniziale ma un nodo interno alla rete e in tal caso la resistenza di terminazione va ai due capi della rete. Se qualche volta la cosa ti funziona lo stesso è perché magari la rete non è molto estesa. Se ad esempio lavori a 9600 e hai 3-4 metri di cavi allora magari non serve nemmeno la resistenza di terminazione. Se invece lavori a 115 k e ha 10 metri di cavi o più allora devi fare tutto bene: collegamenti, resistenza di terminazione e disposizione dei nodi.
kaifa.ab Posted September 9, 2021 Author Report Posted September 9, 2021 Grazie, in realtà le reti che costruiamo in questo modo a volte sono anche di decine e decine di metri. Mi rimane un dubbio: come realizzare le connessioni tra la coppia di conduttori principali (Tx e Rx) e gli slave? I vecchi cavi coassiali avevano le connessioni a vampiro non a caso.
Livio Orsini Posted September 9, 2021 Report Posted September 9, 2021 14 minuti fa, kaifa.ab ha scritto: Mi rimane un dubbio: come realizzare le connessioni tra la coppia di conduttori principali (Tx e Rx) e gli slave? Lo standard elettrico RS485, prevede una connessione "a cascata" tra il master ed i vari slaves; la connessione è prevista eseguita con doppini twistato, con resistori (220 ohm) di terminazione sul master e sull'ultimo slave. Questo è quanto previsto dalle specifiche del protocollo elettrico RS485. In rete trovi anche il documento completo
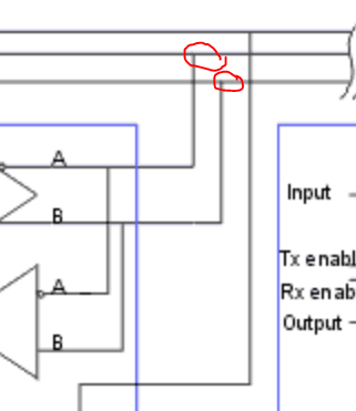
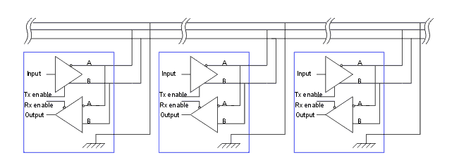
kaifa.ab Posted September 9, 2021 Author Report Posted September 9, 2021 (edited) Temo che dalla teoria o dallo standard non riesco a evincere che tipo di connettori usare. Inoltre in presenza di attuatori con un solo cavo Tx e un solo cavo Rx, è difficile realizzare anche una daisy-chain. Nell'esempio in figura, mi sapreste indicare un modo per realizzare praticamente queste due connessioni? Attualmente in ditta queste connessioni sono fatte con morsettiere e ponti elettrici, ponti che a volte lasciano il tempo che trovano specie se devono "ponteggiare" segnali trasmissivi e non potenze (alta o bassa tensione che siano). Grazie mille. Edited September 9, 2021 by kaifa.ab
Livio Orsini Posted September 9, 2021 Report Posted September 9, 2021 1 ora fa, kaifa.ab ha scritto: Temo che dalla teoria o dallo standard non riesco a evincere che tipo di connettori usare. Puoi usare benissimo dei connettori con morsetti a vite Son più di 30 anni che si realizzano Bus RS485 in questo modo anche in ambienti industriali. Realizzi una connessione entra-esci per ogni slave. Al limite serri 2 fili, quello che arriva e quello che parte, nel medesimo morsetto. Se non vuoi usare il connettore con morsetti, puoi usare il classico D-sub a 9 poli, avendo cura di saldare 2 fili su ogni pin. In fin dei conti sono solo 4 fili: A, B, V+ e zero volt. Poi si mette un resistore in parallelo ai morsetti del master ed un altro a quelli dell'ultimo slave. Questo se i dispositivo non hanno gia previsto il resitore a bordo con dip switch o jumper per inserirlo o disinserirlo. Bisogna fare attenzione alla lunghezza che intercorre tra il master e l'ultimo slave. Se si supera una determinata lunghezza è necessario inserire un amplificatore. La lunghezza massima è anche influenzata, oltre cha dal baud rate, dalla capacità parassita dei cavi.
padiego Posted September 9, 2021 Report Posted September 9, 2021 buonasera. se usare o meno un connettore potrebbe dipendere da quante volte nella vita operativa dell'impianto un particolare slave debba essere messo fuori uso. le morsettiere a molla penso vadano bene se l'impianto è "statico". nel mio ambito lavorativo (impianti televisivi/audio/luci) è comune la seriale 485 connessa con XLR, spina molto affidabile e adatta all'uso mobile che deve però essere saldata. è prassi comune utilizzare anche il connettore telefonico RJ12, di solito su apparati la cui la seriale è a 9600 kbit/s. da esperienza diretta, è buona cosa che l'intera rete sia costituita dallo stesso tipo di cavo, o quantomeno con le stesse caratteristiche elettriche, impedenza in particolare.
kaifa.ab Posted September 10, 2021 Author Report Posted September 10, 2021 15 ore fa, Livio Orsini ha scritto: Puoi usare benissimo dei connettori con morsetti a vite Son più di 30 anni che si realizzano Bus RS485 in questo modo anche in ambienti industriali. Realizzi una connessione entra-esci per ogni slave. Al limite serri 2 fili, quello che arriva e quello che parte, nel medesimo morsetto. Se non vuoi usare il connettore con morsetti, puoi usare il classico D-sub a 9 poli, avendo cura di saldare 2 fili su ogni pin. In fin dei conti sono solo 4 fili: A, B, V+ e zero volt. Poi si mette un resistore in parallelo ai morsetti del master ed un altro a quelli dell'ultimo slave. Questo se i dispositivo non hanno gia previsto il resitore a bordo con dip switch o jumper per inserirlo o disinserirlo. Bisogna fare attenzione alla lunghezza che intercorre tra il master e l'ultimo slave. Se si supera una determinata lunghezza è necessario inserire un amplificatore. La lunghezza massima è anche influenzata, oltre cha dal baud rate, dalla capacità parassita dei cavi. Grazie, ora ci sono.
kaifa.ab Posted September 10, 2021 Author Report Posted September 10, 2021 Comunque usando morsetti a vite e fili che entrano ed escono, non si perde il concetto che sta alla base ovvero di un unico file per il Tx e un unico file di Rx? Per me un filo di 10 metri non è paragonabile a 10 fili agganciati in serie tramite morsetti a vite, in particolare nelle trasmissioni, però posso sbagliarmi. In particolare da anni queste reti funzionano così, è vero, se poi abbassiamo la velocità...
Livio Orsini Posted September 10, 2021 Report Posted September 10, 2021 1 ora fa, kaifa.ab ha scritto: Comunque usando morsetti a vite e fili che entrano ed escono, non si perde il concetto che sta alla base ovvero di un unico file per il Tx e un unico file di Rx? Probabilmente intendi un unico filo.🙂 I files sono un'alttra cosa. Concettualmente e praticamente è sempre un unico filo che collega tutti i Tx e tutti gli Rx. 1 ora fa, kaifa.ab ha scritto: però posso sbagliarmi. Credo proprio di si, visto che si son sempre fatte in questo modo. In particolare, te lo ricordo ancora una volta, vanno messe le terminazioni alla partena ed all'arrivo della linea.
Recommended Posts
Create an account or sign in to comment
You need to be a member in order to leave a comment
Create an account
Sign up for a new account in our community. It's easy!
Register a new accountSign in
Already have an account? Sign in here.
Sign In Now