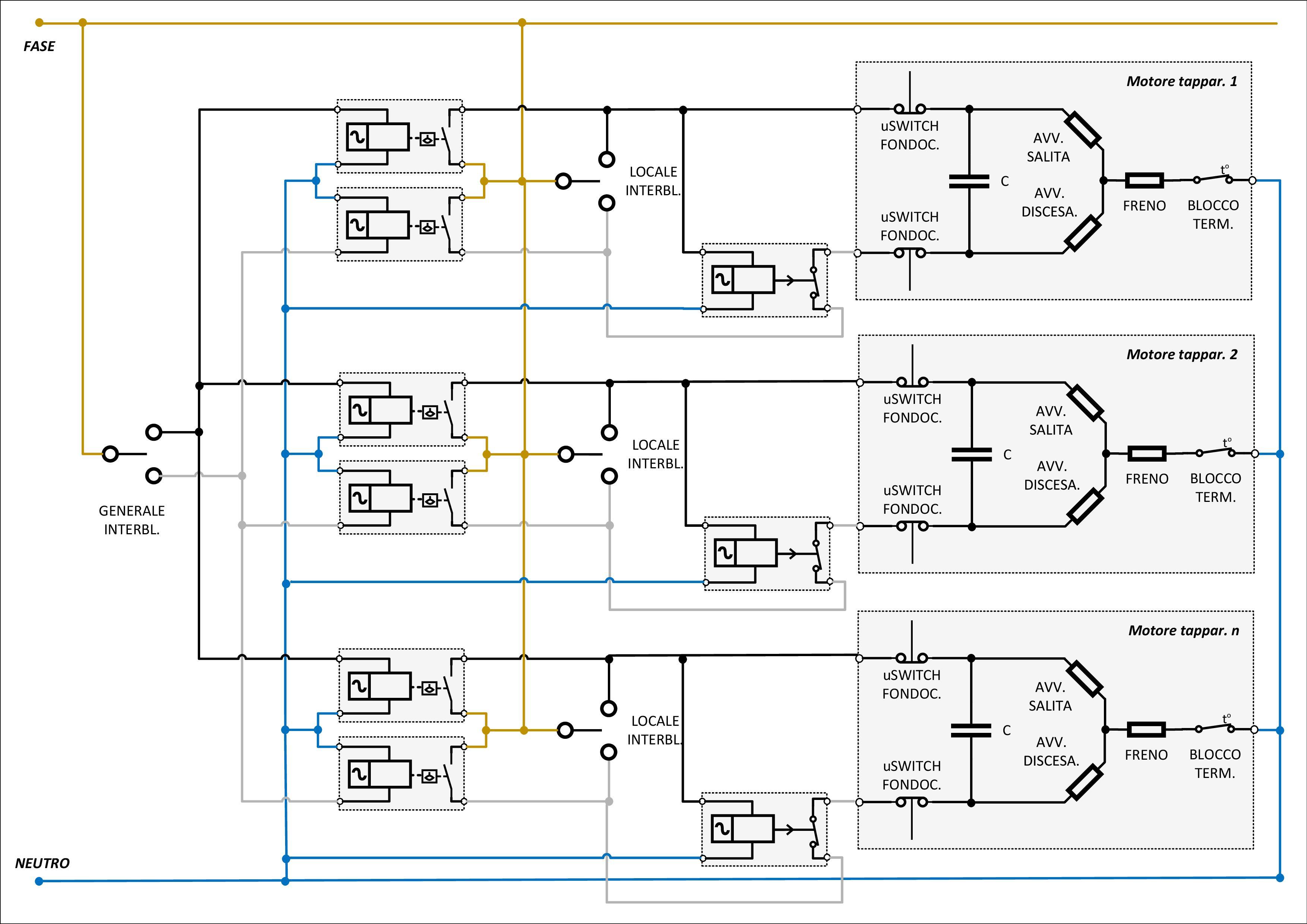
Elettropelato Inserito: 19 novembre 2021 Segnala Inserito: 19 novembre 2021 (modificato) Buongiorno a tutti! Comincio con lo scusarmi se mi iscrivo e parto subito con una domanda.. mi rendo conto che non è molto educato, ma non so più dove sbattere la testa e sono abbastanza in ansia. Ho da poco affrontato la ristrutturazione di casa motorizzando le tapparelle, con motori CTS Doors SpeedyMT. L'elettricista ha realizzato il comando centralizzato di tutte le tapparelle vicino all'ingresso ed i comandi locali di ciascuna. Riguardando i collegamenti dell'impianto a lavoro finito, ho scoperto che li ha realizzati come in Figura 1.. questo implica che se, ipoteticamente, all'ingresso mia moglie preme il tasto per chiudere tutte le tapparelle mentre in una stanza, senza saperlo, mio figlio preme quello locale per aprirne una.. alimento il motore di quella stanza in due direzioni opposte e (secondo il manuale) ne incollo i microswitch. Le mie conoscenze di elettronica sono limitate e vorrei risolvere la cosa aggiungendo qualcosa che faccia un "interblocco" subito prima del motore, senza rifare l'intero impianto (perchè secondo l'elettricista va bene così, per lui è fatto bene e così resta perchè il problema da me indicato è "improbabile"). Pensavo di risolvere inserendo un relè normalmente aperto sul comando di discesa di ciascun motore, collegandone la bobina al comando di salita. In questo modo, se a un motore è richiesto di aprire, il cavo per comandare la chiusura viene fisicamente interrotto, e diventa impossibile causare danni. Mi chiedo però se sia un problema mettere la bobina del relè in parallelo al motore in questo modo... Qualcuno può dirmi se l'approccio che ho pensato nella figura 2 può risolvere il difetto dell'impianto fatto dall'elettricista..? Oppure può suggerirmi un modo economico di sistemare senza disfare e rifare da zero l'impianto..? Grazie ancora e scusate Modificato: 19 novembre 2021 da Elettropelato
luigi69 Inserita: 19 novembre 2021 Segnala Inserita: 19 novembre 2021 Ciao elettro ma così....dando un occhio veloce...direi che il tuo secondo schema sia corretto . Non capisco solo perché il tuo installatore abbia utilizzato i relè , quando molti produttori risolvono con apparecchi ad hoc ( io uso yokis ) Localmente vicino alla tapparella hai posto per inserire un relè?
Elettropelato Inserita: 20 novembre 2021 Autore Segnala Inserita: 20 novembre 2021 (modificato) Grazie per aver risposto Luigi! Sinceramente non so come mai l'elettricista abbia realizzato la centralizzazione così, ha usato 12 finder 40.52.8.. avevo chiesto specificamente che l'impianto fosse funzionante da solo ma domotizzabile in futuro (con degli Shelly 2.5), nessun altra specifica. Quando mi ha detto che avrebbe usato i relè io mi ero appunto raccomandato che non ci potessero essere interferenze tra i comandi locali e quelli centrali, e mi aspettavo sapesse cosa faceva: ora mi sono sentito dire che loro fanno sempre tutto così e non hanno mai avuto problemi 😒 Per fortuna, sempre per futura domotizzazione, ho fatto lasciare molto spazio: c'è una 503 dedicata al comando con due frutti liberi per ciascuna tapparella, e comunque ho spazio per un'altra scatola in ciascun cassone, quindi il relè si può mettere.. resta l'amaro in bocca all'idea di dover sistemare io un lavoro pagato. Per il relè pensavo di orientarmi su un finder 40.51 + zoccolo per connessioni a bussola: avrei preferito qualcosa come quello indicato da te (formato frutto con bussole a vite integrate) ma non sto trovando niente. E' strano rispolverare i ricordi di elettronica a 20 anni dal diploma 😆 Modificato: 20 novembre 2021 da Elettropelato
elab69 Inserita: 20 novembre 2021 Segnala Inserita: 20 novembre 2021 La risposta del tuo elettricista è inaccettabile. Il lavoro deve essere fatto a regola d'arte e così non è. A nulla vale la sua asserzione che l'evento è improbabile. Allora è più improbabile che ti vada in corto la linea montante, ma il dispositivo generale sarà stato installato comunque. Sulla Dichiarazione di conformità avrà dichiarato che ha seguito la norma tecnica applicabile CEI 64-8. Ebbene all'articolo all'art. 13.3.3 "Prevenzione di effetti dannosi" si legge: I componenti elettrici devono essere scelti in modo tale che non causino, durante l’esercizio ordinario, effetti dannosi ad altri componenti elettrici o alla rete di alimentazione, neppure durante le manovre. Chiama quello sprovveduto e intimagli di mettere in sicurezza l'impianto prima che tuo foglio si faccia male o che i tuoi beni vengano compromessi dalla sua inettitudine. E tu non mettere mano ad un impianto difettoso in garanzia. Altrimenti è un attimo che ti si rigira la frittata.
Maurizio Colombi Inserita: 20 novembre 2021 Segnala Inserita: 20 novembre 2021 3 ore fa, elab69 ha scritto: I componenti elettrici devono essere scelti in modo tale che non causino, durante l’esercizio ordinario, effetti dannosi ad altri componenti elettrici o alla rete di alimentazione, neppure durante le manovre. Io avrei evitato questa affermazione, i componenti elettrici saranno sicuramente idonei allo scopo ed avranno una regolare dichiarazione di conformità "mondiale" rilasciata dal costruttore. Sono i collegamenti che non sono stati eseguiti correttamente. Detto questo, nel 2021, avrei utilizzato un sistema diverso...
del_user_271852 Inserita: 20 novembre 2021 Segnala Inserita: 20 novembre 2021 Il 19/11/2021 alle 11:56 , Elettropelato ha scritto: questo implica che se, ipoteticamente, all'ingresso mia moglie preme il tasto per chiudere tutte le tapparelle mentre in una stanza, senza saperlo, mio figlio preme Ciao Capisco che tutto può succedere ma si presume che, ipoteticamente, quando si esce da casa e si vogliono chiudere le tapparelle di tutta casa , non ci sia nessuno.... però c'è sempre un però. Ma invece di spendere altri denari per relè non è meglio utilizzare qualche dispositivo da connettere via radio ad un router WiFi e si semi domotizza l'impianto?
click0 Inserita: 20 novembre 2021 Segnala Inserita: 20 novembre 2021 dovresti aggiungere anche un ulteriore rele nc per il comando opposto
piergius Inserita: 21 novembre 2021 Segnala Inserita: 21 novembre 2021 >Infatti operando così dovresti aggiungere addirittura altri 6 relè, non 3.! >Invece basta sfruttare i contatti normalmente chiusi di una coppia di relè muniti di Contatti N. C. e N. A. (magari lo sono già quelli installati), per togliere tensione a tutti i pulsanti delle singole tapparelle. >La Fase entra nel comune del primo relè ed uscendo dal normalmente chiuso, entra nel com. del 2° relè, esce dal normalmente chiuso e va ad alimentare i pulsanti delle singole tapparelle.
luigi69 Inserita: 22 novembre 2021 Segnala Inserita: 22 novembre 2021 Buon inizio settimana io a questo punto..per non fare una toppa su un altra toppa...monterei moduli domotizzabili dedicati alle tapparelle alla fine, secondo me, viene a costare di meno... ( fra modifiche, tirare fili , schemi fatti su fogli che poi andranno persi.. )
Elettropelato Inserita: 22 novembre 2021 Autore Segnala Inserita: 22 novembre 2021 Buongiorno a tutti e grazie per le risposte, siete stati tutti molto gentili! Per la domotizzazione volevo aspettare alcuni mesi in modo da farla in tutta casa.. la ristrutturazione ha letteralmente ammazzato il mio budget e purtroppo una delle cose che ho dovuto rimandare è stata proprio quella. Al di la di questo, volevo realizzare un impianto che funzionasse di suo, alla vecchia maniera, su cui aggiungere on top la domotizzazione in modo da poterla togliere un giorno in caso di necessità. Il 21/11/2021 alle 10:31 , piergius ha scritto: >Infatti operando così dovresti aggiungere addirittura altri 6 relè, non 3.! >Invece basta sfruttare i contatti normalmente chiusi di una coppia di relè muniti di Contatti N. C. e N. A. (magari lo sono già quelli installati), per togliere tensione a tutti i pulsanti delle singole tapparelle. >La Fase entra nel comune del primo relè ed uscendo dal normalmente chiuso, entra nel com. del 2° relè, esce dal normalmente chiuso e va ad alimentare i pulsanti delle singole tapparelle. Al momento la soluzione che mi sembra più praticabile (senza nulla togliere ai consigli utili di tutti, grazie ancora) è quella suggerita da piergius Le mie tapparelle sono in numero dispari ed hanno usato dei finder 40.58.2 da due contatti ciascuno: mi rimane un contatto NC libero sia sul blocco di relè che gestisce la salita che su quello che gestisce la discesa centralizzata! Sempre nella stesso quadro è gestita la derivazione della fase verso tutti i pulsanti interbloccati locali di ciascuna tapparella. Chiederò all'elettricista che ha fatto l'impianto di separare la fase verso il pulsante "centrale" dell'ingresso da quelli "locali" delle tapparelle e di usare i due contatti rimasti liberi, in serie, in modo da interrompere la fase verso i pulsanti locali quando viene premuta una direzione sul centrale! Rapido, economico e realizzabile con due fili in croce nel quadro.. non capisco perchè non lo volesse far lui di suo... GRAZIE, davvero, a tutti!! 🙂
Messaggi consigliati
Crea un account o accedi per commentare
Devi essere un utente per poter lasciare un commento
Crea un account
Registrati per un nuovo account nella nostra comunità. è facile!
Registra un nuovo accountAccedi
Hai già un account? Accedi qui.
Accedi ora