pippojaa Inserito: 23 dicembre 2021 Segnala Inserito: 23 dicembre 2021 Ciao ragazzi, ho questa tv che all' accensione diventa il led verde e poi verde lampeggiante e la tv resta spenta, al anodo dell' alimentazone dei led ho 34 volt , da schema dovrei avere <30v , sicuramente si attiva la protezione OVP del driver, ho già verificato le strisce led e sono funzionanti. La scheda di alimentazione è TNPA6247 e il driver è un C1ZBZ0004569 . Qualche suggerimento? grazie a tutti
Riccardo Ottaviucci Inserita: 23 dicembre 2021 Segnala Inserita: 23 dicembre 2021 16 minuti fa, pippojaa ha scritto: ho già verificato le strisce led e sono funzionanti. guardando i singoli led o provando a vedere senza spannellare?
pippojaa Inserita: 23 dicembre 2021 Autore Segnala Inserita: 23 dicembre 2021 Ho tolto il pannello e alimentato le singole strisce led, monta led da 6volt, si illuminano tutti i led
pippojaa Inserita: 24 dicembre 2021 Autore Segnala Inserita: 24 dicembre 2021 Aggiungo una domanda, è possibile che anche se i led siano tutti funzionanti ma magari ci sia un assortimento differente tra le diverse strisce mandi in protezione il drive? Ma da non fargli fare nemmeno un flash iniziale?
Riccardo Ottaviucci Inserita: 24 dicembre 2021 Segnala Inserita: 24 dicembre 2021 dipende da come è progettato il drive,può essere. All'istante iniziale che tensione arriva a tutte le strisce?
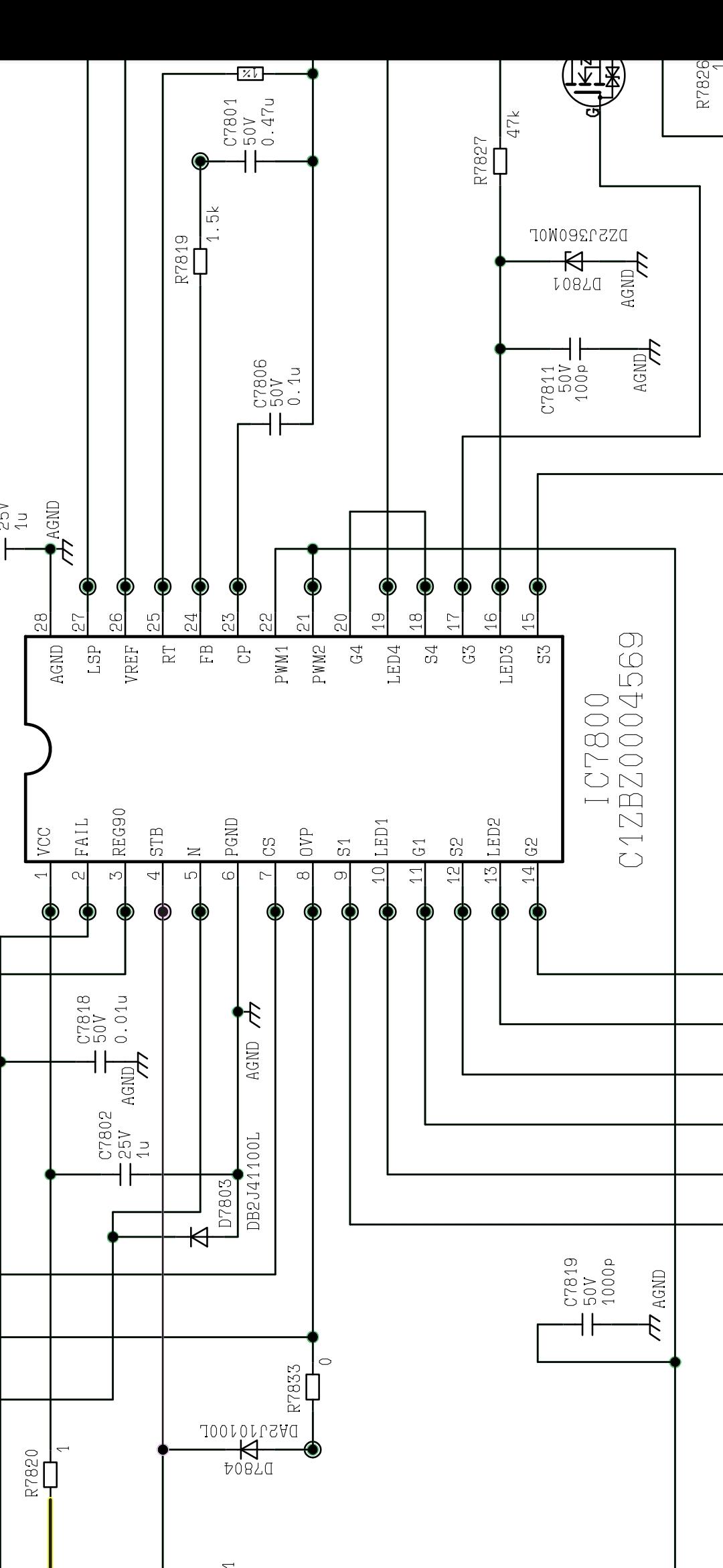
pippojaa Inserita: 24 dicembre 2021 Autore Segnala Inserita: 24 dicembre 2021 Arrivano solo i 35v del positivo, i negativi restano a zero, mentre dovrei avere come differenza di potenziale di almeno 48v ( sono 8 led per striscia da 6v) dove ho i 35v dovrei avere <30 o intervenire la ovp
pippojaa Inserita: 24 dicembre 2021 Autore Segnala Inserita: 24 dicembre 2021 Sai come inibire la protezione da questo schema? È il drive che monta, vorrei essere sicuro prima di cambiare la scheda
Messaggi consigliati
Crea un account o accedi per commentare
Devi essere un utente per poter lasciare un commento
Crea un account
Registrati per un nuovo account nella nostra comunità. è facile!
Registra un nuovo accountAccedi
Hai già un account? Accedi qui.
Accedi ora