sanukori Inserito: 10 maggio 2022 Segnala Inserito: 10 maggio 2022 Ciao a tutti sto cercando di riparare un monitor lcd asus vs228 non funziona la retroilluminazione e dopo le dovute prove striscia led funzionante credo che il problema sia di un integrato siglato pf7024bs credo sia il driver che controlla la striscia led ma non ho trovato nessuno data sheet su internet.sulla striscia non ho alimentazione.ho postato già una discussione sulla riparazione del monitor in generale.cerco data sheet o eventuale equivalente
Riccardo Ottaviucci Inserita: 10 maggio 2022 Segnala Inserita: 10 maggio 2022 se vuoi il componente qui lo trovi
sanukori Inserita: 10 maggio 2022 Autore Segnala Inserita: 10 maggio 2022 Si lo avevo già visto però cercavo il data sheet per fare almeno una minima verifica.grazie mille comunque
Ctec Inserita: 11 maggio 2022 Segnala Inserita: 11 maggio 2022 Se vai qui e scarichi il service manual, anche se non è del tuo monitor, a pag 37 trovi il driver della retroilluminazione con il PF7024, potrebbe aiutarti.
sanukori Inserita: 11 maggio 2022 Autore Segnala Inserita: 11 maggio 2022 grazie Ctec mi sarà molto utile 👍
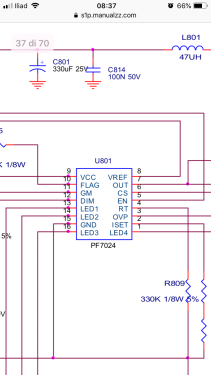
sanukori Inserita: 16 maggio 2022 Autore Segnala Inserita: 16 maggio 2022 Ciao a tutti ho fatto alcune misure grazie allo schema postato da ctec, tra i pin vcc e gnd ho circa 18v mentre in uscita led 1-2-3-4 e sugli altri pin non ho niente.potrei secondo voi dare tensione su qualche pin ,tipo dim, per forzare l’accensione e verificare il funzionamento dell’integrato,e se fattibile quanto tensione/corrente devo iniettare ,i componenti vicino li ho testati e sembrano ok.grazie a tutti per l’aiuto.
Ctec Inserita: 16 maggio 2022 Segnala Inserita: 16 maggio 2022 Il pin EN (enable) è sicuramente quello usato per accendere e spegnere i led. Prima cosa verificare (non so se è a logica positiva o negativa) lo stato a led off, e verificare che quando si passa a on cambi di stato. Altrimenti potrebbe essere qualcosa a monte di questo segnale che non lo comanda correttamente. Normalmente è un segnale 0-5Vdc o 0-3.3Vdc Il segnale DIM (Dimmer) normalmente regola la luminosità della retroilluminazione. Spesso è un segnale PWM, non un segnale analogico. Vedere con un oscilloscopio cosa c'è. Se non c'è un treno di impulsi, provare a verificare la tensione analogica. Ma non credo.
sanukori Inserita: 16 maggio 2022 Autore Segnala Inserita: 16 maggio 2022 Grazie ctec ho dato alimentazione esterna di 18v tra vcc e gnd e il display si è acceso ed è rimasto acceso,l’ho spento e riacceso senza iniettare tensione esterna e si è riacceso, ho spento aspettato 5 min riacceso senza problemi.secondo lei cosa può essere il difetto?
Ctec Inserita: 16 maggio 2022 Segnala Inserita: 16 maggio 2022 Controlla il segnale EN come ti ho detto. Lui decide se accendere o meno i led. Immagino che tu lo abbia non connesso. Quindi a led accesi, verifica la tensione su quel piedino. Se è a 0V, prova a inviare un 3,3V nel piedino, usando la rete di resistenze sicuramente presenti prima (che servono ad adattare il livello e limitare la tesione), sconnettendola dal circuito a monte. Se si spegne ed accende regolarmente, è la CPU che sta inchiodando i segnale EN in modo da spegnere i led. Senza schema effettivo, devi andare un po' a tentoni seguendo le piste...
sanukori Inserita: 16 maggio 2022 Autore Segnala Inserita: 16 maggio 2022 Ho fatto andare il pc in standby e il monitor non è acceso,poi ho fatto come mi ha detto lei dando 3,3v sul pin en e si è acceso quindi l’integrato funziona ma manca il segnale ne. Sa indicarmi ora dove cercare il guasto .grazie per i suoi consigli mi sta aiutando a capire molte cose.
Ctec Inserita: 16 maggio 2022 Segnala Inserita: 16 maggio 2022 Please, non darmi del lei. Sono vecchio lo so, ma non me lo ricordate... 😉 Qui siamo una combriccola di smanettoni con esperienza, tutti uguali. Per il difetto, eh, che dire, dovresti ricostruire il percorso che fa il segnale che arriva al pin EN, forse una resistenza in serie si è staccata o è andata in avaria, un condensatore in parallelo è in corto, o un filo staccato. Purtroppo senza schema, lo devi ricostruire te. E non è un lavoro facile. Magari poi per scoprire che il problema è nella CPU, un bel componente BGA che è rognosissimo staccare e riattaccare, ammesso che lo si ritrovi...
sanukori Inserita: 16 maggio 2022 Autore Segnala Inserita: 16 maggio 2022 Sono giunto alla conclusione che sia un problema alla cpu o comunque alla scheda si controllo,mi arrendo peccato non mi resta che conservarlo per pezzi di ricambio anche perché il pannello presenta una macchia in basso
Messaggi consigliati
Crea un account o accedi per commentare
Devi essere un utente per poter lasciare un commento
Crea un account
Registrati per un nuovo account nella nostra comunità. è facile!
Registra un nuovo accountAccedi
Hai già un account? Accedi qui.
Accedi ora