Raf-85 Inserito: 15 giugno 2022 Segnala Inserito: 15 giugno 2022 (modificato) Buongiorno, ho un impianto fotovoltaico da 8 kw nominali e un inverter solaredge da 6 kw, con accumulo sonnen. Come da titolo ho continue disconnessioni del mio inverter per sovratensioni. Ho fatto le varie verifiche anche chiamando la ditta installatrice(con diversi solleciti), mi ha mandato due tecnici distinti, con due diversi ingegnieri a capo, uno mi ha detto che il problema risultava il dimensionamento della dorsale ( contatore di scambio- inverter) circa 80 metri con cavo da 6 mmq e l'altro che la tensione di rete era alta circa 243/245 v nelle ore di punta. Cosi ho messo mano al portafoglio e sostituito il cavo della dorsale con uno da 16mmq e ridotto la distanza a 50 metri. Tramite varie segnalazioni di richiesta di misura di tensione poi annullata sotto consiglio di uno dei tecnici sono riuscito a farmi abbassare la tensione di qualche volt ma il risultato non cambia,quando immetto in rete i 6 kw prodotti l'inverter stacca o rimane al limite del distacco. Appurato che il problema è la rete del distributore come faccio burocraticamente a risolvere il problema con E-distribuzione? Premetto che ho gia fatto un reclamo tramite sito e tramite pec. Ho letto che qualcuno è riuscito a farsi cambiare la fase, qual'è la procedura. Grazie a chi mi risponderà. In allegato 2 misure di tensione una ad impianto foto spento uno impianto acceso. Modificato: 15 giugno 2022 da Simone Casagrande
Dumah Brazorf Inserita: 15 giugno 2022 Segnala Inserita: 15 giugno 2022 C'è chi per disperazione si è attrezzato con alcuni carichi comandati, tipo una resistenza per produrre acqua calda o addirittura un vecchio termoarredo lasciato così all'aria a dissipare energia...
ilsolitario Inserita: 15 giugno 2022 Segnala Inserita: 15 giugno 2022 Con quel valore di tensione sei dentro il 10% di tolleranza. IL gestore ti proporrà di allacciare al tuo impianto un misuratore, se tutto è nella norma devi pagare di tasca tua, se fuori parametri non paghi.
Simone Baldini Inserita: 15 giugno 2022 Segnala Inserita: 15 giugno 2022 Ottenere dal distributuore di abbassare la tensione è praticamente impossibile. Io mi sono interfacciato col produttore dell'inverter e mi hanno sistemato il problema via software.
Livio Orsini Inserita: 15 giugno 2022 Segnala Inserita: 15 giugno 2022 2 ore fa, Raf-85 ha scritto: la tensione di rete era alta circa 243/245 Per legge le reti monofasi devono avere una tensione compresa tra 195,5V e 264,5V (230+/-15%). La maggior parte dei fornitori di energia elettrica, operanti in Italia, garantiscono la tolleranza ridotta del +/-10%, quindi tensioni comprese tra 207V e 253V. Tutte le apparecchiature elettriche, commercializzate in CE, devono poter lavorare con questi limiti di tensione. Nel tuo caso non devi chiedere all'ente fornitore di energia di abbassare òla tensione, dato che è perfettamente entro i limiti del +/-10%, ma devi esigere dal fornitore dell'inverter che questi emendi il difetto del suo prodotto.
ilsolitario Inserita: 15 giugno 2022 Segnala Inserita: 15 giugno 2022 È un problema che i gestori di rete devono iniziare ad affrontare se vogliamo puntare al fotovoltaico spinto... E non spento...
Dumah Brazorf Inserita: 15 giugno 2022 Segnala Inserita: 15 giugno 2022 (modificato) Ehm, penso che la foto non fosse durante un distacco (o lo era, l'inverter si è staccato quindi la tensione di rete è calata un poco...) ma faccio notare che non erano ancora le 11 e la tensione viaggiava a 248V. Modificato: 15 giugno 2022 da Dumah Brazorf
Raf-85 Inserita: 15 giugno 2022 Autore Segnala Inserita: 15 giugno 2022 @Simone Baldini hai il mio stesso inverter? che parametri ti hanno regolato? solaredge non parla con me, ma mi manda dal mio installatore.quindi sono in um tunnel senza uscita. La tensione si alza per l'impedenza della rete enel.(credo)
ilsolitario Inserita: 15 giugno 2022 Segnala Inserita: 15 giugno 2022 Il gestore deve risponderti entro 60 o 90 giorni. Sei l'unico che ha il fotovoltaico in zona?
Raf-85 Inserita: 15 giugno 2022 Autore Segnala Inserita: 15 giugno 2022 @Dumah Brazorf le due misure sono state fatte : 243 v inverter spento 248 inverter acceso ma avevo sicuro il condizionatore e la pompa del giardino accese.
Simone Baldini Inserita: 15 giugno 2022 Segnala Inserita: 15 giugno 2022 Io ho un peimar e sono molto disponibili. L'installatore non puo' farci nulla alcuni parametri non si possono modificare. Nel mio caso non so cosa abbiano fatto ma da quando sono interventuti non rilevo piu' distacchi e a dire la verità nemmeno prima rilevavo tensioni altissime (nel datalogger) cioè mai sopra i 264,5V e anche sopra i 253V raramente a differenza degli stacchi che erano diversi. L'unica, se non riescono a risolvere, è cambiare il tipo di normativa impostato che carica altri parametri ecc.. ovviamente il gestore impone la sua normativa di riferimento CEI, e saresti fuori norma oltre che se non ti funziona il limite 264,5V rischi danni al altri elettrodomestici. Come dice Livio la protezione è di 1,10xVn (59.S1 nella media in 10 minuti) oppure 1,15xVn se la superi. Quindi se superi i 264,5V stacca subito altrimenti devi superare i 253V come media in 10 minuti.
Raf-85 Inserita: 15 giugno 2022 Autore Segnala Inserita: 15 giugno 2022 ce ne sono altri in zona, guarda sto combattendo da febbraio con la ditta e con e-distribuzione, per non parlare di solaredge nemmeno ti considerano, ti sottolineato solo che l'inverter non ha problemi e che non è la causa della tensione alta e di parlare con l'installatore che a sua volta dice che l'impianto è ok.Quindi io non ho più soluzione se non rivolgermi ad un legale. voi avete consigli?
mgaproduction Inserita: 16 giugno 2022 Segnala Inserita: 16 giugno 2022 (modificato) 13 ore fa, Raf-85 ha scritto: Quindi io non ho più soluzione se non rivolgermi ad un legale. voi avete consigli? Guarda, quest'anno sto aspettando i conguagli del mio FV da parte del GSE. Ho aperto un reclamo al GSE stesso e mi hanno detto che non possono procedere al mio conguaglio perchè E-Distribuzione non gli ha inviato le letture del mio impianto. Ho quindi aperto reclamo a E-Distribuzione pe rle vie normali (credo le stesse che hai adottato tu) ma non ho ottenuto alcuna soddisfazione...a dire il vero nemmeno nessuna risposta. Puoi capire che, pur parlando di poche centinaia di euro, mi sono "leggermente" incaszato e ho adottato una banalissima strategia che funziona alla perfezione (già sperimentata con Enel X 2 anni fa e l'anno scorso, per il mio impianto FV comprato da loro) e con Enel Energia per una truffa sulle tariffe del gas per casa mia tramite call center. Qui https://www.e-distribuzione.it/Azienda/consiglio-di-amministrazione.html trovi l'intero consiglio di amministrazione di E-Distribuzione. Scrivi una mail indirizzata a tutti (i loro indirizzi di posta sono nome.cognome@e-distribuzione.com...già sperimentato da me poche settimane fa) e se lo ritieni necessario aggiungi anche le iene, striscia la notizia, associazione consumatori ecc ecc. Nella mail, ovviamente da scrivere con i giusti e corretti toni, spieghi il tuo problema specificando che ti è stato detto più e più volte che il problema è loro e non dell'impianto fv. Vedrai che, senza rivolgerti ad un legale e senza nemmeno spendere 5€ per una raccomandata, sarai contattato entro pochissimi giorni da qualcuno che sarà incaricato di risolvere il tuo problema (sperando davvero che il problema sia il loro, se no ci fai una figuraccia...). Ti garantisco che funziona al millexcento 😂 ... in casi simili, qualcuno dall'alto (molto in alto come vedi a chi vai a scrivere) fa scattare chi di dovere !!! Se lo fai, tienici aggiornati per curiosità 🤣 Modificato: 16 giugno 2022 da mgaproduction
Adelino Rossi Inserita: 16 giugno 2022 Segnala Inserita: 16 giugno 2022 Quote ho un impianto fotovoltaico da 8 kw nominali e un inverter solaredge da 6 kw Quote Nel tuo caso non devi chiedere all'ente fornitore di energia di abbassare òla tensione, dato che è perfettamente entro i limiti del +/-10%, ma devi esigere dal fornitore dell'inverter che questi emendi il difetto del suo prodotto. Quote Ho letto che qualcuno è riuscito a farsi cambiare la fase, Quote Appurato che il problema è la rete del distributore. Trovo singolare che l'ente gestore della linea abbia autorizzato un immissione di energia da un impianto monofase da 6kw. Suppongo che i kw prodotti siano quelli dell'inverter e non gli 8 nominali dell'impianto. Io ritengo che alcune riflessioni dovrebbero essere fatte. Se uno pensa di entrare in un mercato facendo un investimento importante non lo farà prima di aver svolto tutte le ricerche di mercato e tecniche del caso. Ossia, è stata fatta una ricerca e un progetto tecnico completo dell'impianto che si desidera fare? Il progetto deve prevedere necessariamente tre soggetti o 4 al massimo. - Il cliente finale, che paga e si aspetta un risultato. - l'ente che dovrà ricevere e smaltire i kw prodotti, è chiaro che se non c'è possibilità di smaltimento certo dei kw prodotti la cosa non si può fare. - Il fornitore, che riceve un progetto o è egli stesso il progettista della generazione elettrica intesa come tale e fornisce i materiali necessari allo scopo. - L'installatore che riceve un progetto e dei materiali e fa una mera installazione fisica. Chi è il soggetto che deve garantire l'impianto funzionante chiavi in mano? Colui che ha verificato nella fase preliminare del progetto che si poteva fare e che poi sa cosa fare per mettere a punto l'impianto? Ovviamente risultante da un contratto scritto e registrato. Nella descrizione sin qui fatta sembra proprio che manchi la figura di questo soggetto.
Simone Baldini Inserita: 16 giugno 2022 Segnala Inserita: 16 giugno 2022 Adelino, non so se sei pratico d'installazioni d'impianti FV. Fino a 6kW il monofase è normale averlo anche perchè in una abitazione il trifase per quella potenza non c'è mai soprattutto poi se avviene su edifici esistenti. Sarebbe assurdo avere un impianto FV trifase per poi avere un utilizzo monofase nell'abitazione, praticamente non potresti sfruttare l'autoconsumo. Il gestore di rete credo sia obbligato ad accettare la connessione, e credo anche che debba essere lui a mettere nelle condizioni di farlo e non il cliente/progettista dell'impianto a capire come è fatta la rete del gestore (parliamo di questi piccoli impianti ovviamente). Quindi se l'installatore esegue l'impianto a regola dell'arte ma poi si ritrova una tensione di rete al limite del funzionamento, è logico che dovrebbe essere il gestore a provvedere, ma qui subentra il Davide contro Golia e si cerca di arrangiarsi alla meglio.
Livio Orsini Inserita: 16 giugno 2022 Segnala Inserita: 16 giugno 2022 35 minuti fa, Simone Baldini ha scritto: Quindi se l'installatore esegue l'impianto a regola dell'arte ma poi si ritrova una tensione di rete al limite del funzionamento, è logico che dovrebbe essere il gestore a provvedere, ma qui subentra il Davide contro Golia e si cerca di arrangiarsi alla meglio. Simone il gestore sta operando entro i limiti di tolleranza contrattuale d legale, è l'inverter che non rispetta le norme e la legge. Come ho scritto in precedenza il fornitore di enrgia rispetta il contratto se fornisce enrgia elettrica con tensione di valore compreso tra 207V e 253V, anche se la legge da la possiiblità un ulteriore 5% di tolleranza. L'inverter deve connettersi regolarmente alle reti che hanno questi valori di tensione. Il problema, forse, è che i semiconduttori di potenza dell'inverter sono stressati vicino al 100% quando la tensione di rete arriva a 253V. Per generare energia in rete l'inverter deve produrre con tensione >della tensione di rete. Con 253Vrms di tensione di rete i finali devono commutare tensioni di oltre 720Vpp, questo può essere un problema,quindi tendono a limitare il valore massimo a circa 240Vrms.
Simone Baldini Inserita: 16 giugno 2022 Segnala Inserita: 16 giugno 2022 Certo Livio, io intendevo i casi in cui la tesione di rete è al limite superiore. In quel caso il gestore deve fare in modo di dare la tolleranza per la connessione. In pratica se il gestore mi tiene la tensione a 252V, lui è nella norma ma non permette all'inverter d'immettere in rete dato che deve per forza di cose andare oltre quella tensione. Esiste la norma di riferimento che oltre quei valori obbliga l'inverter al distacco è imposta dallo stesso gestore, è ovvio che deve essere il gestore di rete a bilanciare la rete e far mantenere dei valori che perlettono il funzionamento generale della rete. Poi sicuramente un settaggio migliore dell'inverter puo' risolvere, come penso sia successo nel mio caso.
ilsolitario Inserita: 16 giugno 2022 Segnala Inserita: 16 giugno 2022 Non credo che il gestore prima di rilasciare i permessi verifichi la linea.. Almeno per impianti domestici.. Tecnicamente l'installatore può monitorare con un analizzatore di rete prima di proporre l'impianto , ma se poi dopo mesi dalla messa in servizio i valori cambiano di chi è la colpa?
Livio Orsini Inserita: 16 giugno 2022 Segnala Inserita: 16 giugno 2022 In questo caso la rete, dai dati riportati arriva a non più di 245V, c'è ancora margine sufficiente per rimanere entro il +10% dal valore nominale anche con l'immissione da inverter. E evidente che se la rete fornisse costantemente tensione al valore nominale di 230V con variazioni contenute entro lo 1% saremmo tutti più felici e contenti. Il gestore potrebbe spostaare una presa sul trasfo in cabina, però non sappiano se questo impianto si trova all'inizio della linea o alla fine. Può essere che il gestore sia costretto a partire alto, al limite di tolleranza, per poter rientrare nel limite inferiore al termine della linea. Purtroppo si è spinto con incentivi ed altro alla generazione locale con lo FV, ma non ci si è preoccupati di adeguare le linee. E paradossale la situazione in Puglia dove spesso le pale eoliche devono essere disattivate perchè, se tutti i generatori eolici lavorano a piena potenza la rete elettrica non sopporta l'immissione di tutta l'energia prodotta.
Simone Baldini Inserita: 17 giugno 2022 Segnala Inserita: 17 giugno 2022 Tanto per dare due dati, ieri ho avuto il minimo della tensione di rete alle 8:15 con 210,5V (5 A in immissione) e il massimo alle 12:35 con 249,8V (18,7A in immissione).
Livio Orsini Inserita: 17 giugno 2022 Segnala Inserita: 17 giugno 2022 E, ovviamente, il tuo inverter ha continuato a generare senza disconnessioni come è giusto che sia.
Simone Baldini Inserita: 17 giugno 2022 Segnala Inserita: 17 giugno 2022 Si non ha avuto disconnessioni, però domenica 12/06/2022 ore 14:30 ha superato per 10 minuti il 10% e si è disconnesso. E infatti guardando il datalogger in quelle ore: 2022-06-12 15:15:00 248.8 2022-06-12 15:10:00 251.9 2022-06-12 15:05:00 252.6 2022-06-12 15:00:00 249.8 2022-06-12 14:55:00 249.6 2022-06-12 14:50:00 251.1 2022-06-12 14:45:00 254.9 2022-06-12 14:40:00 249.4 2022-06-12 14:35:00 250.5 2022-06-12 14:30:00 253.2 2022-06-12 14:25:00 252.4 2022-06-12 14:20:00 251.5 2022-06-12 14:15:00 254.1 2022-06-12 14:10:00 251.9 2022-06-12 14:05:00 251.7 2022-06-12 14:00:00 249.4 2022-06-12 13:55:00 249.4 Però fino a quando me lo fa' una volta al mese pace, prima me lo faceva 4/5 volte al giorno.
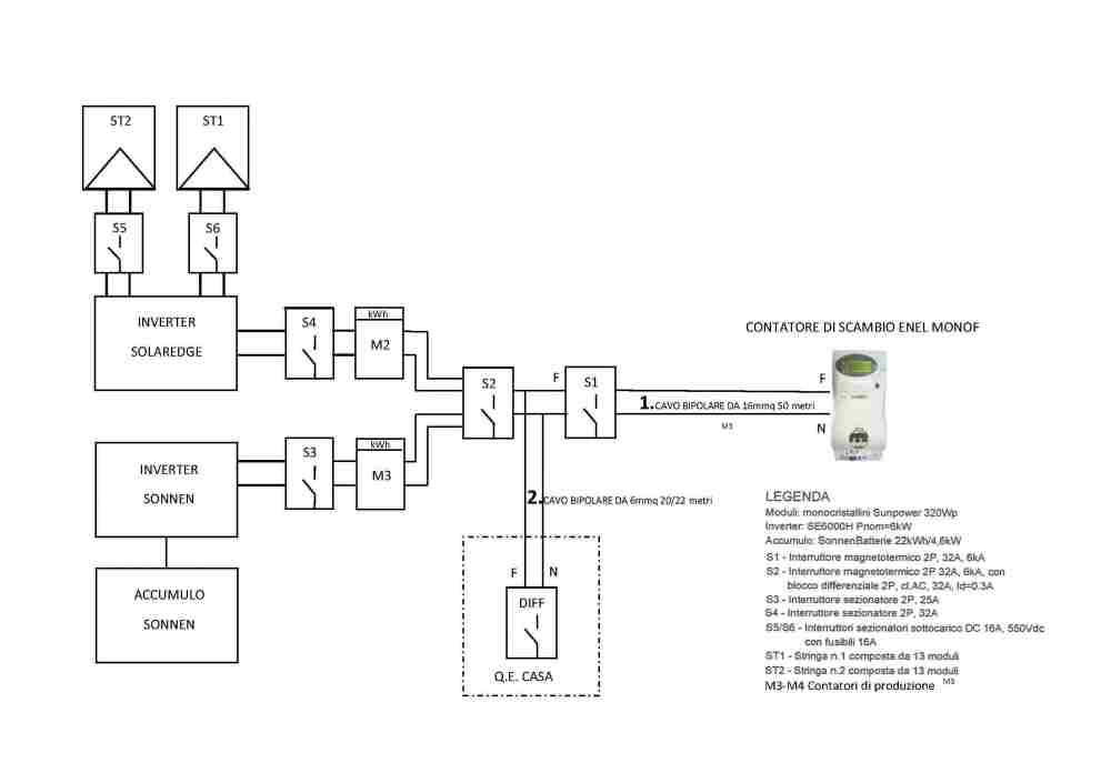
Raf-85 Inserita: 17 giugno 2022 Autore Segnala Inserita: 17 giugno 2022 Rispondo un po a tutti, scusate l'assenza. Allora oggi ho avuto un colloquio telefonico(stavolta pacifico) con l'ingegnere della ditta che mi ha installato l'impianto. Lui circa 2 mesi fa dava come responsabile delle disconnessioni il vecchio cavo della dorsale (6mmq per circa 80 metri) , cambiato da me con un cavo da 16mmq e riducendo la distanza a 50 metri. Oggi cercando di capire se la problematica fosse nell'impianto installato, prima di fare la guerra con il distributore, mi ha detto che il problema al 90% è nella sezione di cavo che va dall'uscita dell'inverter al quadro elettrico di casa(identificato con il 2 sullo schema in allegato), questo cavo è un 6mmq è percorre una distanza di circa 20/22 metri ed è stato installato dalla ditta tramite una canalina esterna che si va a collegare con l'impianto elettrico del fotovoltaico che è locato in una sorta di vano tecnico in giardino . A me sembra strano come ipotesi, quella più plausibile secondo varie ricerca , sta nell'impedenza di rete del distributore che evidentemente non ha sezione adeguata. Voi che ne pensate? vi allego uno schema elettrico fatto da me, non linciatemi ma l'ho fatto con word ma fa capire tutti i collegamenti dell'impianto.
Raf-85 Inserita: 18 giugno 2022 Autore Segnala Inserita: 18 giugno 2022 Rapporto Produzione Tensione Time,Inv1 Potenza CA (W),Inv1 Vca (V) 15/06/2022 05:27,"0","232.057" 15/06/2022 05:37,"0","230.974" 15/06/2022 05:42,"0","230.123" 15/06/2022 05:47,"0","231.616" 15/06/2022 05:52,"9.3008","231.31" 15/06/2022 05:57,"0","230.936" 15/06/2022 06:02,"20.1498","228.57" 15/06/2022 06:07,"41.3465","230.72" 15/06/2022 06:12,"86.6477","231.125" 15/06/2022 06:17,"118.365","230.713" 15/06/2022 06:22,"136.915","233.332" 15/06/2022 06:27,"162.882","233.037" 15/06/2022 06:32,"210.482","228.964" 15/06/2022 06:37,"251.879","230.628" 15/06/2022 06:42,"308.967","233.402" 15/06/2022 06:47,"370.464","233.165" 15/06/2022 06:52,"441.748","233.61" 15/06/2022 06:57,"524.974","228.452" 15/06/2022 07:02,"613.778","231.304" 15/06/2022 07:07,"713.442","228.868" 15/06/2022 07:12,"811.872","231.006" 15/06/2022 07:17,"913.976","235.726" 15/06/2022 07:22,"1028.4399","229.866" 15/06/2022 07:27,"1141.79","233.939" 15/06/2022 07:32,"1255.15","233.296" 15/06/2022 07:37,"1372.87","232.056" 15/06/2022 07:42,"1519.58","236.098" 15/06/2022 07:47,"1629.1899","235.345" 15/06/2022 07:52,"1752.71","229.708" 15/06/2022 07:57,"1898.04","236.678" 15/06/2022 08:02,"2027.42","236.306" 15/06/2022 08:07,"2153.8701","236.879" 15/06/2022 08:12,"2287.1499","237.793" 15/06/2022 08:17,"2421.03","237.281" 15/06/2022 08:22,"2560.3601","237.607" 15/06/2022 08:27,"2680.3201","232.685" 15/06/2022 08:32,"2822.71","232.664" 15/06/2022 08:37,"2954.6599","239.062" 15/06/2022 08:42,"3078.23","235.421" 15/06/2022 08:47,"3210.51","236.135" 15/06/2022 08:52,"3344.8701","235.292" 15/06/2022 08:57,"3471","231.273" 15/06/2022 09:02,"3588.4099","235.829" 15/06/2022 09:07,"3726.6599","238.189" 15/06/2022 09:12,"3869.8799","239.152" 15/06/2022 09:17,"3994.4299","238.896" 15/06/2022 09:22,"4107.4702","243.893" 15/06/2022 09:27,"4234.5498","250.451" 15/06/2022 09:32,"4347.29","247.857" 15/06/2022 09:37,"4458.9702","250.81" 15/06/2022 09:42,"4567.5898","248.756" 15/06/2022 09:47,"4655.1802","245.77" 15/06/2022 09:52,"4776.3301","247.468" 15/06/2022 09:57,"4906.2598","250.729" 15/06/2022 10:02,"4991.5898","249.274" 15/06/2022 10:07,"5084.75","244.217" 15/06/2022 10:12,"5174.3398","245.268" 15/06/2022 10:17,"5263.9702","250.805" 15/06/2022 10:22,"5319.4902","251.834" 15/06/2022 10:27,"5433.0601","250.793" 15/06/2022 10:32,"5538.6299","250.008" 15/06/2022 10:37,"5627.9502","249.349" 15/06/2022 10:42,"5723.96","251.024" 15/06/2022 10:47,"5785.96","249.955" 15/06/2022 10:52,"5857.0498","251.206" 15/06/2022 10:57,"5907.75","250.429" 15/06/2022 11:02,"5976.75","247.911" 15/06/2022 11:07,"5993.6602","248.729" 15/06/2022 11:12,"5996.5298","244.903" 15/06/2022 11:17,"5993.5098","246.971" 15/06/2022 11:22,"5999.6001","249.665" 15/06/2022 11:27,"5914.2998","252.685" 15/06/2022 11:32,"6003.1401","252.475" 15/06/2022 11:37,"5993.79","251.317" 15/06/2022 11:42,"5999.0601","251.087" 15/06/2022 11:47,"5996.27","251.656" 15/06/2022 11:52,"5996.1401","248.993" 15/06/2022 11:57,"5997.02","250.175" 15/06/2022 12:02,"5991.98","252.465" 15/06/2022 12:07,"5999.9502","251.867" 15/06/2022 12:12,"5874.23","253.348" 15/06/2022 12:17,"5796.1499","253.355" 15/06/2022 12:22,"5969.5498","251.406" 15/06/2022 12:27,"5948.21","252.482" 15/06/2022 12:32,"5910.0098","253.196" 15/06/2022 12:37,"5156.0698","254.105" 15/06/2022 12:42,"0","242.484" 15/06/2022 12:47,"1861.33","243.345" 15/06/2022 12:52,"5994.5098","249.767" 15/06/2022 12:57,"5691.1802","253.425" 15/06/2022 13:02,"5999.2002","251.103" 15/06/2022 13:07,"5989.4902","250.945" 15/06/2022 13:12,"5795.8999","253.332" 15/06/2022 13:17,"5380.3398","253.455" 15/06/2022 13:22,"0","241.295" 15/06/2022 13:27,"2994.3501","247.307" 15/06/2022 13:32,"5678.6802","253.195" 15/06/2022 13:37,"6001.5298","252.694" 15/06/2022 13:42,"5449.1699","253.267" 15/06/2022 13:47,"0","239.373" 15/06/2022 13:52,"2697.7","246.736" 15/06/2022 13:57,"5824.5","253.166" 15/06/2022 14:02,"5815.1699","253.012" 15/06/2022 14:07,"5858.1602","252.913" 15/06/2022 14:12,"6004.5898","251.626" 15/06/2022 14:17,"5992.5498","252.772" 15/06/2022 14:22,"5986.8999","252.615" 15/06/2022 14:27,"5990.02","251.679" 15/06/2022 14:32,"5999.6401","249.546" 15/06/2022 14:37,"6001.6602","245.826" 15/06/2022 14:42,"5998.7202","252.147" 15/06/2022 14:47,"6000.7598","250.045" 15/06/2022 14:52,"5991.6401","250.143" 15/06/2022 14:57,"5996.2202","250.26" 15/06/2022 15:02,"5998.1802","249.866" 15/06/2022 15:07,"5999.6299","249.612" 15/06/2022 15:12,"5994.1899","251.508" 15/06/2022 15:17,"5993.6001","250.206" 15/06/2022 15:22,"5986.8901","249.94" 15/06/2022 15:27,"5994.9502","243.018" 15/06/2022 15:32,"5921.0801","246.704" 15/06/2022 15:37,"5848.9102","247.577" 15/06/2022 15:42,"5707.0698","247.553" 15/06/2022 15:47,"5635.7598","246.346" 15/06/2022 15:52,"5540.5898","246.48" 15/06/2022 15:57,"5438.6401","247.098" 15/06/2022 16:02,"5357.7202","247.738" 15/06/2022 16:07,"5245.6699","243.177" 15/06/2022 16:12,"5114.1401","246.531" 15/06/2022 16:17,"4976.3901","246.235" 15/06/2022 16:22,"4837.46","245.85" 15/06/2022 16:27,"4742.3999","246.73" 15/06/2022 16:32,"4611.48","241.734" 15/06/2022 16:37,"4498.8701","248.222" 15/06/2022 16:42,"4406.1602","242.496" 15/06/2022 16:47,"4302.6699","244.436" 15/06/2022 16:52,"4177.4902","239.188" 15/06/2022 16:57,"4057.8701","239.188" 15/06/2022 17:02,"3937.8201","242.371" 15/06/2022 17:07,"3816.8601","240.014" 15/06/2022 17:12,"3718.0801","240.361" 15/06/2022 17:17,"3621.03","232.488" 15/06/2022 17:22,"3553.76","234.329" 15/06/2022 17:27,"3446.27","237.805" 15/06/2022 17:32,"3358.6101","237.357" 15/06/2022 17:37,"2453.9099","237.84" 15/06/2022 17:42,"2540.55","241.322" 15/06/2022 17:47,"2572.26","239.97" 15/06/2022 17:52,"1740.27","231.593" 15/06/2022 17:57,"1480.67","233.845" 15/06/2022 18:02,"1178.11","228.985" 15/06/2022 18:07,"1033.39","232.558" 15/06/2022 18:12,"974.708","232.541" 15/06/2022 18:17,"978.102","221.712" 15/06/2022 18:22,"1019.86","223.665" 15/06/2022 18:27,"1065.6899","225.002" 15/06/2022 18:32,"1034.62","227.125" 15/06/2022 18:37,"950.753","230.608" 15/06/2022 18:42,"855.086","230.182" 15/06/2022 18:47,"767.56","229.629" 15/06/2022 18:52,"687.986","224.666" 15/06/2022 18:57,"612.364","230.119" 15/06/2022 19:02,"552.624","227.959" 15/06/2022 19:07,"511.771","226.483" 15/06/2022 19:12,"487.291","228.736" 15/06/2022 19:17,"471.411","227.091" 15/06/2022 19:22,"446.399","227.053" 15/06/2022 19:27,"412.008","225.349" 15/06/2022 19:32,"373.235","225.807" 15/06/2022 19:37,"315.52","229.729" 15/06/2022 19:42,"272.411","224.89" 15/06/2022 19:47,"217.691","229.074" 15/06/2022 19:52,"172.626","223.889" 15/06/2022 19:57,"138.307","221.632" 15/06/2022 20:02,"104.682","219.507" 15/06/2022 20:07,"90.99","226.395" 15/06/2022 20:12,"37.7547","227.648" 15/06/2022 20:17,"22.1046","224.199" 15/06/2022 20:22,"0","227.868" 15/06/2022 20:27,"0","222.838" 15/06/2022 20:32,"0","226.237" 15/06/2022 20:37,"0","227.481" 15/06/2022 20:42,"0","223.294" 15/06/2022 20:47,"0","228.444" 15/06/2022 22:47,"0","227.936" Rapporto Corrente AC Produzione 15/06/2022 05:27,"0","0" 15/06/2022 05:37,"0","0" 15/06/2022 05:42,"0","0" 15/06/2022 05:47,"0.6513","0" 15/06/2022 05:52,"0.7164","9.3008" 15/06/2022 05:57,"0","0" 15/06/2022 06:02,"0.688","20.1498" 15/06/2022 06:07,"0.7299","41.3465" 15/06/2022 06:12,"0.7428","86.6477" 15/06/2022 06:17,"0.8148","118.365" 15/06/2022 06:22,"0.865","136.915" 15/06/2022 06:27,"1.0214","162.882" 15/06/2022 06:32,"1.1494","210.482" 15/06/2022 06:37,"1.2828","251.879" 15/06/2022 06:42,"1.5281","308.967" 15/06/2022 06:47,"1.7871","370.464" 15/06/2022 06:52,"2.0653","441.748" 15/06/2022 06:57,"2.4206","524.974" 15/06/2022 07:02,"2.7623","613.778" 15/06/2022 07:07,"3.2051","713.442" 15/06/2022 07:12,"3.5824","811.872" 15/06/2022 07:17,"3.9486","913.976" 15/06/2022 07:22,"4.5436","1028.4399" 15/06/2022 07:27,"4.9396","1141.79" 15/06/2022 07:32,"5.4343","1255.15" 15/06/2022 07:37,"5.965","1372.87" 15/06/2022 07:42,"6.4879","1519.58" 15/06/2022 07:47,"6.9647","1629.1899" 15/06/2022 07:52,"7.6665","1752.71" 15/06/2022 07:57,"8.0608","1898.04" 15/06/2022 08:02,"8.6115","2027.42" 15/06/2022 08:07,"9.1321","2153.8701" 15/06/2022 08:12,"9.6543","2287.1499" 15/06/2022 08:17,"10.2263","2421.03" 15/06/2022 08:22,"10.8203","2560.3601" 15/06/2022 08:27,"11.547","2680.3201" 15/06/2022 08:32,"12.1484","2822.71" 15/06/2022 08:37,"12.3806","2954.6599" 15/06/2022 08:42,"13.0912","3078.23" 15/06/2022 08:47,"13.6133","3210.51" 15/06/2022 08:52,"14.2441","3344.8701" 15/06/2022 08:57,"15.0146","3471" 15/06/2022 09:02,"15.2456","3588.4099" 15/06/2022 09:07,"15.6545","3726.6599" 15/06/2022 09:12,"16.194","3869.8799" 15/06/2022 09:17,"16.7354","3994.4299" 15/06/2022 09:22,"16.8772","4107.4702" 15/06/2022 09:27,"16.9071","4234.5498" 15/06/2022 09:32,"17.5633","4347.29" 15/06/2022 09:37,"17.7921","4458.9702" 15/06/2022 09:42,"18.3722","4567.5898" 15/06/2022 09:47,"18.9505","4655.1802" 15/06/2022 09:52,"19.3029","4776.3301" 15/06/2022 09:57,"19.5904","4906.2598" 15/06/2022 10:02,"20.0044","4991.5898" 15/06/2022 10:07,"20.8308","5084.75" 15/06/2022 10:12,"21.1186","5174.3398" 15/06/2022 10:17,"21.0126","5263.9702" 15/06/2022 10:22,"21.1361","5319.4902" 15/06/2022 10:27,"21.6694","5433.0601" 15/06/2022 10:32,"22.1601","5538.6299" 15/06/2022 10:37,"22.5754","5627.9502" 15/06/2022 10:42,"22.8167","5723.96" 15/06/2022 10:47,"23.1675","5785.96" 15/06/2022 10:52,"23.3221","5857.0498" 15/06/2022 10:57,"23.5797","5907.75" 15/06/2022 11:02,"24.1294","5976.75" 15/06/2022 11:07,"24.1167","5993.6602" 15/06/2022 11:12,"24.4848","5996.5298" 15/06/2022 11:17,"24.2814","5993.5098" 15/06/2022 11:22,"24.0271","5999.6001" 15/06/2022 11:27,"23.4023","5914.2998" 15/06/2022 11:32,"23.7574","6003.1401" 15/06/2022 11:37,"23.855","5993.79" 15/06/2022 11:42,"23.8924","5999.0601" 15/06/2022 11:47,"23.8342","5996.27" 15/06/2022 11:52,"24.0788","5996.1401" 15/06/2022 11:57,"23.9471","5997.02" 15/06/2022 12:02,"23.7449","5991.98" 15/06/2022 12:07,"23.8239","5999.9502" 15/06/2022 12:12,"23.1934","5874.23" 15/06/2022 12:17,"22.8845","5796.1499" 15/06/2022 12:22,"23.7603","5969.5498" 15/06/2022 12:27,"23.5323","5948.21" 15/06/2022 12:32,"23.3502","5910.0098" 15/06/2022 12:37,"20.3266","5156.0698" 15/06/2022 12:42,"0","0" 15/06/2022 12:47,"7.7108","1861.33" 15/06/2022 12:52,"24.0049","5994.5098" 15/06/2022 12:57,"22.4729","5691.1802" 15/06/2022 13:02,"23.9173","5999.2002" 15/06/2022 13:07,"23.8774","5989.4902" 15/06/2022 13:12,"22.894","5795.8999" 15/06/2022 13:17,"21.2593","5380.3398" 15/06/2022 13:22,"0","0" 15/06/2022 13:27,"12.1439","2994.3501" 15/06/2022 13:32,"22.4467","5678.6802" 15/06/2022 13:37,"23.741","6001.5298" 15/06/2022 13:42,"21.4963","5449.1699" 15/06/2022 13:47,"0","0" 15/06/2022 13:52,"10.9535","2697.7" 15/06/2022 13:57,"22.9621","5824.5" 15/06/2022 14:02,"22.9848","5815.1699" 15/06/2022 14:07,"23.1615","5858.1602" 15/06/2022 14:12,"23.8312","6004.5898" 15/06/2022 14:17,"23.7155","5992.5498" 15/06/2022 14:22,"23.7463","5986.8999" 15/06/2022 14:27,"23.846","5990.02" 15/06/2022 14:32,"24.0261","5999.6401" 15/06/2022 14:37,"24.4657","6001.6602" 15/06/2022 14:42,"23.8142","5998.7202" 15/06/2022 14:47,"23.9967","6000.7598" 15/06/2022 14:52,"23.9881","5991.6401" 15/06/2022 14:57,"23.9727","5996.2202" 15/06/2022 15:02,"24.0106","5998.1802" 15/06/2022 15:07,"24.0279","5999.6299" 15/06/2022 15:12,"23.8719","5994.1899" 15/06/2022 15:17,"23.9606","5993.6001" 15/06/2022 15:22,"23.9927","5986.8901" 15/06/2022 15:27,"24.6955","5994.9502" 15/06/2022 15:32,"24.0127","5921.0801" 15/06/2022 15:37,"23.6072","5848.9102" 15/06/2022 15:42,"23.0784","5707.0698" 15/06/2022 15:47,"22.9019","5635.7598" 15/06/2022 15:52,"22.4631","5540.5898" 15/06/2022 15:57,"22.0789","5438.6401" 15/06/2022 16:02,"21.6168","5357.7202" 15/06/2022 16:07,"21.5568","5245.6699" 15/06/2022 16:12,"20.7668","5114.1401" 15/06/2022 16:17,"20.2119","4976.3901" 15/06/2022 16:22,"19.6795","4837.46" 15/06/2022 16:27,"19.2424","4742.3999" 15/06/2022 16:32,"19.1045","4611.48" 15/06/2022 16:37,"18.1514","4498.8701" 15/06/2022 16:42,"18.1939","4406.1602" 15/06/2022 16:47,"17.6232","4302.6699" 15/06/2022 16:52,"17.4533","4177.4902" 15/06/2022 16:57,"16.9827","4057.8701" 15/06/2022 17:02,"16.2532","3937.8201" 15/06/2022 17:07,"15.93","3816.8601" 15/06/2022 17:12,"15.4759","3718.0801" 15/06/2022 17:17,"15.6014","3621.03" 15/06/2022 17:22,"15.1832","3553.76" 15/06/2022 17:27,"14.5143","3446.27" 15/06/2022 17:32,"14.1765","3358.6101" 15/06/2022 17:37,"10.3544","2453.9099" 15/06/2022 17:42,"10.5646","2540.55" 15/06/2022 17:47,"10.7424","2572.26" 15/06/2022 17:52,"7.5527","1740.27" 15/06/2022 17:57,"6.3766","1480.67" 15/06/2022 18:02,"5.1933","1178.11" 15/06/2022 18:07,"4.5128","1033.39" 15/06/2022 18:12,"4.2608","974.708" 15/06/2022 18:17,"4.4587","978.102" 15/06/2022 18:22,"4.6163","1019.86" 15/06/2022 18:27,"4.7847","1065.6899" 15/06/2022 18:32,"4.6031","1034.62" 15/06/2022 18:37,"4.1765","950.753" 15/06/2022 18:42,"3.7699","855.086" 15/06/2022 18:47,"3.4166","767.56" 15/06/2022 18:52,"3.1319","687.986" 15/06/2022 18:57,"2.7593","612.364" 15/06/2022 19:02,"2.5168","552.624" 15/06/2022 19:07,"2.3682","511.771" 15/06/2022 19:12,"2.2408","487.291" 15/06/2022 19:17,"2.199","471.411" 15/06/2022 19:22,"2.0924","446.399" 15/06/2022 19:27,"1.9651","412.008" 15/06/2022 19:32,"1.7938","373.235" 15/06/2022 19:37,"1.5503","315.52" 15/06/2022 19:42,"1.396","272.411" 15/06/2022 19:47,"1.1583","217.691" 15/06/2022 19:52,"0.9596","172.626" 15/06/2022 19:57,"0.8164","138.307" 15/06/2022 20:02,"0.708","104.682" 15/06/2022 20:07,"0.7889","90.99" 15/06/2022 20:12,"0.6798","37.7547" 15/06/2022 20:17,"0.5833","22.1046" 15/06/2022 20:22,"0.623","0" 15/06/2022 20:27,"0","0" 15/06/2022 20:32,"0","0" 15/06/2022 20:37,"0","0" 15/06/2022 20:42,"0.6043","0" 15/06/2022 20:47,"0","0" 15/06/2022 22:47,"0","0"
Simone Baldini Inserita: 27 giugno 2022 Segnala Inserita: 27 giugno 2022 (modificato) Il cavo 2 non c'entra un bel nulla, se tu non stai usando energia elettrica quella sezione è praticamente morta e tutta l'energia prodotta deve andarein rete. Per fare la prova del nove dovresti mettere un registratore di tensione al contatore bidirezionale. Se li rilevi la stessa tensione (o poco meno) della tensione all'inverter, il problema non è la caduta di tensione della linea. A gradi linee potenza 6000W con 80 mt 6 mmq ti doveva cadere di 11 V, adesso con cavo 50 mt e 16mmq sarebbero meno di 3 V. Quind ci stava che prima non andasse troppo bene, ma adesso non dovresti riscontrare grossi problemi. Modificato: 27 giugno 2022 da Simone Baldini
Messaggi consigliati