Jump to content

Recommended Posts

Posted

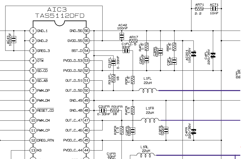
Buongiorno a tutti, mi hanno portato un Samsung HT-P10, un Home Theater 5.1 da controllare ( era il cavo nello speaker infilato male.. ).

Per curiosità apro, tensioni a posto, ma già a volume basso le bobine di uscita 22uH dei canali del TAS5112DFD sono molto calde,

quando suona in 2.1 le bobine di centrale e posteriori (che sono a volume zero) diventano bollenti.

Non è uno schianto di HiFi ma suona decente, non ci sono guasti apparenti,

i condensatori esterni nel ramo di uscita sono tutti a posto, non gonfi.

Li smonterò per provarli uno a uno, ma dallo schema lavorano veramente poco.

Nessun componente messo male o scaldato. Mistero.

E' normale che le bobine scaldino ? In altri Classe D sono fredde. Un po' tiepide quando " tiri " i Watt, è normale.

E' capitato anche a voi ? Suggerimenti ?

Qui un estratto dello schema, tanto è ripetitivo..

Grazie mille a chi volesse rispondere.

 

( per Moderatore: hio sbagliato a postare nella sezione guasti risolti, chiedo scusa: si può cancellare ? )

ESTRATTO.PNG

Create an account or sign in to comment

You need to be a member in order to leave a comment

Create an account

Sign up for a new account in our community. It's easy!

Register a new account

Sign in

Already have an account? Sign in here.

Sign In Now
×
×
  • Create New...