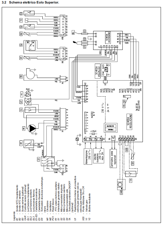
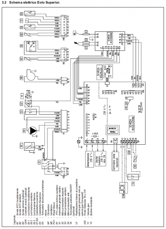
dududg Inserito: 27 novembre 2022 Segnala Inserito: 27 novembre 2022 (modificato) Ciao a tutti! Dopo aver letto un sacco di discussioni mi sono fatto una vaga idea ma non ho trovato qualcuno con il mio stesso problema né tantomeno la soluzione. Qui il livello di competenza è altissimo e io non sono altrettanto preparato ma spero che qualche prezioso suggerimento possa aiutarmi... Avevo un problema con la mia caldaia Immergas Eolo 21 Superior, che andava spesso in blocco per "Errore 14" e così approfittando della manutenzione annuale il tecnico ha anche sostituito la centralina di accensione e adesso l'errore non si presenta più. Successivamente il tecnico ha sostituito pure la manopola di plastica dell'interruttore generale di accensione che si era rotta, bloccandolo in posizione 1 oppure 2 (non ricordo) ma il problema adesso è che il cronotermostato esterno (che non aveva mai dato problemi) non comanda più l'accensione della caldaia. Soltanto il cronotermostato è collegato (sullo schema morsetti 40 e 41), non c'è Comando Amico Remoto (CAR, su morsetti 42 e 43) né sonda esterna (su 38 e 39). Con l'interruttore generale (manopola 5): in posizione 0 è tutto spento come atteso in posizione 1 (ATS + CAR) l'acqua calda parte correttamente, il riscaldamento dei termosifoni resta spento anche se a comando il relè del cronotermostato esterno scatta per accendere (se dico bene chiudere il contatto normalmente aperto) in posizione 2 (ATS + Riscaldamento) l'acqua calda parte correttamente, il riscaldamento si accende, seguendo la manopola 2 sul pannello della caldaia stessa, e non si ferma anche se a comando il relè del cronotermostato esterno scatta per spegnere (se dico bene aprire il contatto) Staccando la connessione del termostato e ripristinando il ponte P1 tra i morsetti 40 e 41, la situazione non cambia. Ora per completezza forse dovrei fare un'altra prova, riaprendo e smontando tutti i vari coperchi e tentando di accendere senza termostato e senza ponte P1, ma quello che non ho capito è: come dovrebbe funzionare l'interruttore generale rotativo a 3 posizioni? Non mi è chiaro se la posizione 1 (ATS+CAR) accende i termosifoni solo con il Comando Amico Remoto, escludendo anche il cronotermostato oltre alla manopola 2 di regolazione sul pannello (per la temperatura della mandata), e senza CAR sarebbe da intendersi come "estiva". E allo stesso modo se quindi con la posizione 2 (ATS+Riscaldamento) dovrei aspettarmi che escluda solo il CAR ma come posizione "invernale" considerare comunque il cronotermostato per far partire i termosifoni. Oppure viceversa se per l'interruttore della caldaia il Controllo Amico Remoto e Cronotermostato sono assimilati e la posizione 1 vale per entrambi. Nel primo caso, con l'interruttore in posizone 1 avrei un problema perché anche con il ponte P1 non si chiude il contatto per far partire il riscaldamento: sperando che magari con il cambio della centralina sia stata invertita la fase da qualche parte piuttosto che un danno ulteriore alla scheda. Nel secondo caso, con l'interruttore in posizione 2 avrei un problema perché anche con il cronotermostato aperto il riscaldamento non si spegne e a quel punto se non ho capito male dovrei far verificare l'interruttore stesso (dopo aver cambiato la manopola), poi la valvola di zona ed infine eventualmente la scheda stessa. Secondo voi le mie ipotesi sono corrette? Se c'è qualche idea prima di richiamare nuovamente il tecnico per l'ennesima volta, e non si sa con che risultati (mi aveva detto di cambiare termostato) sarei felicissimo di confrontarmi e imparare! Grazie mille!!!! Modificato: 27 novembre 2022 da dududg ortografia
Stefano Dalmo Inserita: 27 novembre 2022 Segnala Inserita: 27 novembre 2022 (modificato) Non avendo montato i CAR. ,la posizione della manopola 5 deve stare sulla posizione 2 sanitario riscaldamento . Il cronotermostato deve essere collegato tra 40 e 41 al posto del ponte ,. in questa posizione ,a ponte presente , la caldaia non si deve spegnere , a ponte staccato si deve fermare . Se con il crono collegato a questi morsetti , la caldaia non si spegne , nonostante i contatti aperti , C'è un problema sulla scheda . Ma lo dovrebbe fare pure a ponte staccato ,. Non so se mi sono spiegato. Modificato: 27 novembre 2022 da Stefano Dalmo
dududg Inserita: 27 novembre 2022 Autore Segnala Inserita: 27 novembre 2022 grazie mille per il chiarimento preziosissimo! resta in effetti da provare a ponte staccato allora se in posizione 2 non spegne ci sarebbe un problema sulla scheda... anche se purtroppo prima del cambio centralina, errore di accensione a parte, l'accensione tramite cronotermostato non dava problemi provo appena possibile e faccio sapere com'è andata grazie ancora
dududg Inserita: 8 gennaio 2023 Autore Segnala Inserita: 8 gennaio 2023 (modificato) finalmente sono riuscito a metterci mano... con il ponte staccato, con la manopola 5 in posizione 2 la caldaia resta spenta, il cronotermostato provato per ulteriore conferma con il tester è risultato funzionante: si trattava di un contatto nel collegamento dalla scheda della caldaia al termostato, sostituiti i fili è tornato a funzionare tutto come prima! grazie ancora per il supporto Modificato: 8 gennaio 2023 da dududg
Stefano Dalmo Inserita: 8 gennaio 2023 Segnala Inserita: 8 gennaio 2023 Perfetto ! Grazie per l'aggiornamento 👍
Messaggi consigliati
Crea un account o accedi per commentare
Devi essere un utente per poter lasciare un commento
Crea un account
Registrati per un nuovo account nella nostra comunità. è facile!
Registra un nuovo accountAccedi
Hai già un account? Accedi qui.
Accedi ora