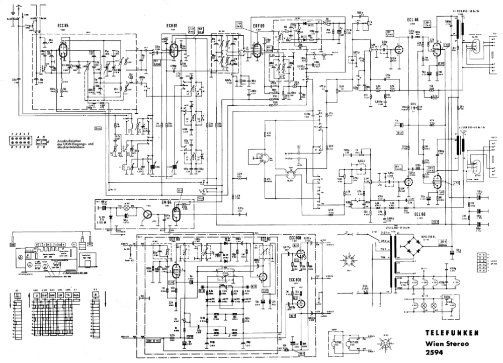
flavio_69 Inserito: 17 aprile 2023 Segnala Inserito: 17 aprile 2023 Buongiorno a tutti! Mi sto cimentando nella riparazione di un telaio Radio a valvole Telefunken che ho acquistato recentemente. Ho iniziato con una ispezione "visiva", sostituito la base in legno perchè quella in truciolato si stava letteralmente sgretolando. La radio si accende e, una volta scaldate le valvole, suona... però suona decisamente male. Il suono è basso e risulta molto saturo (quasi in distorsione) anche tenendo il volume molto basso. Ho provato anche a collegare una fonte audio esterna, per capire se l'origine della saturazione fosse negli stadi di ricezione radio, ma il risultato è lo stesso. Ho ordinato un set completo di valvole per sostituire quelle presenti e sono in attesa che le varie spedizioni arrivino. Ora stavo dando un'occhiata ai condensatori: quelli a carta sembra abbiano rilasciato qualche sostanza e non riesco a trovare gli stessi valori... posso sostituirli con condensatori in polipropilene? Grazie in anticipo per l'aiuto! Flavio
Riccardo Ottaviucci Inserita: 17 aprile 2023 Segnala Inserita: 17 aprile 2023 forse non serviva cambiare tutte le valvole,al massimo la finale di BF. Quello che devi sostituire sono i condensatori elettrolitici e quelli a carta,previo controllo con capacimetro
flavio_69 Inserita: 17 aprile 2023 Autore Segnala Inserita: 17 aprile 2023 17 minutes ago, Riccardo Ottaviucci said: forse non serviva cambiare tutte le valvole,al massimo la finale di BF. Quello che devi sostituire sono i condensatori elettrolitici e quelli a carta,previo controllo con capacimetro Grazie Riccardo! Non conoscendo quante ore di funzionamento avessero alle spalle ho preferito iniziare dalle valvole. Il mio dubbio più grosso è relativo ai condensatori a carta... a tuo avviso, si possono eventualmente sostituire con quelli in polipropilene?
flavio_69 Inserita: 17 aprile 2023 Autore Segnala Inserita: 17 aprile 2023 Sì, il Wien 2594 è lo stesso chassis montato però su un mobile radio/giradischi.
Messaggi consigliati
Crea un account o accedi per commentare
Devi essere un utente per poter lasciare un commento
Crea un account
Registrati per un nuovo account nella nostra comunità. è facile!
Registra un nuovo accountAccedi
Hai già un account? Accedi qui.
Accedi ora