salsan Inserito: 24 aprile 2023 Segnala Inserito: 24 aprile 2023 Salve a tutti. un amico che deve liberare un box che ha acquistato mi ha proposto in regalo una vecchia betoniera. Prima di organizzarmi per trasportarla avrei intenzione di capire se è funzionante oppure no. Purtroppo sia l'interruttore che la spina sono mancanti e quindi non ho potuto testare il funzionamento. Il motore - che purtroppo non ha nessuna targa - presenta 4 cavi, una coppia con colori rosso e nero di sezione più spessa, ed una coppia di due cavi bianchi di sezione più sottile. Al motore è collegato un condensatore da 12uF tramite una coppia di cavi con colore rosso e blu che escondo dal motore. Purtroppo non sono ferrato in materia, pertanto vi chiederei di aiutarmi a capire come collegare un'interruttore quanto meno per vedere se il motore funziona. Con le mie minime competanze ho potuto constatare la continuità tra i due cavi spessi rosso e nero e tra i due cavi sottili bianchi. Inoltre ho appurato che i cavi rosso e nero danno anche continuità con i due cavi rosso e blu che vanno al condensatore (la misura l'ho fatta staccando i fastom del condensatore). Avevo scritto su un foglio anche i valori delle due resistenze, ma purtroppo ho dimenticato il foglio nel box ed è andato perso. Vi chiederei la cortesia di indicarmi come collegare un interruttore (ne avrei disponibile uno bipolare) per testare se il motore funziona. Grazie mille Saluti, Sandro Se può essere utile, allego anche una foto del motore nello stato in cui si trova
Livio Orsini Inserita: 24 aprile 2023 Segnala Inserita: 24 aprile 2023 Sembra un motore monofasecon condensatore sempre inserito. Sul moter non c'è una targa con le caratteristiche? Se c'è fotografala in modo leggibile e pubblicala.
salsan Inserita: 24 aprile 2023 Autore Segnala Inserita: 24 aprile 2023 Purtroppo non c'è nessuna targa sul motore
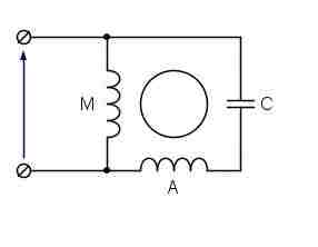
salsan Inserita: 28 aprile 2023 Autore Segnala Inserita: 28 aprile 2023 Il 24/4/2023 alle 16:42 , Livio Orsini ha scritto: Sembra un motore monofasecon condensatore sempre inserito. Premesso che purtroppo non ho alcuna competenza con i motori elettrici, per quello che ho provato a studiare, mi rusulta coerente che una betoniera avesse un motore con condensatore sempre inserito sull'avvolgimento di lavoro, ma guardando uno schema classico di motore con condensatore di lavoro sempre inserito (allego uno schema trovato in rete) c'è qualcosa che non mi torna, specialmente considerando che il motore ha 4 fili che dovrebbero essere relativi ai due avvolgimenti separati. Il tema è che, con le verifiche di continuità fatte, sembra che il condensatore sia in parallelo con uno dei due avvolgimenti. Invece, guardando lo schema e considerando i due avvolgimenti separati, non dovrei ritrovarmi continuità tra i entrambi i fili che vanno al condensatore e i due capi di uno stesso avvolgimento. Ho anche per un momento pensato ad una possibile manomissione dei collegamenti, ma tenderei ad escluderla perchè sia i 4 fili degli avvolgimenti che i due che vanno al condensatore escono dal motore per mezzo di due guaine bianche che non sembrano aver subito danni o modifiche Sono nel più totale dubbio. Ci sarebbe qualche prova di collegamento alla rete che posso fare (magari anche in maniera empirica) sperando ovviamente di non far danni e non bruciare niente? Grazie a chiunque volesse aiutarmi Saluti, Sandro
rubio2002it Inserita: 28 aprile 2023 Segnala Inserita: 28 aprile 2023 Ciao, potrebbe essere che i fili bianchi siano una termica, cioè una sicurezza. Se così fosse inserendo il tester dovrebbe segnare 0 ohm, contatto chiuso. Se vorresti effettuare una prova alimenta i due fili rosso e nero con la 230 V tramite un magnetotermico da 10 A, un attacca e stacca giusto per capire qualcosa in più.
salsan Inserita: 3 maggio 2023 Autore Segnala Inserita: 3 maggio 2023 Grazie dell'indicazione Rubio. Ho verificato ed alla fine i fili bianchi erano proprio una termica. Quindi ho potuto effettuare i collegamenti ed il motore gira. Grazie di nuovo a tutti Saluti
rubio2002it Inserita: 3 maggio 2023 Segnala Inserita: 3 maggio 2023 Ciao, meno male, visto che non scrivevi più ho pensato che era saltato tutto😂😂
TinoAle Inserita: 10 giugno 2025 Segnala Inserita: 10 giugno 2025 (modificato) Salve, approfitto della discussione, sempre se posso, per chiedere spiegazioni su un motore monofase di una vecchia betoniera da riutilizare come motore per un nastro. In poche parole il motore ha 4 fili che escono dal suo interno, 2 rossi e 2 bianchi. Ai capi dei fili bianchi c'era un condensatore, da sostituire (450v 32 o 35 uf non si capiva bene xè la scritta era rovinata) perchè a quanto detto esausto. Il muratore mi ha detto che basta collegare neutro ad un filo rosso, la fase all'altro filo rosso, ricollegare il nuovo condensatore ed il motore farà il suo dovere. Dai video visti su youtube ho notato che nessuno collega così un motore monofase come descritto in precedenza ma lo fanno in modo diverso. Nella foto qui sotto ho rappresentato (ho cercato di fare del mio meglio con Paint) il collegamento come mi hanno detto di fare "Situazione 1" ed il collegamento che secondo me e secondo i video andrebbe fatto "Situazione 2". Poi vorrei capire a cosa serve il condensatore, che funzione ha, alcuni dicono che serve per lo spunto iniziale altri che serve a far funzionare il motore. Ah dimenticavo di dire che con un multimetro ho misurato gli ohm tra i 2 fili rossi 2,5 ohm e tra i 2 fili bianchi 8,7 ohm. Grazie per il vostro tempo. Modificato: 10 giugno 2025 da TinoAle
Maurizio Colombi Inserita: 10 giugno 2025 Segnala Inserita: 10 giugno 2025 19 minuti fa, TinoAle ha scritto: approfitto della discussione, sempre se posso Purtroppo il regolamento di PLCForum non permette di accodarsi a discussioni ferme da parecchio tempo. Per cortesia, apri una nuova discussione von il tuo quesito Grazie. DISCUSSIONE CHIUSA
Messaggi consigliati