Vai al contenuto
PLC Forum


Paranco monofase 230V: collegamento condensatore


Messaggi consigliati

Inserito:

Buonasera,

 

sto riparando un paranco e mi trovo in difficoltà nel collegare un condensatore con doppio deviatore (classico salita/discesa a 6 pin).

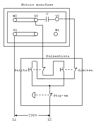
Alla pulsantiera arrivano due cavi di fase (entrambe provenienti dalla stessa fase 230V) ed escono altri due cavi che vanno al motore (il neutro va diretto al motore).

 

Ora non capisco come va collegato il doppio deviatore a 6 pin in presenza del condensatore da 30uF a 4 poli (ponticellati a due a due).

 

In rete ho trovato uno schema (in allegato) ma possiede due condensatori. Come posso realizzare lo stesso schema con il mio condensatore a 4 poli?

 

Grazie infinite in anticipo

SchemaParanco.jpg


del_user_155042
Inserita: (modificato)
Quote

Come posso realizzare lo stesso schema con il mio condensatore a 4 poli?

e sempre un condensatore , non sono due , quindi consideralo condensatore unico .

 

Quote

Ora non capisco come va collegato

Come giravano una volta le lavatrici .

se metti un po di foto dettagliate cosa hai , sarebbe meglio , perche rischi ti piantare un corto secco..

Comunque negli schemi a due condensatori , che credo non sia il caso tuo , serve per aumentare la coppia del motore .

 

Vedi un po se ti convince questo che ho pescato in rete , altrimenti chiedi pure .

 

 

add05180e74b24c22e5bdd5d1c3844fdf15eb6c4_3.png

7c9a6603cb1cda52e0cc7871d292460d.jpg

Trifase con cond.jpg

Modificato: da bypass
Inserita:

Grazie infinite per la risposta. 

Infatti per verificare che il motore funzionasse, all'interno della pulsantiera ho collegato una fase in ingresso direttamente ad un cavo di uscita mentre sull'altra   fase ho collegato il condensatore è quindi al secondo cavo d'uscita. Invertendo il collegamento ottenevo la discesa. 

 

Quello che non mi convince del mio schema è che quando nel deviatore sono attivi i due pin inferiori (oltre a quelli centrali) il condensatore non va in corto? Perché la corrente esce da quello grande, va al pin in basso a dx, quindi al centrale e arriva all'armatura di quello piccolo. Lì non si verifica un corto sul condensatore? 

Grazie nuovamente e scusa l'ignoranza 

del_user_155042
Inserita: (modificato)

se metti delle foto è meglio,

Se il tuo ha dei finecorsa ,quando colleghi , e provi a impulsi ,  se non si ferma quando tutto sù,  inverti  le posizioni dei cavi  1 con 6 , quindi stai attento.

414KrerfzYL._SX425_.jpg

Modificato: da bypass
Inserita:

Grazie infinite per l'aiuto. Sono riuscito a risolvere grazie al tuo schema. 

 

Buona domenica 

Crea un account o accedi per commentare

Devi essere un utente per poter lasciare un commento

Crea un account

Registrati per un nuovo account nella nostra comunità. è facile!

Registra un nuovo account

Accedi

Hai già un account? Accedi qui.

Accedi ora
×
×
  • Crea nuovo/a...