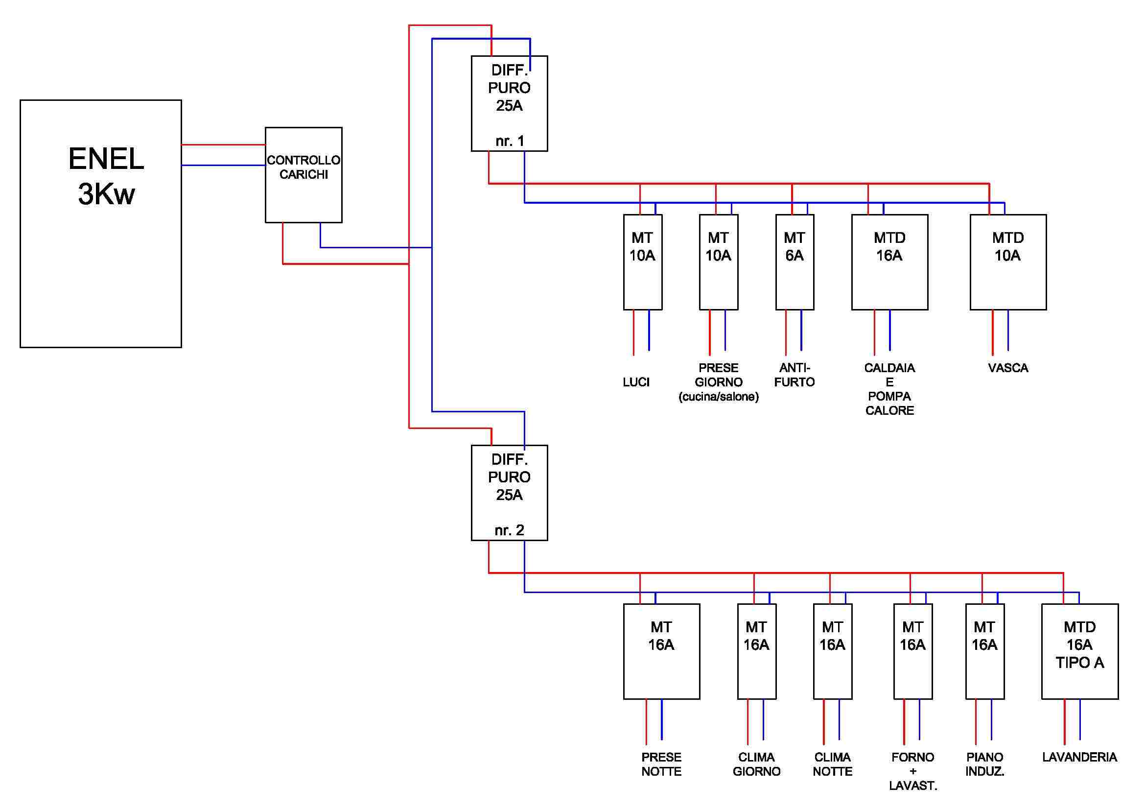
GIUMON78 Inserito: 31 maggio 2023 Segnala Inserito: 31 maggio 2023 salve, premetto di non essere elettricista professionista, ma mi piace studiare e capire le cose. quello in foto è il disegno (l'ho fatto io, spero sia chiaro) dell'impianto che mi ha realizzato l'elettricista quando ho ristrutturato qualche mese fa. volevo chiedere dei consigli, - innanzitutto che ne pensate di come è stato sviluppato l'impianto - l'MT per tutta la zona cucina mi sembra piccolo. (ci abito da poco, quindi ancora non ho testato tutti i carichi) volendo installare un piano cottura ad induzione (da 7 kw, ma limitato a 3kw) ed inserire un controllo carichi per il distacco selettivo di alcuni elettrodomestici, dovrei inserire nel quadro (lo spazio c'è) altri 4 MT dedicati al Piano induzione, forno, lavastoviglie e lavatrice, portando i cavi direttamente all'elettrodomestico. ora il mio dubbio è questi altri 4 MT andrebbero inseriti continuando la linea dopo MTD vasca ? per gli elettrodomestici citati vanno bene degli MT o è opportuno montare MTD? grazie
piergius Inserita: 31 maggio 2023 Segnala Inserita: 31 maggio 2023 13 ore fa, GIUMON78 ha scritto: Impianto che mi ha realizzato l'elettricista quando ho ristrutturato qualche mese fa. 1° accorgimento: Non è consigliabile avere il Frigo sotto lo stesso Magnetotermico e / o Differenziale di Forno e altri Grandi Elettrodomestici. - Quindi per Luce e Servizi Essenziali H24, Frigo compreso, si dovrebbe affiancare un altro Differenziale. - 2) Mancano i Dati del "salvavita 25A", cioè: - se è Differenziale Puro o MagnetoTermicoDifferenziale - Tipo AC oppure Tipo A Immune o Tipo F. - Se è vicino al Contatore o fa parte del Centralino. - Distanza tra Contatore e Centralino. > - A mio avviso, visto il numero di MagnetoTermici e relative Linee a valle, sta già lavorando in "Area di Scatto" nonostante i vari Carichi lasciati in Stand-by . - Buona notte !
Maurizio Colombi Inserita: 1 giugno 2023 Segnala Inserita: 1 giugno 2023 Tieni presente che per suddividere gli elettrodomestici uno ad uno come hai ipotizzato, dovrai rifare completamente l'impianto in cucina, sperando che ci sia spazio nei tubi per le nuove linee e che tutte le prese siano accessibili senza smontare i mobili. Per il resto non la vedo una brutta idea, quanto è grande il centralino?
GIUMON78 Inserita: 1 giugno 2023 Autore Segnala Inserita: 1 giugno 2023 8 ore fa, piergius ha scritto: 1° accorgimento: Non è consigliabile avere il Frigo sotto lo stesso Magnetotermico e / o Differenziale di Forno e altri Grandi Elettrodomestici. - Quindi per Luce e Servizi Essenziali H24, Frigo compreso, si dovrebbe affiancare un altro Differenziale. - 2) Mancano i Dati del "salvavita 25A", cioè: - se è Differenziale Puro o MagnetoTermicoDifferenziale - Tipo AC oppure Tipo A Immune o Tipo F. il salvavita è un differenziale puro 25A tipo AC - 30mA e si trova nel centralino all'ingresso dell'appartamento posto al 4° piano. 8 ore fa, piergius ha scritto: - Se è vicino al Contatore o fa parte del Centralino. - Distanza tra Contatore e Centralino. il contatore invece è nel portone al piano terra. quindi la distanza dovrebbe essere di 12 - 15 MT 8 ore fa, piergius ha scritto: > - A mio avviso, visto il numero di MagnetoTermici e relative Linee a valle, sta già lavorando in "Area di Scatto" nonostante i vari Carichi lasciati in Stand-by . - Buona notte ! sarebbe quindi opportuno inserire un secondo differenziale creando 2 linee?
reka Inserita: 1 giugno 2023 Segnala Inserita: 1 giugno 2023 sicuro che sia un 10A quello della cucina? io li senza stravolgere troppo aggiungerei un differenziale e distribuirei diversamente alcune linee per non avere le luci e le prese sotto lo stesso. poi se lasci il contatore a 3,3 è inutile dividere gli elettrodomestici in cucina che tanto non puoi usarli contemporaneamente.
GIUMON78 Inserita: 1 giugno 2023 Autore Segnala Inserita: 1 giugno 2023 2 ore fa, Maurizio Colombi ha scritto: Tieni presente che per suddividere gli elettrodomestici uno ad uno come hai ipotizzato, dovrai rifare completamente l'impianto in cucina, sperando che ci sia spazio nei tubi per le nuove linee e che tutte le prese siano accessibili senza smontare i mobili. lo spazio ci sarebbe, ho verificato, magari potrei lasciare frigo e prese sotto l'attuale MT da 20A, poi aggiungere 1 MT per il piano cottura induzione + 1 MT per forno e lavastoviglie insieme 2 ore fa, Maurizio Colombi ha scritto: Per il resto non la vedo una brutta idea, quanto è grande il centralino? il centralino è un 24 moduli
GIUMON78 Inserita: 1 giugno 2023 Autore Segnala Inserita: 1 giugno 2023 13 minuti fa, reka ha scritto: sicuro che sia un 10A quello della cucina? si, sicuro, 10A 13 minuti fa, reka ha scritto: io li senza stravolgere troppo aggiungerei un differenziale e distribuirei diversamente alcune linee per non avere le luci e le prese sotto lo stesso. quindi sarebbe opportuno aggiungere un secondo differenziale sotto il quale creare linea "prioritaria" tipo luci, cucina /frigo ecc 13 minuti fa, reka ha scritto: poi se lasci il contatore a 3,3 è inutile dividere gli elettrodomestici in cucina che tanto non puoi usarli contemporaneamente. in effetti sto pensando di chiedere aumento di potenza almeno a 4,5 per il momento
reka Inserita: 1 giugno 2023 Segnala Inserita: 1 giugno 2023 mi sembra impossibile che tutta la cucina sia tutta sotto un C10, verifica bene, non è che la lavastoviglie il forno e le prese sono sotto il C16 prese? per capire come è meglio operare devi vedere se dalla cassetta di derivazione che fa la cucina e il quadro generale c'è posto nei tubi e quanto.
GIUMON78 Inserita: 1 giugno 2023 Autore Segnala Inserita: 1 giugno 2023 1 ora fa, reka ha scritto: mi sembra impossibile che tutta la cucina sia tutta sotto un C10, verifica bene, non è che la lavastoviglie il forno e le prese sono sotto il C16 prese? confermo, dal C10 parte un cavo sez. 4 mm che arriva alla cassetta di derivazione vicino alla cunica, li si divide in linee con cavo sez. 2,5 mm per prese, forno, lavastoviglie e piano cottura. gli elettrodomestici hanno il classico semplice interruttore bipolare sulle prese della cucina, ma a monte è tutto collegato sotto il MT C10 del quadro elettrico 1 ora fa, reka ha scritto: per capire come è meglio operare devi vedere se dalla cassetta di derivazione che fa la cucina e il quadro generale c'è posto nei tubi e quanto. questo l'ho verificato, riesco tranquillamente a passare altre 2 o 3 linee di cavi sez. 2,5 mmq 1 ora fa, reka ha scritto:
reka Inserita: 1 giugno 2023 Segnala Inserita: 1 giugno 2023 allora hanno sbagliato, quello della cucina deve e può essere un C16 nel tuo caso. avendo il bipolare vedo inutile portare dei magnetotermici dedicati ad ogni elettrodomestico dal quadro. puoi creare due zone con due C16 che tengano separati forno e lavastoviglie così in caso di passaggio a contratto maggiore riesic a farli andare assieme. poi fai una linea del 4mmq diretta per la sola induzione che in futuro puoi portare a 4 o 5kW
piergius Inserita: 2 giugno 2023 Segnala Inserita: 2 giugno 2023 6 ore fa, GIUMON78 ha scritto: il contatore invece è nel portone al piano terra. quindi la distanza dovrebbe essere di 12 - 15 MT Allora, entro 3 metri dal Contatore ci deve essere un Magnetotermico Generale di Impianto a protezione del Montante. - Dalla foto non vedo se il M. T. D. "Vasca" è da 10mA . Se fosse da 30mA, potresti sostituirlo con un 10mA, - Quello da 30 recuperato sfruttarlo come "Generale Luci e Servizi Essenziali", compreso Frigo e Allarme. - Buona giornata !
GIUMON78 Inserita: 3 giugno 2023 Autore Segnala Inserita: 3 giugno 2023 Il 2/6/2023 alle 09:16 , piergius ha scritto: Allora, entro 3 metri dal Contatore ci deve essere un Magnetotermico Generale di Impianto a protezione del Montante. - Dalla foto non vedo se il M. T. D. "Vasca" è da 10mA . Se fosse da 30mA, potresti sostituirlo con un 10mA, si, è un 30mA, è preferibile montare un 10mA? Il 2/6/2023 alle 09:16 , piergius ha scritto: - Quello da 30 recuperato sfruttarlo come "Generale Luci e Servizi Essenziali", compreso Frigo e Allarme. - Buona giornata !
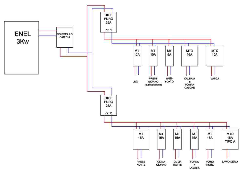
GIUMON78 Inserita: 3 giugno 2023 Autore Segnala Inserita: 3 giugno 2023 ieri ho verificato e riesco comodamente ad effetture tutti i passaggi di cavi che mi servono, quindi ho pensato di modificare come da schema che allego. alla fine per forno e lavastoviglie porto la linea nel centralino con relativo MT così mi riservo la possibilità di collegarli al controllo carichi per interruzione selettiva. ho diviso le tracce , quindi riesco a separare anche prese notte da quelle giorno. ovviamente serviranno accorgimenti: l'MTD vasca potrei sostituirlo con un 10mA come consigliato da Piergius. l'MT prese giorno potrei/dovrei portarlo a 16A (ho messo quello da 10A per recuperare quello già montato). cosa ne pensate?
DavideDaSerra Inserita: 3 giugno 2023 Segnala Inserita: 3 giugno 2023 (modificato) Per me (lo schema fatto su carta) non è un quadro fatto bene, se è stato rifatto l'impianto occorrono almeno due differenziali indipendenti, cosa che già altri ti suggeriscono, il differenziale principale è sovraccarico (84A contro i 25 del generale). Se un domani dovessi passare a 6kW (ma anche a 10) potresti potenzialmente tirarli per come sono installati i tuoi automatici ma bruceresti il generale. La cucina sotto un C10, io l'ho avuta per un periodo, saltava in continuazione, verificate che le linee fossero da 4mmq, messo sotto C16 e la situazione è migliorata. EDIT: Per quanto riguarda lo schema nuovo, i MTD "in cascata" ai differenziali puri non hanno senso, o li colleghi a monte rendendoli indipendenti, oppure sostituiscili con dei MT. Giusto il MTD della vasca (se con sensibilità 10mA) ha senso. Vale il discorso dei differenziali puri sovraccarichi, o li abbini con un MT C25 oppure li sostituisci con dei MTD. Modificato: 3 giugno 2023 da DavideDaSerra
del_user_155042 Inserita: 3 giugno 2023 Segnala Inserita: 3 giugno 2023 (modificato) cosa ci fa un controllo carichi a valle del contatore enel ? e due differeniali puri senza limitazione di sovracarico ? Modificato: 3 giugno 2023 da bypass
GIUMON78 Inserita: 3 giugno 2023 Autore Segnala Inserita: 3 giugno 2023 1 ora fa, DavideDaSerra ha scritto: Per me (lo schema fatto su carta) non è un quadro fatto bene, se è stato rifatto l'impianto occorrono almeno due differenziali indipendenti, cosa che già altri ti suggeriscono, il differenziale principale è sovraccarico (84A contro i 25 del generale). Se un domani dovessi passare a 6kW (ma anche a 10) potresti potenzialmente tirarli per come sono installati i tuoi automatici ma bruceresti il generale. La cucina sotto un C10, io l'ho avuta per un periodo, saltava in continuazione, verificate che le linee fossero da 4mmq, messo sotto C16 e la situazione è migliorata. EDIT: Per quanto riguarda lo schema nuovo, i MTD "in cascata" ai differenziali puri non hanno senso, o li colleghi a monte rendendoli indipendenti, oppure sostituiscili con dei MT. Giusto il MTD della vasca (se con sensibilità 10mA) ha senso. Vale il discorso dei differenziali puri sovraccarichi, o li abbini con un MT C25 oppure li sostituisci con dei MTD. un domani aumentanto la potenza del contatore andrei a sostituire anche il salvavita con uno adeguato. certo il problema del sovraccarico resta, pur volendo prestare attenzione a non azionare più carichi contemporaneamente, la soluzione migliore sarebbe sostituire i differenziali puri con MTD da 25? Gli MTD a cascata effettivamente li collego a monte
reka Inserita: 3 giugno 2023 Segnala Inserita: 3 giugno 2023 dallo schema basterebbe un MT a monte di tutto
GIUMON78 Inserita: 3 giugno 2023 Autore Segnala Inserita: 3 giugno 2023 1 ora fa, bypass ha scritto: cosa ci fa un controllo carichi a valle del contatore enel ? e due differeniali puri senza limitazione di sovracarico ? si, considera che sto cercando di porre rimedio ad un impianto esistente (quello del primo post) che non mi convinceva e mi avete dato conferma. effettivamente ho aggiunto solo un secondo differenziale, lasciandoli senza limitazione di sovraccarico come nell'impianto iniziale, conviene abbinare con un MT C25 oppure li sostituisco con dei MTD? per il controllo carichi leggendo delle guide avevo capito fosse quella la posizione giusta, devo approfondire. consigli?
DavideDaSerra Inserita: 3 giugno 2023 Segnala Inserita: 3 giugno 2023 (modificato) 1 hour ago, GIUMON78 said: un domani aumentanto la potenza del contatore andrei a sostituire anche il salvavita con uno adeguato. certo il problema del sovraccarico resta, pur volendo prestare attenzione a non azionare più carichi contemporaneamente, la soluzione migliore sarebbe sostituire i differenziali puri con MTD da 25? Gli MTD a cascata effettivamente li collego a monte Il problema non è quello, già oggi la protezione del contatore, se presente, è da 63A, non da 13 non da 16 non da 25. L'interruttore dell'enel non è una protezione, i differenziali devi proteggerli, come sono ora non sono protetti. Un'altra nota: manca il "generale quadro" che potrebbe benissimo essere un MT C25 così da risolvere anche la mancata protezione dei differenziali (come già suggerito da reka). Altra domanda: quanto dista il contatore dal quadro principale (in cavo)? Modificato: 3 giugno 2023 da DavideDaSerra
piergius Inserita: 3 giugno 2023 Segnala Inserita: 3 giugno 2023 Il 1/6/2023 alle 09:26 , GIUMON78 ha scritto: centralino all'ingresso dell'appartamento posto al 4° piano. Il contatore invece è nel portone al piano terra. quindi la distanza dovrebbe essere di 12 - 15 MT . . .
DavideDaSerra Inserita: 3 giugno 2023 Segnala Inserita: 3 giugno 2023 Questo mi porta a chiedere se esista un magnetotermico subito a valle del contatore a protezione del montante? Se no, sarebbe opportuno aggiungerlo, se sì, di che taglia è?
del_user_155042 Inserita: 3 giugno 2023 Segnala Inserita: 3 giugno 2023 (modificato) Quote conviene abbinare con un MT C25 oppure li sostituisco con dei MTD? per il controllo carichi leggendo delle guide avevo capito fosse quella la posizione giusta, devo approfondire. consigli? puoi abbinarlo come vuoi, limitarlo a monte , a valle o in corpo , importante proteggerlo . invece per il controllo carichi , non ho capito cosa serve quel strumento a inserzione diretta a valle contatore enel che taglia alimentazione a tutto l'impianto . e perche deve fare questo Modificato: 3 giugno 2023 da bypass
GIUMON78 Inserita: 4 giugno 2023 Autore Segnala Inserita: 4 giugno 2023 15 ore fa, bypass ha scritto: invece per il controllo carichi , non ho capito cosa serve quel strumento a inserzione diretta a valle contatore enel che taglia alimentazione a tutto l'impianto . e perche deve fare questo avevo intenzione di montare un controllo carichi Urmet/Yokis che gestisce in automatico dei carichi: monitora il consumo totale e quando arrivo ad assorbire 3,3 kw, prima che ci sia il distacco del contatore enel, scollega i carichi che ho stabilito con priorità, pre-assegnate. infatti pensavo di impostare i clima, forno, lavatrice e lavastoviglie, così in base a cosa è acceso in quel momento possa interrompre il carico. ma deve essere montato a monte dell'impianto per leggere l'assorbimento totale.
del_user_155042 Inserita: 4 giugno 2023 Segnala Inserita: 4 giugno 2023 Quote ma deve essere montato a monte dell'impianto per leggere l'assorbimento totale. ok , verifica solo la copertura radio
reka Inserita: 4 giugno 2023 Segnala Inserita: 4 giugno 2023 onestamente io trovo molto più logico ed economico passare a un 4kW di contratto con un impianto del genere. non ne ho le statistiche ma sono sicuro che quei carichi si offendo se gli togli corrente a metà lavoro 😀
Messaggi consigliati
Crea un account o accedi per commentare
Devi essere un utente per poter lasciare un commento
Crea un account
Registrati per un nuovo account nella nostra comunità. è facile!
Registra un nuovo accountAccedi
Hai già un account? Accedi qui.
Accedi ora