Nadine 82 Inserito: 24 settembre 2023 Segnala Inserito: 24 settembre 2023 (modificato) Ciao, ho da molti anni un sinto-ampli Denon DRA500AE, ma improvvisamente mi è venuto un grosso dubbio. Questo ampli ha 5 ingressi audio RCA a due canali e sarebbero: -DVD/VDP -V AUX -CD-R/TAPE1 -MD/TAPE2 -CD Io uso solo due ingressi, ovvero: l'audio del PC (che converto prima in analogico tramite dac) collegato con cavo rca all'ingresso MD/TAPE2 del Denon; l'audio del decoder tv (che converto prima in analogico tramite dac) collegato con cavo rca all'ingresso AUX del Denon. Il dubbio sarebbe questo: queste sorgeti sono collegate agli ingressi adeguati? Io pensavo che questi 5 ingressi fossero identici, ma pensandoci bene se li hanno chiamati con nomi diversi (CD, DVD ecc..) vi sarà pure un motivo, giusto? Ciascuno è forse ottimizzato per il suono di una sorgente specifica, indicata appunto dal nome dell'ingresso? Quale sarebbe quindi l'ingresso migliore per il pc e il decoder? Grazie. Modificato: 24 settembre 2023 da Nadine 82
Riccardo Ottaviucci Inserita: 25 settembre 2023 Segnala Inserita: 25 settembre 2023 (modificato) le caratteristiche degli ingressi sembrano identiche ,questo è quanto ho trovato in rete Modificato: 25 settembre 2023 da Riccardo Ottaviucci
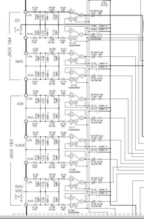
tesla88 Inserita: 25 settembre 2023 Segnala Inserita: 25 settembre 2023 Di solito no, tranne l'ingresso Phono che ha un'equalizzazione RIAA , gli altri ingressi sono equivalenti, hanno nomi diversi per comodità dell'utente. In ogni caso ho guardato il service e son tutti uguali
Nadine 82 Inserita: 25 settembre 2023 Autore Segnala Inserita: 25 settembre 2023 Grazie Riccardo e grazie Tesla, ho anche io il SM ma non avevo pensato di buttarci l'occhio; le specifiche riportate da Riccardo el avevo viste, ma non ci capivo molto. Ok allora le lascio collegate così queste due sorgenti. Avrei solo tre curiosità: 1) vedo però che gli ingressi CD e DVD hanno, diversamente dagli altri, due condensatori in più (c121 e c131), anche se però vedo che riportano un valore 0... 2) impedenza dell'ingresso 47Kohm: vuol dire che se misuro la resistenza tra ingresso e massa ho quella resistenza? Vedo che tutti i canali di ingresso hanno come prima resistenza una 470, è questa che determina quella imopedenza? 3) sensibilità 200mV: questa tensione dove è misurata? Grazie 🫠
Riccardo Ottaviucci Inserita: 25 settembre 2023 Segnala Inserita: 25 settembre 2023 (modificato) 20 minuti fa, Nadine 82 ha scritto: vedo però che gli ingressi CD e DVD hanno, diversamente dagli altri, due condensatori in più (c121 e c131), anche se però vedo che riportano un valore 0... sembrerebbe la capacità virtuale che c'è tra il comune degli ingressi (che non è a massa) e chassis 20 minuti fa, Nadine 82 ha scritto: impedenza dell'ingresso 47Kohm: vuol dire che se misuro la resistenza tra ingresso e massa ho quella resistenza? un conto è l'impedenza e un altro la resistenza,come valore esse coincidono solo per frequenze nulle,cioè in continua. Col segnale,che non è una tensione continua,l'ingresso presenta una impedenza di 47kohm 20 minuti fa, Nadine 82 ha scritto: Vedo che tutti i canali di ingresso hanno come prima resistenza una 470, è questa che determina quella imopedenza? anche quella,ma soprattutto quelle da 100K,le capacità e l'impedenza d'ingresso dell'operazionale,seppure molto elevata. 20 minuti fa, Nadine 82 ha scritto: sensibilità 200mV: questa tensione dove è misurata? in ingresso, se ricordo bene (ma ormai le definizioni teoriche cominciano ad essere labili nella mia testa) è la massima ampiezza di un segnale sinusoidale di 1 khz che garantisce un'amplificazione lineare e senza distorsioni dello stadio preamplificatore (o con distorsioni limitate mi pare al 5-10%) ,atta a raggiungere la massima potenza dell'amplificatore. Modificato: 25 settembre 2023 da Riccardo Ottaviucci
Nadine 82 Inserita: 25 settembre 2023 Autore Segnala Inserita: 25 settembre 2023 Grazie Riccardo, adesso ho le idee più chiare in merito. 😉🫠
Messaggi consigliati
Crea un account o accedi per commentare
Devi essere un utente per poter lasciare un commento
Crea un account
Registrati per un nuovo account nella nostra comunità. è facile!
Registra un nuovo accountAccedi
Hai già un account? Accedi qui.
Accedi ora