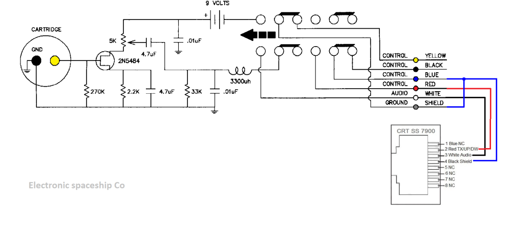
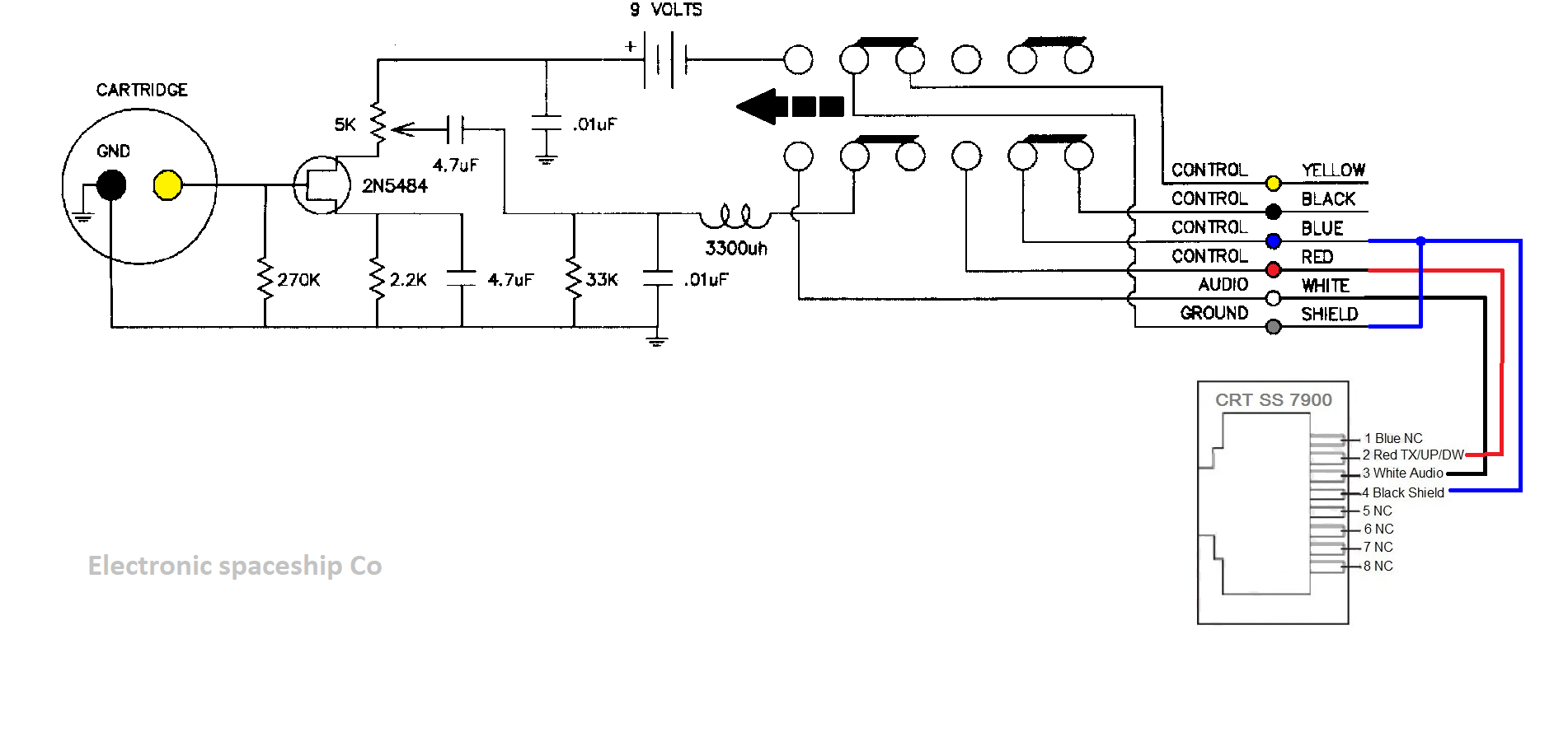
Andrea25 Inserito: 10 dicembre 2023 Segnala Inserito: 10 dicembre 2023 Buongiorno a tutti . Avrei una domanda da porvi : vorrei applicare un microfono ASTATIC D104 - MB alla radio CRT 7900 ma ho dubbi sul collegamento dei fili : qualcuno riesce ad aiutarmi ? Ho stampato i rispettivi schemi ( spina RJ 45 del CRT e microfono ) ma non mi è chiaro e non vorrei combinare guai ! Anticipatamente ringrazio .
Babbo.Natale Inserita: 10 dicembre 2023 Segnala Inserita: 10 dicembre 2023 Prova questo collegamento, a rigor di logica dovrebbe funzionare
Andrea25 Inserita: 12 dicembre 2023 Autore Segnala Inserita: 12 dicembre 2023 Buonasera, grazie mille. Ci provo e vi faccio sapere ! Grazie.
Andrea25 Inserita: 25 maggio 2024 Autore Segnala Inserita: 25 maggio 2024 Buongiorno a tutti. Dopo un sacco di tempo , finalmente ho trovato un momento ed ho collegato il microfono in oggetto . Funziona ma dai controlli ricevuti non mi cambia nulla sulla modulazione : anzi , mi hanno detto meglio l'originale ! Comunque lo schema era buono . Ci ho provato... Grazie di nuovo .
Messaggi consigliati
Crea un account o accedi per commentare
Devi essere un utente per poter lasciare un commento
Crea un account
Registrati per un nuovo account nella nostra comunità. è facile!
Registra un nuovo accountAccedi
Hai già un account? Accedi qui.
Accedi ora