Vai al contenuto
PLC Forum


Aggiunta di una suoneria esterna all'impianto citofonico BTicino Ticivox


Messaggi consigliati

Inserito:

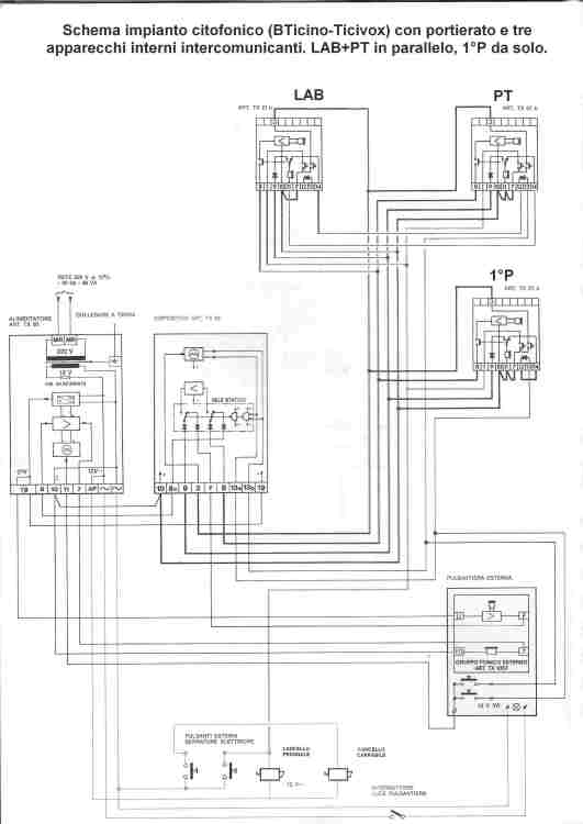
Buongiorno e buon anno a tutti. Abito in una casa indipendente con giardino. Il mio impianto citofonico, un po' datato, è costituito da un alimentatore (Bticino TX 30), dal dispositivo TX 62  e da tre unità interne TX 21 intercomunicanti (due collegati in parallelo e uno da solo) collegati come da schema allegato.

Vorrei installare una suoneria supplementare a 220 V in giardino dove trascorro parecchio tempo, soprattutto nella bella stagione e spesso mi capita di non sentire chi suona al cancello. Gradirei consigli utili per la sua realizzazione e come connetterla allo schema attuale. Grazie

 

Nello schemario BTicino in mio possesso trovo questo schema (vedi relativo schema allegato) che suggerisce l'utilizzo di un relè proprietario, Art 5971, per l'azionamento della suoneria supplementare, che però non mi é del tutto chiaro.
1) Non si capisce a quale morsetto dell'alimentatore TX30 (che é quello cui fa riferimento lo schemario e che ho nel mio impianto) andrebbe collegato il morsetto 1 del relè Art 5971.
Dovendo replicare la chiamata, immagino che sia connesso al pulsante di chiamata il quale altro non fa che chiudere il circuito sul morsetto 11 dell'alimentatore. Essendo l'altro morsetto del relè (quello contrassegnato col n°3) collegato al morsetto 7 dell'alimentatore, che a sua volta é ponticellato col 10, praticamente il relè sembra alimentato dai morsetti 11 e 10 dello stesso, tra i quali ho misurato una tensione di 19,25 V. Quindi con l'azionamento del pulsante di chiamata si manderebbe questa tensione al relè. Ma nello schema sembra essere alimentato con 3 V corrente continua. E' evidente che qualcosa non torna o che sfugge a me.
2) Sul secondario del relè é indicata una tensione max di 48 V alternata. Come posso collegarci una suoneria a 220 V (ovviamente prendendo la tensione dalla rete di casa)?
Grazie ancora.

 

Schema citofono casa mia_new.jpg

Schema collegamenti suoneria supplementare_001.jpg


Inserita:

Susa ma tu tiostini ad aprire al discussione nelle sezioni improprie. Eppure ti avevo scritto di aprire la discussione nella sezione "Citofoni, videocitofoni e intercomunicanti" di questo forum!

Poi, andando a vedere la tua attività, compare già una discussione sullo stesso argomento, inserita nella sezione corretta!

Perchè aprirne altre in sezioni non adatte?

Continua solo con la prima discussione e non aprirne altre. Oltre ad essere vietato dal regolamento, serve solo a far confusione ed ad irritare i moderatori!

  • Livio Orsini locked this discussione
Ospite
Questa discussione è chiusa alle risposte.
×
×
  • Crea nuovo/a...