Nik Rob Inserito: 11 gennaio 2024 Segnala Inserito: 11 gennaio 2024 Ciao a tutti, ho una caldaia Baltur Temperia 24 SE. Vorrei installare il termostato intelligente Netatmo ma il tecnico mi ha detto che non è possibile, vorrei capire se è effettivamente impossibile. La caldaia in questione non ha comandi a bordo ma un cronocomando che regola tutta la caldaia inclusa l'accensione del riscaldamento. Allego foto delle etichette presenti sulla caldaia, schema elettrico caldaia e schema collegamento cronocomando. C'è qualcuno che ha esperienza in tal senso? Netatmo suggerisce compatibilità con Baltur Temperia INN che è uguale alla mia (almeno credo). Grazie!
reka Inserita: 11 gennaio 2024 Segnala Inserita: 11 gennaio 2024 se la caldaia non permette di configurare il cronocomando solo come controllo remoto ha ragione il tecnico. dovresti vedere se invece il sito netatmo te lo mette come compatibile, se anche li ti danno picche direi che è impossibile.
Nik Rob Inserita: 11 gennaio 2024 Autore Segnala Inserita: 11 gennaio 2024 Il sito Netatmo assicura compatibilità con la Baltur Temperia INN. La Baltur Temperia e Temperia INN dovrebbero essere uguali, difatti sul mio manuale sono presenti entrambe
reka Inserita: 11 gennaio 2024 Segnala Inserita: 11 gennaio 2024 quindi o il netatmo può sostituire il tuo, ma dubito, o c'è la possibilità di metterlo parallelamente al tuo con la sola funzione di TA. il manuale caldaia non riporta nulla? tu chi hai sentito? io ho montato tado e ai tempi il servizio tecnico mi diede i suggerimenti specifici per la mia caldaia.
Nik Rob Inserita: 11 gennaio 2024 Autore Segnala Inserita: 11 gennaio 2024 Nel manuale c’è scritto solo che c’è l’ingresso per un kit impianto a zone. Ho sentito la Baltur che mi ha risposto picche, un tecnico autorizzato che sentendo Baltur mi ha detto che non si può far nulla. infine, un sito di ricambi caldaie mi ha suggerito di acquistare una scheda impianto a zone per poter collegare il termostato Netatmo. purtroppo questo sito non accetta resi se la scatola del prodotto viene aperta (strano ma vero), per cui sono abbastanza indeciso
reka Inserita: 12 gennaio 2024 Segnala Inserita: 12 gennaio 2024 non conosco baltur, ho trovato il manuale di un altro modello e parla di un ingresso per TA2, se la tua ha solo quello per impianto a zone non saprei, probabilmente c'è il trucchetto ma dovresti chiedere alla netatmo come andrebbe collegata la tua visto che in effetti è data per compatibile.
Nik Rob Inserita: 22 gennaio 2024 Autore Segnala Inserita: 22 gennaio 2024 Si, ho inviato una richiesta ma l'assistenza non sembra essere ben organizzata.
Stefano Dalmo Inserita: 9 febbraio 2024 Segnala Inserita: 9 febbraio 2024 Il 11/1/2024 alle 12:48 , Nik Rob ha scritto: Il sito Netatmo assicura compatibilità con la Baltur Temperia INN. La Baltur Temperia e Temperia INN dovrebbero essere uguali, difatti sul mio manuale sono presenti entrambe Fai vedere una foto
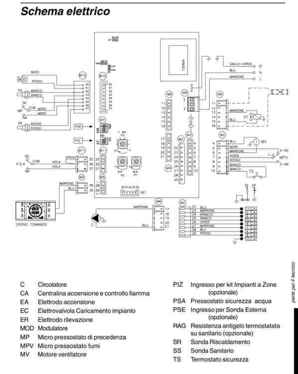
Nik Rob Inserita: 9 febbraio 2024 Autore Segnala Inserita: 9 febbraio 2024 Ecco la foto dei collegamenti. Ho acquistato anche il kit di impianti a zone che ho collegato al connettore M6 (pin 40-43) perchè in alcuni forum dicevano di utilizzare i contatti di questo kit per installare il termostato. Ho provato a ponticellare questo contatto ma la caldaia non parte. .
Stefano Dalmo Inserita: 9 febbraio 2024 Segnala Inserita: 9 febbraio 2024 Scusa , ma parlavo del manuale. gli schemi
Nik Rob Inserita: 9 febbraio 2024 Autore Segnala Inserita: 9 febbraio 2024 Come posso allegare i pdf? Nel post in alto ci sono i due schemi elettrici del comando sostitutivo presente e della caldaia.
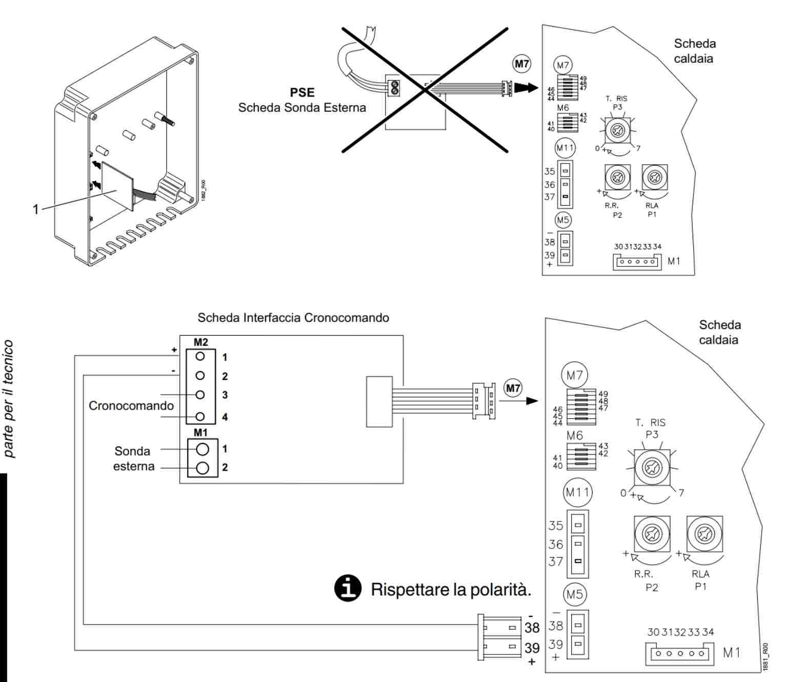
Stefano Dalmo Inserita: 9 febbraio 2024 Segnala Inserita: 9 febbraio 2024 (modificato) Lo schema della caldaia adesso l’ho visto , ma l’altro schema non è della scheda per comando a zone , ma è un’interfaccia cronocomando , di fatti fa vedere che deve essere montato su altri connettori e non su m6 . tu cosa hai montato ? Il componente sullo schema o altro ? se è altro devi postare lo schema e vedo Modificato: 9 febbraio 2024 da Stefano Dalmo
Nik Rob Inserita: 9 febbraio 2024 Autore Segnala Inserita: 9 febbraio 2024 (modificato) Scusami non avevo capito. Allego le foto dei diversi schemi che mi hanno fornito con il kit. Io ho collegato il flat sul contatto M6 della caldaia ed ho provato a cortocicuitare M2 (pin 4 e 5) della schedina del kit. Sulla caldaia era già presente il crocomando montato come da schema sopra sul contatto M7. Modificato: 9 febbraio 2024 da Nik Rob
Stefano Dalmo Inserita: 9 febbraio 2024 Segnala Inserita: 9 febbraio 2024 Scusa , ma qualcosa non mi ritorna , Tu non hai una interfaccia crono , Perché parli di collegamento su M7. , che da schema mi risulta ci vada collegata la sonda esterna ? Il comando remoto che hai tu , con due cavi , come da schema dovrebbe essere su M5 . Guarda il primo schema dell'ultima foto , E questa la tua scheda? Lo vedi M7, è libero . O mi sono perso qualcosa? Hai impostato il tuo crono in funzionamento on off e non modulante?
Stefano Dalmo Inserita: 9 febbraio 2024 Segnala Inserita: 9 febbraio 2024 1 ora fa, Nik Rob ha scritto: Sulla caldaia era già presente il crocomando montato come da schema sopra sul contatto M7.
Nik Rob Inserita: 9 febbraio 2024 Autore Segnala Inserita: 9 febbraio 2024 Cerco di ricapitolare. Lo schema elettrico originale della caldaia pone il cronocomando di serie sul connettore M5 ma ho già trovato installata la schedina per la sonda esterna anche se non ho alcuna sonda esterna. Su questa schedina (lo schema è riportato nel post principale) è collegato solo il connettore M2 di cui i pin 1 e 2 sono connessi al connettore M5 della scheda caldaia ed i pin 3 e 4 sono i due cavi di collegamento del cronocomando. Infine, ho acquistato il kit impianti a zone collegando il flat al connettore M6 della scheda caldaia. Ho impostato il cronocomando in modalità inverno con temperatura ambientale al minimo ma dopo aver cortocircuitato il connettore M2 (pin 4 e 5) del kit impianti a zone, la caldaia non parte.
Stefano Dalmo Inserita: 9 febbraio 2024 Segnala Inserita: 9 febbraio 2024 (modificato) Ma come sta questo collegamento la caldaia ti funziona a riscaldamento? E il crono comando come e settato ? Modulante o. On off ? Il problema credo che sia proprio qui . Nel senso che per fare funzionare il kit zone deve impostare il crono comando in on off e quindi eliminare modulante , E quindi puoi benissimo eliminare la schedina del sensore temperatura esterna , visto che non c'è il sensore , e neanche potrebbe essere utilizzato se pure ci fosse . Credo che la prima cosa da fare è riportare i collegamenti allo schema iniziale. Scollegare la schedina del sensore esterno e collegare il crono su M5 . E settarlo per il controllo on off . E vedere giá da così se funziona , poi proseguire col comando a zone , che vedremo dopo Modificato: 9 febbraio 2024 da Stefano Dalmo
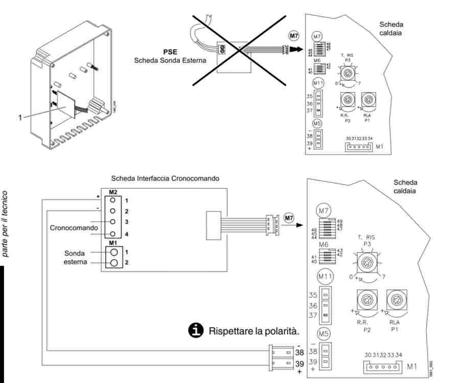
Stefano Dalmo Inserita: 9 febbraio 2024 Segnala Inserita: 9 febbraio 2024 Credo che lo schema che dovresti seguire sarebbe questo. Rivedi i connettori indicati , come sono predisposti sulla tua scheda ?
Nik Rob Inserita: 9 febbraio 2024 Autore Segnala Inserita: 9 febbraio 2024 Come faccio a capire se il crono comando è settato in modulante o on-off?
Stefano Dalmo Inserita: 9 febbraio 2024 Segnala Inserita: 9 febbraio 2024 Devi entrare nel menù del crono e scorrere le varie opzioni . Hai il manuale ?
Nik Rob Inserita: 9 febbraio 2024 Autore Segnala Inserita: 9 febbraio 2024 Ho il manuale del crono comando sostitutivo ma non c'è traccia di questa funzione. Inoltre, il crono comando che viene riportato nello schema della scheda caldaia è differente da quello che ho io (non so per quale motivo). Lo schema della scheda caldaia mostra il crono comando collegato con i cavi blu e marrone (+ e -) mentre il mio è collegato con due cavi grigi non polarizzati (credo sia il bus).
Stefano Dalmo Inserita: 9 febbraio 2024 Segnala Inserita: 9 febbraio 2024 7 minuti fa, Nik Rob ha scritto: Ho il manuale del crono comando sostitutivo E quale sarebbe , perché sostitutivo ? Quale è montato sulla tua caldaia adesso?
Nik Rob Inserita: 9 febbraio 2024 Autore Segnala Inserita: 9 febbraio 2024 No so perchè si chiami così, era già installato sulla mia caldaia. Riporto qui la foto.
Stefano Dalmo Inserita: 9 febbraio 2024 Segnala Inserita: 9 febbraio 2024 E nel libretto non è indicato come settarlo? E a parte questo fai quello che ti ho chiesto di fare come inizio.
Nik Rob Inserita: 9 febbraio 2024 Autore Segnala Inserita: 9 febbraio 2024 No, nè il libretto caldaia nè il libretto del comando parlante di modalità modulante. Va bene domattina proverò a fare le modifiche che mi ha suggerito e le faccio sapere. Grazie mille è stato molto gentile e professionale
Messaggi consigliati
Crea un account o accedi per commentare
Devi essere un utente per poter lasciare un commento
Crea un account
Registrati per un nuovo account nella nostra comunità. è facile!
Registra un nuovo accountAccedi
Hai già un account? Accedi qui.
Accedi ora