olometabolo Inserito: 18 gennaio 2024 Segnala Inserito: 18 gennaio 2024 Ciao à tutti Ho sotto mano un amplificatore per chitarra Yamaha g50 112 prima serie Il problema è che non suona Ho iniziato ignettando un segnale e ho visto che attraversa senza problemi la prima preamplificazione e la gestione toni. Se alzo il volume il segnale aumenta e fa lo stesso se gioco con i potenziometri di alti e bassi. Da questo ho dedotto che il problema è nel finale. L'alimentazione del finale é buona (84v) ma il fusibile era bruciato. Sostituito non è saltato nulla Ingnettando una sinusoide a 1khz 1vpp al pin 3 (in) non sento nulla in uscita Se lo stesso segnale lo metto in base a tr16 in uscita ho un suono (dunque deduco che tutta la parte a destra sia buona) Il funzionamento della parte da tr16 in poi mi è chiara invece non capisco come funzioni la parte da tr10 a tr15 e che funzione abbia Potreste darmi una mano Grazie
olometabolo Inserita: 18 gennaio 2024 Autore Segnala Inserita: 18 gennaio 2024 Come suggerito da ctec (grazie) Quote Immagino che tu non abbia un oscilloscopio... Primo, prova ad iniettare sulla base di TR10, se suona, l'elettrolitico subito prima è andato. E ci sta. Nel caso, cambia tutti gli elettrolitici. Se non suona uguale, prova sulla base di TR14. Dopo di che, bisogna testare i transistor oppure, appunto, con un oscilloscopio vedere bene cosa succede al segnale. Ho fatto la prova e ignettanto il segnale nella base di tr10 non sento nulla se invece le metto alla base di tr14 si sente Per scrupolo ho sostituito gli elettrolitici e fipassato tutte le saldature ma anhe cosi non va allora ho preso il testacomponenti e sul tr11 mi da NPN hFE da 500 mentre sul tr10 PNP hFE 27. Mi sa proprio che é lui che é morto comunque ho un oscilloscopio 🙂
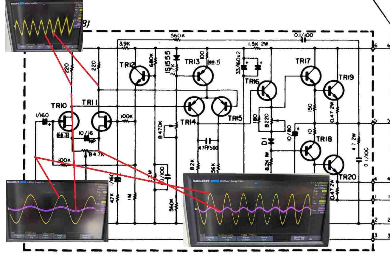
olometabolo Inserita: 1 febbraio 2024 Autore Segnala Inserita: 1 febbraio 2024 Buongiono Contrariamente a quanto detto sopra TR10 e 11 sono buono (provati fuori circuito) probabilmente quando avevo misurato la prima volta qualche componente ha falsato la misura Ho fatto qualche misura con l'oscilloscopio e il segnale entra bene prima di TR10 e 11 ma esce piu basso e distorto Ho ordinato dei transistor di ricambio ma non sono sicuro che siano loro i colpevoli che ne pensate?
Messaggi consigliati
Crea un account o accedi per commentare
Devi essere un utente per poter lasciare un commento
Crea un account
Registrati per un nuovo account nella nostra comunità. è facile!
Registra un nuovo accountAccedi
Hai già un account? Accedi qui.
Accedi ora