sebronero Inserito: 10 settembre 2024 Segnala Inserito: 10 settembre 2024 Salve, sto programmando una lavatrice ad ultrasuoni con una serie di passi operativi. Per semplificare la programmazione ho deciso di farla a blocchi, per separare tutte le fasi operative. Il mio problema è che quando eseguo ogni UDF funziona bene, quando faccio il primo passo anche, ma quando devo iniziare ad usare una copia di una UDF già usata, non funziona. Apenna arrivo a casa nel pomeriggio faccio degli screenshot, ma per andare avanti e non essendo un programmatore esperto chiedo: che qualche limitazione ci sia nell'usare la stessa UDF più volte nello stesso programma?
Mircoron Inserita: 10 settembre 2024 Segnala Inserita: 10 settembre 2024 Non so, io li uso molto spesso e non ho mai avuto problemi, hai provato invece di fare copia-incolla a caricarlo dal menu dei blocchi?
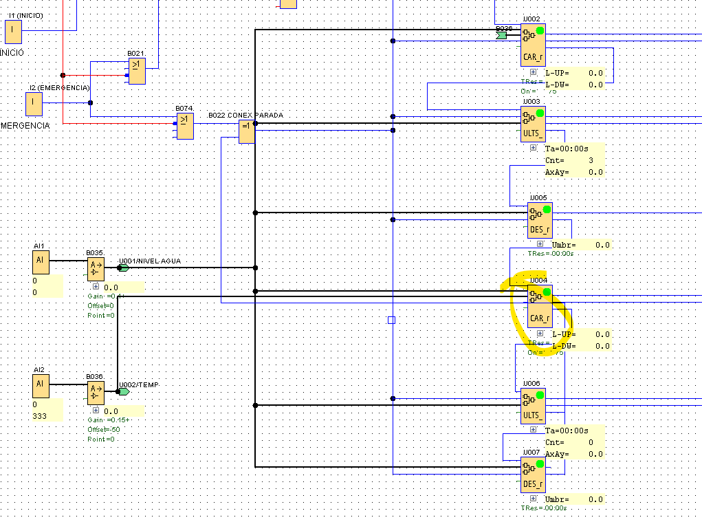
sebronero Inserita: 10 settembre 2024 Autore Segnala Inserita: 10 settembre 2024 Si, ho fatto questo. ma in un punto si ferma. Per esempio se faccio questo blocco funziona ma se copio e incollo lo stesso processo, mi si ferma e non va piu avanti. Ma se cancello tutto e lo stesso UDF lo metto da solo, il ciclo lo finisce..al finire ogni UDF da un pulso per cominciare il seguente ciclo. ho mezzo un RS alla uscita del DES_r precedente al blocco solo per vedere se esce il pulso e lo accende, percio il pulso di "continuazione" viene emesso, ma il UDF non parte. Veramente non capisco nulla.
sebronero Inserita: 10 settembre 2024 Autore Segnala Inserita: 10 settembre 2024 https://we.tl/t-B7Nzv3fDx2 questo e il link del programma della schermata del messaggio precedente.
sebronero Inserita: 14 settembre 2024 Autore Segnala Inserita: 14 settembre 2024 Il 10/09/2024 alle 09:37 , Mircoron ha scritto: Non so, io li uso molto spesso e non ho mai avuto problemi, hai provato invece di fare copia-incolla a caricarlo dal menu dei blocchi? Ciao, lei può guardare il mio programma (non sistemarlo) ma dirmi se ci sono errori di logica..?
Mircoron Inserita: 1 ottobre 2024 Segnala Inserita: 1 ottobre 2024 Ho letto adesso, mi spiace ma non ci riesco, saluti
Andrea Vetro Inserita: 2 ottobre 2024 Segnala Inserita: 2 ottobre 2024 Il 10/9/2024 alle 21:54 , sebronero ha scritto: Si, ho fatto questo. ma in un punto si ferma. Per esempio se faccio questo blocco funziona ma se copio e incollo lo stesso processo, mi si ferma e non va piu avanti. Ma se cancello tutto e lo stesso UDF lo metto da solo, il ciclo lo finisce..al finire ogni UDF da un pulso per cominciare il seguente ciclo. ho mezzo un RS alla uscita del DES_r precedente al blocco solo per vedere se esce il pulso e lo accende, percio il pulso di "continuazione" viene emesso, ma il UDF non parte. Veramente non capisco nulla. Ma non è che non funziona perchè semplicemente non è connesso correttamente? Se guardi la funzione che hai cerchiato, da screenshot che hai mandato, non è semplicemente connessa. Le righe di "alimentazione" della funzione sono sfalsate.
marcopez Inserita: 10 aprile 2025 Segnala Inserita: 10 aprile 2025 Buongiorno credo che il problema sia legato alla ricorsività del collegamento che l'uscita dell'U007 viene utilizzata come ingresso del B022 la cui uscita condiziona gli ingressi dei vari U...N tra cui anche l'U007. La soluzione dovrebbe essere di appoggiare il segnale di ritorno dalla U007 ad una M e passarlo alla B022. Saluti
Livio Orsini Inserita: 10 aprile 2025 Segnala Inserita: 10 aprile 2025 Dopo oltre 6 mesi o aveva risolto o aveva abbandonato il problema.😉
Messaggi consigliati