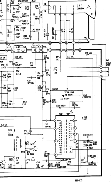
Fabrz Inserito: 5 gennaio 2025 Segnala Inserito: 5 gennaio 2025 Buongiorno a tutti, Premetto che sono un amatore di elettronica purtroppo inesperto, comunque attratto dall'hardware dei computer datati (purchè non troppo complessi!) e dall'idea di riportarli in vita o di rinnovarli. In questo periodo mi sto cimentando nel recupero/rinnovamento di TV e monitor del passato, principalmente attraverso la sostituzione sistematica dei condensatori elettrolitici. Ora mi sono imbattuto in un problema con un vecchio monitor monocromatico Olivetti MDU 1231 con chassis Goldstar MT-23. La scheda elettronica principale contiene uno "strano" condensatore elettrolitico NON polarizzato da 50V 2,2uF (M) (marca BP) di dimensioni piuttosto grandi in rapporto ai dati di targa. Il condensatore sarebbe sul circuito di deflessione orizzontale (se non erro) a ridosso del trasformatore flyback (C715, nello stralcio di schema allegato). Ho quindi reperito nuovi condensatori di pari dati (Panasonic serie SU-A, ordinati su RS); con mia meraviglia quelli ricevuti appaiono di dimensioni decisamente inferiori. Un po' dubbioso, ho comunque deciso di procedere alla sostituzione del condensatore. Dopo aver provveduto a tutte le sostituzioni, alla riaccensione del monitor tutto ha funzionato regolarmente per qualche minuto, dopo di che un bel botto con relativa fumata ha bruscamente interrotto il clima di festa. Ciò che ha provocato l'incidente è stato proprio il condensatore non polarizzato, che evidentemente non ha retto alle condizioni di esercizio. Ho cercato di informarmi un po' in internet per capire la causa del cedimento (ESR? Vloss? corrente massima?) senza però approdare ad una risposta certa. Ho misurato con un multi-tester economico (Amazon) i parametri del condensatore vecchio e nuovo, ottenendo i seguenti risutati: vecchio: 2,8 uF, Vloss 1,2% nuovo; 2,3 uF, ESR 3 ohm (perchè mi viene fornito un parametro diverso?) La mia impressione, tutta da confermare, è che la ESR del nuovo sia troppo elevata per il circuito in cui è impiegato oppure che la corrente di lavoro sia troppo elevata. Inoltre anche la tensione nominale del nuovo condensatore potrebbe essere troppo ridotta?... Qualcuno mi può illuminare in proposito ? Grazie dell'interesse e auguri di buon anno! Fabrizio
Livio Orsini Inserita: 5 gennaio 2025 Segnala Inserita: 5 gennaio 2025 Ho trasferito la discussione nella sezione specialistica dove, ritengo, ci siano più possibilità di ricevere un aiuto.
carlovittorio Inserita: 5 gennaio 2025 Segnala Inserita: 5 gennaio 2025 Sei sicuro che il condensatore da te acquistato non sia polarizzato?
Ctec Inserita: 5 gennaio 2025 Segnala Inserita: 5 gennaio 2025 Puoi postare una foto del condensatore vecchio, che si vedano bene le sigle?
piergius Inserita: 7 gennaio 2025 Segnala Inserita: 7 gennaio 2025 Il 05/01/2025 alle 10:00 , Fabrz ha scritto: uno "strano" condensatore elettrolitico NON polarizzato da 50V 2,2uF (M) (marca BP) di dimensioni piuttosto grandi in rapporto ai dati di targa. . Se è un condensatore elettrolitico NON polarizzato il Componente ha un volume doppio, contiene 2 Elettrolitici collegati in " antiserie" per lavorare con segnali alternati . . Diversi anni fa, non trovando quelli non Polarizzati, acquistai 14 Elettrolitici normali, di ogni coppia saldavo insieme i terminali negativi . Con le " antiserie" ottenute riparai così 7 schede che avevano un guasto analogo . - A mio avviso potresti provare a mettere un 2, 2 MicroFarad a Poliestere da 63 ÷ 100V, ma attendi altri pareri . - Buona Domenica e 🌟 Buona Epifania a tutti 🌟 ! P. S. La risposta è partita in ritardo...
Fabrz Inserita: 6 febbraio 2025 Autore Segnala Inserita: 6 febbraio 2025 Un grande Grazie per l'interesse! Perdonate il grande ritardo nella risposta... Purtroppo gli impegni lavorativi mi hanno temporaneamente allontanato dal mio "laboratorio" di elettronica. In allegato la foto dei due condensatori... come potete notare le dimensioni non sono paragonabili! Sì, quello nuovo è bipolare, come testimoniato anche dalle iniziali "B.P.". L'ho acquistato tramite RS. Entrambi da 2,2 uF / 50V. Grazie per il consiglio @piergius. Provvederò appena ho un po' di tempo. Buona serata! Un grande Grazie per l'interesse! Perdonate il grande ritardo nella risposta... Purtroppo gli impegni lavorativi mi hanno temporaneamente allontanato dal mio "laboratorio" di elettronica. In allegato la foto dei due condensatori... come potete notare le dimensioni non sono paragonabili! Sì, quello nuovo è bipolare, come testimoniato anche dalle iniziali "B.P.". L'ho acquistato tramite RS. Entrambi da 2,2 uF / 50V. Grazie per il consiglio @piergius. Provvederò appena ho un po' di tempo. Buona serata!
patatino59 Inserita: 7 febbraio 2025 Segnala Inserita: 7 febbraio 2025 (modificato) Usa due condensatori polarizzati da 4,7 uF 250 volt in antiserie. (+-)(-+) Lascia stare le diciture sul nuovo, a vista mi sembra una presa in giro ! Modificato: 7 febbraio 2025 da patatino59
illogatto Inserita: 8 febbraio 2025 Segnala Inserita: 8 febbraio 2025 Io lascerei quello vecchio e guarderei come si comporta.
Fabrz Inserita: 20 febbraio 2025 Autore Segnala Inserita: 20 febbraio 2025 Il 07/02/2025 alle 09:16 , patatino59 ha scritto: Usa due condensatori polarizzati da 4,7 uF 250 volt in antiserie. (+-)(-+) Lascia stare le diciture sul nuovo, a vista mi sembra una presa in giro ! Il 08/02/2025 alle 13:23 , illogatto ha scritto: Io lascerei quello vecchio e guarderei come si comporta. Grazie a entrambi per i preziosi consigli. Ma mi sorgono le seguenti domande. A @patatino59: il bello che ho acquistato un "Panasonic" per una maggiore sicurezza... Vabbè, forse l'errore non è nella scelta del produttore. - Un poliestere come consigliava @piergius non sarebbe valido ? Si tratterebbe di una soluzione più semplice... e poi dopo l'incidente ho paura ad utilizzare un elettrolitico in quel punto. Purtroppo non ho le competenze per valutare le specifiche di un condensatore. A @illogatto: è sufficiente la misura del ESR per capire in che stato di salute è un vecchio condensatore ? Io sono partito sostituendo tutti gli elettrolitici con in testa l'idea che è sempre meglio sostituire quelli di una certa età perchè irrimediabilmente destinati a degradarsi, chi più chi meno velocemente. Ultimamente ho letto però qualche articolo che parla di "rigenerazione" che sembra smentire la necessità di un tale drastico intervento. Buona serata a tutti e grazie ancora del vostro interesse.
Messaggi consigliati
Crea un account o accedi per commentare
Devi essere un utente per poter lasciare un commento
Crea un account
Registrati per un nuovo account nella nostra comunità. è facile!
Registra un nuovo accountAccedi
Hai già un account? Accedi qui.
Accedi ora