drn5 Inserito: 14 febbraio 2025 Segnala Inserito: 14 febbraio 2025 Ciao a tutti, mio fratello mi dice che la sua caldaia non dà più acqua calda. I caloriferi si scaldano normalmente, ma anche aprendo tutti i i rubinetti acqua calda assieme (lavello, lavabo e bidet) la caldaia non parte. Se stà scaldando i caloriferi continua imperterrita a scaldarli, non c'è nessun cambiamento sulle spie che restano accese come se i rubinetti non fossero stati aperti. Col riscaldamento spento, aprendo i rubinetti si sente, così mi dice, l'acqua circolare in caldaia, ma l'unica spia accesa è solo quella verde del I/O di alimentazione. Passerò da lui, ma mi piacerebbe andare a colpo "sicuro" sul da farsi.. suggerimenti? Controllerò pistoncino e micro, ma non conoscendo il modello c'è altro da verificare? E' tutto visibile o c'è da smontare mezza caldaia? 3 anni fa mi dice di aver fatto cambiare la tre vie e 2 anni fa la scheda fulminata... Grazie delle dritte...
Stefano Dalmo Inserita: 14 febbraio 2025 Segnala Inserita: 14 febbraio 2025 (modificato) .bhe se non si vede se viene attivato il micro sulla tre vie non si può fare alte ipotesi . Modificato: 14 febbraio 2025 da Stefano Dalmo
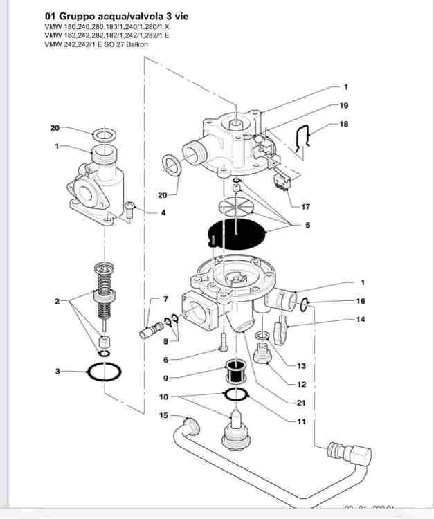
drn5 Inserita: 14 febbraio 2025 Autore Segnala Inserita: 14 febbraio 2025 Esatto. Quello che mi manca è un esploso della caldaia per capire se è facile eventualmente da smontare per pulirla. Sul libretto di manutenzione non si vede e da quello che si trovi in rete mi pare un casino..
Stefano Dalmo Inserita: 14 febbraio 2025 Segnala Inserita: 14 febbraio 2025 (modificato) Si , per sostituire la membrana è un bel casotto , e se ricordo bene , conviene smontare pure lo scambiatore a piastre Oltre al tubo che si trova sul laterale destro in basso , nel foro piccolo , in foto . Poi svitare tutte le viti in circolo che si vedono sotto la campana sottostante .Smontata la membrana , pigia il piattello con la mano e vedi se la leva preposta va ad attivare il micro . Modificato: 14 febbraio 2025 da Stefano Dalmo
Stefano Dalmo Inserita: 14 febbraio 2025 Segnala Inserita: 14 febbraio 2025 Questo esploso potrebbe essere diverso da quello della tua caldaia , ma in parte è molto simile . . Se la caldaia è molto vecchia Ed il gruppo acqua è uguale a quello che hai postato , prima di smontare tutto per vedere se la membrana è bucata , smonta il componente che ti metto in foto E guarda se è integro o rovinato , perché è importante il suo funzionamento per creare depressione sulla membrana . lo stesso dado è presente sul laterale del tuo gruppo in foto
drn5 Inserita: 15 febbraio 2025 Autore Segnala Inserita: 15 febbraio 2025 Grazie 1000 @Stefano Dalmo di tutte queste informazioni, dopo averci messo le mani farò sapere cosa ho trovato.
drn5 Inserita: 17 febbraio 2025 Autore Segnala Inserita: 17 febbraio 2025 Il micro non interveniva. Smontata la tre vie (posizionata proprio comodissima 😔) pulita (dal calcare) per bene... Rimontata e ora funziona. Lo scambiatore era in ordine...
Messaggi consigliati
Crea un account o accedi per commentare
Devi essere un utente per poter lasciare un commento
Crea un account
Registrati per un nuovo account nella nostra comunità. è facile!
Registra un nuovo accountAccedi
Hai già un account? Accedi qui.
Accedi ora